Published:2009/7/21 23:06:00 Author:Jessie
Digital sample-and-hold circuit. When a strobe input is applied the 8240/8250 is first reset, then triggered through the small RC network at pin 11, which delays the strobe signal. The strobe also sets the flip-flop, which in turn enables the counter via pin 14. The op amp goes to the high state and begins to countdown at a rate set by the counter time base. When the op amp output reaches the analog input to be sampled the comparator switches, resetting the flip-flop and stops the count. The op amp output will accurately hold the sampled value until the next strobe pulse is applied. If the time base here is used the maximum acquisition time would be 256 (8240, 100 for the 8250) times 0.01 ms, or 2.6 ms (courtesy Intersil, Inc.). (View)
View full Circuit Diagram | Comments | Reading(1693)
Published:2009/7/21 23:04:00 Author:Jessie
This figure shows the basic control circuit for triacs that use SBS triggers. The line voltage and load current depend primarily on the triac characteristics. In this case, the MAC210-4 accommodates loads up to 10 A. (View)
View full Circuit Diagram | Comments | Reading(1222)
Published:2009/7/21 23:02:00 Author:Jessie
This circuit provides positive protection of expensive electrical or electronic equipment against excessive supply voltage (resulting from improper switching, short circuits, failure of regulators, etc.). The circuit is used where it is economically desirable to shut down equipment, rather than allow the equipment to operate at excessive voltages. The circuit quickly places a short across the power lines (ac or dc), and thereby drops the voltage to the protected device to near zero and blows a fuse. With the values shown, the crowbar operating point (set point) can be adjusted over the range of 60 to 120 Vdc or 42 to 84 Vac. The values of R1 to R3 can be changed to cover different supply voltages, but the triac voltage rating must be greater than the highest operating point that is set by R2. Lamp II (with a voltage rating that is equal to the supply) can be used to check the set point and operation of the circuit, by opening the push-to-test switch and adjusting the input or set point to fire the SBS. An alarm unit such as the Mallory Sonalert can be connected across the fuse to provide an audible indication of crowbar action. Notice that this circuit cannot act on short, infrequent power-line transients. (View)
View full Circuit Diagram | Comments | Reading(0)
Published:2009/7/21 23:02:00 Author:Jessie
40 MHz frequency and period counter. To obtain the frequency and period it is necessary to divide the 10 MHz oscillator frequency down to 2.5 MHz. In doing this the time between measurements is 800 ms and the display multiplex rate is 125 hertz (courtesy Intersil, Inc.). (View)
View full Circuit Diagram | Comments | Reading(1749)
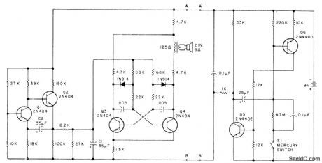
Published:2009/7/22 1:09:00 Author:Jessie
Can be assembled in small box as toy for small child. If mercury switch is used for S1, siren comes on automatically when box is picked up. MVBR Q1-Q2 controls rate at which siren wails, while Q3 and Q4 form AF MVBR that produces actual siren sound with frequency varied by triangle waveform on C1. MVBR Q5-Q6 is mono that conducts for preset time period when S1 is dosed, for applying power to siren. Values shown give 12 s of operation before siren is shut off. When carried by child, siren is jostled enough so it keeps recycling.-J. H. Everhart, Super Siren, 73 Magazine, Feb. 1978, p 96-97. (View)
View full Circuit Diagram | Comments | Reading(989)
Published:2009/7/22 1:08:00 Author:Jessie
Increasing magnitude of carrier voltage in-creases modulated output. Used in amplification of d-c signals for automatic control systems.-L. S. Klivans, Modulators for Automatic Control Systems, Electronics, 31:1, p 82-84. (View)
View full Circuit Diagram | Comments | Reading(950)
Published:2009/7/21 23:36:00 Author:Jessie
This circuit shows a CA3080A OTA (chapter 11) and a CA3079 zero-voltage switch that are connected to form a thermocouple temperature control, where the CA3079 functions as an output amplifier. (View)
View full Circuit Diagram | Comments | Reading(4007)
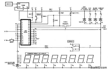
Published:2009/7/21 23:33:00 Author:Jessie
100 MHz frequency counter using the Intersil ICM7216C 28-pin DIP (courtesy Intersil, Inc.). (View)
View full Circuit Diagram | Comments | Reading(2951)
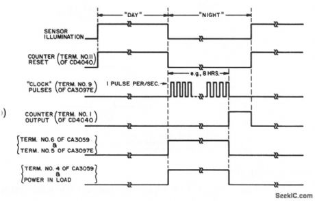
Published:2009/7/21 23:33:00 Author:Jessie


This circuit provides tum-on to a 2.5-A load after a long time period. The delay is set by the values of R1 and C1, as shown by the equations. The timing diagram is shown in Fig. 8-32B. (View)
View full Circuit Diagram | Comments | Reading(834)
Published:2009/7/21 23:54:00 Author:Jessie
Precision elapsed time/countdown timers using an Intersil ICM7217B 28-pin DIP. This circuit also uses an ICM7213 precision 1-minute/1-second time-base generator to provide a 4.1943 MHz crystal oscillator and divider, generating pulses counted by the ICM7217B, which is a 5959-maximum-count device. The thumbwheel switches allow a starting time to be entered into the counter for a preset countdown type timer, and allow the register to be set for compare functions. For instance, to make a 24-hour clock with BCD output the register can be reset with 2400 and the equals output used to reset the counter (courtesy Intersil, Inc.). (View)
View full Circuit Diagram | Comments | Reading(2286)
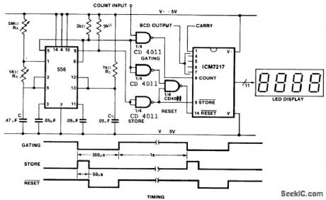
Published:2009/7/21 23:51:00 Author:Jessie
Inexpensive frequency counter/tachometer. This circuit uses a 556 dual timer to generate the gating, not-store and not-reset signals for a ICM7217 counter. One timer is an astable multivibrator using RA, RB and C to provide an output that is positive for approximately 1 second and negative for approximately 300 to 500 μs to serve as the gating signal. The system is calibrated by using a 5M pot for RA as a coarse control and a 1 K pot for RB as a fine control. The other timer is a one-shot multivibrator triggered by the negative-going edge of the gating. This output at pin 9 is inverted to serve as the store pulse and to hold not-reset high. When the one-shot times out and the store goes high, not-reset goes low, resetting the counter. The one-shot pulse width is approximately 50 μs with the components shown. When fine trimming with FIB care should be taken to keep the gating low time at least twice as long as the one-shot pulse width (courtesy Intersil, Inc.). (View)
View full Circuit Diagram | Comments | Reading(1)
Published:2009/7/21 23:46:00 Author:Jessie
This circuit uses a CA3096 or CA3096A transistor array to control a triac. (View)
View full Circuit Diagram | Comments | Reading(1009)
Published:2009/7/21 23:46:00 Author:Jessie
8-digit up/down counter using two cascaded ICM7217 28-pin DIPs. The NAND gate whether a digit is active since one of the two segments not-a or not-b is active on any unblanked number. The flip-flop is clocked by the LSB of the higher-order counter so if this digit is unblanked the Q output of the flip-flop goes high and turns on the NPN transistor, inhibiting leading zero blanking on the lower-order counter (courtesy Intersil, Inc.). (View)
View full Circuit Diagram | Comments | Reading(2976)
Published:2009/7/21 23:44:00 Author:Jessie
This circuit uses a CA3240E to sense small currents flowing between contact points on a touch plate, which consists of a PC board metalization grid. When the On plate is touched, current flows between the two halves of the grid, and causes a positive shift in the output voltage (pin 7) of the CA3240E. These positive transitions are fed into the CA3079, which is used as a latching circuit and zero-crossing triac driver. When pin7 of the CA3240 is positive, the triac and lamp are on. The opposite occurs when the Off plate is touched, and pin 1 of the CA3240 is positive. (View)
View full Circuit Diagram | Comments | Reading(2524)
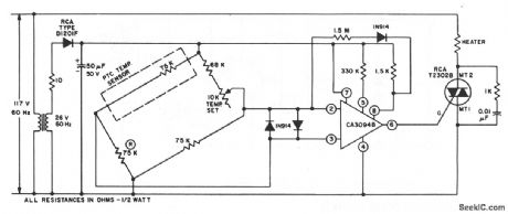
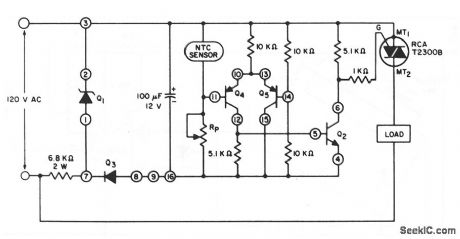
Published:2009/7/21 23:41:00 Author:Jessie
This circuit shows a CA3094B and triac that are connected to form a temperature controller. (View)
View full Circuit Diagram | Comments | Reading(1828)
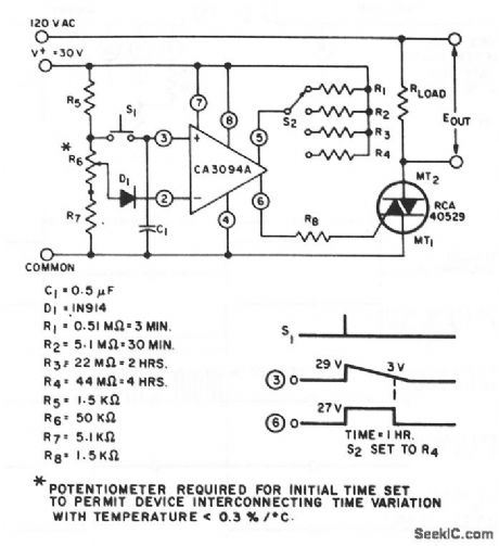
Published:2009/7/21 23:39:00 Author:Jessie
This circuit shows a CA3094A and triac connected to form a presettabletimer. The time is preset by the selected values of R1 through R4. (View)
View full Circuit Diagram | Comments | Reading(724)
Published:2009/7/21 23:21:00 Author:Jessie
This circuit uses a CA3059 zero-voltage switch to control triac operation. The turn-on time of the triac (and thus the current through load RL) is set by the values ofR and C, as shown by the equations. (View)
View full Circuit Diagram | Comments | Reading(1962)
Published:2009/7/21 23:20:00 Author:Jessie
Creates sounds resembling those of police-car siren in which air is forced through slots in motor-driven disk. L1 is half of audio transformer, using winding having 10K center tap.-Circuits, 73 Magazine, April 1977, p 164. (View)
View full Circuit Diagram | Comments | Reading(2)
Published:2009/7/21 23:18:00 Author:Jessie
Produces up/down blooping sounds characteristic of European police cars and now being used on some US emergency vehicles. Can be connected to burglar or theft alarm system for protection purposes, or used as portable sound box operated by momentary pushbutton switch. Includes volume control and tone control that varies both pitch and rate.-D. Heiserman, Whizbox, Modern Electronics, June 1978, p 67. (View)
View full Circuit Diagram | Comments | Reading(652)
Published:2009/7/21 23:18:00 Author:Jessie
Multiplexed BCD-to-7-segment decoder/driver/displays for a 24-hour clock. Supply voltage of 160 to 200 volts is required to power the display (courtesy Motorola Semiconductor Products Inc.). (View)
View full Circuit Diagram | Comments | Reading(1514)
| Pages:44/126 At 204142434445464748495051525354555657585960Under 20 |