Published:2009/7/20 2:04:00 Author:Jessie
Used in Fire Department service. 0perates within tolerance of quartz crystal from -55 to +85℃ and bias range of 110 to 150 mv for Citizens Band service.- Transistor Manual, Seventh Edition, General Electric Co., 1964, p 353. (View)
View full Circuit Diagram | Comments | Reading(1155)
Published:2009/7/20 2:02:00 Author:Jessie
Gives high stability from 800 kc to 3 Mc, from 0 to 65℃ with either crystal or capacitor. Optimum operating frequency can be found and utilized by changing capacitor value C1 in range up to 500 pf, while awaiting delivery of CT-cut crystal at desired frequency. -T. Asai, Crystal-or-capacitor Oscillator, EEE, 12:3, p 72. (View)
View full Circuit Diagram | Comments | Reading(846)
Published:2009/7/20 2:01:00 Author:Jessie
Low-impedance capacitor in parallel with sefies-resonant circuit of tunnel-diode relaxation oscillator passes all frequencies except that for series resonance, giving sinusoidal voltage across output capacitor. Output frequency varies from Q1 to 0.8 Mc over bias range of 000 to 400 mv.-Wen-Hsiung Ko, Designing Tunnel Diode Oscillators, Electronics, 34:6, p 68-72. (View)
View full Circuit Diagram | Comments | Reading(1260)
Published:2009/7/20 2:00:00 Author:Jessie
Uses conventional bipolar transistor, which has low noise in operation from low-impedance voltage generator. Temperature drift is much greater than with fet. -Fets Come Alive: Clinic Unveils Practical Circuits, EEE, 14:4, p 16-18. (View)
View full Circuit Diagram | Comments | Reading(811)
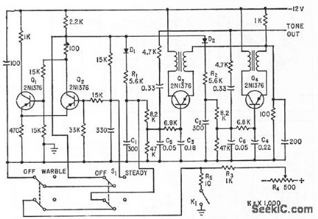
Published:2009/7/9 23:18:00 Author:May



Genemtes singletone and wcrble signals. Blocking oscillators Q3 and Q4, having slightly different frequendes, are frequency-modulated by triangular-wave output of low-frequency mvbr Q1-Q2, to produce siren-type wail.-W. F. Ferguson, High-Powered Audio Alarm Systems, Eleeronics, 33:16, p 70-72. (View)
View full Circuit Diagram | Comments | Reading(768)
Published:2009/7/20 2:39:00 Author:Jessie
FM ratio detector circuit. With R equal to 22K and C equal to 100 pF the roll off occurs at about 70 kHz (courtesy Motorola Semiconductor Products Inc.). (View)
View full Circuit Diagram | Comments | Reading(2254)
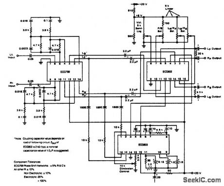
Published:2009/7/20 2:38:00 Author:Jessie
4-channel SQ logic decoder. Current drain at 20 volts is 60 mA. Input impedance is 2M. Output impedance is 2K (courtesy GTE Sylvania Incorporated). (View)
View full Circuit Diagram | Comments | Reading(674)
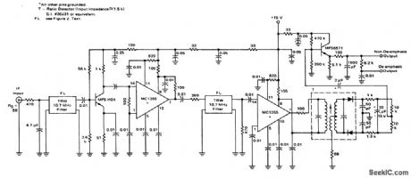
Published:2009/7/20 2:37:00 Author:Jessie
FM IF amplifier using two MC1355 chips. Two TRW phase linear five-pole 10.7 MHz filters provide a combined 240 kHz bandwidth (courtesy Motorola Semiconductor Products Inc.). (View)
View full Circuit Diagram | Comments | Reading(1134)
Published:2009/7/20 2:44:00 Author:Jessie
AM broadcast tuner with RF amplifier for automobile application. Audio output is 80 mV with 400-hertz modulation at 30%. The IF is 455 kHz. All coils and transformers are standard and can be purchased at Radio Shack (courtesy GTE Sylvania Incorporated). (View)
View full Circuit Diagram | Comments | Reading(783)
Published:2009/7/20 2:43:00 Author:Jessie
FM IF amplifier and discriminator for 10.7 MHz using an ECG760(enclosed in dashed lines)Gain is typically 40 dB at 10.7 MHz. Power supply voltage should be 20 volts(courtesy GTE Sylvania Incorporated). (View)
View full Circuit Diagram | Comments | Reading(658)
Published:2009/7/20 2:42:00 Author:Jessie
4-channel SQ logic decoder. Current drain is 75 mA at 20 volts. Input impedance is 2M, while output impedance is 2K (courtesy GTE Sylvania Incorporated). (View)
View full Circuit Diagram | Comments | Reading(704)
Published:2009/7/20 2:40:00 Author:Jessie
10.7 MHz FM IF amplifier and detector using four ECG1104 5-pin modules. Coil data and specifications also are shown (courtesy GTE Sylvania Incorporated). (View)
View full Circuit Diagram | Comments | Reading(610)
Published:2011/7/21 22:30:00 Author:qqtang | Keyword: detector, thickness
The working principle of the circuitThe thickness of the paper detector circuit consists of the power supply circuit, infrared detection circuit and control executing circuit, see as figure 8-143.
The power supply circuit consists of the power supply transformer T, rectifier diode VD1-VD4, filter capacitor C1-C3 and 3-terminal regulator IC2 and so on.The AC 220V current is stepped down by T, rectified by VD1-VD4, stabilized by IC2 and filtered by C1-C3, then it becomes a 12V DC voltage and it is provided for the infrared detection circuit and control executing circuit.
(View)
View full Circuit Diagram | Comments | Reading(1004)
Published:2009/7/20 1:59:00 Author:Jessie
Delivers 680 mv to 50-ohm load at 100 Mc. Coil is four 3/8-inch-diameter turns of No. 16 wire spaced to 0.5 inch.-Fets Come Alive: Clinic Unveils Practical Circuits, EEE, 14:4, p 16-18. (View)
View full Circuit Diagram | Comments | Reading(918)
Published:2009/7/20 2:58:00 Author:Jessie
AM/FM stereo tuner. Both ICs are 14-pin DIPs. The ECG1055 is an AM/FM IF amplifier and AM converter, while the ECG1056 is a stereo multiplex demodulator with a composite amplifier, 19 kHz pilot signal filter, a 38 kHz subcarrier generator and either a matix or switching circuit for left and right stereo audio channels (courtesy GTE Sylvania Incorporated). (View)
View full Circuit Diagram | Comments | Reading(1915)
Published:2009/7/20 2:54:00 Author:Jessie
FM stereo demodulator with integral Stereo/monaural switch 75 mA lamp driving capability.Typical supply voltag;is 12 volts but can be operated between 8 and 14 volts. Alignment is simple since there is only one adjustment,R5.Adjust R5 until 19 kHz is read at pin 10 on a frequency counter(courtesy GIE Sylvania Incorporated). (View)
View full Circuit Diagram | Comments | Reading(620)
Published:2009/7/20 3:28:00 Author:Jessie
FM tuner front end using dual-gate MOSFETs (courtesy Texas Instruments Incorporated). (View)
View full Circuit Diagram | Comments | Reading(3849)
Published:2009/7/20 3:27:00 Author:Jessie
Complete AM/FM broadcast receiver with 1-watt output and powered by 6 volts.All coils and transformers are standard and can be purchased at Radio Shack.FM sensitivity is 1 μV,while AM is 30 μv(courtesy GTE Sylvania Incorporated). (View)
View full Circuit Diagram | Comments | Reading(869)
Published:2009/7/20 3:25:00 Author:Jessie
Complete limiting FM IF amplifier and detector.Typical AM rejection is 60dB,ECG746 is an 8-pin DIP and ECG750 is a 14-pin DIP.The ECG750 is designed for use with a Foster-Seeley discriminator or radio detector.Transformer T1 is a 10.7 MHz Foster-Seeley discriminator with a primary impedance of 3.9K and a peak-to-peak separation of 600 kHz. The discriminator diodes are ECG110MP(courtesy GTE Sylvania Incorporated). (View)
View full Circuit Diagram | Comments | Reading(1223)
Published:2009/7/20 3:23:00 Author:Jessie


FM IF amplifier with quadrature detector (courtesy Motorola Semiconductor Products Inc.). (View)
View full Circuit Diagram | Comments | Reading(1050)
| Pages:88/195 At 2081828384858687888990919293949596979899100Under 20 |