Published:2011/5/11 2:42:00 Author:Rebekka | Keyword: Intelligent fuzzy control , rice cooker
Here is the diagram of F2-750A Intelligent fuzzy control rice cooker circuit. (View)
View full Circuit Diagram | Comments | Reading(3423)
Published:2011/5/11 1:55:00 Author:Rebekka | Keyword: electric shaver
Here is the diagram of the electric shaver circuit. (View)
View full Circuit Diagram | Comments | Reading(4133)
Published:2011/5/11 4:20:00 Author:Rebekka | Keyword: LG PC-style , barbecue microwave
The diagram of LG PC-style barbecue microwave circuit is shown as above. (View)
View full Circuit Diagram | Comments | Reading(1654)
Published:2011/5/11 2:11:00 Author:Rebekka | Keyword: Glanz, grill microwave oven
Here is the diagram of Glanz WD800 grill microwave oven circuit. (View)
View full Circuit Diagram | Comments | Reading(2958)
Published:2011/5/11 2:10:00 Author:Rebekka | Keyword: Manpower insulation type, electronic rice cooker
Here is the diagram of Manpower insulation type electronic rice cooker circuit. (View)
View full Circuit Diagram | Comments | Reading(3528)
Published:2011/5/11 2:06:00 Author:Rebekka | Keyword: pulse width modulation power controller
Here is the diagram ofCW1524 CW2524 CW3524 the pulse width modulation power controller typical application circuit. (View)
View full Circuit Diagram | Comments | Reading(656)
Published:2011/5/11 2:00:00 Author:Rebekka | Keyword: Anion air purifier
Here is the diagram of Anion air purifier circuit. (View)
View full Circuit Diagram | Comments | Reading(4150)
Published:2011/5/11 1:58:00 Author:Rebekka | Keyword: Panasonic, induction cooker
Here is the diagram of Panasonic KY-P2N induction cooker circuit. (View)
View full Circuit Diagram | Comments | Reading(9002)
Published:2011/5/11 1:31:00 Author:Rebekka | Keyword: Auto cigarette lighter
Here is the diagram of auto cigarette lighter circuit. (View)
View full Circuit Diagram | Comments | Reading(2523)
Published:2011/5/11 1:54:00 Author:Rebekka | Keyword: electric bicycle
Here is the diagram of electric bicycle principle circuit. (View)
View full Circuit Diagram | Comments | Reading(3038)
Published:2011/5/11 1:31:00 Author:Nicole | Keyword: Jetta CiX, cigar lighter, air conditioner, control board, floodlight, indoor light
Jetta CiX cigar lighter, air conditioner control board floodlight, indoor light, luggage floodlight and license plate lamp circuit diagram
(View)
View full Circuit Diagram | Comments | Reading(1131)
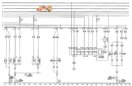
Published:2011/5/11 1:26:00 Author:Nicole | Keyword: Jetta CiX, headlamp, parking lamp, dimmer lamp, steering lamp, hazard warning light
View full Circuit Diagram | Comments | Reading(534)
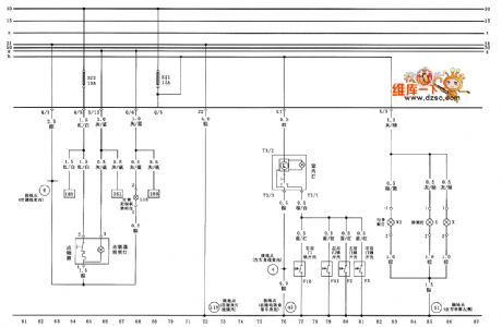
Published:2011/5/11 1:23:00 Author:Nicole | Keyword: Jetta CiX, steering lamp, tail lamp, light switch, brake lamp
View full Circuit Diagram | Comments | Reading(690)
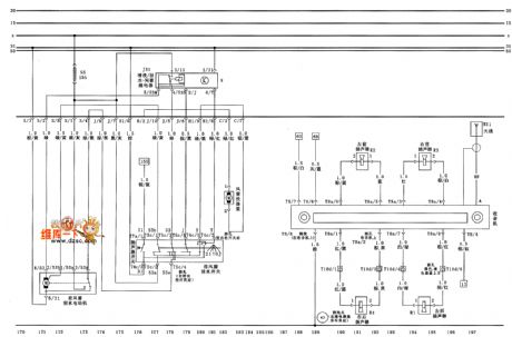
Published:2011/5/11 1:21:00 Author:Nicole | Keyword: reversing lamp, rear windshield heating, loudspeaker, front fog lamp, rear fog lamp
View full Circuit Diagram | Comments | Reading(592)
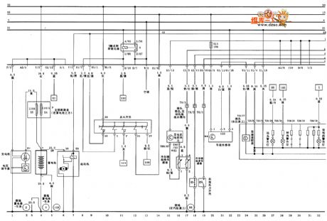
Published:2011/5/11 1:17:00 Author:Nicole | Keyword: Jetta CiX, front windshield, wiper, washer, radio, loudspeaker
View full Circuit Diagram | Comments | Reading(660)
Published:2011/5/11 1:37:00 Author:Nicole | Keyword: Jetta CiX, fuel gauge, coolant temperature gauge, acousto-optic oil pressure warning
Jetta CiX fuel gauge, coolant temperature gauge, acousto-optic oil pressure warning digital clock, tachometer, parking brake, fuel pump and fuel sensor circuit diagram
(View)
View full Circuit Diagram | Comments | Reading(1217)
Published:2011/5/11 1:44:00 Author:Nicole | Keyword: Jetta CiX, generator, starter, engine oil, pressure switch, coolant temperature sensor
Jetta CiX generator, starter, engine oil pressure switch, coolant temperature sensor, vehicle speed sensor circuit diagram
(View)
View full Circuit Diagram | Comments | Reading(2266)
Published:2011/5/11 2:12:00 Author:Nicole | Keyword: DONGFENG Citroen Elysee, SRS
View full Circuit Diagram | Comments | Reading(616)
Published:2011/5/11 3:36:00 Author:Nicole | Keyword: regulated power supply, swtich


As shown in the figure, it is a 15V/6A, 90W swtich power supply circuit which is composed of MC33374. It adopts E28 ferrite cores, the lead wire diameter of primary coil and feedback coil is unchanging, the turn is 34 turns, 4 turns. The secondary coil uses φ0.8mm enamel wire to double strand parallel wound 5 turns. The air gap of magnetic core is 0.56mm.
The technical index of this power supply is shown in the below table
(View)
View full Circuit Diagram | Comments | Reading(1469)
Published:2011/5/11 2:45:00 Author:Nicole | Keyword: DONGFENG Citroen Elysee, audio system
View full Circuit Diagram | Comments | Reading(625)
| Pages:1899/2234 At 2018811882188318841885188618871888188918901891189218931894189518961897189818991900Under 20 |