Position: Home > Circuit Diagram > Index 2215
Low Cost Custom Prototype PCB Manufacturer

Circuit Diagram

Index 2215

Switching integrated voltage regulator with 3A output current circuit

Published:2011/3/25 2:07:00 Author:Joan | Keyword: Switching integrated voltage regulator , 3A output current

Switching integrated voltage regulator with 3A output current circuit
  (View)

View full Circuit Diagram | Comments | Reading(497)

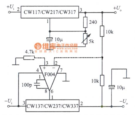
Positive and negative output voltage tracking integrated voltage regulator circuit 2

Published:2011/3/25 1:17:00 Author:Joan | Keyword: Positive and negative output voltage , tracking integrated voltage regulator

Positive and negative output voltage tracking integrated voltage regulator circuit 2
  (View)

View full Circuit Diagram | Comments | Reading(676)

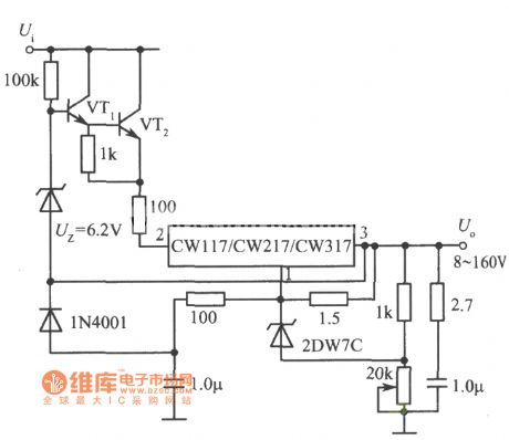
8 ~ 160V adjustable integrated voltage regulator circuit

Published:2011/3/25 1:14:00 Author:Joan | Keyword: 8 ~ 160V , adjustable integrated voltage regulator

8 ~ 160V adjustable integrated voltage regulator circuit
  (View)

View full Circuit Diagram | Comments | Reading(668)

1.25 ~ 160V adjustable integrated voltage regulator circuit

Published:2011/3/25 1:13:00 Author:Joan | Keyword: 1.25 ~ 160V , adjustable integrated voltage regulator

1.25 ~ 160V adjustable integrated voltage regulator circuit
  (View)

View full Circuit Diagram | Comments | Reading(722)

High output voltage integrated voltage regulator circuit

Published:2011/3/25 1:12:00 Author:Joan | Keyword: High output voltage , integrated voltage regulator

High output voltage integrated voltage regulator circuit
  (View)

View full Circuit Diagram | Comments | Reading(526)

High stability integrated voltage regulator circuit

Published:2011/3/25 0:57:00 Author:Joan | Keyword: High stability , integrated voltage regulator

High stability integrated voltage regulator circuit
  (View)

View full Circuit Diagram | Comments | Reading(604)

0 ~ 30V continuously adjustable integrated voltage regulator circuit

Published:2011/3/25 0:53:00 Author:Joan | Keyword: 0 ~ 30V , adjustable integrated voltage regulator

0 ~ 30V continuously adjustable integrated voltage regulator circuit
  (View)

View full Circuit Diagram | Comments | Reading(677)

CR3240 printer power supply circuit

Published:2011/3/25 0:52:00 Author:Joan | Keyword: printer power supply

CR3240 printer power supply circuit
Above is CR3240 printer power supply circuit.   (View)

View full Circuit Diagram | Comments | Reading(2419)

Panasonic KX-P1121 printer power supply circuit

Published:2011/3/25 0:49:00 Author:Joan | Keyword: Panasonic , printer power supply

Panasonic KX-P1121 printer power supply circuit
Above isPanasonic KX-P1121 printer power supply circuit.   (View)

View full Circuit Diagram | Comments | Reading(1700)

Digital control integrated voltage regulator circuit

Published:2011/3/25 0:43:00 Author:Joan | Keyword: Digital control , integrated voltage regulator

Digital control integrated voltage regulator circuit
  (View)

View full Circuit Diagram | Comments | Reading(622)

High precision and high stability +10 V integrated voltage regulator circuit

Published:2011/3/24 22:54:00 Author:Joan | Keyword: High precision and high stability , +10 V integrated voltage regulator

High precision and high stability +10 V integrated voltage regulator circuit
  (View)

View full Circuit Diagram | Comments | Reading(634)

Adjustable output integrated voltage regulator with temperature compensation circuit

Published:2011/3/24 22:53:00 Author:Joan | Keyword: Adjustable output , integrated voltage regulator , temperature compensation

Adjustable output integrated voltage regulator with temperature compensation circuit
  (View)

View full Circuit Diagram | Comments | Reading(713)

Standard adjustable integrated voltage regulator circuit

Published:2011/3/24 22:43:00 Author:Joan | Keyword: adjustable integrated voltage regulator

Standard adjustable integrated voltage regulator circuit
  (View)

View full Circuit Diagram | Comments | Reading(580)

Light control integrated voltage regulator (the output voltage decreases when light on) circuit diagram

Published:2011/3/24 22:34:00 Author:Joan | Keyword: Light control , integrated voltage regulator

Light control integrated voltage regulator (the output voltage decreases when light on) circuit diagram
  (View)

View full Circuit Diagram | Comments | Reading(562)

Remote shutdown style integrated voltage regulator circuit

Published:2011/3/24 22:33:00 Author:Joan | Keyword: Remote shutdown style , integrated voltage regulator

Remote shutdown style integrated voltage regulator circuit
  (View)

View full Circuit Diagram | Comments | Reading(748)

Self-excitation switching integrated voltage regulator circuit

Published:2011/3/24 22:20:00 Author:Joan | Keyword: Self-excitation , switching integrated voltage regulator

Self-excitation switching integrated voltage regulator circuit
  (View)

View full Circuit Diagram | Comments | Reading(589)

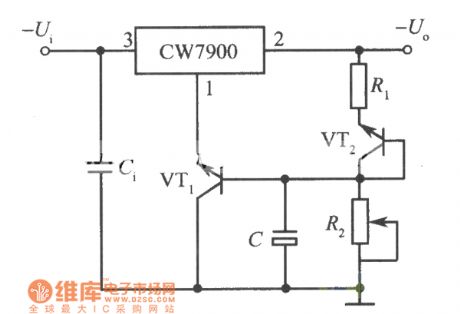
Constant current source circuit constituted of CW7900

Published:2011/3/24 22:19:00 Author:Joan | Keyword: Constant current source

Constant current source circuit constituted of CW7900
  (View)

View full Circuit Diagram | Comments | Reading(528)

High input - high output voltage integrated voltage regulator circuit 4

Published:2011/3/24 22:16:00 Author:Joan | Keyword: High input - high output voltage , integrated voltage regulator

High input - high output voltage integrated voltage regulator circuit 4
  (View)

View full Circuit Diagram | Comments | Reading(763)

Tire pressure gauge circuit diagram

Published:2011/3/20 22:51:00 Author:Ecco | Keyword: Tire pressure gauge

Tire pressure gauge circuit diagram
Tire pressure gauge circuit diagram is as below:   (View)

View full Circuit Diagram | Comments | Reading(1354)

The overpowering protective circuit diagram with the direct current and current measuring system MAX4211

Published:2011/3/22 21:14:00 Author:Ecco | Keyword: The overpowering protective circuit, direct current, current measuring system

The overpowering protective circuit diagram with the direct current and current measuring system MAX4211
The overpowering protective circuit with MAX4211 is as below. The working principle is that the protective circuit will cut off the load current when checking out the overpowering error. The circuit can avoid the batteries from the damage of overpower of short circuit. Once it check out the overpowering error, the circuit will cut off P channel MOSFET(V) until pressing the reseting button. Simultaneously, the input power will make LE pin be in low level, and the output 1 of comparator 1 won't be locked, and the protective circuit will reset. When the characteristic of load changing, the load may produce surging current and higher voltage on POUT to cause malfunction. To avoid the circumstance, the circuit could connect a RC network(R4 and C1), and it can provide high level to INHIBIT port of comparator 1. In the term, the comparator 1 wil stop working, and the time of pause is decided by the formula that showing as below: t=R4C1ln(△U/0.6)。 In the formula, △U is variance of load voltage. The RC net will not produce an effect on the protection of long time overpowering circuit. R3 is resistance of the current limiter in 10kΩ. Follow the above-mentioned circuitry, it can be used as measuring the error of current, the exact method is connecting the resistance divider R1~R2 to IOUT port.   (View)

View full Circuit Diagram | Comments | Reading(658)

Pages:2215/2234 At 2022012202220322042205220622072208220922102211221222132214221522162217221822192220Under 20