Position: Home > Circuit Diagram > Index 2203
Low Cost Custom Prototype PCB Manufacturer

Circuit Diagram

Index 2203

The internal circuit diagram of crystal diode STPS10170CT、STPS10170CR、STPS10170CB、STPS10170CG

Published:2011/3/25 0:54:00 Author:Ecco | Keyword: crystal diode

The internal circuit diagram of crystal diode STPS10170CT、STPS10170CR、STPS10170CB、STPS10170CG
The internal circuit diagram of crystal diode STPS10170CT、STPS10170CR、STPS10170CB、STPS10170CG is as below:   (View)

View full Circuit Diagram | Comments | Reading(938)

The internal circuit diagram of crystal diode STTH1002TV1

Published:2011/3/25 0:51:00 Author:Ecco | Keyword: crystal diode

The internal circuit diagram of crystal diode STTH1002TV1
The internal circuit diagram of crystal diode STTH1002TV1 is as below:   (View)

View full Circuit Diagram | Comments | Reading(566)

The internal circuit diagram of crystal diode STTH12010TV1

Published:2011/3/25 0:52:00 Author:Ecco | Keyword: crystal diode

The internal circuit diagram of crystal diode STTH12010TV1
The internal circuit diagram of crystal diode STTH12010TV1 is as below:   (View)

View full Circuit Diagram | Comments | Reading(427)

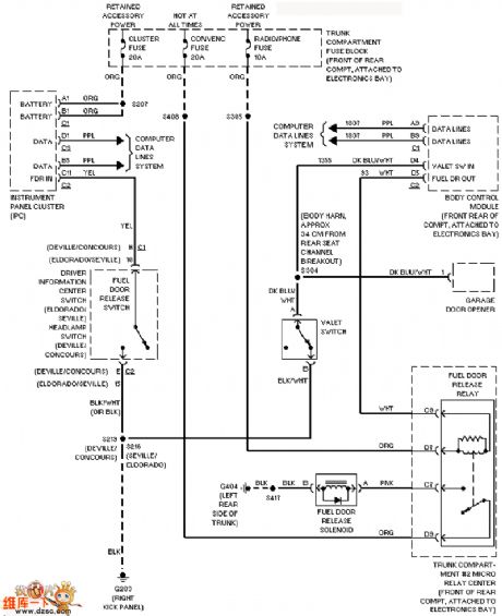
Cadillac oil filling port open circuit diagram

Published:2011/3/25 0:42:00 Author:Ecco | Keyword: oil filling port

Cadillac oil filling port open circuit diagram
  (View)

View full Circuit Diagram | Comments | Reading(499)

Cadillac embarkation lamp circuit diagram

Published:2011/3/25 0:43:00 Author:Ecco | Keyword: embarkation lamp

Cadillac embarkation lamp circuit diagram
  (View)

View full Circuit Diagram | Comments | Reading(521)

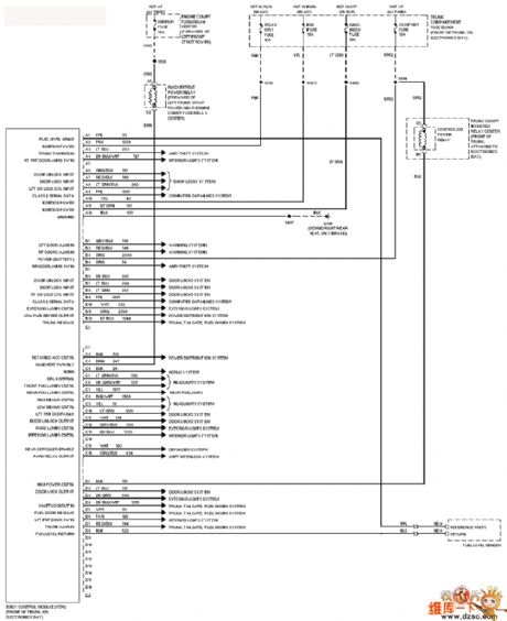
The computer circuit diagram of Cadillac car body

Published:2011/3/30 21:02:00 Author:Ecco | Keyword: computer, Cadillac, car body

The computer circuit diagram of Cadillac car body
  (View)

View full Circuit Diagram | Comments | Reading(604)

Cadillac electronic control of changing direction circuit diagram

Published:2011/3/25 0:45:00 Author:Ecco | Keyword: electronic control , changing direction

Cadillac electronic control of changing direction circuit diagram
  (View)

View full Circuit Diagram | Comments | Reading(614)

The internal circuit diagram of crystal diode STTH10002TV2

Published:2011/3/24 22:52:00 Author:Ecco | Keyword: crystal diode

The internal circuit diagram of crystal diode STTH10002TV2
The internal circuit diagram of crystal diode STTH10002TV2 is as below:   (View)

View full Circuit Diagram | Comments | Reading(454)

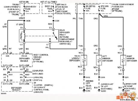
Cadillac mist eliminator circuit diagram

Published:2011/3/25 0:50:00 Author:Ecco | Keyword: mist eliminator

Cadillac mist eliminator circuit diagram
  (View)

View full Circuit Diagram | Comments | Reading(568)

Cadillac computer data transmission circuit diagram

Published:2011/3/24 22:12:00 Author:Ecco | Keyword: computer data transmission

Cadillac computer data transmission circuit diagram
  (View)

View full Circuit Diagram | Comments | Reading(637)

The internal circuit diagram of crystal diode STTH12010TV2

Published:2011/3/24 22:14:00 Author:Ecco | Keyword: crystal diode

The internal circuit diagram of crystal diode STTH12010TV2
The internal circuit diagram of crystal diode STTH12010TV2 is as below:   (View)

View full Circuit Diagram | Comments | Reading(448)

Cadillac ABS circuit diagram

Published:2011/3/24 22:10:00 Author:Ecco | Keyword: ABS

Cadillac ABS circuit diagram
  (View)

View full Circuit Diagram | Comments | Reading(666)

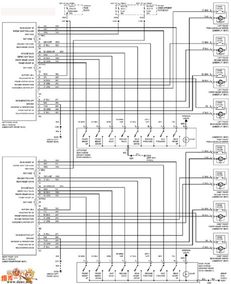
Cadillac 6 direction power seat circuit diagram

Published:2011/3/24 22:05:00 Author:Ecco | Keyword: 6 direction power seat

Cadillac 6 direction power seat circuit diagram
  (View)

View full Circuit Diagram | Comments | Reading(795)

Cadillac seat backrest regulation circuit diagram

Published:2011/3/24 22:07:00 Author:Ecco | Keyword: seat backrest regulation

Cadillac seat backrest regulation circuit diagram
  (View)

View full Circuit Diagram | Comments | Reading(598)

The internal circuit diagram of crystal diode STTH12002TV1

Published:2011/3/24 22:08:00 Author:Ecco | Keyword: crystal diode

The internal circuit diagram of crystal diode STTH12002TV1
The internal circuit diagram of crystal diode STTH12002TV1 is as below:   (View)

View full Circuit Diagram | Comments | Reading(444)

The internal circuit diagram of crystal diode STTH12003TV

Published:2011/3/24 22:08:00 Author:Ecco | Keyword: crystal diode

The internal circuit diagram of crystal diode STTH12003TV
The internal circuit diagram of crystal diode STTH12003TV is as below:   (View)

View full Circuit Diagram | Comments | Reading(413)

The internal circuit diagram of crystal diode STTH12004TV1

Published:2011/3/24 3:45:00 Author:Ecco | Keyword: crystal diode

The internal circuit diagram of crystal diode STTH12004TV1
The internal circuit diagram of crystal diode STTH12004TV1 is as below:   (View)

View full Circuit Diagram | Comments | Reading(390)

Daewoo automobile circuit diagram

Published:2011/3/24 2:16:00 Author:Ecco | Keyword: Daewoo automobile

Daewoo automobile circuit diagram
Daewoo automobile circuit diagram is as below:   (View)

View full Circuit Diagram | Comments | Reading(568)

The internal circuit diagram of crystal diode SSTTH120L04TV1

Published:2011/3/24 2:17:00 Author:Ecco | Keyword: crystal diode

The internal circuit diagram of crystal diode SSTTH120L04TV1
The internal circuit diagram of crystal diode SSTTH120L04TV1 is as below:   (View)

View full Circuit Diagram | Comments | Reading(425)

The internal circuit diagram of crystal diode STTH120L06TV1

Published:2011/3/24 2:11:00 Author:Ecco | Keyword: crystal diode

The internal circuit diagram of crystal diode STTH120L06TV1
The internal circuit diagram of crystal diode STTH120L06TV1 is as below:   (View)

View full Circuit Diagram | Comments | Reading(449)

Pages:2203/2234 At 2022012202220322042205220622072208220922102211221222132214221522162217221822192220Under 20