Position: Home > Circuit Diagram > Index 2218
Low Cost Custom Prototype PCB Manufacturer

Circuit Diagram

Index 2218

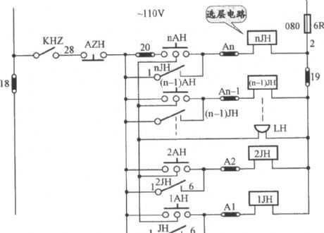
JKH1-771A elevator floor indicator light circuit

Published:2011/3/22 22:13:00 Author:Jessie | Keyword: elevator, indicator light

JKH1-771A elevator floor indicator light circuit
  (View)

View full Circuit Diagram | Comments | Reading(664)

JKH1-771A elevator lighting circuit (1)

Published:2011/3/22 22:12:00 Author:Jessie | Keyword: elevator, lighting

JKH1-771A elevator lighting circuit (1)
  (View)

View full Circuit Diagram | Comments | Reading(606)

JKH1-771A elevator lighting circuit (2)

Published:2011/3/22 22:11:00 Author:Jessie | Keyword: elevator, lighting

JKH1-771A elevator lighting circuit (2)
  (View)

View full Circuit Diagram | Comments | Reading(536)

JKH1-771A elevator indicator lights circuit

Published:2011/3/22 22:11:00 Author:Jessie | Keyword: elevator, indicator lights

JKH1-771A elevator indicator lights circuit
  (View)

View full Circuit Diagram | Comments | Reading(505)

JKH1-771A elevator main circuit

Published:2011/3/22 22:10:00 Author:Jessie | Keyword: elevator

JKH1-771A elevator main circuit
  (View)

View full Circuit Diagram | Comments | Reading(502)

JKH1-791 elevator button circuits (1)

Published:2011/3/22 22:10:00 Author:Jessie | Keyword: elevator, button

JKH1-791 elevator button circuits (1)
  (View)

View full Circuit Diagram | Comments | Reading(610)

JKH1-791 elevator button circuit (2)

Published:2011/3/22 22:10:00 Author:Jessie | Keyword: elevator, button

JKH1-791 elevator button circuit (2)
  (View)

View full Circuit Diagram | Comments | Reading(508)

JKH1-791 elevator control circuit (1)

Published:2011/3/22 22:09:00 Author:Jessie | Keyword: elevator, control

JKH1-791 elevator control circuit (1)
  (View)

View full Circuit Diagram | Comments | Reading(1954)

JKH1-791 elevator control circuit(2)

Published:2011/3/22 22:09:00 Author:Jessie | Keyword: elevator, control

JKH1-791 elevator control circuit(2)
  (View)

View full Circuit Diagram | Comments | Reading(4724)

JKH1-791 Elevator controller

Published:2011/3/22 22:09:00 Author:Jessie | Keyword: elevator, controller

JKH1-791 Elevator controller
  (View)

View full Circuit Diagram | Comments | Reading(422)

JKH1-791 Elevator lighting circuit

Published:2011/3/22 22:08:00 Author:Jessie | Keyword: elevator, lighting

JKH1-791 Elevator lighting circuit
  (View)

View full Circuit Diagram | Comments | Reading(565)

JKH1-791 Elevator indicator lights circuit

Published:2011/3/22 22:07:00 Author:Jessie | Keyword: Elevator, indicator lights

JKH1-791 Elevator indicator lights circuit
  (View)

View full Circuit Diagram | Comments | Reading(599)

JKH1-791 elevator main circuit

Published:2011/3/22 21:53:00 Author:Jessie | Keyword: elevator

JKH1-791 elevator main circuit
  (View)

View full Circuit Diagram | Comments | Reading(507)

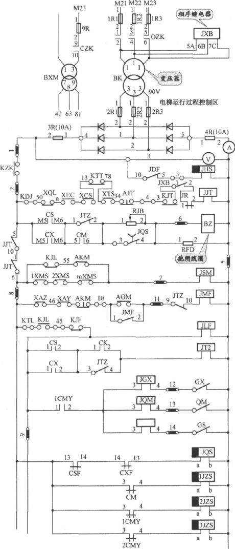
JKHl-771A elevator control circuit (1)

Published:2011/3/22 21:53:00 Author:Jessie | Keyword: elevator, control

JKHl-771A elevator control circuit (1)
  (View)

View full Circuit Diagram | Comments | Reading(2109)

JKHl-771A elevator control circuit (2)

Published:2011/3/22 21:52:00 Author:Jessie | Keyword: elevator, control

JKHl-771A elevator control circuit (2)
  (View)

View full Circuit Diagram | Comments | Reading(487)

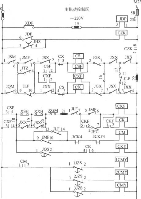
JKHl-771A elevator power control circuit

Published:2011/3/22 21:52:00 Author:Jessie | Keyword: elevator, power control

JKHl-771A elevator power control circuit
  (View)

View full Circuit Diagram | Comments | Reading(512)

JHo-751 semi-automatic cargo elevator button circuit

Published:2011/3/22 21:50:00 Author:Jessie | Keyword: semi-automatic, cargo elevator button

JHo-751 semi-automatic cargo elevator button circuit
  (View)

View full Circuit Diagram | Comments | Reading(559)

UPD6103G(Television, tape recorder, audio equipment and air conditioner)Infrared remote control launch circuit

Published:2011/3/22 21:54:00 Author:Jessie | Keyword: infrared, remote control


μPD6102G is large scale integrated circuit special for infrared remote control launch, suitable for television, tape recorder, audio equipment and air conditioner, etc. The Internal circuit is composed by timing generator, Data registers, keyboard input circuit, keyboard output circuit, oscillator frequency device, divide output circuit and control circuit, etc.Technical characteristicsPower supply voltage(VDD=2.0~3.3V), Low power consumption (preparation condition, IDD<1μA).Can send 128 kind of data code.24 feet flat plastic packaging.   (View)

View full Circuit Diagram | Comments | Reading(658)

9V Collector output regulated voltage power supply circuit

Published:2011/3/22 23:01:00 Author:muriel | Keyword: 9V , Collector, output, regulated voltage power supply

9V Collector output regulated voltage power supply circuit
  (View)

View full Circuit Diagram | Comments | Reading(633)

9V AC & DC supply radio recorder voltage power supply circuit

Published:2011/3/22 23:00:00 Author:muriel | Keyword: 9V , AC & DC supply, radio recorder voltage power supply

9V AC & DC supply radio recorder voltage power supply circuit
  (View)

View full Circuit Diagram | Comments | Reading(557)

Pages:2218/2234 At 2022012202220322042205220622072208220922102211221222132214221522162217221822192220Under 20