Published:2009/7/1 4:53:00 Author:May
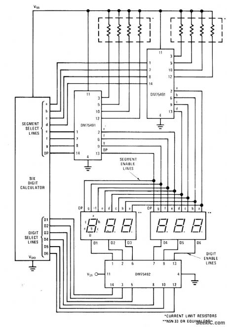
Uses two National DM75491 four-segment drivers for mutiltex-mocte display of MOS calculator. Total of eight segment drivers provides drivefor each one of seven segments plus logic control for decimal point.-C.Carinalli, Driving 7-Segment LED Displays with National Semiconductor Circuits, National Semiconductor, Santa Clara, CA, 1974, AN-99, p 9.
(View)
View full Circuit Diagram | Comments | Reading(1436)
Published:2009/7/1 4:50:00 Author:May
Transistors switch row of LEDs on in succession to give rising-bar display indicating input voltage. R2 can be ad-justed from minimum range of 0.1 to 0.5 V in 0.1-V increments for five LEDs to maxinlum of 1.0 to 10.0 V in 1-V increments. Input resistance of circuit is above 100,000 ohms.-F, M. Mims, Electronic Circuitbook 5: LED Projects, Howard W. Sams, Indianapolis, IN, 1976, p 86-88. (View)
View full Circuit Diagram | Comments | Reading(765)
Published:2009/7/1 4:48:00 Author:May
Circuit serves for interfacing CMOS logic to multiplexed 4-digit incandescentdisplay. Scan decoder requires only two input NAND gates since blanking is not required. Incandescentdisplay requires 4.5 V at 24mA per segment when direct-driven; with multiplexing, instantaneous power must be 9 V at 48 mA to maintain same average power per segment. Display protection circuit monitors scan oscillator and blanks display if oscillator fails, to prevent high peak cument from degrading display when applied continuously to 1 digit.-A.Pshaenich, Interface Considerations for Nu-meric Display Systems, Motorola, Phoenix, AZ, 1975, AN-741, p 25. (View)
View full Circuit Diagram | Comments | Reading(821)
Published:2009/7/1 4:47:00 Author:May
Requires only one IC, three resistors, and one capac;tor. WilI trigger on both positive- and negative-going transi-tions, as required in critical timing applications Involving pulses narrowerthan 50 ns. Capacitor altemately discharges through one pulldown resistor to threshold, then the other. Output gates are tied together to form common output.Width of pulse is defined by values of components.-W. A. Palm Bidirectional ECL One-Shot Uses a Single IC. EDN Magazine. Jan. 5. 1977. p 41-42. (View)
View full Circuit Diagram | Comments | Reading(647)
Published:2009/7/1 4:41:00 Author:May
Uses one section of 554 quad monostable timer, connected to give output pulse for negative-going trigger pulse. Width of output pulse in seconds is equal to RC. Trigger must be narrower than output pulse. VCC is 4.5-16 V at 3-10 mA.-H. M. Berlin. IC Timer Review. 73 Magazine, Jan. 1978. p 40-45. (View)
View full Circuit Diagram | Comments | Reading(582)
Published:2009/7/1 4:40:00 Author:May
Circuit NotesCircuit uses an astable multivibrator to vary the heads-or-tails condition, and a flip-flop that the flip-flop's state is changed once for to store the condition given by the multivieach full cycle the multivibrator goes through to assure an absolutely even 50-50 chance of a brator. Consequently, the circuit is wired so heads or tails loss. (View)
View full Circuit Diagram | Comments | Reading(868)
Published:2009/7/1 4:38:00 Author:May
NAND-gate mono using Texas Instruments SN7400 package provides cleaner, more stable output. Feedback resistor eliminates tendency to oscillate. Output pulse width T is equal to 1.3 RC; when R is 270 ohms,T is 350 C. Input pulse widths over 30 ns can initiate output. C can be 100 pF to 100 μF.-J.E. McAlister, Single NAND Package Improves One-Shot, EEE Magazine. Aug. 1970. p 78. (View)
View full Circuit Diagram | Comments | Reading(618)
Published:2009/7/1 4:34:00 Author:May
Circuit NotesThe 555 timer produces a rapid series of pulses whenever switch S1 is open. These pulses are counted in groups of 16 and con-verted into binary form by the 7493 and applied to the 74154 (a 1-of-16 decoder/demultiple xer) wired so that each of its 16 output lines goes low sequentially and in step with the binary count delivered by the 7493. When the switch is closed, only one LED remains on. 0nly one current limiting resistor (R3) is used for all the LED's since only one is on at any one time. (View)
View full Circuit Diagram | Comments | Reading(3294)
Published:2009/7/1 4:32:00 Author:May
The circuit uses the exceptionally low input current (0.1pA) of the CA3420 BiMOS op amp. With only a single 10 megohm resistor, the circuit covers the range from ± 50 pA maximum to a full-scale sensitivity of ± 1.5 pA. Using an additional CA3420, a low-resistance center tap is obtained from a single 3-volt lithium battery. (View)
View full Circuit Diagram | Comments | Reading(1835)
Published:2009/7/1 4:32:00 Author:May
Single-capacitor circuit is reIiable over wide range of temperatures. voltages. and transistor gains. Frequency varies only by 0.05% for supply voltage changes between 6 and 12 V. Timing can be changed with R1. R2. and C. Ducy cycle depends on ratio of R3. to R4. and is 50% forvaluesshown.-C. Horwitz, Tolerant Astable Circuits. Wireless World. Feb.1975,p93. (View)
View full Circuit Diagram | Comments | Reading(829)
Published:2009/7/1 4:30:00 Author:May
This circuit is for selective tuning between two closely spaced audio tones. The selective frequency is dependent on the value of capacitors and resistors in the feedback circuit between the collector and base of Q1. With the values shown, the frequency can be tuned a hundred cycles or so around 650 Hz. RI and R2 must be ganged. Emitter potentiometer R3 determines the sharpness of response curve. Any transistor having a beta greater than 50 can be used. Select a value for R4 so that the circuit will not oscillate when R3 is set for minimum bandwidth (sharpest tuning). (View)
View full Circuit Diagram | Comments | Reading(1114)
Published:2009/7/1 4:29:00 Author:May
The Ammeter measures currents from 100 pA to 100 μA without the use of expensive high value resistors. Accuracy at 100μA is limited by the offset voltage between Q1 and Q2 and, at 100 pA, by the inverting bias current of the LT1008. (View)
View full Circuit Diagram | Comments | Reading(789)
Published:2009/7/1 4:28:00 Author:May



Circuit Notes
Six LEDs are arranged to produce a dis-play the same as the dots on a dice. When PBI is depressed, the display is blanked and the os-cillator (IC1| a, b, c) clocks IC2 at about 1MHz.IC2 counts from zero and resets on seven. When PBI is released, the display is enabled and a decoding system (IC3) produces the cor-rect output on the LEDs. (View)
View full Circuit Diagram | Comments | Reading(2273)
Published:2009/7/1 4:27:00 Author:May
Op amp A2 and transistors Q1 and Q2 form the exponential converter generating an exponential gain control current, which is fed into the rectifier.A reference current of 150 μA, (15 V and R20=100 k), is attenuated a factor of two (6 dB) for every volt increase in the control voltage. Capacitor C6 slows down gain changes to a 20 ms time constant (C6 x R1) so that an abrupt change in the control voltage will produce a smooth sounding gain change. R18 ensures that for large control voltages the circuit will go to full attentudtion. The rectifier bias current would normally limit the gain reduction to about 70 dB. R16 draws excess current out of the rectifier. After approximately 50 dB of attentuation at a -6 dB/V slope, the slope steepens and attenuation becomes much more rapid until the circuit totally shuts off at about 9 V of control voltage. A1 should be a low-noise high slew rate op amp. R13 and R14 establish approximately a 0 V bias at A1's output. (View)
View full Circuit Diagram | Comments | Reading(2435)
Published:2009/7/1 4:21:00 Author:May
Circuit NotesThis game tests a player's reaction time.It is activated by closing switch S1, which starts the tone generator and arms the circuit.The touchplate, labeled PLAY in the diagram, consists of two metal strips about 1/16th-inch apart. The first player to bridge the gap with his or her finger turns off the tone and lights the associated LED indicator. A second touchplate, labeled CLR in the diagram, clears the circuit, extinguishing the LED, when its gap is bridged by a fingertip. (View)
View full Circuit Diagram | Comments | Reading(1464)
Published:2009/7/1 4:20:00 Author:May
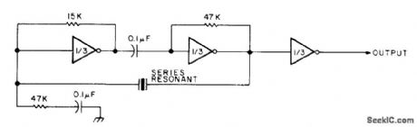
Uses all three sections of CD4049 triple inverter.with series-resonant crystal connection.supply can be in range of 3 to 15V. Serves as compact Iow-power portable RF oscillator having low battery drain.-W. J. Prudhomme, CMOS Oscillators. 73 Magazine. July 1977. p 60-63. (View)
View full Circuit Diagram | Comments | Reading(614)
Published:2009/7/1 4:18:00 Author:May
Use of National LM339 quad comparator minimizes number of components needed to drive Burroughs 200-seg-ment gas-discharge bar display. Every third electrode of display is tied together, so only three Iines (phase 1, 2, and 3) control all segments. When phase Iines are driven by consecutive pulses, glow of gas-discharge element is propagated continuously along alray. Anode voltage is gated so number of glowing segments is proportional to analog input. Compar-ators A1 and A2 generate gated anode signals with durations proportional to inputs. A3 compares ramp signal to 2-V reference and generates end-of-scan signal when ramp exceeds reference. A4 generates dock having period of about 60 μ s.-S. N. Kim, Driving Bunoughs' Bar Graph Display, National Semiconductor, Santa Clara, CA, 1975, DB-4. (View)
View full Circuit Diagram | Comments | Reading(743)
Published:2009/7/1 4:17:00 Author:May
The level at which the audio limiter comes into action can be set with the LIMIT LEVEL trimmer potentiometer. When that level is exceeded, the output from the LIMITER-DETECTOR half of the op-amp (used as a comparator) turns the LED which causes the resistance of the photoresistor to decrease rapidly. That in turn causes the gain of the LIMITER half of the op-amp to decrease. When the signal drops below the desired limiting level, the LED turns off, the resistance of the photoresistor increases, and the gain of the LIMITER op-amp returns to its normal level-that set by the combination of resistors RI and R2. A dual-polarity power supply (±) 12 volts is desirable) is needed for the op-amp. (View)
View full Circuit Diagram | Comments | Reading(2025)
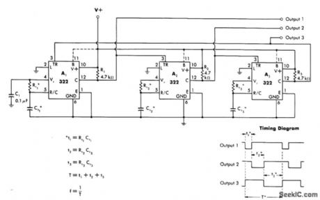
Published:2009/7/1 4:15:00 Author:May
Gross-connected 322 mono MVBRs. operating as astables、are interconnected so individual timing periods are generated in sequence as shown.Total period T is sum of three individual periods, after which cycle repeats itseff. Chain may be extended further if desired. Useful when prescribed sequence of timing events is required. Equations glve values of R and C for timing periods ranging from 10 μS to several minutes-W G .Jung、 IC Timer Cookbook. Howard W,Sams.Indanaplis.IN.1977.p125-128. (View)
View full Circuit Diagram | Comments | Reading(645)
Published:2009/7/1 4:13:00 Author:May
Circuit Notes
Potentiometer R3 sets the degree of fuzz, and R8 sets the output level. Since the fuzz effect cannot be completely eliminated by R3, fuzz-free sound requires a bypass switch from the input to output terminals. (View)
View full Circuit Diagram | Comments | Reading(817)
| Pages:302/471 At 20301302303304305306307308309310311312313314315316317318319320Under 20 |