Published:2011/4/20 21:12:00 Author:muriel | Keyword: SHANGHAI GM BUICK(Excelle), saloon car, cigar lighter
Figure SHANGHAI GM BUICK(Excelle)saloon car cigar lighter circuit diagram (View)
View full Circuit Diagram | Comments | Reading(425)
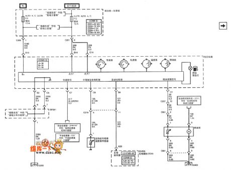
Published:2011/4/20 21:13:00 Author:muriel | Keyword: SHANGHAI GM Chevrolet(Epica), saloon car , steering control system
SHANGHAI GM Chevrolet(Epica)saloon car steering control system circuit diagram
(View)
View full Circuit Diagram | Comments | Reading(1394)
Published:2011/4/20 20:49:00 Author:muriel | Keyword: SHANGHAI GM BUICK(Royaurn), saloon car , 3.6L engine
Figure SHANGHAI GM BUICK(Royaurn)saloon car 3.6L engine circuit diagram(sixteen)--power supply circuit (View)
View full Circuit Diagram | Comments | Reading(463)
Published:2011/4/14 4:34:00 Author:may | Keyword: DC boost, shrimper



Circuit principle
The circuit is shown in diagram 1. It consists of five parts: oscillation, boost, rectifying, trigger and discharge output. The oscillation circuit consists of R1, C1, R2, D1, D2, VT and L1, L2. Among these, L2 is feedback coil. Its oscillator frequency is about tens of thousand Hertz. Pulse voltage generated by oscillation pass L3 and induction to boost, the DC voltage received after rectifying by D3~D8, on the one hand it passes A, B (The justified A, B pass leading wireand located in pole of seawater) to charge to storage capacitor, on the other hand it also pass R3 to charge to C2. When the voltage on the justified of C2 reaching to the break-over voltage of trigger diode D9, controlled silicon SCR is trigged and break-over, storage capacitor C3 discharges to A, B end by SCR, which making shrimp between pole in the seawater area stunning by electricity and then salvaged. Among these, R3, R4, W and C2 make up phase setting circuit. It can change the charge time of C2 by adjusting adjustable resistance w, thereby control the charge frequency of C2 and achieve perfect shrimp effects.
Element choose
Oscillation tube is high power tube which requires BVceo>200V, 1cm>8A, such as C995. The radiator area should larger than 75cm2. If there is no this class tube, we canadopt four 3DDl5D to parallel and use (is shown in diagram 2). In addition, the parameter of the four tubes should be the same as much as possible. We should avoid burning out because of individual tube’s widely function different and uneven hearting. R2 is 10Ω/10W cement resistor. D9 is trigger diode DB3 with 30V BVD. Controlled silicon SCR is 20A, withstand voltage 600V screw-tupe SCR, such as EGE06-06. Its shape and pin is shown in diagram 3. C3 is 25μ, 450V oil-filled capacitor. What need to be mentioned is the effectiveness is bad and the capacitor is easy to damage if this capacitor is electrolytic capacitor. (View)
View full Circuit Diagram | Comments | Reading(821)
Published:2011/4/20 20:28:00 Author:muriel | Keyword: SHANGHAI GM Chevrolet(Epica), saloon car , windshield wiper, washing system
SHANGHAI GM Chevrolet(Epica)saloon car windshield wiper/washing system circuit diagram
(View)
View full Circuit Diagram | Comments | Reading(831)
Published:2011/4/20 20:27:00 Author:muriel | Keyword: SHANGHAI GM Chevrolet(Epica), saloon car, defrost system
SHANGHAI GM Chevrolet(Epica)saloon car defrost system circuit diagram
(View)
View full Circuit Diagram | Comments | Reading(786)
Published:2011/4/20 20:26:00 Author:muriel | Keyword: SHANGHAI GM Chevrolet(Epica), saloon car, center gate lock
SHANGHAI GM Chevrolet(Epica)saloon car center gate lock circuit diagram
(View)
View full Circuit Diagram | Comments | Reading(1880)
Published:2011/4/20 20:24:00 Author:muriel | Keyword: SHANGHAI GM Chevrolet(Epica), saloon car , instrument board
SHANGHAI GM Chevrolet(Epica)saloon car instrument board circuit diagram(one) MR140
(View)
View full Circuit Diagram | Comments | Reading(614)
Published:2011/4/20 20:46:00 Author:muriel | Keyword: SHANGHAI GM BUICK(Royaum), saloon car, automatic transmission
Figure SHANGHAI GM BUICK(Royaum)saloon car 5L40-E automatic transmission circuit diagram(one) (View)
View full Circuit Diagram | Comments | Reading(992)
Published:2011/4/20 20:45:00 Author:muriel | Keyword: SHANGHAI GM BUICK(Royaum), saloon car, automatic transmission
(View)
View full Circuit Diagram | Comments | Reading(471)
Published:2011/4/20 20:44:00 Author:muriel | Keyword: SHANGHAI GM BUICK(Royaum), saloon car, ABS, TCS, ESP
Figure SHANGHAI GM BUICK(Royaum)saloon car ABS/TCS/ESP circuit diagram (View)
View full Circuit Diagram | Comments | Reading(834)
Published:2011/4/20 9:58:00 Author:Robert | Keyword: Fly Disinfestation
Electronic Fly Disinfestation Circuit as shown below:
Welcome to reprint, information come from Weiku Electric Market Website (www.seekic.com) (View)
View full Circuit Diagram | Comments | Reading(1060)
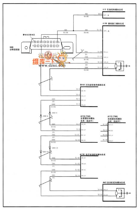
Published:2011/4/20 20:42:00 Author:muriel | Keyword: SHANGHAI GM BUICK(Royaum), saloon car , serial communication(GM LAN)
Figure SHANGHAI GM BUICK(Royaum)saloon car serial communication(GM LAN) circuit diagram(one)--with ESP (View)
View full Circuit Diagram | Comments | Reading(1146)
Published:2011/4/20 20:40:00 Author:muriel | Keyword: SHANGHAI GM BUICK(Royaum), saloon car, serial communication(GM LAN)
Figure SHANGHAI GM BUICK(Royaum)saloon car serial communication(GM LAN) circuit diagram(two)--without ESP (View)
View full Circuit Diagram | Comments | Reading(467)
Published:2011/4/20 20:40:00 Author:muriel | Keyword: SHANGHAI GM BUICK(Royaum), saloon car, serial communication(GM LAN)
Figure SHANGHAI GM BUICK(Royaum)saloon car serial communication(GM LAN) circuit diagram(three)--with conventional braker (View)
View full Circuit Diagram | Comments | Reading(644)
Published:2011/4/20 20:25:00 Author:muriel | Keyword: SHANGHAI GM Chevrolet(Epica), saloon car, instrument board
SHANGHAI GM Chevrolet(Epica)saloon car instrument board circuit diagram(two) ITMS-6F
(View)
View full Circuit Diagram | Comments | Reading(1214)
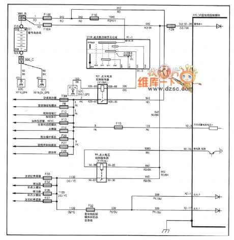
Published:2011/4/20 20:37:00 Author:muriel | Keyword: SHANGHAI GM BUICK(Royaum), saloon car , power supply and grounding distribution
Figure SHANGHAI GM BUICK(Royaum)saloon car power supply and grounding distribution circuit diagram (View)
View full Circuit Diagram | Comments | Reading(600)
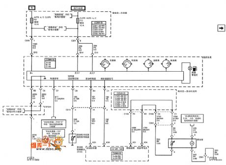
Published:2011/4/20 20:23:00 Author:muriel | Keyword: SHANGHAI GM Chevrolet(Epica), saloon car, instrument board
SHANGHAI GM Chevrolet(Epica)saloon car instrument board circuit diagram(three)
(View)
View full Circuit Diagram | Comments | Reading(496)
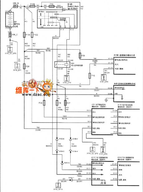
Published:2011/4/20 20:35:00 Author:muriel | Keyword: SHANGHAI GM BUICK(Royaum), saloon car , dynamical system interface module
Figure SHANGHAI GM BUICK(Royaum)saloon car dynamical system interface module circuit diagram (View)
View full Circuit Diagram | Comments | Reading(378)
Published:2011/4/20 20:22:00 Author:muriel | Keyword: SHANGHAI GM Chevrolet(Epica), saloon car, instrument board
SHANGHAI GM Chevrolet(Epica)saloon car instrument board circuit diagram(five)
(View)
View full Circuit Diagram | Comments | Reading(776)
| Pages:2043/2234 At 2020412042204320442045204620472048204920502051205220532054205520562057205820592060Under 20 |