Published:2011/4/19 20:26:00 Author:muriel | Keyword: SHANGHAI GM Chevrolet(Epica), saloon car , air-conditioning system manual control
SHANGHAI GM Chevrolet(Epica)saloon car air-conditioning system manual control circuit diagram(five)
(View)
View full Circuit Diagram | Comments | Reading(1646)
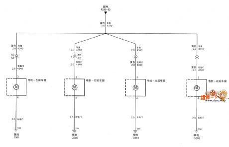
Published:2011/4/19 21:20:00 Author:muriel | Keyword: SHANGHAI GM BUICK(LaCROSSE), saloon car, motor-driven window
SHANGHAI GM BUICK(LaCROSSE) saloon car motor-driven window circuit diagram(three) is as shown
(View)
View full Circuit Diagram | Comments | Reading(801)
Published:2011/4/19 21:29:00 Author:muriel | Keyword: SHANGHAI GM BUICK(Excelle), saloon car , safety belt warning
Figure SHANGHAI GM BUICK(Excelle)saloon car safety belt warning circuit diagram (View)
View full Circuit Diagram | Comments | Reading(446)
Published:2011/4/20 2:27:00 Author:Jessie | Keyword: automatic rice cooker
View full Circuit Diagram | Comments | Reading(738)
Published:2011/4/19 20:42:00 Author:muriel | Keyword: SHANGHAI GM BUICK(Royaum), saloon car, 3.6L engine
Figure SHANGHAI GM BUICK(Royaum)saloon car 3.6L engine circuit diagram(five)--camshaft position sensor (View)
View full Circuit Diagram | Comments | Reading(417)
Published:2011/4/19 21:55:00 Author:muriel | Keyword: SHANGHAI GM BUICK(Excelle), saloon car, remote control gate lock



Figure SHANGHAI GM BUICK(Excelle)saloon car remote control gate lock circuit diagram(two)
(View)
View full Circuit Diagram | Comments | Reading(471)
Published:2011/4/19 21:34:00 Author:muriel | Keyword: SHANGHAI GM BUICK(Excelle), saloon car , remote control gate lock
Figure SHANGHAI GM BUICK(Excelle)saloon car remote control gate lock circuit diagram(one) (View)
View full Circuit Diagram | Comments | Reading(1736)
Published:2011/4/19 21:23:00 Author:Ecco | Keyword: motor vehicle, headlight , auto-dimming , controller
The motor vehicle headlight auto-dimming controller described in the example can automatically change the high beam into low beam at night, it does not need the driver to change the light by hand, and improve thesafety of driving at night.The working principle.The vehicle headlight auto-dimming controller circuit consists of power supply filter circuit and the light control circuit, the circuit is shown as the figure 7-7.
The power supply filter circuit is composed of isolation diode VD2, filter capacitor C2 and C3, inductor L, current limiting resistor R and light-emitting diode VL.
Light control circuit consists of photosensitive transistors Vl and V2, diodes VDl, potentiometer RP, capacitor Cl, transistors V3 and the relay K.
When driving at night, the power switch S1 is connected, +12 V voltage isprovided for control circuit afterfiltering. Light control switch S2 will be set to 1 (high beam) position, the high beam light ELl is lit,low beam EL2 is not lit.
R chooses 1/4W metal film resistor or carbon film resistors.
RP selects a small variable resistor or organic solid potentiometer.
Cl-C3 selects an electrolytic capacitor with thevoltagein 16V.
L selects a core fixed inductor with the current greater than 500mA.
K selects a l2V4098 DC relay. (View)
View full Circuit Diagram | Comments | Reading(694)
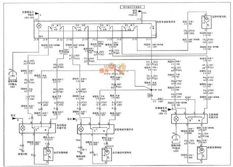
Published:2011/4/19 21:19:00 Author:muriel | Keyword: SHANGHAI GM BUICK(LaCROSSE), saloon car, motor-driven window
SHANGHAI GM BUICK(LaCROSSE) saloon car motor-driven window circuit diagram(two) is as shown
(View)
View full Circuit Diagram | Comments | Reading(507)
Published:2011/4/19 21:25:00 Author:muriel | Keyword: SHANGHAI GM BUICK(Excelle), saloon car , motor-driven car window
Figure SHANGHAI GM BUICK(Excelle)saloon car motor-driven car window circuit diagram (View)
View full Circuit Diagram | Comments | Reading(664)
Published:2011/4/19 21:38:00 Author:Ecco | Keyword: motor vehicle , headlight, auto-dimming , controller
The motor vehicle headlight auto-dimming controller described in the example can work alternately between the state of 1·9S high beam and low beam when driving at night. It will automatically become low beam when meeting other cars, it has a better dimming effect.
he working principle.The vehicle headlight auto-dimming controller circuit consists of voltage regulator, light control amplifier, and controlling implementation of the multivibrator circuit, the circuit is shown as the figure 7-6.
The voltage regulator circuit consists of three-terminal voltage regulator integrated circuit IC4, diode VD2 and filter capacitor C2.
The light control amplifier is composed of photocell GB, operational amplifier integrated circuit ICl (Nl-N4), IC2 (N5), resistors Rl-R8 and potentiometer RPl, RP2.
The multivibrator circuit is composed of time-base integrated circuit IC3, resistors R9, RlO, capacitors Cl, C3.
The controlling implementation is composed of resistors Rll, the transistor V, Relay K and diode VD3.
Rl-Rll choose 1/4W metal film resistor or carbon film resistors.
RP1 and RP2 choose sealed membrane variable resistors.
K selects a l2V JRX-l3F DC relay.
Gb selects small-capacity silicon photovoltaic cell.
(View)
View full Circuit Diagram | Comments | Reading(1389)
Published:2011/4/19 21:28:00 Author:muriel | Keyword: SHANGHAI GM BUICK(Excelle), saloon car , motor-driven gate lock
Figure SHANGHAI GM BUICK(Excelle)saloon car motor-driven gate lock circuit diagram (View)
View full Circuit Diagram | Comments | Reading(539)
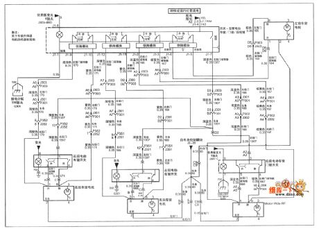
Published:2011/4/19 21:22:00 Author:muriel | Keyword: SHANGHAI GM BUICK(LaCROSSE), saloon car, motor-driven window
SHANGHAI GM BUICK(LaCROSSE) saloon car motor-driven window circuit diagram(one) is as shown
(View)
View full Circuit Diagram | Comments | Reading(688)
Published:2011/4/19 21:27:00 Author:muriel | Keyword: SHANGHAI GM BUICK(Excelle), saloon car, motor-driven sunroof
Figure SHANGHAI GM BUICK(Excelle)saloon car motor-driven sunroof circuit diagram (View)
View full Circuit Diagram | Comments | Reading(537)
Published:2011/4/19 21:24:00 Author:muriel | Keyword: SHANGHAI GM BUICK(LaCROSSE), saloon car , tire pressure monitoring system
SHANGHAI GM BUICK(LaCROSSE) saloon car tire pressure monitoring system circuit diagram is as shown
(View)
View full Circuit Diagram | Comments | Reading(845)
Published:2011/4/19 21:57:00 Author:muriel | Keyword: SHANGHAI GM BUICK(Excelle), saloon car , instrument board
Figure SHANGHAI GM BUICK(Excelle)saloon car instrument board circuit diagram(two) (View)
View full Circuit Diagram | Comments | Reading(726)
Published:2011/4/19 21:56:00 Author:muriel | Keyword: SHANGHAI GM BUICK(Excelle), saloon car, instrument board
Figure SHANGHAI GM BUICK(Excelle)saloon car instrument board circuit diagram(one) (View)
View full Circuit Diagram | Comments | Reading(561)
Published:2011/4/19 21:32:00 Author:muriel | Keyword: SHANGHAI GM BUICK(Excelle), saloon car , anti-theft system
Figure SHANGHAI GM BUICK(Excelle)saloon car anti-theft system circuit diagram (View)
View full Circuit Diagram | Comments | Reading(569)
Published:2011/4/19 21:10:00 Author:muriel | Keyword: SHANGHAI GM BUICK(Excelle), saloon car , carriage body control system
SHANGHAI GM BUICK(Excelle)saloon car carriage body control system circuit diagram is as shown
(View)
View full Circuit Diagram | Comments | Reading(547)
Published:2011/4/19 20:29:00 Author:muriel | Keyword: SHANGHAI GM Chevrolet(Epica), saloon car, air-conditioning system manual control
SHANGHAI GM Chevrolet(Epica)saloon car air-conditioning system manual control circuit diagram(three)
(View)
View full Circuit Diagram | Comments | Reading(1191)
| Pages:2054/2234 At 2020412042204320442045204620472048204920502051205220532054205520562057205820592060Under 20 |