Published:2011/4/18 10:08:00 Author:Nicole | Keyword: Delay light, power switch
The delay time is decided by the charge time constant of R1, C1. (View)
View full Circuit Diagram | Comments | Reading(666)
Published:2011/4/13 9:18:00 Author:Nicole | Keyword: photoelectricity logic circuit
Q1, Q2 phototransistor is illuminated about 1076.4 lx(100feet one candle), Q3 output is zero. When a or two phototransistors is no illumination, Q3 output is positive or 1.
This circuit can be used as electro-optical logic exciter of power device. (View)
View full Circuit Diagram | Comments | Reading(561)
Published:2011/4/14 6:46:00 Author:may | Keyword: 6.5V, reference power supply
This circuit can make DC voltage UV always stay at about 6.5V and has no reference to time and environmental temperature. Its main technical data:
Steady output voltage: UN=6.5±5% V
Output load current: IL=0~0.3mA
Input voltage (supply voltage) : U1=19~54V
Input current Ii (stable current Ia) : Ii=Ia≈2mA
Output resistor: dUN/dIN=r0=20Ω, maximum 50Ω
Voltage-regulation coefficient: dUN/dUI=a=3×10-6, maximum 3×10-5
When the range of environmental temperature is 0~70℃, the average temperature coefficient of reference voltage: SAV=-100~+140μV/grd, typical value +67μV/grd
Long term stability after working 100 hours: <1mV/1000 work hour
Environmental temperature: θu=0~70℃
(View)
View full Circuit Diagram | Comments | Reading(688)
Published:2011/4/20 1:17:00 Author:muriel | Keyword: 100v, 10mA, regulated voltage power supply circuit
Thecircuit has two functions that areno-load protection and shorttime short-circuit protection. If you want to allow short-circuit fora long time, it must increase the PCM of theresistance R1 and R2, such as R1=1.2KΩ, 20W; R2=220Ω, 4W.
The main technical data:
output voltage:U2=100V
output current:I2=10mA
input voltage:U1=120V~180V
Radiator thermal resistance:Rthk=20grd/W
output voltage variable quantity:
When input voltage U1=120V~180V and nominal load, ΔU2=1V
When input voltage U1=120V~180V andno-load, ΔU2=1.5V
When output current I2=0mA~10mA (U1=constant), ΔU2=1.5V
ambient temperature θu=0°C~60°C, ΔU2=150mV/grd
(View)
View full Circuit Diagram | Comments | Reading(1727)
Published:2011/4/20 21:35:00 Author:muriel | Keyword: SHANGHAI GM BUICK(Royaum), saloon car, 3.6L engine
Figure SHANGHAI GM BUICK(Royaum)saloon car 3.6L engine circuit diagram(twelve)---fuel pump relay (View)
View full Circuit Diagram | Comments | Reading(1200)
Published:2011/4/20 21:36:00 Author:muriel | Keyword: SHANGHAI GM BUICK(Royaum), saloon car, 3.6L engine
Figure SHANGHAI GM BUICK(Royaum)saloon car 3.6L engine circuit diagram(ten)--throttle assembly (View)
View full Circuit Diagram | Comments | Reading(1159)
Published:2011/4/20 1:15:00 Author:muriel | Keyword: XSARA, saloon car, lighting not closed warning
XSARA saloon car lighting notclosed warning circuit diagram is as shown
(View)
View full Circuit Diagram | Comments | Reading(556)
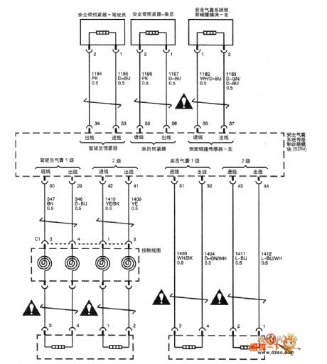
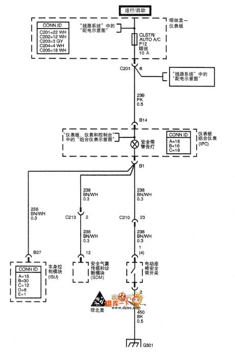
Published:2011/4/20 21:37:00 Author:muriel | Keyword: SHANGHAI GM Chevrolet(Epica), saloon car , supplementary restraint system
SHANGHAI GM Chevrolet(Epica)saloon car supplementary restraint system circuit diagram(four)
(View)
View full Circuit Diagram | Comments | Reading(1255)
Published:2011/4/20 21:38:00 Author:muriel | Keyword: SHANGHAI GM Chevrolet(Epica), saloon car , supplementary restraint system
SHANGHAI GM Chevrolet(Epica)saloon car supplementary restraint system circuit diagram(three)
(View)
View full Circuit Diagram | Comments | Reading(1562)
Published:2011/4/20 21:39:00 Author:muriel | Keyword: SHANGHAI GM Chevrolet(Epica), saloon car, supplementary restraint system
SHANGHAI GM Chevrolet(Epica)saloon car supplementary restraint system circuit diagram(two)
(View)
View full Circuit Diagram | Comments | Reading(1180)
Published:2011/4/20 1:16:00 Author:muriel | Keyword: 1/10/100kb, light receiving circuit
The working speed of receiver is decided by the input device. The figure MC3405 contains 2 amplifiers and 2 comparators,they can be used as a dual channel receiver. The form in the Diagram is pins wiring for every channel.
(View)
View full Circuit Diagram | Comments | Reading(590)
Published:2011/4/19 4:02:00 Author:May | Keyword: Frequency modulation, switching, stabilized voltage supply
(View)
View full Circuit Diagram | Comments | Reading(537)
Published:2011/4/19 1:09:00 Author:muriel | Keyword: SHANGHAI GM BUICK(Excelle), saloon car , automatic transmission
Figure SHANGHAI GM BUICK(Excelle) saloon car automatic transmission circuit diagram(three)
Pin
description
1
output speed sensor(+)
2
output speed sensor(-)
3
solenoid valve(+)
4
variable speed drive bridge oill temperature sensor(-)
5
pressure control solenois valve(+)
6
pressure control solenois valve(EDS3)
7
pressure control solenois valve(EDS4)
8
unused
9
variable speed drive bridge oill temperature sensor(+)
10
pressure control solenois valve(EDS5)
11
pressure control solenois valve(EDS6)
12
solenoid valve 1
13
solenoid valve 2
14
unused
15
input speed sensor(-)
View full Circuit Diagram | Comments | Reading(454)
Published:2011/4/19 1:21:00 Author:muriel | Keyword: SHANGHAI GM BUICK(Excelle), saloon car, Anti skid brake system


Figure SHANGHAI GM BUICK(Excelle) saloon car Anti skid brake system circuit diagram(three)
(View)
View full Circuit Diagram | Comments | Reading(461)
Published:2011/4/19 1:08:00 Author:muriel | Keyword: Shanghai GM BUICK(Excelle), saloon car , anti lock braking system
Figure Shanghai GM BUICK(Excelle)saloon car anti lock braking system circuit diagram(four)
1.right front wheel speed sensor 2.brake master cylinder 3.main pump with reservior 4.flinger 5.right front wheel speed sensor connector 6.brake fluid liquid surface switch connector 7.instrument cluster 8.connector C302 9.right rear wheel speed sensor connector 10.right rear wheel speed sensor 11.left rear wheel speed sensor12.left rear wheel speed sensor connector13.body harness14.connector C20215.connector C11016.Electronic Brake Control Module connector17.left front wheel speed sensor connector18.flinger19.hydraulic regulator with Electronic brake control module20.connector C10721.left front wheel speed sensor (View)
View full Circuit Diagram | Comments | Reading(2088)
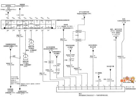
Published:2011/4/20 21:35:00 Author:muriel | Keyword: SHANGHAI GM BUICK(LaCROSSE), saloon car , carriage body control system
SHANGHAI GM BUICK(LaCROSSE) saloon car carriage body control system circuit diagram is as shown
(View)
View full Circuit Diagram | Comments | Reading(495)
Published:2011/4/20 21:34:00 Author:muriel | Keyword: SHANGHAI GM BUICK(LaCROSSE), saloon car, carriage body control system
SHANGHAI GM BUICK(LaCROSSE) saloon car carriage body control system circuit diagram is as shown
(View)
View full Circuit Diagram | Comments | Reading(454)
Published:2011/4/20 21:34:00 Author:muriel | Keyword: SHANGHAI GM BUICK(LaCROSSE), saloon car, carriage body control system
SHANGHAI GM BUICK(LaCROSSE) saloon car carriage body control system circuit diagram is as shown
(View)
View full Circuit Diagram | Comments | Reading(510)
Published:2011/4/20 21:33:00 Author:muriel | Keyword: SHANGHAI GM BUICK(LaCROSSE), saloon car , carriage body control system
SHANGHAI GM BUICK(LaCROSSE) saloon car carriage body control system circuit diagram is as shown
(View)
View full Circuit Diagram | Comments | Reading(463)
Published:2011/4/20 21:31:00 Author:muriel | Keyword: SHANGHAI GM BUICK(LaCROSSE), saloon car, carriage body control system
SHANGHAI GM BUICK(LaCROSSE) saloon car carriage body control system circuit diagram is as shown
(View)
View full Circuit Diagram | Comments | Reading(520)
| Pages:2041/2234 At 2020412042204320442045204620472048204920502051205220532054205520562057205820592060Under 20 |