Published:2011/4/1 4:02:00 Author:Nicole | Keyword: tcl, TV power supply
View full Circuit Diagram | Comments | Reading(6192)
Published:2011/4/1 4:02:00 Author:Nicole | Keyword: tcl, TV power supply
View full Circuit Diagram | Comments | Reading(4531)
Published:2011/4/1 4:01:00 Author:Nicole | Keyword: tcl, TV power supply
View full Circuit Diagram | Comments | Reading(3504)
Published:2011/4/1 4:01:00 Author:Nicole | Keyword: TV power supply, tcl
View full Circuit Diagram | Comments | Reading(5525)
Published:2011/4/19 3:57:00 Author:Rebekka | Keyword: Infrared light-emitting diode, outline drawing
View full Circuit Diagram | Comments | Reading(1160)
Published:2011/4/1 4:01:00 Author:Nicole | Keyword: TV power supply, Venus
View full Circuit Diagram | Comments | Reading(1882)
Published:2011/4/13 4:14:00 Author:Nicole | Keyword: voltage, socket
As shown in the figure, it can be usedfor thermoregulation(electric iron), dimming(lamp) and speed regulation(motor), When you want to use it, just put the plug in the socket, it is very convenient. V1 is bi-direction diode, V2 is 3CTSI TRIAC, adjusting RP can change the voltage of socket. (View)
View full Circuit Diagram | Comments | Reading(630)
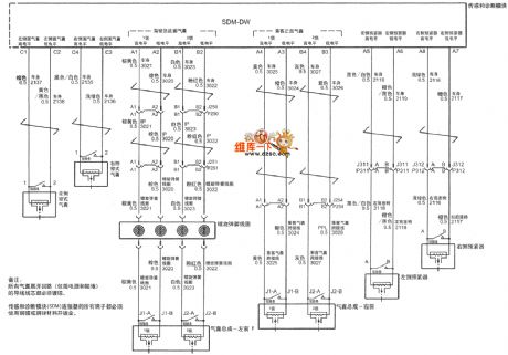
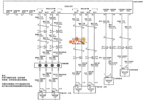
Published:2011/4/18 1:38:00 Author:muriel | Keyword: SHANGHAI GM BUICK(LaCROSSE), saloon car, supplementary restraint system
SHANGHAI GM BUICK(LaCROSSE) saloon car supplementary restraint system circuit diagram(four) is as shown
Remarks:
The core wires of all loop expaned airbags must be tinned. All terminals of Sensing and diagnosis module (SDM) must use Cu-Sn or Copper-zinc and get gilded. (View)
View full Circuit Diagram | Comments | Reading(712)
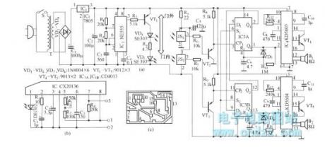
Published:2011/4/19 3:55:00 Author:Rebekka | Keyword: Infrared control , electronic welcome device
The circuit is infrared device control electronics welcome device circuit schematic that is composed of the analog voice circuits KD5603 (within the store Welcome word) and KD5604 (to store Thank you for coming ). The circuit consists of infrared signal transmitter, infrared receiver, interlock control circuit and analog audio voice circuit.
(View)
View full Circuit Diagram | Comments | Reading(675)
Published:2011/4/1 3:09:00 Author:Joan | Keyword: Shanghai GM , Chevrolet Epica car , 2.0 L engine
The 2.0 L engine circuit of Shanghai GM Chevrolet Epica car 3 (View)
View full Circuit Diagram | Comments | Reading(471)
Published:2011/4/18 1:43:00 Author:muriel | Keyword: SHANGHAI GM BUICK(LaCROSSE), saloon car , supplementary restraint system
SHANGHAI GM BUICK(LaCROSSE) saloon car supplementary restraint system circuit diagram(two) is as shown
Remarks:
The core wires of all loop expaned airbags must be tinned. All terminals of Sensing and diagnosis module (SDM) must use Cu-Sn or Copper-zinc and get gilded. (View)
View full Circuit Diagram | Comments | Reading(674)
Published:2011/4/19 1:07:00 Author:muriel | Keyword: Shanghai GM BUICK(Excelle), saloon car , air-conditioning system
Figure Shanghai GM BUICK(Excelle)saloon car air-conditioning system circuit diagram(two)--automatic air condition (View)
View full Circuit Diagram | Comments | Reading(1545)
Published:2011/4/19 1:06:00 Author:muriel | Keyword: Shanghai GM BUICK(Excelle), saloon car , air-conditioning system
Figure Shanghai GM BUICK(Excelle)saloon car air-conditioning system circuit diagram(three)--manual air condition (View)
View full Circuit Diagram | Comments | Reading(1818)
Published:2011/4/19 1:06:00 Author:muriel | Keyword: Shanghai GM BUICK(Excelle), saloon car, radio/sound system
Figure Shanghai GM BUICK(Excelle)saloon car radio/sound system circuit diagram (View)
View full Circuit Diagram | Comments | Reading(1050)
Published:2011/4/19 1:05:00 Author:muriel | Keyword: Shanghai GM Chevrolet(Epica), saloon car, anti lock braking system
Shanghai GM Chevrolet(Epica) saloon car anti lock braking system circuit diagram(one) (View)
View full Circuit Diagram | Comments | Reading(1477)
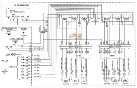
Published:2011/4/19 1:06:00 Author:muriel | Keyword: Shanghai GM BUICK(LaCROSSE), saloon car , motor-driven seat
Shanghai GM BUICK(LaCROSSE)saloon car motor-driven seat circuit diagram is as shown
(View)
View full Circuit Diagram | Comments | Reading(617)
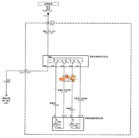
Published:2011/4/19 1:06:00 Author:muriel | Keyword: Shanghai GM BUICK(LaCROSSE), saloon car, motor-driven seat
Shanghai GM BUICK(LaCROSSE)saloon car motor-driven seat circuit diagram is as shown
(View)
View full Circuit Diagram | Comments | Reading(463)
Published:2011/4/19 1:07:00 Author:muriel | Keyword: Shanghai GM BUICK(LaCROSSE), saloon car , remote control starting system
Shanghai GM BUICK(LaCROSSE)saloon car remote control starting system circuit diagram is as shown
Remote start disable Option is located in the options menu of pilot information center (View)
View full Circuit Diagram | Comments | Reading(1108)
Published:2011/4/19 1:21:00 Author:muriel | Keyword: Shanghai GM Chevrolet(Epica), saloon car , anti lock braking system
Shanghai GM Chevrolet(Epica) saloon car anti anti lock braking system circuit diagram(two)
(View)
View full Circuit Diagram | Comments | Reading(687)
Published:2011/4/19 4:23:00 Author:Rebekka | Keyword: IR remote control , dimmer light switch



Infrared transmitter circuit.
Oscillation frequency:
Infrared receiver control circuit.Circuit is shown as above. It consists of infrared emission circuit, infrared receiver, decoding, dimming control circuit and bird voice circuit. This circuit can be used for the wall lamp, chandeliers and other lighting switches and dimmers to achieve remote control. Remote control distance should not less than 7m. It is easy to operat and has a reliable performance.
(View)
View full Circuit Diagram | Comments | Reading(3029)
| Pages:2057/2234 At 2020412042204320442045204620472048204920502051205220532054205520562057205820592060Under 20 |