Published:2011/4/19 1:22:00 Author:muriel | Keyword: Shanghai GM Chevrolet(Epica) , saloon car, anti lock braking system
Shanghai GM Chevrolet(Epica) saloon car anti anti lock braking system circuit diagram(three)
(View)
View full Circuit Diagram | Comments | Reading(575)
Published:2011/3/30 3:20:00 Author:Nicole | Keyword: integrated switching power supply, Single-ended flyback
View full Circuit Diagram | Comments | Reading(804)
Published:2011/3/30 3:14:00 Author:Nicole | Keyword: switching regulator
View full Circuit Diagram | Comments | Reading(755)
Published:2011/3/30 3:10:00 Author:Nicole | Keyword: Output voltage, component
View full Circuit Diagram | Comments | Reading(792)
Published:2011/3/30 3:10:00 Author:Nicole | Keyword: step-expansion flow
View full Circuit Diagram | Comments | Reading(498)
Published:2011/4/13 4:17:00 Author:Nicole | Keyword: sunset light, gradually control
Bidirectional breakdown diode D triggers three terminal TRIAC Q with a frequency, the trigger frequency is controlled by photosensitive resistance R5 and C2. As the night deepened, this circuit starts to outdoor light. To cut off K, then the bulb load turns on, it can manual control brightness, R4 decides the brightness. (View)
View full Circuit Diagram | Comments | Reading(595)
Published:2011/4/11 3:53:00 Author:Rebekka | Keyword: Audio power amplifier
μA783 9W Audio power amplifier circuit diagram is shown as below.
(View)
View full Circuit Diagram | Comments | Reading(680)
Published:2011/4/11 3:53:00 Author:Rebekka | Keyword: BTL circuit
The BTL circuit diagram composed of SL4112 is shown as below. (View)
View full Circuit Diagram | Comments | Reading(588)
Published:2011/4/19 3:47:00 Author:Rebekka | Keyword: Infrared remote control, code switch
View full Circuit Diagram | Comments | Reading(605)
Published:2011/4/14 2:01:00 Author:muriel | Keyword: Dongfeng Citroen Picasso, 2.0L, saloon car , starting , generating
Dongfeng Citroen Picasso(2.0L) saloon car starting and generate electricity circuit diagram as shown
(View)
View full Circuit Diagram | Comments | Reading(670)
Published:2011/4/19 4:18:00 Author:Rebekka | Keyword: Household appliances , infrared remote control socket



Infrared pulse transmitter circuit.
The oscillation frequency is:
Infrared receiver demodulation decoding circuit.
The circuit is shown above. It includes the infrared pulse transmitter circuit and the infrared receiver demodulation, decoding circuit in two parts. It can be used for remote control of household appliances such as electric fans, table lamps, electric curtains, etc.
(View)
View full Circuit Diagram | Comments | Reading(1699)
Published:2011/4/11 3:53:00 Author:Rebekka | Keyword: Audio power amplifier
μPC188H 20W Audio power amplifier circuit diagram is shown as below.
(View)
View full Circuit Diagram | Comments | Reading(700)
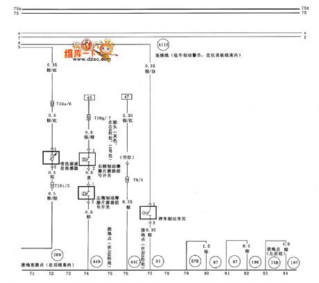
Published:2011/4/14 1:55:00 Author:muriel | Keyword: VW Passat, parking brake switch, liquid level sensor, brake lining, wear signal, switch; circuit diagram
VW Passat parking brake switch, Lotion liquid level sensor and brake lining wear signal switch circuit diagram is as shown
(View)
View full Circuit Diagram | Comments | Reading(1416)
Published:2011/4/14 2:01:00 Author:muriel | Keyword: VW Passat , engine electronic control unit, sensor , braking boosting relay
VW Passat engine electronic control unit、sensor and braking boosting relay circuit diagram as shown
(View)
View full Circuit Diagram | Comments | Reading(1524)
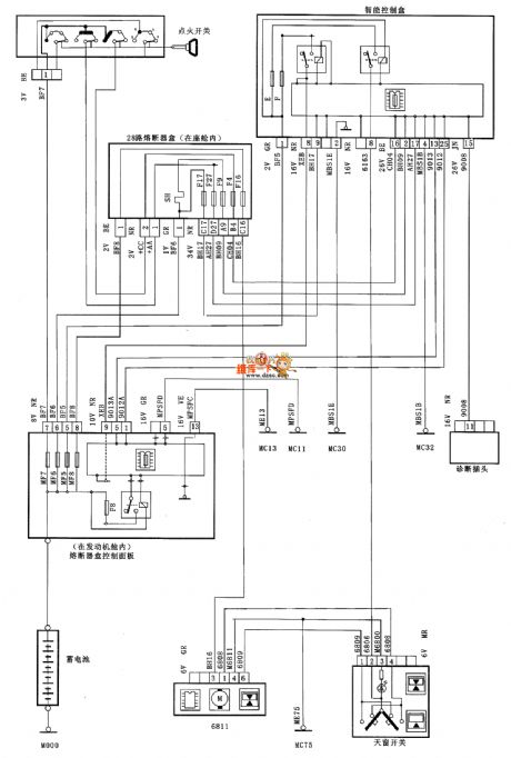
Published:2011/4/14 2:02:00 Author:muriel | Keyword: XSARA , saloon car , skylight
XSARA saloon car skylight circuit diagram is as shown
(View)
View full Circuit Diagram | Comments | Reading(603)
Published:2011/4/14 2:03:00 Author:muriel | Keyword: VW Passat, starter, generator, engine electronic control unit, throttle Valve electronic control unit , ignition system
VW Passat starter、generator、engine electronic control unit、throttle Valve electronic control unit and ignition system circuit diagram isas shown
(View)
View full Circuit Diagram | Comments | Reading(3526)
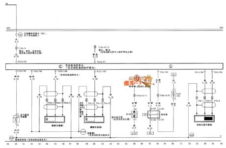
Published:2011/4/14 2:03:00 Author:muriel | Keyword: VW Passat, instrument, engine oil pressure warning
VW Passat instrument、engine oil pressure warning circuit diagram is as shown
(View)
View full Circuit Diagram | Comments | Reading(1074)
Published:2011/4/14 21:45:00 Author:muriel | Keyword: XSARA , saloon car , front motor-driven window
The overview circuit diagram of XSARA saloon car front motor-driven window isas shown
(View)
View full Circuit Diagram | Comments | Reading(647)
Published:2011/4/14 21:43:00 Author:muriel | Keyword: VW Passat , rear door electronic control unit, centre door lock electronic control unit, right rear motor-dirven window, right rear door light, reading lamp, cosmetic mirror light, dome light
VW Passat rear door electronic control unit, centre door lock electronic control unit, right rear motor-dirven window, right rear door light,dome light,reading lamp, cosmetic mirror light circuit diagram is as shown
(View)
View full Circuit Diagram | Comments | Reading(4534)
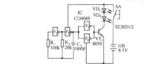
Published:2011/4/19 4:33:00 Author:Rebekka | Keyword: infrared remote control, music switch


Transmitter circuit. Oscillation frequency fo = 1/2.2R2C1. Icon parameters oscillation frequency is 25kHz.
Receive controller circuit.
(View)
View full Circuit Diagram | Comments | Reading(761)
| Pages:2058/2234 At 2020412042204320442045204620472048204920502051205220532054205520562057205820592060Under 20 |