Published:2009/7/15 2:33:00 Author:Jessie


Frequency is determined by choice of values for C and frequency-control potentiometer R4.Square-wave output has almost equal mark-space ratio over wide frequency range. Regenerative action is rapid, reducing transition times. When circuit is switched on, C is uncharged and Tr2 is on. C charges until Tr1 begins to conduct, cutting off Tr2 and discharging C through R4 until Tr1 cuts off and cycle repeats.-J.L. Linsley Hood, Square-Wave Generator with Single Frequency-Adjustment Resistor, Wireless World, July 1976, p 36.
(View)
View full Circuit Diagram | Comments | Reading(879)
Published:2009/7/15 2:31:00 Author:Jessie
Addition of input emitter-follower Q1 increases open-loop current gain of integrator and provides increased accuracy and linearity.-S. R. Parris and D. A, Staar, Highly Accurate Phantastron Delay Circuit, Electronics, 33:43, p 72-74. (View)
View full Circuit Diagram | Comments | Reading(724)
Published:2009/7/15 2:30:00 Author:Jessie
Recharging of solid-state phantastron delay capacitor is reduced to 5microsec by addition of Q7. Circuit of Q7 is inoperative during all other parts of cycle, including quiescent state.-S. R. Parris and D. A Staar, Highly Accurate Phantastron Delay Circuit, Electronics, 33:43, p 72-74. (View)
View full Circuit Diagram | Comments | Reading(832)
Published:2009/7/14 7:26:00 Author:May
When exposed to “cool white” fluorescent light for 5 s, the color negative (using Kodacolor 100 ASA film) produced after the developing process exhibits a sharp cutoff at about 830 mm. This is perfect for many IR LEDs and other IR devices. (View)
View full Circuit Diagram | Comments | Reading(847)
Published:2009/7/14 7:18:00 Author:May
This circuit is a high-input-impedance-to-low-output-impedance converter circuit with unity voltage gain. In the circuit, an LM741 op amp, U1, is connected in a voltage-follower circuit that drives a complementary transistor-emitter-follower circuit. The output of the circuit can be used to drive low-current lamps, relays, speakers, etc. The feedback can be taken from the output to pin 2 of the LM741 if it is desired to include Q1and Q2 in the feedback loop. (View)
View full Circuit Diagram | Comments | Reading(0)
Published:2009/7/14 7:17:00 Author:May
Recall that a resistor is a voltage-dependent current consumer; this circuit does the opposite.If you connect a battery to its input, the battery will get charged, with exactly the current that the battery would have delivered if you had connected it to a 1000-Ω resistor. If you put a 1000-Ωresistor in parallel with a 1000-Ω NIC, you'll get what looks like an infinite resistance. No matter what voltage you apply (within limits), the NIC will match it, and all the current flowing in the resistor will come from the NIC, not from the externally applied voltage. (View)
View full Circuit Diagram | Comments | Reading(0)
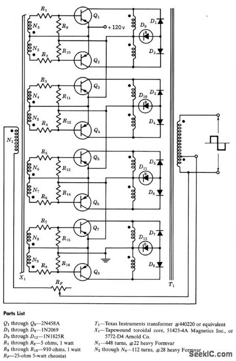
Published:2009/7/15 2:28:00 Author:Jessie
Input voltage is divided equally among four series primaries so each transistor is subjected only to 60 v when off. Output is 140-v square wave. Efficiency is 95% at full load. Use of dual-transformer configuration makes frequency of oscillation easy lo adjust by changing setting of RF, to give exactly 60 cps for any value of load cur rent.-Texas Instruments Inc., Transistor Circuit Design, McGraw-Hill, N.Y., 1963, p 459. (View)
View full Circuit Diagram | Comments | Reading(724)
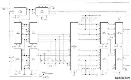
Published:2009/7/15 2:24:00 Author:Jessie
TTL ICs and National MM5220DF preprogrammed MOS read-only memory chip together generate standard RTTY test message:THE QUICK BROWN FOX JUMPS OVER THE LAZY DOG 1234567890 DE. Requires external clock providing sharp negative-going pulse train at frequency corresponding to RTTY speeds desired Requires two supplies, for +5 V and 112 V.-K. Ebneter and J. Romelfanger, RTTY Test-Message Generator, Ham Radio, Nov. 1976, p 30-32. (View)
View full Circuit Diagram | Comments | Reading(922)
Published:2009/7/15 2:22:00 Author:Jessie
Uses saturating-core oscillator. Complete design procedure is given. maximum frequency drift is below 0.5% for change from no load to full load and for input change from 11.5 to 13.5 v. Efficiency is about 86%.No.load input power is 8.5 w.-Texas instruments Inc., Transistor Circuit Design, McGraw-Hill, N.Y., 1963, p 451. (View)
View full Circuit Diagram | Comments | Reading(796)
Published:2009/7/14 5:44:00 Author:May
Uses 567 tone decoder in circuit designed to respond to 1-kHz tone, to turn on recorder for taking message when receiver of amateur station is unattended. R6, C5, and 741 opamp U2 form timer that turns on RS-267-20t6 transistor and pulls in relay to turn on tape recorder for recording about 30-s message. Relay then drops out. Use well-regulated 5-V supply. All transmitters using this ser vice must have 1-kHz audio encoders for proclueing required control frequency Article givesconstruction and adjustment details.-R Perlman ,The FM. Auto-StarT. 73 Magazine, April 1974.p 21 and 23-24. (View)
View full Circuit Diagram | Comments | Reading(759)
Published:2009/7/15 2:17:00 Author:Jessie
Complete phase-locked loop uses all four sections of LM3900 quad linear opamp. Variable capacitor is set to give center frequency of 2.2 kHz for VCO. Once in lock, loop will maintain lock over range of 1.55 to 2.9 kHz, to cover tones normally used in RTTY. Additional keying circuit for TTY selector magnets and more filtering of output completes setup for driving printer, C1 is 2N706, with 33K resistor in base circuit.-C. Sondgeroth, More PLL Magic, 73 Magazine, Aug. 1976, p 56-59. (View)
View full Circuit Diagram | Comments | Reading(1009)
Published:2009/7/14 5:39:00 Author:May
Single Sprague ULN-2126A IC provides preamplification for two channels along with 2-W output power for driving stereo power amplifier. Values shown give equalization required for tape playback. Single ganged tone control serves for both treble and bass adjustment-E. M. Noll, Linear IC Principles, Experiments, and Projects, Howard W. Sams, Indianapolis, IN, 1974, p 237 and 243. (View)
View full Circuit Diagram | Comments | Reading(1128)
Published:2009/7/14 4:43:00 Author:May



Used to drive 60-mh transducer at constant current without allowing d-c through transducer. Achieved by biasing Q3 and Q4 on all the time, so each acts as collector resistance for the other.-S. Sokol, Transistor Pair Provides Constant-Current Drive, Electronics, 35:38, p 56. (View)
View full Circuit Diagram | Comments | Reading(691)
Published:2009/7/14 4:43:00 Author:May
The temperature-shift meter is designed to detect small changes in temperature, rather than give exact temperature levels. (View)
View full Circuit Diagram | Comments | Reading(693)
Published:2009/7/15 2:07:00 Author:Jessie
Addition of C2 to basic circuit reduced recovery time from 2 microsec to 0.5 microsec. Used in computers.-L. C. Radzik and J. J. Curtis, Adding A Component Reduces Recovery Time. Electronics.38:2,p78-79 (View)
View full Circuit Diagram | Comments | Reading(706)
Published:2009/7/14 5:36:00 Author:May
Circuit protects power transistors in various combinations without limiting capabilities of AF amplifier when driving reactive loudspeaker load. With continuous signal drive into normal load, R1 draws current from C1 through D1, in opposition to R5. This gives drops of about 0.12 V across C1 and C2, allowing full drive. With short-circuited load, however, capacitor drops increase to about 0.55 V, thereby limiting average current in each output transistor to about 1.1 A. Diodes D5 and D6 are not critical, and simply prevent current flow from base to collector of transistors. -M. G. Hall, Amplifier Output Protection, Wireless World, Jan. 1977, p 78.
(View)
View full Circuit Diagram | Comments | Reading(920)
Published:2009/7/14 5:28:00 Author:May
Simple envelope detector and wave-shaping circuit uses quad NAND gate for instant replay of recorded CW trans-missions through transmitter. Diodes can be 1N270 or any other small-signal switching or general-purpose types. R3, C2, and CR3 provide envelope detection of amplified and dipped audio input from tape recorder.-A. H. Kilpatrick, Keying a Transmitter with a Tape Recorder, QST, Jan. 1974, p 45. (View)
View full Circuit Diagram | Comments | Reading(1515)
Published:2009/7/15 3:22:00 Author:Jessie
Converts PF peaks of1 mV to about 4 V, at any frequency up to over 100 MHz, to proportional DC voltage that can be fed to any multirange DC meter. Uses single CA3046 IC connected as two symmetrical Darlington pairs. Circuit must be mounted in small shielded housing with short probe tip and no IC socket Temperature stability is excellent Requires no DC offset adjustments. -Peak Reading R. F. Probe, Wireless World, Dec, 1976, p 42. (View)
View full Circuit Diagram | Comments | Reading(912)
Published:2009/7/15 3:22:00 Author:Jessie
Used as range gate delay in doppler radar boxcar circuit, as expanded-range indicator sweep, and for generation of gate waveforms. Output litter is less than 4 nsec over delay range of 3 to 35 microsec. Negative-going output pulse is 9V peak. Reliability is achieved chiefly through isolation of timing network R4-R5-C1 during timing interval -P. E. Harris, Insuring Stability in Time Delay Multivibrators, Electronics, 33:15, p 73. (View)
View full Circuit Diagram | Comments | Reading(713)
Published:2009/7/15 3:22:00 Author:Jessie
Combination of 74155 two-line to four-line decoder/demultiplexer with any conventional 4-bit binary counter provides family of strobe pulses staggered in such a way that pulse-edge ambiguity is impossible. Clock pulses at input serve to strobe 74155 as well as drive counter. QA of couter acts as data input, while QB and QC act as select lines. Action is such that edges of various 2Y pulses do not coincide with each other, with edges of 1Y pulses, or with edges of QB, QC, or QD pulses. Result is hazard-free strobing.-D. McLaughlin and C. Fanstini, End Edge Ambiguities with Two ICs, EDN Magazine, April 5, 1973, p 88. (View)
View full Circuit Diagram | Comments | Reading(1604)
| Pages:143/471 At 20141142143144145146147148149150151152153154155156157158159160Under 20 |