Published:2009/6/24 21:10:00 Author:May
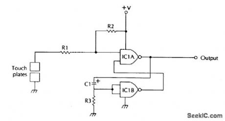
Two NAND Schmitt triggers are used as a flip-flop to produce a bridged touch switch. (View)
View full Circuit Diagram | Comments | Reading(0)
Published:2009/6/24 21:06:00 Author:May
This circuit produces an output for a time approximately equal to time constant R3/C1.
IC1,IC2 CD4011 quad NAND gateIC3 CD4066 quad bilateral switchC1 47-μF, 25-V electrolytic capacitorC2 100-μF, 25-V electrolytic capacitorC3 220-μF, 25-V electrolytic capacitorC4470-μF, 25-V electrolytic capacitorC5,C6,C7 0.1-μF capacitorRI,R3,R4,R6100-kΩ,1/4-W 5% resistorR7,R9,R10,R12 100-kΩ,1/4-W 5% resistorR2,R5,R8,R11 (View)
View full Circuit Diagram | Comments | Reading(0)
Published:2009/6/24 21:05:00 Author:May
Q2 is held cut off since Q1 normally is conducting. When the touch plate is contacted by a large object (human body, etc.), stray 60-Hz pickup is rectified by D1 and D2, and produces a negative voltage across R2-C2 and the gate of Q1. Q1 cuts off, causes Q2 to conduct, and the output goes low. (View)
View full Circuit Diagram | Comments | Reading(0)
Published:2009/6/24 4:24:00 Author:May
View full Circuit Diagram | Comments | Reading(1205)
Published:2009/6/24 3:24:00 Author:May
View full Circuit Diagram | Comments | Reading(0)
Published:2009/6/24 3:23:00 Author:May
Pressing S1 discharges C1 through R1, causing Q1 to cut off, forcing the output high. Once C1 is discharged below the VBE (ON) of Q1, switch bounce will have no effect on the output. (View)
View full Circuit Diagram | Comments | Reading(0)
Published:2009/6/24 3:22:00 Author:May
These circuits will cure problems caused by switch-contact bounce. The one shown in Fig.88-21A provides you a positive output pulse, and the one shown in Fig. 88-21B provides you a neg-ative output pulse. (View)
View full Circuit Diagram | Comments | Reading(0)
Published:2009/6/24 3:21:00 Author:May
The HEXFET can switch dc power to relays (as shown in A),motors,lamps,and numerous otherdevices That arrangement can even be used to switch resistors in and out ofa circuit,as shown in Fig.88-18B R1,R2,and R3 are possible load resistors and representload configurations that can be used (View)
View full Circuit Diagram | Comments | Reading(880)
Published:2009/6/24 3:18:00 Author:May
This timed switch circuit can be usedwhere a timed power Source IS needed,The on-time is approximately 4.6RC (View)
View full Circuit Diagram | Comments | Reading(857)
Published:2009/6/24 3:17:00 Author:May
A combination of series and shunt switching, like that shown between the input and output when in the off condition. (View)
View full Circuit Diagram | Comments | Reading(0)
Published:2009/6/24 3:17:00 Author:May
This transceiver's transmit/receive switch uses PIN-diode instead of a relay. On receive, D1 is cut off, D2 is cut off and the antenna connects to the receiver. During transmit, D1 is forward-biased, as is D2. This connects the receiver input. This causes the input impedance of the transmission line to be high, so little transmitter power reaches the receiver. Although not shown in the schematic, the 12-V supply should have a series resistor of 100Ω to 2.2kΩ, depending on diode current, to limit diode current to a safe value. (View)
View full Circuit Diagram | Comments | Reading(0)
Published:2009/6/24 3:16:00 Author:May
This PIN diode switch uses RF chokes and a single diode。R1 is typically 470Ω to 2.2kΩ (View)
View full Circuit Diagram | Comments | Reading(0)
Published:2009/6/24 3:13:00 Author:May
This circuit uses resistors instead of RE chokes to keep costs low. The values of R1 and R2 should be no lower than about 1 kΩ to minimize loss. (View)
View full Circuit Diagram | Comments | Reading(0)
Published:2009/6/24 3:13:00 Author:May
Eight-band receiver front-end selection can be accomplished by using PIN diode switches (View)
View full Circuit Diagram | Comments | Reading(729)
Published:2009/6/24 3:12:00 Author:May
This PlN-diode switching circuit directs sig-nals to ground when D1 is forward-biased. R1 is Lypically 470Ω to 2.2kΩ. C1 = C2 =0.1μF. (View)
View full Circuit Diagram | Comments | Reading(882)
Published:2009/6/24 3:11:00 Author:May
This design takes advantage of the strobed output stage of a CA3140 amplifier. With the strobing capability, the circuit's output voltage can be set to either of the input voltages by grounding one of the control inputs, either A or B.When the strobe input at pin 8 is taken below 1V, that amplifier is disabled. The remaining am-plifier then acts as a unity-gain high-impedance buffer.The 10-kΩ output resistor enables the output voltage to swing down to 20 mV from ground. The Zener-diode clamps and associated resistors connected at the strobe inputs can be omitted for the lowest-cost applications. However, experience has shown that they allow the amplifiers to shrug off the effect of high transient voltages.The circuit is particularly suited to 8-bit microcontroller applications, where the strobe inputs can be driven directly from two open-collector output ports under software control.The use of Schottky diodes for Dl and D2 makes possible an output swing of 2.5 V when the circuit is powered from a 5-V supply. (View)
View full Circuit Diagram | Comments | Reading(2010)
Published:2009/6/24 3:10:00 Author:May
Here is the schematic of a solid-state ac relay with zero-crossing. The triac permits the relay to switch to ac directly. (View)
View full Circuit Diagram | Comments | Reading(0)
Published:2009/6/24 3:05:00 Author:May
This dc-controlled switch uses an optoisolator/coupler,U1,to electrically isolate the input signalfrom the output control device. (View)
View full Circuit Diagram | Comments | Reading(1292)
Published:2009/6/23 3:59:00 Author:May



For the LT1129-3.3, dissipation amounts to a little under 1.5 W at full output current. The 5-lead surface-mount DD package handles this without the aid of a heatsink, provided that the device is mounted over at least 2500 mm2 of ground or power-supply plane. Efficiency is around 62%; dissi-pation in linear regulators becomes prohibitive at higher current levels, where they are supplanted by high-efficiency switching regulators. The synchronous buck converter is implemented with an LTC1148-3.3 converter. The LTC1148 uses both Burst ModeTM operation and continuous, constant off-time control to regulate the output voltage, and maintain high efficiency across a wide range of output loading conditions. (View)
View full Circuit Diagram | Comments | Reading(0)
Published:2011/7/28 2:14:00 Author:Ecco | Keyword: flashing switch , light intensity, 1.5KHZ
In the light degree of 13 ~ 25lx, the lamp flashes in the frequency of 1.5Hz. The circuits work as a multivibrator. When the light intensity is over 25lx, the value of photosensitive resistor is low, transistor T2 turns on, lights off. The diode BA127stops the transistor T1.
In order to make the multivibrator work in low illumination, it needs to connect a spinner resistor to thephotosensitive resistor in parallel to limit the increasingrate of theresistance of photosensitive.
The main technical data:
UB=4V, the light intensity is 45lx, it turns off;
UB=5V, the light intensity is 25lx, it turns off;
UB=6V, the light intensity is 15lx, it turns off;
The voltage of the lamp: 2~4V
The current consumption(100lx): <10mA
The environment temperature: -10~+50℃ (View)
View full Circuit Diagram | Comments | Reading(692)
| Pages:11/15 123456789101112131415 |