Published:2009/7/21 4:49:00 Author:Jessie
Color TV chroma demodulator with RGB output matrix. By applying a positive going blanking pulse to pin 6, blanking ofthe picture cluing line and frameflyback is achieved (courtesy GTE Sylvania Incorporated). (View)
View full Circuit Diagram | Comments | Reading(1182)
Published:2009/7/8 4:58:00 Author:May
This transmitter is capable of two levels of rf power. For low-power wireless video, like in a house or office, where simultaneous monitoring of program material is desirable without cumbersome hookups, 1-30 mW is available. For longer ranges up to several miles, as in amateur (ham) TV, security, and surveillance purposes, 2 W into a 50-Ω oad is available. (View)
View full Circuit Diagram | Comments | Reading(88)
Published:2009/7/21 3:32:00 Author:Jessie
Divider circuit using the 435 multiplier/divider chip (courtesy Analog Devices, Inc.). (View)
View full Circuit Diagram | Comments | Reading(658)
Published:2009/7/21 3:31:00 Author:Jessie
Divider circuit using the 433 multiplier/divider chip (courtesy Analog Devices, Inc.). (View)
View full Circuit Diagram | Comments | Reading(660)
Published:2009/7/21 3:15:00 Author:Jessie


Percentage computer using an AD534 multiplier/divider chip (courtesy Analog Devices, Inc.). (View)
View full Circuit Diagram | Comments | Reading(741)
Published:2009/7/21 3:15:00 Author:Jessie
Divider circuit using an AD532 multiplier/divider chip. The AD532 is available as a 10-pin TO-100 or as a 14-pin DIP (courtesy Analog Devices, Inc.). (View)
View full Circuit Diagram | Comments | Reading(893)
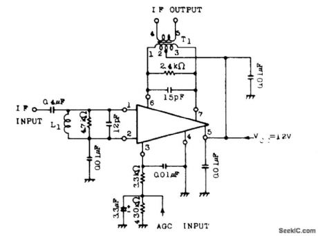
Published:2009/7/21 4:10:00 Author:Jessie
TV video IF amplifier using an ECG1128 7-pin module. Typical power gain is 48 dB. Maximum output voltage is 180 mV (courtesy GTE Sylvania Incorporated). (View)
View full Circuit Diagram | Comments | Reading(629)
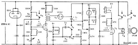
Published:2009/7/21 4:09:00 Author:Jessie
Copper drum, serving as single-turn shorted secondary of transformer, is heated by several thousand amperes of induced current. As drum heats up, transformer primary current decreases. When desired temperature is reached, KA energizes and T1 is disconnected by KB.-D. A. Senior, Temperature Control for Hot Rollers in Industry, Electronics, 32:30, p 40-42. (View)
View full Circuit Diagram | Comments | Reading(805)
Published:2009/7/21 4:09:00 Author:Jessie
Squarer circuit using an AD533 multiplier/divider chip. With X at zero volts adjust Zo for a zero-volt DC output. With X equal to +10 volts DC adjust gain for +10 volts DC output. Reverse the polarity of X input and adjust Xo to reduce the output error to half its original value and adjust gain to take out the remaining error. Check the output offset with the input grounded. If nonzero repeat the above procedure (courtesy Analog Devices, Inc.). (View)
View full Circuit Diagram | Comments | Reading(1025)
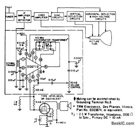
Published:2009/7/21 4:09:00 Author:Jessie
TV FM sound IF with tube-type audio output stage. The ECG710 contains a multistage wide-band amplifier section, a zener-regulated power supply section, and an AF amplifier section (courtesy GTE Sylvania Incorporated). (View)
View full Circuit Diagram | Comments | Reading(718)
Published:2009/7/21 4:07:00 Author:Jessie
Pushbutton timer provides automatic compensation of exposure time with magnification of negative.-J. Markus and V. Zeluff, Handbook of Industrial Electronic Control Circuits, McGraw-Hill, N.Y., 1956, p 296. (View)
View full Circuit Diagram | Comments | Reading(830)
Published:2009/7/21 4:07:00 Author:Jessie
A/D dividers using the AD7520 18-pin DIP. With all bits off the amplifier saturates since division by zero isn’t defined. With the LSB (bit 10) on the gain is 1023. With all bits on the gain is 1 (courtesy Intersil, Inc.). (View)
View full Circuit Diagram | Comments | Reading(774)
Published:2009/7/21 4:06:00 Author:Jessie
TV sound channel with 1-watt output using an ECG807. The circuit features DC volume control with 70 dB attenuation typical, limiter gain of 70 dB, limiting threshold at 200 μV, automatic thermal shutdown, and audio output short-circuit protection. The circuit will drive 8-, 16- or 32 -ohm speaker loads and provide a true 1-watt output with an 8-ohm load (courtesy GTE Sylvania Incorporated). (View)
View full Circuit Diagram | Comments | Reading(764)
Published:2009/7/21 4:05:00 Author:Jessie
TV FM sound IF with transistor power output stage. The ECG710 contains a multisection wide-band IF amplifier, a zener-regulated power supply section, and an AF amplifier section (courtesy GTE Sylvania Incorporated). (View)
View full Circuit Diagram | Comments | Reading(791)
Published:2009/7/21 4:05:00 Author:Jessie
Vector computation circuit for VC2 = VA2 + VB2 using the 434 multiplier/divider chip and two AD741 op amps (courtesy Analog Devices, Inc.). (View)
View full Circuit Diagram | Comments | Reading(602)
Published:2009/7/21 4:04:00 Author:Jessie
High-voltage Kerr-cell pulser and parallel triggering synchronization give 5-nsec exposure, with triggering time jitter less than 1 nsec. Power supply must deliver 350-amp pulse as 35 kv.-S. M. Hauser and H. Quan, Applying the Kerr Cell to Nanosecond Photography, Electronics, 34:33, p 56-59. (View)
View full Circuit Diagram | Comments | Reading(1145)
Published:2009/7/21 4:02:00 Author:Jessie
Quartet-watt neon lamps regulate dynode potentials. Graded-capacitor voltage divider across string of neons makes them fire in sequence, to eliminate variations in firing times and increase timing accuracy.-J. Markus and V. Zeluff, Handbook of Industrial Electronic Control Circuits, McGraw-Hill, N.Y., 1956, p 297. (View)
View full Circuit Diagram | Comments | Reading(850)
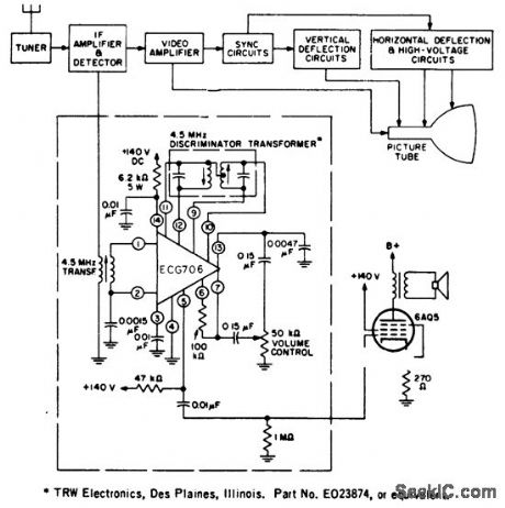
Published:2009/7/21 4:00:00 Author:Jessie
4.5 MHz sound section for TV using one ECG706 IC.The chip contains a wide-band IF amplifier-limiter section,an FM detector stage,a zener regulated power Supply section,and an audio amplifier section specifically designed todrive a 6AQ5(courtesy GTE Sylvania Incorporated). (View)
View full Circuit Diagram | Comments | Reading(1590)
Published:2009/7/21 4:23:00 Author:Jessie
Square rooter using an AD533 multiplier/divider chip. With Z equal to +0.1 volt DC adjust ZO for a-1.0 volt DC output. With Z equal to +10.0 volts DC adjust gain for-10.0 volts DC output.With Z equal to +2.0 volts DC adjust Xo for a -4.47±0.1 volt DC output (courtesy Analog Devices,Inc.). (View)
View full Circuit Diagram | Comments | Reading(752)
Published:2009/7/21 4:22:00 Author:Jessie
Divider circuit with digitally controlled gain (courtesy Analog Devices, Inc.). (View)
View full Circuit Diagram | Comments | Reading(694)
| Pages:36/126 At 202122232425262728293031323334353637383940Under 20 |