Position: Home > Circuit Diagram > LED and Light Circuit > Index 63
Low Cost Custom Prototype PCB Manufacturer

LED and Light Circuit

Index 63



infrared remote control time-lapse lamp circuit

Published:2011/7/8 20:45:00 Author:Lena | Keyword: infrared, remote control, time-lapse lamp

infrared remote control time-lapse lamp circuit
Infrared remote control time-lapse lampInfrared remote control time-lapse lamp is applied to casual situation in night. This illumination will not need to be turned off by remote controller, and will auto be turned off by set delayed circuit in internal circuit. Delayed time usually can be set as 1-2MIN, the operation can adopt infrared remote control emitter without modulation signal to realize.Circuit principle:This circuit can consist of infrared receiver, Uni-stable state delayed circuit and controlled silicon circuit.   (View)

View full Circuit Diagram | Comments | Reading(1029)

White LED Current Control Circuit of Charge-pump

Published:2011/6/28 5:26:00 Author:Michel | Keyword: White LED, Current Control, Circuit, Charge-pump

White LED Current Control Circuit of Charge-pump
White LED Current Control Circuit of Charge-pump   (View)

View full Circuit Diagram | Comments | Reading(901)

infrared remote control mouse work principle

Published:2011/7/8 22:42:00 Author:Lena | Keyword: infrared, remote control, mouse, work principle

infrared remote control mouse work principle
infrared remote control mouse work principle A infrared remote control mouse consists of infrared emitter and infrared receiver two parts, the principle block diagram is shown as figure 3.A infrared emitter circuit is shown in figure 4.IC1 is a encoder integrated circuit VD5026, the matched encoder integrated circuit is VD5027 or VD5028. 1-8 pins of VD5026 are address end A0-A7, 10-13 pins are data end D0-D3(when coordinated with VD5028, they can be used as address A8-A11 ),17 pin is encode signal output end, the outputted signal by 17 pin can modulate signal which is generated by 40kHz pulse generator, the pulse generator consists of IC2A,IC2B etc.   (View)

View full Circuit Diagram | Comments | Reading(1260)

MIC2298 Driving LED Circuit

Published:2011/6/27 23:38:00 Author:Michel | Keyword: Driving LED Circuit

MIC2298 Driving LED Circuit
Micrellnc introduced the most powerful volume and function LED driver, MIC2298 which is used in portable electronic equipment.This device is a 7 W efficient boost DC/DC converter with small 3 mm x 3 mm of MLF form encapsulation.MlC2298 is designed for mobile phones,personal,digital assistant (PDA) and digital camera flash, flashlight lighting. MIC2298 can ensure 3.5A conversing current.Its white LED brightness can realize dynamic control via brightness setting,pins voltage or pulse width adjustment (PWM) signal. The circuit's efficiency is over 86% when it works in fixed conversion frequency.   (View)

View full Circuit Diagram | Comments | Reading(672)

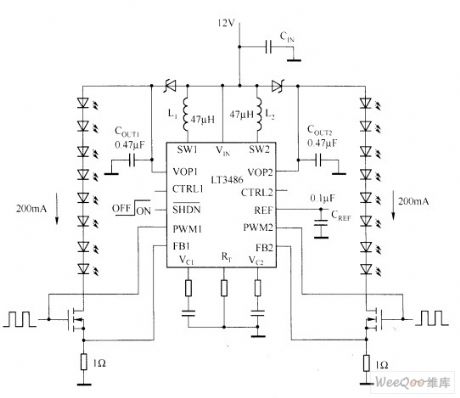
LT3486 Automobible LED Driver Circuit

Published:2011/6/28 2:19:00 Author:Michel | Keyword: Automobible, LED Driver, Circuit

LT3486 Automobible LED Driver Circuit
LED's advantages are as follows when it is used in automobile central high brake lights (CHMSL).It reaches setting brightness faster and has longer service life with higher efficiency.And what's more, the very tiny red LED array is more easily for design and installation.LED can reach a setting brightness in less than 1 ms, so that driver behind the car can see the brake lights faster,which lessen rear-end collision.On contrast,traditional bulbs can get the setting brightness in 200ms.Compared with incandescent lamp, LED lamp power consumption can reduce to as high as 80%, which reduces the car fuel consumption.   (View)

View full Circuit Diagram | Comments | Reading(924)

Solar energy lamp circuit

Published:2011/7/4 22:14:00 Author:zj | Keyword: Solar energy, lamp circuit

Solar energy lamp circuit
  (View)

View full Circuit Diagram | Comments | Reading(1272)

Practical bidirectional thyristor dimmer lamp circuit

Published:2011/7/6 21:20:00 Author:zj | Keyword: Practical, bidirectional thyristor, dimmer lamp circuit

Practical bidirectional thyristor dimmer lamp circuit
  (View)

View full Circuit Diagram | Comments | Reading(839)

The photoelectric coupler separation amplifier circuit of PWM modulation

Published:2011/7/4 20:22:00 Author:Borg | Keyword: photoelectric coupler, PWM modulation

The photoelectric coupler separation amplifier circuit of PWM modulation
After the impedance conversion by A1, the input signal of the circuit is past the integrator, time lag comparator A2 and PWM modulation circuit, then it is converted into a pulse signal which has some time width, its signal LEV is processed as the digit signals of 1 and 0. The pulse signal drive photoelectric coupler TLP512, which has some certain time width, can get the pulse signal of certain time width at the second stage, but the primary signal is separated. The phase reverser 4069 of the second stage receives this time width pulse signal.   (View)

View full Circuit Diagram | Comments | Reading(1005)

Energy-saving fluorescent starter circuit diagram

Published:2011/6/28 2:49:00 Author:Ecco | Keyword: Energy-saving , fluorescent , starter

Energy-saving fluorescent starter circuit diagram
In the Figure, FU is fuse. C1, C2 are the bulk capacitors. C3, C4 are the starter capacitors. VD1, VD2, VD3, VD4 are the rectifier diodes. R1, R2 are the current limiting resistors. H is fluorescent tube or energy saving lamp. Before H turns on, the internal resistance is great, and the current is very low, and the power is added to the rectifier circuit composed of VD1 ~ VD4. C1, C2 choose the 1.5μ F capacitors with voltage in more than 400V. C3, C4 choose 0.01μF capacitors with voltage in more than 400V. VD1 ~ VD4 choose 1N4007 1A silicon rectifier diodes with voltage more than 400V. R1, R2 select 5W metal film resistors with more than 50 ~ 100Ω.   (View)

View full Circuit Diagram | Comments | Reading(2307)

Battery-powered fluorescent lamp circuit (1)

Published:2011/6/30 3:21:00 Author:Ecco | Keyword: Battery-powered, fluorescent lamp

Battery-powered fluorescent lamp circuit (1)
  (View)

View full Circuit Diagram | Comments | Reading(1616)

Electronic energy saving lamp (4)

Published:2011/6/30 2:01:00 Author:Ecco | Keyword: Electronic , energy saving, lamp

Electronic energy saving lamp (4)
  (View)

View full Circuit Diagram | Comments | Reading(771)

The IR2159 integrated electric ballast circuit of adjustable light

Published:2011/7/6 1:16:00 Author:qqtang | Keyword: electric ballast, adjustable light

The IR2159 integrated electric ballast circuit of adjustable light
figure: The IR2159 integrated electric ballast circuit of adjustable light   (View)

View full Circuit Diagram | Comments | Reading(696)

The barton automatic fill light circuit

Published:2011/6/27 22:30:00 Author:Ecco | Keyword: barton , automatic, fill light

The barton automatic fill light circuit
Providing enough light for hens can increase egg production rate. Due to the short sunshine time in winter, the chicken specialized households generally use the artificial method to fill light. Using the circuit shown as the chart is able to automatically fill light, when night comes, the light will automatically turn on about 2h, then turn off, that is , sunshine time extends about 2h. T uses 220V/15V, 8VA small, high quality power transformer; K uses JZC-22F, DC12V small medium power electromagnetic relay.   (View)

View full Circuit Diagram | Comments | Reading(666)

Electronic energy saving lamp (2)

Published:2011/6/30 2:10:00 Author:Ecco | Keyword: Electronic , energy saving, lamp

Electronic energy saving lamp (2)
In the circuit shown as the chart, VT1, VT2 use MTE13005 high-power tube with the same properties. T uses high-frequency magnetic ring with the internal diameter in Φ6mmw and Φ 0.5mm high strength polyester enameled wire around, and L1, L2 have 2 turns, and L3 has 8 turns.   (View)

View full Circuit Diagram | Comments | Reading(1416)

Electronic energy saving lamp (1)

Published:2011/6/30 2:27:00 Author:Ecco | Keyword: Electronic, energy saving , lamp

Electronic energy saving lamp (1)
VT1, VT2 choice MTE13003 ~ 13005 high-power tube, and β value is between 20 to 40. T1, T2 need to be made by yourself: the three coils of T1 are available in different colors with Φ0.4mm single strand of copper wire wound on igh frequency magnetic ring with internal diameter in Φ10mm, and L1, L2 around 6.5 turns in parallel, L3 has 2 turns. T2 uses EI ferrite core with cross-sectional area in 10mm × 7mm, then L4 and L5 use Φ0.27mm high-intensity polyester enameled wire wound. L6 uses Φ0.8mm high-strength polyester with around 13 turns. E uses 35W, 12V low-voltage halogen bulb.   (View)

View full Circuit Diagram | Comments | Reading(3071)

Power failure emergency lamp circuit(2)

Published:2011/7/4 22:51:00 Author:zj | Keyword: Power failure, emergency lamp circuit

Power failure emergency lamp circuit(2)
  (View)

View full Circuit Diagram | Comments | Reading(1133)

Power failure emergency lamp circuit(1)

Published:2011/7/4 22:55:00 Author:zj | Keyword: Power failure, emergency lamp circuit

Power failure emergency lamp circuit(1)
  (View)

View full Circuit Diagram | Comments | Reading(807)

Power failure emergency lamp circuit(3)

Published:2011/7/4 22:50:00 Author:zj | Keyword: Power failure, emergency lamp circuit

Power failure emergency lamp circuit(3)
  (View)

View full Circuit Diagram | Comments | Reading(767)

Power failure emergency lamp circuit(4)

Published:2011/7/4 22:48:00 Author:zj | Keyword: Power failure, emergency lamp circuit

Power failure emergency lamp circuit(4)
  (View)

View full Circuit Diagram | Comments | Reading(794)

Touching adjustable timing light circuit (2)

Published:2011/7/1 2:52:00 Author:Ecco | Keyword: Touching, adjustable , timing light

Touching adjustable timing light circuit (2)
The chart shows is a practical touching adjustable timing light circuit which is composed of NE555 time-base circuit, and the timing time is adjustable in 10 ~ 60min. As long as to reach the regular time, the light will be turned off. In the prescribed time period, you can also turn off the lights by touching way to achieve early action, and the circuit is very suitable for desk lamps.   (View)

View full Circuit Diagram | Comments | Reading(3176)

Pages:63/72 At 20616263646566676869707172