Published:2009/6/15 23:50:00 Author:May
A fluorescent tube or display can be driven with a 4543B IC, as shown. (View)
View full Circuit Diagram | Comments | Reading(825)
Published:2009/6/15 23:49:00 Author:May
The use of a switching transistor (like a 2N2222 or 2N3904) allows use of the CD4511B with a common-anode display. Ry should be chosen to provide about 1 mA to drive Q1 and Rx should provide enough current to drive the display. For this circuit, the transistor gain (HFE) should be at least the ratio of the segment drive current to the current through Rx (View)
View full Circuit Diagram | Comments | Reading(1118)
Published:2009/6/15 23:47:00 Author:May
To drive the display, RA should provide a drive of about 1 mA to the gas discharge tube. RB is a current-limiting resistor. (View)
View full Circuit Diagram | Comments | Reading(746)
Published:2009/6/15 23:42:00 Author:May


The circuit shows a frequently-used method of driving an LCD display. A square-wave drive is necessary for this application. (View)
View full Circuit Diagram | Comments | Reading(1621)
Published:2009/6/15 23:41:00 Author:May
AIL IC1 like a 7447 drives a 7-segment commoll anode LED display.Current limiting reslstor R should limit the segment current to the rated value at maxlmum supply voltage A sample calculation is shown (View)
View full Circuit Diagram | Comments | Reading(3423)
Published:2009/6/15 23:40:00 Author:May
A CD4511B CMOS LED display driver can be used to drive a common cathode LED display. Cur-rent limiting resistors limit the segment current to the rated value at maximum supply voltage. A sample calculation is shown. (View)
View full Circuit Diagram | Comments | Reading(1471)
Published:2009/6/15 23:33:00 Author:May
The diagram shows how to connect 7447-type IC devices for leading-zero suppression in an LED display. (View)
View full Circuit Diagram | Comments | Reading(747)
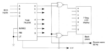
Published:2009/6/15 23:32:00 Author:May
This circuit shows how a 7448 IC is used to drive a 7-segment LCD display. Atn external 50-Hz square wave supplies necessary phase signals to the back plane of the display. (View)
View full Circuit Diagram | Comments | Reading(3712)
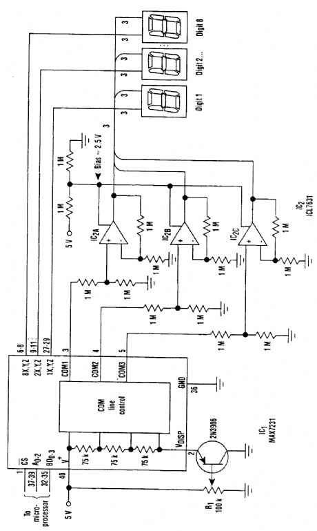
Published:2009/6/15 23:30:00 Author:May
Large LCD devices of 1 or more exhibit a large driving capacitance to the driver circuits. To solve this problem, the drive cir-cuit shown (see the figure) introduces a buffer amplifier for each of the three common lines. Each amplifier can be programmed independently for a quiescent current of 10, 100, or 1000μA. In this application, the bias network applies a voltage that sets the three quiescent currents to 100μA.The display driver and triple op amp operate between 5 V and ground, and the COM signals range from 5 V to ≈1 V. To en-sure that these signals remain within the amplifiers' common-mode range, the signals are attenuated by one-half and the buffers operate at a gain of two. The circuit drives eight 1-inch displays, and is suitable for ambient temperature variations of 15°F or Iess.At the highest expected temperature, R1 should be adjusted so that no off segments are visible. (View)
View full Circuit Diagram | Comments | Reading(847)
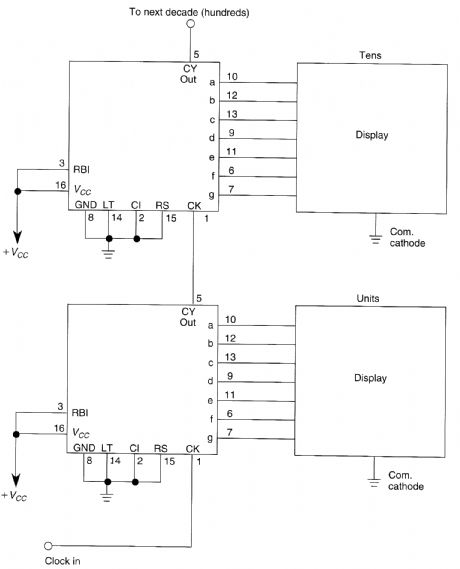
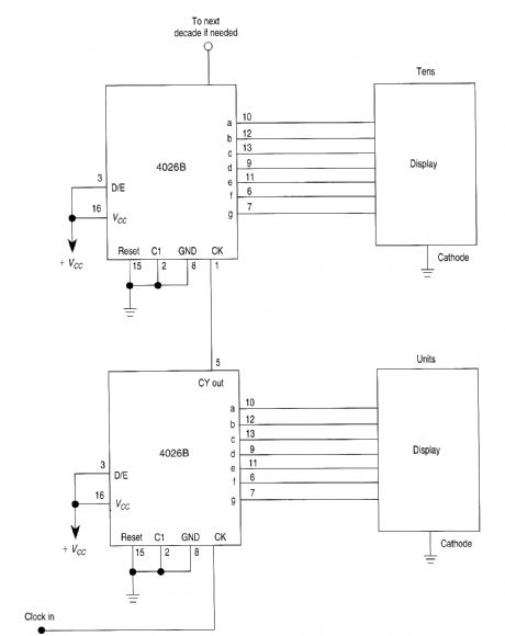
Published:2009/6/15 23:21:00 Author:May
CASCADED 4026B COUNTER/DISPLAY DRIVER CIRCUIT (View)
View full Circuit Diagram | Comments | Reading(2422)
Published:2009/6/15 23:15:00 Author:May
TO drive two or more common-cathode displays two or more 4033 decode counters can be cascaded (View)
View full Circuit Diagram | Comments | Reading(796)
Published:2011/7/5 21:54:00 Author:zj | Keyword: Five flash, lamp string circuit
In the graph, SSR1 to SSR5 use TAC081 IC type solid state relay. T uses 220V / 6V, 5VA small quality requirements of power transformers. Itrequires power fora long time without heating. (View)
View full Circuit Diagram | Comments | Reading(752)
Published:2011/7/5 22:00:00 Author:zj | Keyword: Five flash, lamp string circuit
View full Circuit Diagram | Comments | Reading(578)
Published:2011/7/5 22:15:00 Author:zj | Keyword: The time-base circuit, AC light regulating lamp circuit
View full Circuit Diagram | Comments | Reading(703)
Published:2011/7/5 22:22:00 Author:zj | Keyword: Ten flash, lamp string circuit
As shown in the figure itis composed of a digital integrated circuit CD4017 consisting of ten flash lamp string controller. VT1 ~ VT10use MCR100-8 type small outline of a unidirectional thyristor. (View)
View full Circuit Diagram | Comments | Reading(1306)
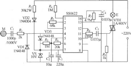
Published:2011/7/24 22:46:00 Author:Ecco | Keyword: Touching stepping dimmer
Touching stepping dimmer composed of the SS0622 IC is shown as the chart, and it canprovidetwo ways of four-gear stepping touching dimmeraccording to the needs of the users.
(View)
View full Circuit Diagram | Comments | Reading(1111)
Published:2011/7/16 3:39:00 Author:leo | Keyword: Crossed flash
In order to get different colors, we divideLEDs into two lines horizontally and two lines vertically. And we use two kinds of colors of LED to make it come true. LM324(IC1) is the center of saw tooth oscillator circuit while IC2 and IC3 are the center of comparator, whose referring voltage is gotten through resistance series R13 to R20.And VR1 is used to adjust the referring voltage value of comparator A4 to A10. (View)
View full Circuit Diagram | Comments | Reading(668)
Published:2011/7/20 20:37:00 Author:leo | Keyword: Room Lamp, baggage compartment lamp
View full Circuit Diagram | Comments | Reading(558)
Published:2011/7/20 20:32:00 Author:leo | Keyword: Tail lamp, position lamp, license lamp
View full Circuit Diagram | Comments | Reading(769)
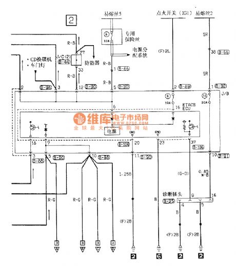
Published:2011/7/20 21:10:00 Author:leo | Keyword: Glove box lamp, electric system
View full Circuit Diagram | Comments | Reading(631)
| Pages:60/72 At 204142434445464748495051525354555657585960Under 20 |