Position: Home > Circuit Diagram > LED and Light Circuit > Index 68
Low Cost Custom Prototype PCB Manufacturer

LED and Light Circuit

Index 68



Infrared Delay Lighting Switch Circuit

Published:2011/5/2 4:08:00 Author:Robert | Keyword: Infrared Delay, Lighting Switch

Infrared Delay Lighting Switch Circuit
Infrared Delay Lighting Switch Circuit is shown below:   (View)

View full Circuit Diagram | Comments | Reading(659)

AC/DC Dual-Use Fluorescent Lighting Circuit

Published:2011/5/2 3:17:00 Author:Robert | Keyword: AC/DC Dual-Use, Fluorescent Lighting

AC/DC Dual-Use Fluorescent Lighting Circuit
  (View)

View full Circuit Diagram | Comments | Reading(1263)

Single-transistor time relay circuit diagram

Published:2011/4/29 5:08:00 Author:Rebekka | Keyword: Single-transistor , time relay

Single-transistor time relay circuit diagram
Single-transistor time relay circuit diagram.   (View)

View full Circuit Diagram | Comments | Reading(653)

High-gain operational amplifier transistor output circuit diagram

Published:2011/4/29 5:04:00 Author:Rebekka | Keyword: high-gain operational, amplifier transistor

High-gain operational amplifier transistor output circuit diagram
High-gain operational amplifier transistor output circuit diagram is shown as above. Connect the phone Jane to the output of 741. Transistor RS2020 single-tube-driven speaker, R2 is the volume control, R3 can adjust gain and frequency response.   (View)

View full Circuit Diagram | Comments | Reading(1080)

Transistor time relay circuit diagram

Published:2011/4/29 5:10:00 Author:Rebekka | Keyword: Transistor time relay

Transistor time relay circuit diagram
Transistor time relay circuit diagram.   (View)

View full Circuit Diagram | Comments | Reading(1386)

LED boost driver circuit diagram

Published:2011/4/29 3:13:00 Author:Rebekka | Keyword: LED boost driver

LED boost driver circuit diagram
LED boost driver circuit diagram.   (View)

View full Circuit Diagram | Comments | Reading(1270)

Using TA7641 as LED flash launcher circuit diagram

Published:2011/4/27 3:39:00 Author:Rebekka | Keyword: LED flash launcher

Using TA7641 as LED flash launcher circuit diagram
Using TA7641 as LED flash launcher circuit diagram is shown as above.   (View)

View full Circuit Diagram | Comments | Reading(1344)

Flashlight circuit supplyed by battery

Published:2011/4/25 4:32:00 Author:Nicole | Keyword: flashlight, battery

Flashlight circuit supplyed by battery
This is a multivibrator circuit with same pulse duration time and interval time. The two transistors emitter of oscillatorare connected to the gate of SCR, the two lights is flashing alternatively controlled by SCR. Capacitance C2, C3, C4 should use bipolar electrolytic capacitor. The voltage on capacitance C2 is 12V, the polarity alternatively changes with flashing rhythm. The voltage on C3, C4 changes between -12V ~Uz, Uz is SCR trigger voltage, the total of transistor T2 or T3's base-emitter cut-off voltage and diode D2 or D1's forward voltage drop is about 3V. Changing the resistance R3, R4 can change the flashing frequency, in figure, the oscillation frequency is 80/min.   (View)

View full Circuit Diagram | Comments | Reading(772)

500 w Light modulation circuit diagram

Published:2011/4/20 10:00:00 Author:Rebekka | Keyword: Light modulation

500 w Light modulation circuit diagram
When the circuit is connected to the hi-fi equipment or at both ends of the electronic instruments speaker, the audio level can be modulated to 500W lamp by proportion. Using 3 appropriate sets of audio filters and 3 different color light Union microscopy to access to color music stage lighting effects.   (View)

View full Circuit Diagram | Comments | Reading(1642)

Rechargeable flashlight circuit 1 (5)

Published:2011/4/25 1:57:00 Author:May | Keyword: Rechargeable, flashlight

Rechargeable flashlight circuit 1 (5)
  (View)

View full Circuit Diagram | Comments | Reading(3203)

Telephone control automatic lighting circuit 1

Published:2011/4/25 4:30:00 Author:May | Keyword: Telephone control, automatic lighting

Telephone control automatic lighting circuit 1
The diagram shows telephone control automatic lighting circuit. At night, when telephone rings or master takes up telephone transmitter dialing, the light can lighten; when telephone ringer stopped (no one listen) or on-hook, it can delay 10~40s, then the light can die out itself. Moreover, this circuit also set a light triggering button. The light can lighten about 40s only by pressing the button.   (View)

View full Circuit Diagram | Comments | Reading(1520)

Telephone control automatic lighting circuit 2

Published:2011/4/25 4:37:00 Author:May | Keyword: Telephone control, automatic lighting

Telephone control automatic lighting circuit 2
The diagram shows telephone automatic light composed of NE555 time base circuit and optical coupler. At night, when you need to make a telephone call, the light can lighten itself, it can delay 10~40s after on-hook, then the light can die out itself. Moreover, this circuit also set a triggering button. Ordinarily, when you need to lighten, the light can self lighten about 1min only by pressing the button.   (View)

View full Circuit Diagram | Comments | Reading(733)

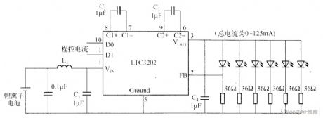
LTC3202 Drive White Light LED Circuit

Published:2011/4/22 7:55:00 Author:Joyce | Keyword: LTC3202, Drive, White Light, LED

LTC3202 Drive White Light LED Circuit
LTC3202 is a charge pump produced by Linear Technology Company,which does not need gating oscillator. The graph is the circuit of a drive white light LED powered by lithiumion batteries using LTC3202 charge pump. In order to overcome noise problems,LTC3202 uses linear control technology to make sure that the charge and discharge capacity of the conversion capacitance just meet the load current needs, and in each clock cycle,it remains a constant, thus ensuring they would not produce audio components. The graph is the circuit of a drive white light LED powered by lithiumion batteries using LTC3202 charge pump.   (View)

View full Circuit Diagram | Comments | Reading(634)

DS4301 Application Circuit

Published:2011/4/21 0:15:00 Author:Robert | Keyword: DS4301, Application

DS4301 Application Circuit
The DS4301 is a single 32-position linear digital potentiometer with 200kΩ end-to-end resistance. The wiper setting is stored in EEPROM, so the DS4301 powers up with the last stored setting. The position of the wiper is controlled through a simple three-terminal increment/decrement interface. The DS4301 is ideal for white LED backlight brightness control. Its 8-pin μSOP package, 2.4V to 5.5V supply range, and 200kΩ end-to-end resistance are especially suited for portable, battery-powered applications such as cellular telephones and PDAs.   (View)

View full Circuit Diagram | Comments | Reading(601)

Half four-bit LED counting circuit

Published:2011/4/21 21:42:00 Author:Nicole | Keyword: LED counting

Half four-bit LED counting circuit
It is a CMOS half four-bit decimal counter, it has counting, latching, bit by bit scanning output circuit, protection circuit. The scanning speed can be changeable, it only needs to change a external capacitor. The power supply is 3~10V, the static power consumption is lower than 1mA, the counting frequency range is from DC to few MHz, it adopts DIP-16 foot in-line package. The count pulse is coupled to input DG6010 count by high speed photodiode isolator SL950. 6010 sends out BCD code then transformed 7 phase drive singal by CC4511B, the singal is added to 4 bit LED to display. This counting circuit is used as faceplate counting for all kinds of instruments, such as range counting, product counting, flux counting, timing and so on.   (View)

View full Circuit Diagram | Comments | Reading(662)

Composed of CS7237 self-extinguishing touch dimmer circuit circuit diagram

Published:2011/4/21 2:02:00 Author:Rebekka | Keyword: touch dimmer self-extinguishing

Composed of CS7237 self-extinguishing touch dimmer circuit circuit diagram
  (View)

View full Circuit Diagram | Comments | Reading(892)

LG8150 touch stepping dimming light circuit

Published:2011/4/19 6:49:00 Author:Nicole | Keyword: dimming light

LG8150 touch stepping dimming light circuit
The figure is as shown, it adopts touch stepping dimming light of LG8150 integrated circuit, the finger touches M at a time, the brightness of bulb E is low brightness, middle brightness, most brightness, turn-off, low brightness... cyclic change, this circuit is suit for producing dimming table lamp.   (View)

View full Circuit Diagram | Comments | Reading(852)

Lossless LED drive circuit with 24V power supply

Published:2011/4/19 6:44:00 Author:Nicole | Keyword: LED drive, 24V power supply

Lossless LED drive circuit with 24V power supply
This circuit adopts LED drive circuit,its choke Dr is matched with 24V power voltage. Using under transistor BC237A as constant current source, in order to let LED current has no relationship with power voltage Us, so the duty tatio should be proportionate to Us. Thus, when the power voltage Us is higher, the duty ratio or the turn on time of transistor will short. In this circuit, in the condition of LED average current is 20mA, the total consumption current is only 3.4mA.   (View)

View full Circuit Diagram | Comments | Reading(1190)

Delay light circuit with power switch integrated circuit

Published:2011/4/18 10:09:00 Author:Nicole | Keyword: Delay light, power switch

Delay light circuit with power switch integrated circuit
The circuit delay time is decided by the discharge time constant of R2, C3. Increasing or decreasing the capacity of C3 can adjust the delay time. When adopting the polt data, press SB once, the light E will lighting about 15s.   (View)

View full Circuit Diagram | Comments | Reading(718)

Delay light circuit with power switch integrated circuit(2)

Published:2011/4/18 10:08:00 Author:Nicole | Keyword: Delay light, power switch

Delay light circuit with power switch integrated circuit(2)
The delay time is decided by the charge time constant of R1, C1.   (View)

View full Circuit Diagram | Comments | Reading(673)

Pages:68/72 At 20616263646566676869707172