© 2008-2012 SeekIC.com Corp.All Rights Reserved.
    
Published:2011/4/20 3:47:00 Author:Rebekka | Keyword: Air conditioning , remote control circuit
View full Circuit Diagram | Comments | Reading(2541)
Published:2011/4/20 5:01:00 Author:Rebekka | Keyword: Multi-function remote control , air-conditioning
View full Circuit Diagram | Comments | Reading(810)
Published:2011/4/20 4:35:00 Author:Rebekka | Keyword: remote control receiver , receiver application circuit
		  
		  
		  
		  
		  
				
				
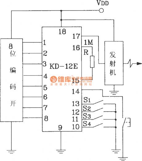
Composed of KD-12E 256 multi-function remote control transmitter application circuit.
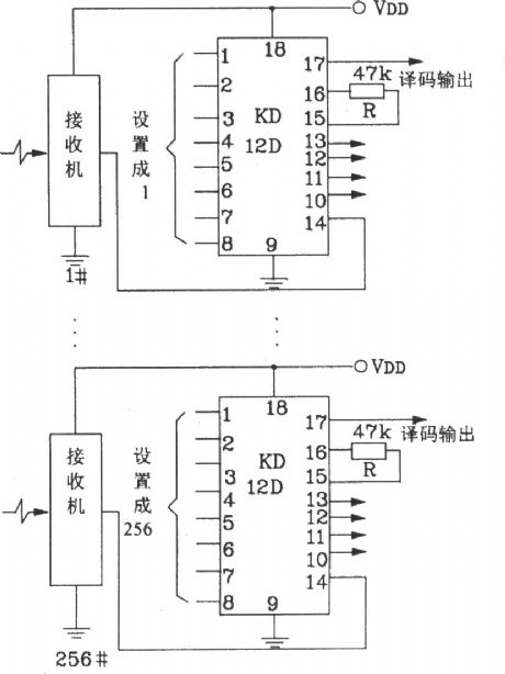
Composed of KD-12E 256 multi-function remote control receiver application circuit.
Each way of 256 multi-function remote control transmitter / receiver circuit can achieve 16 different control functions by setting S1 ~ S4 encoded switches.
   (View)
View full Circuit Diagram | Comments | Reading(609)
Published:2011/4/21 2:11:00 Author:Rebekka | Keyword: multiple alarm system
	
		  
		  
				
				
The multiple wireless alarm system is composed of FDD400/JDD400 and integrated digital decoding circuit VD5026/VD5027   (View)
View full Circuit Diagram | Comments | Reading(1038)
Published:2011/4/21 2:00:00 Author:Rebekka | Keyword: remote control , transmitter and receiver
		  
		  
		  
		  
		  
		  
		  
		  
		  
		  
		  
		  
		  
		  
		  
				
				
LM1871/1872 a large-scale electric guitar without remote control transmitter / receiver ASIC. 
LM1871/1872 shape pin function diagram.
LM1871 internal schematic.
LM1872 internal block diagram.
LMl871/1872 radio-controlled special chip operating voltage range is 3 ~ 9V; Transmitter chip LMl871 frequency up to 80MHz, frequencies up to 80MHz. It is optional; It contains the oscillator, the transmitter and encoder; Channels are programmable, and the RF output power is adjustable. General remote control distance up to tens of meters. If increase the supply voltage appropriately, and add one or two high-amp circuit, the remote control distance can be increased to l~2km.
Here is a typical remote control transmitter / receiver circuit composed of LM1871/1872:
   (View)
View full Circuit Diagram | Comments | Reading(2840)
Published:2011/4/21 2:02:00 Author:Rebekka | Keyword: touch dimmer self-extinguishing
View full Circuit Diagram | Comments | Reading(882)
Published:2011/4/21 3:46:00 Author:Rebekka | Keyword: four-channel , wireless remote control, toy car
	
		  
		  
				
				
HS101/HS201 are a pair of tiny radio transceiver components. The working frequency is 280MHz. It is suitable for digital signal transmission. The control distance is 30 ~ 100m. All the components including the antenna are packaged in one. It is easy to use. The four-channel remote control switch circuit composed of HS101/HS201 is shown as below.   (View)
View full Circuit Diagram | Comments | Reading(3855)
Published:2011/4/21 4:14:00 Author:Rebekka | Keyword: RF remote control, transmitter and receiver
		  
		  
		  
		  
		  
		  
		  
		  
		  
				
				
TM701/702 dedicated remote control transmitter / receiver integrated circuits and TM703/702 infrared remote control transmitter / receiver integrated circuits are dedicated remote control devices of the same class. 
TM701 shape pin map.
TM701 internal block diagram.
RF remote control transmitter circuit composed of TM701.
Radio remote control receiver circuit composed of TM702.
   (View)
View full Circuit Diagram | Comments | Reading(3575)
Published:2011/4/21 1:11:00 Author:Rebekka | Keyword: remote control switch
	
		  
		  
				
				
(a) shows the remote control transmitter circuit. The circuit uses the digital coding circuit VD5026 as address encoder. It uses encoding a three-state. It can be composed of multiple extensions (based on the need to launch an extension or as a receiver as the extension). (b) shows the receiver circuit, which consists of components and decoding circuit to receive and relay K VD5027 composition.
   (View)
View full Circuit Diagram | Comments | Reading(2720)
Published:2011/4/21 1:06:00 Author:Rebekka | Keyword: Radio-controlled explosive device
	
		  
		  
				
				
In the exploitation of mines and blasting of rock material. It is more flexible to use radio remote control detonation than wire control. And it is more reliable and economy. The figure shows the radio remote control of components of S & P27 radio-controlled detonator to detonate detonation device. 
(A) is a radio remote control transmitter circuit; (b) is a radio receiver and demodulation circuit.   (View)
View full Circuit Diagram | Comments | Reading(2069)
Published:2011/4/21 4:20:00 Author:Rebekka | Keyword: band radio receiver
		  
		  
		  
		  
		  
		  
		  
				
				
MC3373-specific integrated circuit radio receiver is low-power narrowband FM receiving device of Motorola. It operates up to 100MHz.
MC3372 pin function diagram form.
MC3372 internal block diagram.
45MHz band radio receiver circuit composed of MC3372 and MC341196D.
   (View)
View full Circuit Diagram | Comments | Reading(2943)
Published:2011/4/21 1:24:00 Author:Rebekka | Keyword: wireless mini remote control
View full Circuit Diagram | Comments | Reading(1329)
Published:2011/4/21 1:22:00 Author:Rebekka | Keyword: long-wave wireless remote control
	
		  
		  
				
				
The circuit uses the long-wave wireless transceiver T630/T631, controlled 6-channel load. The features are low-power, high anti-interference ability and simple structure etc.   (View)
View full Circuit Diagram | Comments | Reading(2304)
Published:2011/4/21 4:34:00 Author:Nicole | Keyword: Microcomputer system, integrated chip, power supply monitoring
View full Circuit Diagram | Comments | Reading(761)
Published:2011/4/21 4:04:00 Author:Nicole | Keyword: regulated power supply, overvoltage protection
View full Circuit Diagram | Comments | Reading(532)
Published:2011/4/21 4:27:00 Author:Nicole | Keyword: regulated power supply, transformer
View full Circuit Diagram | Comments | Reading(2231)
Published:2011/4/21 4:28:00 Author:Nicole | Keyword: Walkman, external power, AC noise
View full Circuit Diagram | Comments | Reading(566)
Published:2011/4/21 3:56:00 Author:Nicole | Keyword: switch power supply, charger
View full Circuit Diagram | Comments | Reading(663)
Published:2011/4/21 3:51:00 Author:Nicole | Keyword: Voltage type drive
	
		  
		  
				
				
The drive circuit is as shown in figure (a), it is suitable for low frequency and low power drive, when the control singal Ui is high level, VT1 turns on, the switch tube(IGBT) controlled by output voltage Uo turns on too; when the control singal Ui is low level, VT2 turns on, the switch tube(IGBT) controlled by output voltage Uo turns off. The drive circuit is as shown in figure (b), it adopts push pull circuit composed of FET, the working principle is the same as figure (a). The high frequency peak value drive current of this circuit can reach more than 10A, it is suitable for high power IGBT devices.    (View)
View full Circuit Diagram | Comments | Reading(467)
Published:2011/4/21 4:31:00 Author:Nicole | Keyword: voltage detection, integrated chip, latched output
View full Circuit Diagram | Comments | Reading(642)
| Pages:2036/2234 At 2020212022202320242025202620272028202920302031203220332034203520362037203820392040Under 20 | 
Response in 12 hours
© 2008-2012 SeekIC.com Corp.All Rights Reserved.