Published:2009/7/15 4:14:00 Author:Jessie
Operates from 2.5-v rechargeable battery and supplies 400 ma at 26 v to gas arc tube for portable ultraviolet lamp. Efficiency is 80%.-H. F. Weber, Low Voltage Inverter Features High Frequency Operation with High Efficiency, Motorola Application Note AN-174, Feb. (View)
View full Circuit Diagram | Comments | Reading(1120)
Published:2009/7/14 3:52:00 Author:May


Provides varying threshold control voltage that causes detection threshold of celestial guidance system to operate at level slightly above background noise. After clipping by amplifier, signal enters threshold-shaping unit that operates as fastrise, slow-fall agc.- R. L. Lillestrand, J. E. Carroll, and J. S. Newcomb, Automatic Celestial Guidance, Part 2: New Challenge to Designers' Ingenuity, Electronics, 39:7, p 94-105. (View)
View full Circuit Diagram | Comments | Reading(683)
Published:2009/7/14 3:52:00 Author:May
Time-base signal at 500 Mc turns Q1 on and Q2 off at timing rate. Negative 1-V start signal applied to base of Q1 makes 500-Mc signal appear at collector of Q2 to serve as output for one of quinary scalers. Two scalers in parallel can measure time accurately to within 1 nsec. -R. Englemann, Quinary Scalers: Measure time Intervals Digitally, Electronics, 37:5, p 34-36. (View)
View full Circuit Diagram | Comments | Reading(713)
Published:2009/7/15 4:14:00 Author:Jessie
Values shown are for 13-kHz bandwidth、1070 Hz for mark and 1270 Hz for space, using Exar XR-2206 function generator and XR-2211 FSK de-modulator Report gives design procedure,Supply can be +12 v.- Phase-Locked Loop Data Book, Exar Integrated Systems, Sunnyvale, CA, 1978, p 57-61. (View)
View full Circuit Diagram | Comments | Reading(4858)
Published:2009/7/14 3:51:00 Author:May
High input impedance of mos fet will not load ceramic cartridge rep resented by 470K and 470 pf. Q2 as emitter-follower driver transforms low input impedance of Q3 to sufficiently high value forrequired voltage gain at power output of 1 w.-V, Harrap et al.,Researchers Turn to Germanium For a MOS Field. Effect Transistor, Electronics, 37:30, p 64-68. (View)
View full Circuit Diagram | Comments | Reading(1241)
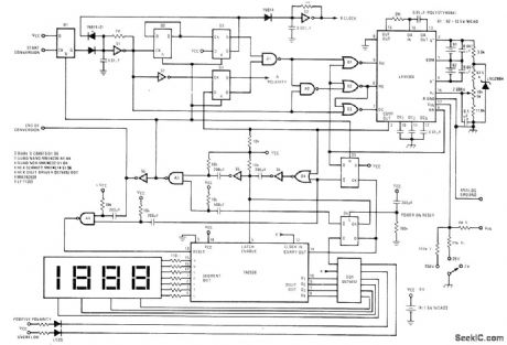
Published:2009/7/15 4:13:00 Author:Jessie
Combination of National LF11300 dual-slope analog building block and MM74C928 CMOS 31/2-decade counter with 7-segment outputs gives automatic-zeroing automatic-polarity 31/2-digit digital voltmeter. Counter drives LED display with multiplexed 7-segment information under control of internal free-running oscillator. Interface circuits provide nonoverlapping control signals to LF11300 for polarity determination and offset correction for every conversion cycle. Analog circuit draws 1.5 mA from each 12.5-V battery. Digital circuit draws about 40 mA from 6-V supply.- CMOS Databook, National Semiconductor, Santa Clara, CA, 1977, p 5-36-5-37. (View)
View full Circuit Diagram | Comments | Reading(2555)
Published:2009/7/14 3:51:00 Author:May
Operates up to 40,000 cps, with trigger pulse widths between 6 and 9 microsec. -T. P. Sylvan, Bistable Circuits Using Unijunction Transistors. Electronics., 31:51, p 89-91. (View)
View full Circuit Diagram | Comments | Reading(813)
Published:2009/7/14 3:50:00 Author:May
As shown, the circuit is powered by a 9-V battery, B1, but it can easily run off any 7- to 10-Vdc power supply. At the heart of the thermometer is IC1, an LM34 temperature sensor. That device produces a voltage between the Vout and GND terminals that is linearly proportional to temperature. Al-though the output is usually 10 mV/°F, IC1 is connected in a resistor network (made up of R1 to R3) with a gain that provides an output of 40 mV/'°F Capacitor C1 is used as a noise bypass across R1 and R2. Because the voltage output by IC1 will be used by the rest of the circuit to determine what the temperature in the room is, potentiometer R1 will have to be calibrated exactly. The output of IC1 is fed to pin 5 of IC2, an LM3914 LED bar- or dot-graph driver, which is where the actual temperature-determining process occurs. IC2 has 10 internal comparators, the output pins of which are connected to LED1 to LED10. The voltage input to pin 5 is compared by IC2 to the voltages at pins 4 and 6; that process determines which LED or LEDs light. The LEDs can be set to light either one at a time (dot mode) or progressively (bar mode). When jumper JU1 is not installed, dot mode is enabled.When the jumper is installed, the chip is in bar mode. In dot mode, the LED that corresponds to the correct input voltage lights by itself. When the input voltage increases, an LED representing a higher temperature will light and the LED previously lit will extinguish. In bar mode, the LED representing the temperature will light and all of the lower LEDs will stay lit. Each mode has its advantages-the dot mode uses less current because only one LED is lit at a time, but the bar mode is easier to read at a glance. Resistor R8 and capacitor C2 provide decoupling for the LED-supply circuit. If bar-mode operation is desired, it is recommended that you reduce the value of R8 to 15Ω For a range of 60 to 78°F to be displayed, pin 6 must have a reference of 3.345 V and pin 4 should have a reference of 2.545 V. Those values are obtained through adjustments of potentiometers R5 and R7. (View)
View full Circuit Diagram | Comments | Reading(2506)
Published:2009/7/14 3:50:00 Author:May
Developed for low-power CW work in 15-meter amateur band. Colpitts oscillator Q1 runs continuously at 10.5-10.625 MHz during transmit and receive, for good frequency stability, so VF0 frequency must be shifted away from operating frequency during receive periods. Supply is 12 V at 1.3 A. C6 is 4-53.5 pF. RFC4 is 16turns No. 28 enamel, RFC5 is 11 turns No. 22, and RFC6 is 6 turns No. 22, each on Amidon FT-50-61 core. Article covers construction and tune-up.-J. Rusgrove, A 15-Meter Goober Whistle, QST, Jan. 1976, p 16-19. (View)
View full Circuit Diagram | Comments | Reading(1004)
Published:2009/7/15 4:12:00 Author:Jessie
Use of retriggerable mono with EXCLUSIVE-OR gates simplifies design of both transmitter and receiver for handling binary phase-modulated digital data over single line.With 50% duty-cycle clock at transmitter, clock and data signals are applied to Inputs of 9014 to generate output signal for line. At receiver, clock and data stream are regenerated by 9601 adjusted to 75% of data-bit time and connected in nonretriggerable mode. One EXCLUSIVE-OR gate and an EXCLUSIVE-NOR gate connected as inverting delay element will trigger 9601. System remains synchronized as long as pulse width of mono is between 50% and 100% of data-bit time. -P. Alfke, Exclusive-OR Gates Simplify Modem Designs, EDN Magazine, Sept. 15, 1972, p 43. (View)
View full Circuit Diagram | Comments | Reading(1329)
Published:2009/7/14 3:49:00 Author:May
R2 tunes three-step ladder net-work of feedback loop from 800 to 1,000 cps. Circuit is stable. Used in a-c bridge.-J. F. Delpech, SimpleCircuit Tunes Audio Amplifier, Electronics, 38:6, p 84-85. (View)
View full Circuit Diagram | Comments | Reading(762)
Published:2009/7/15 4:10:00 Author:Jessie
Supplies 4.2-V input pulse to twisted-pair transmission line for point-to-point system. Requires only single +5 V supply.-T. Hopkins, Line Driver and Receiver Considerations, Motorola, Phoenix, AZ, 1978, AN-708A, p14 (View)
View full Circuit Diagram | Comments | Reading(834)
Published:2009/7/14 3:49:00 Author:May




Reverse-biased germanium diode serves as voltage-independent current source for loading silicon transistors in linear amplifier having voltage gain of 50 and -3 dB bandwidth of t6-4000 Hz. In addition to low cost, circuit design permits reliable operation of reliable micro-power circuits over wide temperature range at optimum current drain. -M. G. Baker, Low-Cur-rent Source, Wireless World, April 1976, p 61. (View)
View full Circuit Diagram | Comments | Reading(1568)
Published:2009/7/14 3:49:00 Author:May
Six Delco DTS-709 transistors are connected in progressive Darlington configuration to provide stable and efficient switching at high voltages. Can be operated from 480-V three-phase full-wave rectified line to minimize filter cost. Control circuit uses one LM3900 IC operating from isolated 15-V supply, along with 5-kHz triangle oscillator and error sensor feeding into comparator. In power stage, one DTS-709 drives two DTS-709s which drive three DTS-709s. Efficiency is better than 90% for all loads above 500 W.- Economical 5 kW Switching Regulator Using DT'S-709 Transistors, Delco, Kokomo, IN, 1974, Application Note 56. (View)
View full Circuit Diagram | Comments | Reading(812)
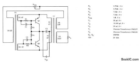
Published:2009/7/15 4:10:00 Author:Jessie
Converts output of solar cells, fuel cells, and other low-voltage sources to higher voltage sources. Currents up to 50 amp can be switched efficiently by 2N2728 power transistors used. Circuit shown provides ac output which can easily be changed to d-c at desired higher voltage by rectifying and filtering Use of two transformers minimizes core losses when switching high collector currents. Efficiency is 70% at 60 w output. -J. Takesuye, “A Low Voltage High Current Converter.” Motorola Application Note AN-169. Dec, 1965. (View)
View full Circuit Diagram | Comments | Reading(940)
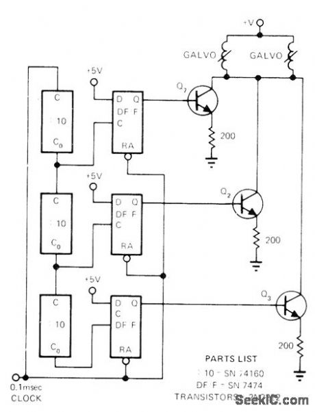
Published:2009/7/15 4:10:00 Author:Jessie
Drives two galvanometers for generating three decades of timing marks in identical patterns on edges of chart. 10-ms marks are twice as long as 1-ms marks, and 100-ms marks are 3 times length of 1-ms marks. By placing ruler across equivalent marks on edges, exact time for any point on recorded pattern is easily and accurately deter-mined.-S. Rummel, TTL Circuit Aids Evaluation of Oscillograph Data, EDN Magazine, Dec. 5, 1973, p 86. (View)
View full Circuit Diagram | Comments | Reading(1127)
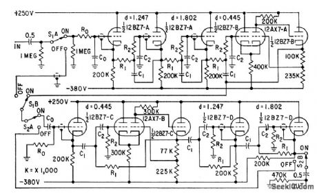
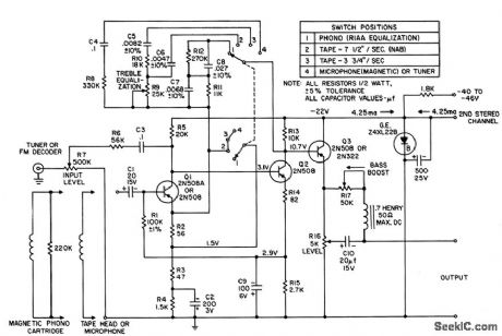
Published:2009/7/14 3:58:00 Author:May
Total harmonic or intermodulation distortion isless than 0.3% at reference level output of 1 v. Will take most magnetic pickupimpedances. Equalized output is constant within 1 db from 40 cps to 12 kc. - Transistor Manual , Seventh Edition ,General Electric Co.,1964,p 252. (View)
View full Circuit Diagram | Comments | Reading(861)
Published:2009/7/14 3:57:00 Author:May
Meets gain stability and high input impedance requirements for use with third-order lowpass active filters. Uses bootstrapped source-follower. Drain of input fet drives pnp transistor in cascode to reduce input capacitance.-L. J. Sevin, Jr., Field-Effect Transistors, McGraw-Hill, N.Y., 1965, p 105. (View)
View full Circuit Diagram | Comments | Reading(990)
Published:2009/7/14 3:57:00 Author:May
Can be mounted in housing of calculator or small transistor radio, for operation from AC line. D1 and D2 produce 15 VDC across filter capacitor C2 as supply for inverter Tr1 operating at 13 kHz. Transformer is wound with No. 37 wire on small core such as Phillips P14/8 337 pot core. Primary windings are bifilar. Use grounded shield to reduce radiated switching noise.-M. Faulkner, Miniature Switch Mode Power Supply, Wireless World, Oct. 1977, p 65. (View)
View full Circuit Diagram | Comments | Reading(785)
Published:2009/7/14 3:57:00 Author:May


Both examples give at least 40 db attenuation below 7,500 cps and above 12,500 cps, for 600-ohm source and load resistances.-K.Lichtenfeld, Method for Simplifying Filler Design, Electronics, 33:2, p 96-99. (View)
View full Circuit Diagram | Comments | Reading(894)
| Pages:638/2234 At 20621622623624625626627628629630631632633634635636637638639640Under 20 |