Published:2009/7/25 1:39:00 Author:Jessie
This circuit shows a Norton used as a driver for a piezoelectric transducer (a warning type of noise maker). The output is returned back to the (+) terminal through the transducer to sustain oscillation (at the resonant frequency determined by the transducer). Resistors R1 and R2 bias the output voltage at V+/2 to keep the amplifier in the active region. (View)
View full Circuit Diagram | Comments | Reading(1742)
Published:2009/7/25 1:36:00 Author:Jessie
This circuit is similar to that of Fig. 11-10, except that the load capability is increased to 300 mA. R1 and R2 hold Q2 off when the Norton OTA output is high. R2 limits the base drive when Q1 goes on. Pin 14 must tie to the same power supply as the emitter of Q1 to guarantee that Q1 can be held off. For inductive loads, such as a relay coil, a backswing diode must be added to prevent large inductive voltage kicks during the on/off switching interval. (View)
View full Circuit Diagram | Comments | Reading(716)
Published:2009/7/25 1:34:00 Author:Jessie
This circuit uses a Norton to drive low-power lamps and relays (such as reed relays). Note that the value of R must be selected such that VIN supplies at least 0.1 mA of input current. (View)
View full Circuit Diagram | Comments | Reading(675)
Published:2009/7/25 2:13:00 Author:Jessie


In this circuit, a Norton is used to drive a fast PLL to form a VCO (which is essentially a form of V/F converter described in chapter 12). The frequency range is from 50 kHz to 5 MHz. Figure 11-23B shows the linearity error over the frequency range. To calibrate, monitor the output with a frequency counter, apply the voltages shown at VIN, and adjust both the zero and full-scale pots for the correct frequency. (View)
View full Circuit Diagram | Comments | Reading(775)
Published:2009/6/28 23:35:00 Author:May
Built around Signetics N5558V dual opamp or equivalent Motorola MC1458CP2, National LM1458, or Texas Instruments SN72558P. First half of opamp is used either as gain stage for increasing voltage level of carbon microphone or as AF Wienbridge tone oscillator, depending on position of S1. Frequency is determined byvaluesof C1, C2, R4 and R5. Silicon signal diodes form nonlinear control element. Adjust R6 until oscillator out-put at TPt is 10 V P-P. FET provides constant current through variable resistance of carbon microphone, to give audio input voltage. Sec-ond opamp is active low-pass filter with 3.3-kHz cutoff, rolloff of 12 dB per octave, and voltage gain of 10.-H. Olson, An IC Mike Preamp That Doubles as a Tone Generator, 73 Magazine, March 1974, p 45 and 47-48. (View)
View full Circuit Diagram | Comments | Reading(1513)
Published:2009/7/25 2:06:00 Author:Jessie
In this circuit, the Norton amplifies the difference in voltage between V1 and V2, but both inputs can be riding on a common-mode (chapter 10) level as high as about 250 Vdc without exceeding the maximum input current. By making the bias current (ISET) directly proportional to the input level, a 20-dB CMRR improvement is possible (when R1 is adjusted for maximum CMRR at the maximum input common-mode voltage). (View)
View full Circuit Diagram | Comments | Reading(721)
Published:2009/6/28 23:34:00 Author:May
Can be used with FM tuner in place of more expensive audio am-plifier. For stereo, use one LM386 circuitfor each channel. Can be mounted directly on headphones if weight of battery is not objectionable.-J.A. Sandler, 11 Projects under $11,Modem Electronics, June 1978, p 54-58. (View)
View full Circuit Diagram | Comments | Reading(0)
Published:2009/6/28 23:34:00 Author:May
High-level reference or carrier signal and low-level reference signal are applied to multiplier inputs of Exar XR-S200 PLL IC. If both inputs are same frequency, DC output is proportional to phase angle between inputs. For low-level inputs, conversion gain is proportional to input signal amplitude. For high-level inputs (VS above 40 mVRMS), conversion gain is constant at about 2 V/rad.— Phase-Locked Loop Data Book, Exar Integrated Systems, Sunnyvale, CA, 1978, p 9-16. (View)
View full Circuit Diagram | Comments | Reading(1)
Published:2009/7/25 2:04:00 Author:Jessie
This circuit combines a Norton with a P-channel JFET to procDuce.a fast op amp. External compensation capacitance CC is required to accommodate u any additional phase shift at the input. Figure 11-21B shows circuit performance for various values of CC. (View)
View full Circuit Diagram | Comments | Reading(1041)
Published:2009/6/28 23:34:00 Author:May
Signetics 540 drives complementary output transistors to give high output current for driving 8-ohm loudspeaker. Feedback is adjusted to give AC gain of 40 dB. Gain rolls of to unity at DC to prevent DC offset voltages from being amplified to level that might damage loudspeaker circuit. Power limiting is provided by placing resistor network around output stage.- Signetics Analog Data Manual, Signetics, Sunnyvale, CA, 1977, p 762-763. (View)
View full Circuit Diagram | Comments | Reading(948)
Published:2009/7/25 1:47:00 Author:Jessie


This circuit shows both sections of a dual Norton used to form a bi-quad filter. Figures 11-15B and 11-15C show the design equations and bias equations, respectively. Note that the basic circuit can be connected to provide three types of filter action. With type I, VO1 is a band-pass, and VO2 is a low-pass. With type II, VO1 is high-pass and VO2 is band-pass. With type II, VO1 is notch or band-reject, and VO2 is not used. Note that one section of the Norton is connected as a noninverting integrator (Fig. 11-14), and the other section is inverting. The circuit provides satisfactory operation up to about 2 MHz. (View)
View full Circuit Diagram | Comments | Reading(1056)
Published:2009/6/28 23:31:00 Author:May
Voltage proportional to distortion is amplified for use in reducing nonlinear distortion at output, in circuit developed for use as single-ended power amplifier. Power Darlingtons are MJ4000 and MJ4010, and both opamps are 741, Preset 5K pot is adjusted initially for minimum distor-tion. Artide gives theory of operation and design equations,-A. M. Sandman, Reducing Amplifier Distortion, Wireless World, Oct. 1974, p 367-371 (View)
View full Circuit Diagram | Comments | Reading(751)
Published:2009/6/28 23:30:00 Author:May
Single comparator can be programmed for wide variety of applications. One reference input voltage positions center of window, and other sets width of window. Sum or difference of reference voltages must not exceed ±10 V; if larger voltages must be handled, add voltage divider to scale them down into comparison range. A1 is subtractor, generating voltage Eb - Ea for use as lower limit voltage. Lower limit is added to 2Eb at A2 to derive upper Iimit voltage Eb + Ea.-W. G. Jung, IC Op-Amp Cookbook, Howard W. Sams, Indianapolis, IN, 1974, p 232-233. (View)
View full Circuit Diagram | Comments | Reading(564)
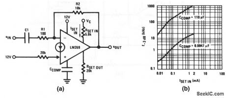
Published:2009/7/25 2:00:00 Author:Jessie
The programmability of a Norton and the ability to shut off thenoninverting input current mirror can be used to Improve nolse characteristics. For an inverting application, where the noninverting input would only be used for bias, an alternate biasing scheme (the nVBE biasing) can be used as shown in Fig. 11-20A. This allows shutting off the input current mirror, which, in itself, reduces input noise by a factor of two. Also, the input-stage programming current can be increased to further reduce the noise voltage at the expense of an increase in input noise current and low-frequency 1/f noise (which is generally not a problem in low-input-impedance wideband amplifiers). The typical effect on noise versus input-stage current is shown in Figs. 11-20B and 11-20C. (View)
View full Circuit Diagram | Comments | Reading(723)
Published:2009/6/28 23:29:00 Author:May
Circuit shown per-mits operation of Slgnetics NE540 power driver front single-polarity 12-V supply of auto. Bipolar supplies for differential inputs of 540 are achieved by returning inputs to half of available supply or 6 V. Load is AC coupled because am piif et has DC gain of 1, and amplifier output is therefore 6 VDC. 39-ohm supply resistors are selected for minimum crossover distortion.- Signetics Analog Data Manual, Signetics, Sunnyvale, CA, 1977, p 764. (View)
View full Circuit Diagram | Comments | Reading(1490)
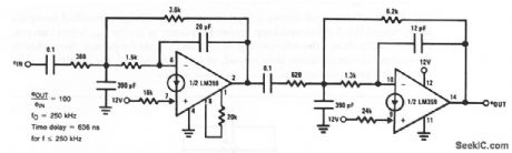
Published:2009/7/25 1:57:00 Author:Jessie
This circuit uses two sections of a Norton to form a Bessel filter. (View)
View full Circuit Diagram | Comments | Reading(1534)
Published:2009/6/28 23:27:00 Author:May
Seven Advanced Micro Devices AM686 comparators are arranged for direct parallel conversion of rapidly changing input signals, without prior sample-and-hold conditioning. Comparators feed Schottky TTL binary encoder logic for encoding to 3-bit offset binary. Quantization process is monitored by D/A converter. Article describes operation in detail and gives performance graphs which show freedom from output glitching at conversion speeds under 12 ns.—S.Dendinger,Try the Sampling Comparator in Your Next A/D Interface Design,EDN Magazine,Sept.20,1976,p 91—95. (View)
View full Circuit Diagram | Comments | Reading(1836)
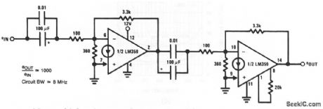
Published:2009/7/25 1:55:00 Author:Jessie
This circuit uses two sections of a Norton to form a general-purpose amplifier with voltage gains of 1000 over an 8-MHz bandwidth. (View)
View full Circuit Diagram | Comments | Reading(692)
Published:2009/7/25 1:54:00 Author:Jessie
This circuit shows a Norton used as a noninverting video amplifier: Typical voltage gain is 20 dB, with a -3-dB bandwidth from 2.5 Hz to 25 MHz, and a 4-V pp output swing. Differential phase error is less than 1°, and differential gain error is less than 2% at 3.58 MHz. A typical signal source can be either detected video from a receiver or possibly from a camera signal. (View)
View full Circuit Diagram | Comments | Reading(761)
Published:2009/7/25 1:52:00 Author:Jessie
This circuit shows a Norton used as a voltage-controlled low-pass filter, where the 3-dB closed-loop corner frequency is set by ISET input current.Figure 11-16B shows the relationship of ISET and corner frequency. Note that as the compensation capacitor is increased, or ISET is decreased, the maximum slew ratd is decreased. (View)
View full Circuit Diagram | Comments | Reading(908)
| Pages:145/250 At 20141142143144145146147148149150151152153154155156157158159160Under 20 |