Published:2011/6/9 7:20:00 Author:Lucas | Keyword: loom , electricity saving controller
The loom electricity saving controller circuit is composed of the knife switch Q, fuse FU, stop button S1, start button S2, micro switch S3, time relay KT, AC contactor KM, thermal relay KR and motor M,and the circuit is shown as the chart. Turning on the knife switch Q, pressing the start button S2 will make AC contactor KM pull in and the motor M start running. S1 and S2 select compression press buttons; S3 uses the limit switch with the contact current being greater than 1A. KT selects the time relay with the coil voltage being AC 380V. KM selects the AC contact with the coil voltage being 380V, contact current capacity being greater than 15A. Q, FU, and KR should choose with the matching components with M.
(View)
View full Circuit Diagram | Comments | Reading(577)
Published:2011/6/7 21:08:00 Author:TaoXi | Keyword: 555, DC, sound erasing, AC
The general recorder uses the DC sound erasing mode, so the recording noise is large. Figure 14-10(a) is the DC sound erasing circuit. Figure(b) is the AC sound erasing circuit. The astable multivibrator is composed of the 555 and R4, C1, f=1.44/R4C1, the figure parameters' oscillation frequency is about 200Hz, the pin-3 outputs the driving amplifier to supply the sound erasing current to the sound erasing circuit.
(View)
View full Circuit Diagram | Comments | Reading(694)
Published:2011/6/9 7:11:00 Author:Lucas | Keyword: loom , electricity saving controller
The loom electricity saving controller circuit is composed of the knife switch Q, fuse FU, thyristors VT1 ~ VT3, resistors R1 ~ R6, capacitors C1 ~ C3, reeds SA1 ~ SA3 and motor M, and the circuit is shown as the chart. R1 ~ R6 choose 2W metal film resistors. Adjusting the resistance of R2, R4 and R6 can change the VT1 ~ VT3 trigger sensitivity. When the loom stops because of occuring brokenyarn failure, the open and parking handle will jump to the parking position automatically under the action of the clutch. The normally open contacts of SA1 ~ SA3 are disconnected, VT1 ~ VT3 stop running because of the AC zero passage, and the motor M stops operation to enable the power-saving control after automatically stop.
(View)
View full Circuit Diagram | Comments | Reading(631)
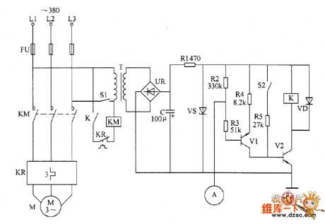
Published:2011/6/9 6:57:00 Author:Lucas | Keyword: loom, electricity saving controller
The loom electricity saving controller circuit is composed of the DC regulated power supply circuit, touch control circuit, automatic control circuit and main control circuit, and the circuit is shown as the chart. DC power supply circuit is composed of the power transformer T, bridge rectifier UR, filter capacitor C, current-limiting resistor RI and the voltage regulator diode VS. Touch-control circuit is composed of the touching electrode A, resistors R2 ~ M and transistor V1. The automatic control circuit is composed of the limit switch S2, resistor R5, relay Κ, diode VD and transistor V2. The main control circuit is composed of the fuse FU, thermal relay KR, AC contactor KM and manual control switch S1. C selects the aluminium electrolytic capacitor with the withstang voltage being 100V.
(View)
View full Circuit Diagram | Comments | Reading(966)
Published:2011/6/7 20:17:00 Author:TaoXi | Keyword: 555, audio-visual, equipment, automatic, power switching
As the figure 14-21 shows, the power supply automatic switch is composed of the comparator, the OR gate circuit and the monostable delay circuit, and it can be used in the television and the recording equipments, when there is no sound over 2 minutes, the circuit will cut off the power supply automatically.
The comparative circuit is composed of the two operational amplifiers IC1 and IC2(uA741), the IC1's in-phase port pin-3 and the IC2's reversed-phase port connect with the reference level +6V, when the output signal of the televisions and the recording equipments is larger than +/-50mV, the comparator outputs the high electrical level, VT1 conducts, the capacitance C1 (the IC3's charging and discharging circuit) discharges, the 555's discharging port pin-7 has the low electrical level, the pin-3 has the high electrical level, VT2 conducts and J closes, the load gets the power to work.
(View)
View full Circuit Diagram | Comments | Reading(1629)
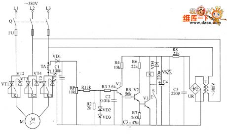
Published:2011/6/9 6:43:00 Author:Lucas | Keyword: loom , electricity saving controller
The loom electricity saving controller circuit is composed of the 12V regulated power supply circuit, current detection amplifier, relay control circuit and motor control switch circuit, and the circuit is shown as the chart. 12V regulated power supply circuit is composed of the power transformer T, bridge rectifier UR, filter capacitors C4 and C5, current limiting resistor R8 and Zener diode VS. Current detection amplifier circuit is composed of the power transformer TA, diodes VD1 ~ VD3, capacitor C1, potentiometer RP, resistors R1 ~ R4 and transistor V1. Relay control circuit consists of resistors R5 ~ R7, capacitor C3, transistor V2 and 1 / 3, diode VD4, start button s and relay K. R1 ~ R7 select 1/4W metal film resistors.
(View)
View full Circuit Diagram | Comments | Reading(1009)
Published:2011/6/7 20:46:00 Author:TaoXi | Keyword: 555, audio equipment, automatic shutdown
As the figure 14-22 shows, the automatic shutdown circuit uses the 555 monostable delay circuit as the core. The monostable delay circuit is composed of the 555 and R6,C5, the delay time td=1.1R6C5, the figure parameter is about 2 minutes, when the audio equipment has no output sound for 2 minutes, the circuit will shutdown automaticly. When the signal gets into the circuit from the R or L port, the VT1 or VT2 amplifies the signal, and this signal is doubled and rectified by the D1 and D2 to conduct the VT3, and the D3 conducts, pin-2 of 555 has the low level (<1/3VDD), the 555 sets, pin-3 has the high level, VT4 conducts, J closes, the audio equipment gets power to work.
(View)
View full Circuit Diagram | Comments | Reading(910)
Published:2011/6/9 6:32:00 Author:Lucas | Keyword: loom , electricity saving , controller
The loom electricity saving controller circuit is composed of the air switch QF, AC contactor KM, time relay KT, control switch S1, limit switch S2, manual light switch S3, thermal relay KR and illuminating lamp EL, and the circuit is shown as the chart. When the motor M operates normally, if the observation of gray cloth is needed illumination, the S3 being connected can make the EL be lit. When the motor M stops operation because of overload or over current fault, the normally closed contact of thermal relay KR is heated and disconnected to make the KM release, M stops running. S1 and S3 select 380V, SA's key self-locking power switch; S2 selects the two groups of contacts limit switch with the current being greater than 5A. EL uses the lights which are belong to loom. KT selects the time relay with the coil voltage being AC 380V.
(View)
View full Circuit Diagram | Comments | Reading(1050)
Published:2011/6/7 21:27:00 Author:TaoXi | Keyword: 555, audio, broadcast, remote control, switch
The boot delay monostable circuit is composed of the 555, R4, C3.etc, the 555 is set when it gets the power, so the 555 outputs the high electrical level, J2 closes to close the J2-1 and J2-2, the power supply is in the state of self-protection. The contact point J2-3 opens, J3 closes, J3-1 and J3-2 closes to connect the transmitter's power supply, the device is in the standby state.
The monostable delay circuit is composed of the IC(555) and R4, C3, because the C3 is charged through R4, so we require it to maintain the 4 minutes no turn state before the broadcast signal coming. After the circuit outputs the 90-120V broadcast signal, the VT1 conducts, the C2 discharges, the 555's pin-2 has the low electrical level to keep the pin-3 to output the high electrical level.
(View)
View full Circuit Diagram | Comments | Reading(791)
Published:2011/6/10 4:14:00 Author:Lucas | Keyword: Welder , no-load , power saver
The welder no-load power saver circuit is composed of the current detection circuit, power supply circuit and switching control circuit and other components, and the circuit is shown as the chart. Current detection circuit is composed of the current transformer TA, rectifier diode VD5, transistor V2, potentiometers RP2 and related peripheral components. Power supply circuit is composed of the capacitor C5, power switch Q, signal transformer T1, rectifier diodes VD1 ~ VD4, VD6, VD7, Zener diode vs and filter capacitors C1 ~ C3 and other components. Switch control circuit consists of transistor V1, AC contactor KM and relay K and so on. R1 and R2 select 1W metal film resistors; R3 ~ R1O select 1W metal film resistors. RP1, RP2 select WH118 series of small synthetic carbon film potentiometer.
(View)
View full Circuit Diagram | Comments | Reading(1156)
Published:2011/6/10 3:55:00 Author:Lucas | Keyword: Welder, no-load , power saver
The welder no-load power saver circuit is composed of the knife switch Q, AC contactor KM, relay K, power transformer T1, welding transformer, transistors V1 and V2, resistors R1 and R2, capacitors C1 and C2, potentiometer RP, diodes VD1 and VD2 and current transformer TA, and the circuit is shown as the chart. In the circuit, T1, VD1 and C1 form the 24V DC power supply circuit; K, KM, R1, R2, RP, C2, VD2, and TA form the current detection and control circuit. R1 and R2 select 1/4W metal film resistors. RP uses solid organic or synthetic carbon film potentiometer; C1 and C2 select aluminium electrolytic capacitors with the voltage being 50V. VD1 and YD2 select lN4007 silicon rectifier diodes.
(View)
View full Circuit Diagram | Comments | Reading(1876)
Published:2011/5/18 1:56:00 Author: | Keyword: temperature measurement circuit, microcomputer , LM324, ADC0808



Figure (b) shows the temperature and voltage conversion circuit.It is consist of Al-A4 operational amplifier LM324, VD2 regulator and VDl temperaturesensor and so on. By using the change of forward voltage of diode VDl's PN junction to the linear change of temperature, we converte the temperature to voltage.The work's power supply of the operational amplifier is generally positive and negative dual power.However, when the +5 V single power supply is working, we use LM324 which uses 士1·5V and circuit which uses A1 as midpoint voltage.ADCO808 uses the way of simulation to Connecte to midpoint voltage. The reference voltage is connected to ADC0808's V(REF)(+) port by the diode of 2v stable voltage VD2 which is through A2. (View)
View full Circuit Diagram | Comments | Reading(729)
Published:2011/6/1 22:41:00 Author:leo | Keyword: The power amplifying circuit formed by LM377 and others, LM377
Picture 1 is a power amplifying circuit formed by LM377 and others. LC377 is a integrated circuit which has two in-die power amplifiers. If making the two power amplifiers connecting as electronic bridge, it can supply double power in valve to floating land negative load RL. Negative load RL can be servo motor or speaker. A1 and DC output port has the same electric potential, so it can not be connected to the stop capacitor with large capability.
When the negative load is 8 to 16 Ω, the response frequency of the circuit is 20Hz-160 KHz. When output power is 4W, the distortion of middle frequency is 0.1%. And when output power is 50mW, the distortion of middle frequency is 0.5%. (View)
View full Circuit Diagram | Comments | Reading(1435)
Published:2011/5/18 3:20:00 Author: | Keyword: Thermocouple linearization circuit
This figure shows the thermocouple linearization circuit. It uses broken line approximation method to execute linearization. It sets the breakpoints by the order from RP6 to RP8 and adjusts every broken line's gain by RP2一RP5,s. RP1 is for zero adjustment. Adjusting the RP1 to make the Offset voltages of Thermocouple Amplifier and that of Operational Amplifier Counteract to make sure when intputting is zero, the outputting is zero too. To J type thermocouple, the breakpionts are set at 70℃、110℃and 520℃ and its linearization debouchement is at the rage from 0℃一600℃ and the precision is in 士0•5℃. (View)
View full Circuit Diagram | Comments | Reading(1333)
Published:2011/6/8 21:00:00 Author:leo | Keyword: The current detection circuit formed by FET
The picture shows a current detection circuit formed by FET and others. In this circuit, VT1 is the switch. When VT1 is saturated, it will act as current detection resistance.When the current flowing through VT1 is too heavy, the voltage between source and drain will increase. Then the inverter G1 will detect the voltage. And this can make the grid voltage of VT1 lower while the drain voltage increases, which make the whole circuit break away from the steady condition. Under this situation, almost no current flows through load RL. Therefore, VT1 can be regarded as fusible link. Because when the current passing through VT1 is too heavy, VT1 will be burned out and the current flowing through load RL is zero.
(View)
View full Circuit Diagram | Comments | Reading(716)
Published:2011/6/8 21:07:00 Author:leo | Keyword: The high-end current monitor circuit formed by AD202, AD202
What the picture shows is a high-end current monitor circuit formed by AD202 and others. AD202 is a kind of amplifier that has inner transformer isolation. In this circuit, the maximum valve of power supply voltage is decided by voltage resistance of AD202. The voltage resistance of AD202 is 750 V which can meet the practical application needs. (View)
View full Circuit Diagram | Comments | Reading(1051)
Published:2011/6/8 21:08:00 Author:leo | Keyword: The amplifer circuit formed by LM121 and used in device, LM121
Picture 1 is an amplifier used in device. It is made up of LM121 and others. LM121 changes the differential input voltage into differential output voltage to drive the backdrop operating amplifier A1. A1 can form current-voltage converting circuit which change differential input to output. R1, R2 and RP1 are used to set the working current of LM 121 and regulate the imbalance current(voltage) of the circuit. While RP2 is used to regulate gain. They do not influence each other. The limited input voltage of LM121 is ±10mV, which can form higher common mode rejection ratio (120dB) and low drifting device amplifier. (View)
View full Circuit Diagram | Comments | Reading(912)
Published:2011/6/8 21:12:00 Author:leo | Keyword: The high-end current monitor circuit formed by OP184, 2SA970, OP184, MOSFET
The picture shows a high-end current monitor circuit formed by OP184. In this circuit, A1 adopts OP184 operating amplifier. VT1 adopts 2SA970 transistor. When Is comes close to OA, the collector cutoff current of VT1 is the main factor that causes differences. When VT1 selects P channel JFET, it can improve detection precision. Now JFET with high pressure resistance is rare. So P channel MOSFET can be used instead of it. Using high degree accuracy resistance will also improve the detecting accuracy. (View)
View full Circuit Diagram | Comments | Reading(1746)
Published:2011/6/8 21:34:00 Author:leo | Keyword: The circuit diagram of amplier formed by 2SJ114, 2SJ114
The picture 1 shows a amplifier circuit formed by 2SJ114.It can amplify square wave signal of ±l0V to ±48V. This circuit adopts P channel and N channel power MOSFET(VT7 and VT8) to form switch circuit. And the switch circuit is symmetry in the face and the below sides, so it can output dual polarity voltage. Due to the operating mode of VT7 and VT8 (the same power source), it needs to use VT3 to VT6 transistors to form the low resistance drive circuit in order to improve the response speed of gates. (View)
View full Circuit Diagram | Comments | Reading(3482)
Published:2011/6/8 21:50:00 Author:leo | Keyword: The high-end current monitor circuit formed by INA168, INA168
What the picture shows is a high-end current monitor circuit formed by INA168. When detecting the changing current of the power supply, loop wire is connected to the ground by the side. Sometimes, the enclosure and rock can not be connected to diverge resistance, it needs to connect Rs to the plus terminal of power supply to test the voltage difference generating by the current passing through Rs in order to detect the current passed through.
In this circuit, INA168 is specailly used to detect the current. The followings are some parameters of it: The voltage of power supply is 30 to 60 V. The maximum current it can detect is 10 A. When the current value is 10 A, the output detecting voltage should be 4 V. When the detecting voltage of power supply is low, it needs to use operating amplifier to form differential amplifier. But this circuit is suitable for the application under high power supply. (View)
View full Circuit Diagram | Comments | Reading(1962)
| Pages:1782/2234 At 2017811782178317841785178617871788178917901791179217931794179517961797179817991800Under 20 |