Published:2011/5/13 1:19:00 Author:Nicole | Keyword: multimeter
View full Circuit Diagram | Comments | Reading(808)
Published:2011/5/13 1:18:00 Author:Nicole | Keyword: multimeter
View full Circuit Diagram | Comments | Reading(571)
Published:2011/5/13 1:17:00 Author:Nicole | Keyword: multimeter
View full Circuit Diagram | Comments | Reading(604)
Published:2011/5/13 1:17:00 Author:Nicole | Keyword: multimeter
View full Circuit Diagram | Comments | Reading(916)
Published:2011/5/13 1:17:00 Author:Nicole | Keyword: multimeter
View full Circuit Diagram | Comments | Reading(992)
Published:2011/5/13 1:16:00 Author:Nicole | Keyword: multimeter
View full Circuit Diagram | Comments | Reading(6030)
Published:2011/5/13 1:12:00 Author:Nicole | Keyword: anti-theft system
View full Circuit Diagram | Comments | Reading(510)
Published:2011/5/13 0:58:00 Author:Nicole | Keyword: Cadillac deville, automatic air-conditioner
View full Circuit Diagram | Comments | Reading(656)
Published:2011/5/14 7:41:00 Author:Borg | Keyword: integrated circuit, digital signal processing






CXD3068 is an integrated circuit of digital signal processing and digital servo processing, which is produced by SONY Corp.,Japan on the basis of CXD3008 chips. The chip is widely used in all kinds of disc players.1.Function featuresThe digital processing of CXD3068 is done by 32KBRAM which combines the digital lock-phase technology and the super error-correcting algorithm, and the circuit can do EFM demodulation to the input AF signal; the digital servo circuit is under the control of microprocessors, besides, it has 6-level recurring filter and 5-level focusing filter.
(View)
View full Circuit Diagram | Comments | Reading(903)
Published:2011/5/13 1:11:00 Author:Nicole | Keyword: IGBT drive, 555 timer
View full Circuit Diagram | Comments | Reading(3822)
Published:2011/5/13 0:57:00 Author:Nicole | Keyword: Cadillac cetera, 4.6L engine performance
View full Circuit Diagram | Comments | Reading(524)
Published:2011/5/14 2:47:00 Author:Borg | Keyword: FM, high-frequency



BA4402 is a FM high frequency integrated circuit produced by Toyo Corp.,Japan, which is used in radio circuit of all kinds of stereos as the high-frequency circuit.1.the internal circuit of BA4402BA4402 contains FM amplifier,frequency mixing, local oscillator and AFC variable-capacitance diode, which characterizes with wide voltage range and large gain.BA4402 is in 9-lead single in-line package, whose internal circuit is as shown in Figure 1, while pin functions and data are listed in Table 1.
(View)
View full Circuit Diagram | Comments | Reading(2295)
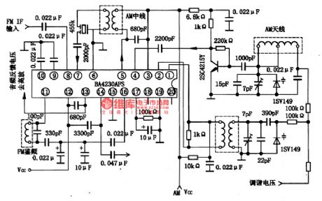
Published:2011/5/14 3:11:00 Author:Borg | Keyword: tuning, AM, FM



BA4230AFSis an AM electrical tuning and FM middle amplifier integrated circuit produced by Toyo Corp.,Japan, which is used in micro AM/FM radios of assembly 1.5V power supply.the internal circuit and pin functions of BA4402The FM part of BA423OAFS contains difference IF amplifier, double balance wave-detector, IF silence-noise circuit. The AM part contains local oscillator, frequency mixing,middle amplifier, wave detection and AGC circuit. Besides, BA423OAFS contains tuning indicating LED drive circuit. The internal circuit of the chips are shown in Figure 1.
(View)
View full Circuit Diagram | Comments | Reading(1136)
Published:2011/5/13 2:59:00 Author:Rebekka | Keyword: Automatic adjustment type, controller
The temperature controller can automatically adjust the electric heater input power while it is using light-emitting diode to display the temperature range. It keeps the controlled heater work at a constant temperature working condition. (View)
View full Circuit Diagram | Comments | Reading(769)
Published:2011/5/13 20:11:00 Author:Borg | Keyword: microcomputer, single door


EM78811 is an integrated microcomputer circuit of communication single door, which is widely used in all kinds of caller display phones.1.Function featuresEM78811 is a 4 bit CMOS micro computer which contains FSK decoder of BELL202 or ITV-TV23 standard, generators of dual-sound multiple frequency, battery low voltage detection circuit of 4-level potential plate, LCD display drive circuit and energy-saving control circuit, etc.
2. Pin functions and dataEM78811 is in 100-lead soft package which is packed on the LCD plate directly, whose pin functions and data are listed in Table 1-1.
(View)
View full Circuit Diagram | Comments | Reading(520)
Published:2011/5/13 20:49:00 Author:Borg | Keyword: integrated circuit, power supply
DplO4C-is an integrated circuit of chief power supply thick films, which is widely used in SAMSUNG computer color screens.1.function featuresDPIO4C contains a switch activating circuit, switch circuit, supply and protection circuit, line frequency activating signal processing circuit, stable control circuit and other additional function circuits.2.pin functions and dataDPlO4C is in 5-lead single in-line package, which is used in color screens of SAMSUNG 743DFS. The pin functions and data of it are listed in Table 1-1.
(View)
View full Circuit Diagram | Comments | Reading(560)
Published:2011/5/12 20:52:00 Author:Rebekka | Keyword: Thermal protection system
Thermal protection system circuit composed of MIC2951 is shown as above. The temperature threshold of the circuit is set by the adjustment of R2. (View)
View full Circuit Diagram | Comments | Reading(722)
Published:2011/5/15 6:07:00 Author:Rebekka | Keyword: Strain gauge, electronic scale amplifier
Strain gauge electronic scale amplifier circuit diagram is shown as above. (View)
View full Circuit Diagram | Comments | Reading(2539)
Published:2011/5/15 6:08:00 Author:Rebekka | Keyword: Bridge amplifier
Bridge amplifier circuit diagram is shown as above. (View)
View full Circuit Diagram | Comments | Reading(816)
Published:2011/5/15 5:46:00 Author:Michel | Keyword: Humidity Sensor, Interface Circuit
View full Circuit Diagram | Comments | Reading(764)
| Pages:1875/2234 At 2018611862186318641865186618671868186918701871187218731874187518761877187818791880Under 20 |