Published:2011/5/16 5:45:00 Author:Christina | Keyword: 4W, switch type, DC manostat
The 4W switch type DC manostat circuit is as shown:
(View)
View full Circuit Diagram | Comments | Reading(1433)
Published:2011/5/17 1:35:00 Author:Ecco | Keyword: Accurate , measuring , amplifier
INA131 is a low-cost general-purpose amplifier, the internal gain resistance corrected by the laser will make the gain error be small, it can provide the standard gain with 100 times by itself. High precision measuring amplifier is shown as Figure, the input signal is from the electrical bridge sensor (such as strain load cell, displacement measurement sensors, etc.). This connection has high interference suppression to the 50Hz power interference and high common-mode interference. If magnification is 100, it needs a higher gain, it should be increased a gain resistor RG between ①, ⑧ foot, the gain size is: G = 100 +250 kΩ / RG. (View)
View full Circuit Diagram | Comments | Reading(581)
Published:2011/5/16 7:57:00 Author:Christina | Keyword: Broadband, amp circuit
The Broadband amp circuit is as shown:
(View)
View full Circuit Diagram | Comments | Reading(595)
Published:2011/5/16 7:56:00 Author:Christina | Keyword: transistor, internal circuit


The transistor AK25GB40 and AK25GB80 internal circuits are as shown:
(View)
View full Circuit Diagram | Comments | Reading(513)
Published:2011/5/16 4:41:00 Author:Christina | Keyword: transistor, internal circuit


The transistor AK25HB120 and AK25HB160 internal circuits:
(View)
View full Circuit Diagram | Comments | Reading(510)
Published:2011/5/17 1:47:00 Author:Ecco | Keyword: 500kHs , bandwidth, photoelectric isolating, reversal module
This circuit uses the A-8402V / F converter components, the linear is ± 0.05%, the maximum switching frequency is higher than 500KHZ to drive light emitting diode of optical isolator. The other A-8402V / F component can change the output of the optical isolator into a proportional DC voltage. The power supply is 12V or 5 ~ 18V. The A-840V / F components shown as the chart can form a 500kHs bandwidth optical isolation circuit.
(View)
View full Circuit Diagram | Comments | Reading(597)
Published:2011/5/16 4:40:00 Author:Christina | Keyword: RC reset circuit, input/output, characteristic
The RC reset circuit input/output characteristic circuit is as shown:
(View)
View full Circuit Diagram | Comments | Reading(600)
Published:2011/5/16 4:38:00 Author:Christina | Keyword: interphone, quick charger
The interphone quick charger circuit is as shown:
(View)
View full Circuit Diagram | Comments | Reading(702)
Published:2011/5/16 23:00:00 Author:Ecco | Keyword: frequency converter, GPS receiver
The chart shows a frequency converter with two modes of KPCS CDMA and GPS. IF range is 80MHz ~ 230MHz, it uses an external tuner. Low-noise amplifier (LNA) has an adjustable 3-order intercept point (IP3), so that the impact of intermodulation and intermodulation is reduced to minimum. Mixer IF is differential output form (for GPS mode, it can be single-ended or differential output form), it has excellent linearity and low noise figure. TQ5638 uses 4mm × 4mm MLF-24 package. TQ5638 meets the TLA / EIA 98-C wireless communication standard and it is suitable for KPCS CDMA and A-GPS.
(View)
View full Circuit Diagram | Comments | Reading(718)
Published:2011/5/16 4:37:00 Author:Christina | Keyword: Reset circuit, voltage monitoring function
The Reset circuit with the voltage monitoring function is as shown:
(View)
View full Circuit Diagram | Comments | Reading(714)
Published:2011/5/16 4:25:00 Author:Christina | Keyword: simplest, Li-ion battery, standard charger
The The simplest Li-ion battery standard charger circuit is as shown:
(View)
View full Circuit Diagram | Comments | Reading(2439)
Published:2011/5/16 4:31:00 Author:Christina | Keyword: Single power, input/output amp
The Single power input/output amp circuit is as shown:
(View)
View full Circuit Diagram | Comments | Reading(433)
Published:2011/5/16 4:28:00 Author:Christina | Keyword: Practical, reset, monitoring circuit
View full Circuit Diagram | Comments | Reading(571)
Published:2011/5/16 4:26:00 Author:Christina | Keyword: Zero drift, amp
The Zero drift amp circuit is as shown:
(View)
View full Circuit Diagram | Comments | Reading(501)
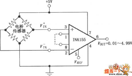
Published:2011/5/16 22:27:00 Author:Robert | Keyword: Resistance, Bridge, Amplificatio
The Resistance Bridge Amplification Circuit Composed Of INA155 is shown in the picture below.
(View)
View full Circuit Diagram | Comments | Reading(843)
Published:2011/5/17 1:44:00 Author:Robert | Keyword: Sine Wave, Generator
The Sine Wave Generator Circuit is shown below.
(View)
View full Circuit Diagram | Comments | Reading(829)
Published:2011/5/16 20:02:00 Author:Robert | Keyword: Triode Transistor, Internal
The Triode Transistor PE110F120 Internal Circuit is shown in the picture below.
(View)
View full Circuit Diagram | Comments | Reading(478)
Published:2011/5/16 20:04:00 Author:Robert | Keyword: PH Meter, Sensing, Measuring
View full Circuit Diagram | Comments | Reading(2854)
Published:2011/5/17 1:43:00 Author:Robert | Keyword: Jinuoer Brand, Refrigerator
The Jinuoer Brand BCD-155 Refrigerator Circuit is shown below.
(View)
View full Circuit Diagram | Comments | Reading(585)
Published:2011/5/16 20:00:00 Author:Robert | Keyword: Fragrant Snow Sea Brand, Electrical Refrigerator
The Fragrant Snow Sea Brand BCD-245 Electrical Refrigerator Circuit is shown below.
(View)
View full Circuit Diagram | Comments | Reading(1038)
| Pages:1871/2234 At 2018611862186318641865186618671868186918701871187218731874187518761877187818791880Under 20 |