Published:2011/5/13 0:55:00 Author:Ecco | Keyword: Liebao, SUV, engine , MPI system
View full Circuit Diagram | Comments | Reading(1689)
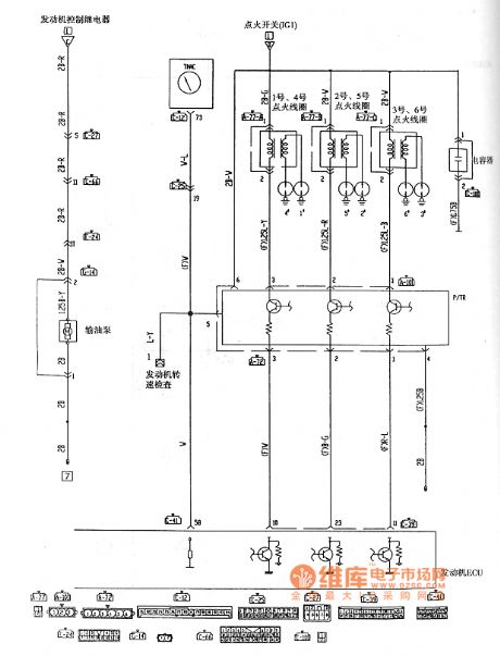
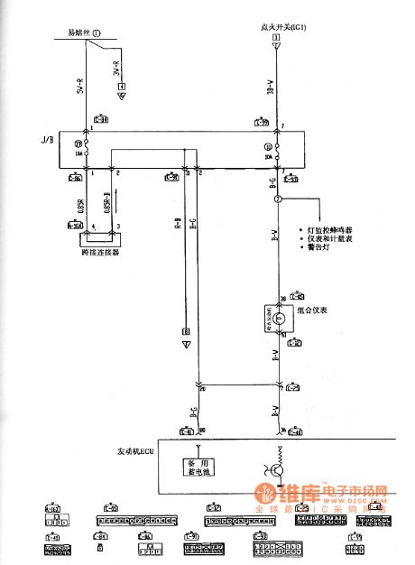
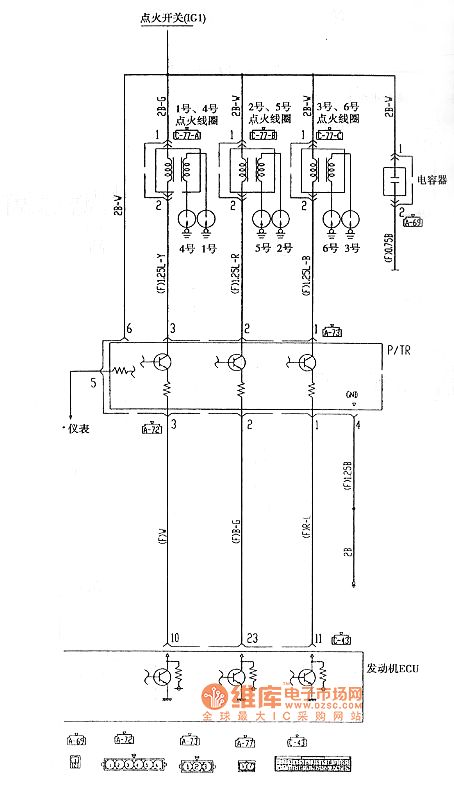
Published:2011/5/13 0:50:00 Author:Ecco | Keyword: Liebao , SUV , engine, ignition system
View full Circuit Diagram | Comments | Reading(1131)
Published:2011/5/13 0:46:00 Author:Ecco | Keyword: Adjustable voltage socket
View full Circuit Diagram | Comments | Reading(544)
Published:2011/5/13 2:05:00 Author:Ecco | Keyword: Chunhua , vertical cleaner
S-Power Switch, VS-Triac, VD-bidirectional trigger diode, RP-speed potentiometer, L-inductor, M-motor
(View)
View full Circuit Diagram | Comments | Reading(686)
Published:2011/5/13 1:44:00 Author:Ecco | Keyword: cleaner
S1-power switch, S2-remote switch, S3-control switch (normally open contact), T-power transformers, L1, L2-stator windings, M-motor
(View)
View full Circuit Diagram | Comments | Reading(574)
Published:2011/5/13 2:42:00 Author:Ecco | Keyword: connection , DC , watt-hour meter , additional resistor
The connection circuit diagram of DC watt-hour meter and additional resistors is shown as the chart. This method is mainly used to make the measured degree of DC voltage and the voltage on the meter coil be fit.
(View)
View full Circuit Diagram | Comments | Reading(1620)
Published:2011/5/13 2:38:00 Author:Ecco | Keyword: connection , DC , watt-hour meter , shunt wiring
In the DC line, sometimes the operating current is higher, it does not connect to the meter directly.
(View)
View full Circuit Diagram | Comments | Reading(1127)
Published:2011/5/13 2:47:00 Author:Ecco | Keyword: Electric car , remote control
The electric car remote control circuit diagram not only can make the model car move forward and backward, but also turn left and right turn, it is simple, easy to operate. Radio remote control receiver demodulation circuit uses TWH9238 components, the matching remote control transmitter component is TWH9236. This can be used for learning and reference.
(View)
View full Circuit Diagram | Comments | Reading(3642)
Published:2011/5/13 2:17:00 Author:Ecco | Keyword: connection method , 3 , ammeters , three-phase power
The connection method circuit diagram between 3 ammeters and three-phase power is shown as the chart. This methodology is commonly used in a wiring method, three current transformers must be grounded at one end to ensure the safety of persons and electrical equipment.
(View)
View full Circuit Diagram | Comments | Reading(1741)
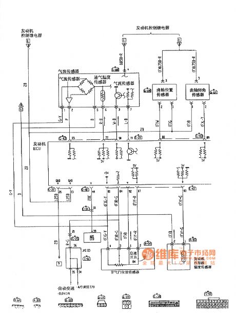
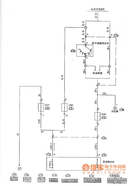
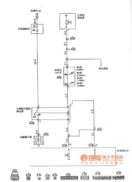
Published:2011/5/13 2:10:00 Author:Ecco | Keyword: Delphi , electronic control system
View full Circuit Diagram | Comments | Reading(1004)
Published:2011/5/11 19:33:00 Author:TaoXi | Keyword: Four-channel, remote receiver
The key (View)
View full Circuit Diagram | Comments | Reading(709)
Published:2011/5/11 2:43:00 Author:TaoXi | Keyword: Transceiver module, wireless remote control, fan governor
This governor has three gears of wind speed: strong, middle and weak, you can control it by the wireless remote control method or touch the switch, and this governor can be used to transform the touch mode ceiling fans and electric fans. You can connect it to the electric fan motor after the installation is complete, for the motor with the speed shaft head, you can connect it according to the above figure. For the motor with the speed reactor, you can connect it according to the below figure. (View)
View full Circuit Diagram | Comments | Reading(610)
Published:2011/5/11 20:15:00 Author:TaoXi | Keyword: Fifteen-channel, wireless, anti-theft alarm
(a) is the coding launch circuit. There is the digital coding circuit VD5026 in the FDD5 component, and you can preset the code. When you are using this circuit, you just need to connect the component's power, the launch component will automatically output signals. (b) is the remote control receiving decoder circuit. The JDD5 also has the decoding circuit VD5027. (View)
View full Circuit Diagram | Comments | Reading(644)
Published:2011/5/12 22:29:00 Author:Ecco | Keyword: High-speed , 3:1 , video , multiplexer
View full Circuit Diagram | Comments | Reading(787)
Published:2011/5/12 22:27:00 Author:Ecco | Keyword: Hanging , hydro-generator, structure
1 - Water magnetic generator, 2 - exciter, 3 - auxiliary generators, 4 - thrust bearing, 5 - on the rack, 6 - Upper Guide Bearing, 7 - air cooler, 8 - Stator, 9 - Rotor (View)
View full Circuit Diagram | Comments | Reading(1193)
Published:2011/5/12 22:46:00 Author:Borg | Keyword: laser head, single door, servo-driven


BA6198FP a single door integrated circuit which is servo-driven by laser heads, which is widely used in CD ,VCD,SVCD, VCD and DVD players.
1.The internal circuitBA6198FP contains 4-channel BTL drive circuit, which can switch servo-control voltage on laser heads into dual drive circuit to drive the executing parts in laser head servomechanisms.
2.pin functionsBA6198 is in 28-lead dual-line flat package.
(View)
View full Circuit Diagram | Comments | Reading(1174)
Published:2011/5/12 22:11:00 Author:Ecco | Keyword: Honda, Accord , engine
View full Circuit Diagram | Comments | Reading(3230)
Published:2011/5/11 20:31:00 Author:TaoXi | Keyword: Jump pattern, radio control
The radio transmission circuit:
The remote control receiver demodulation and decoding output circuit: (View)
View full Circuit Diagram | Comments | Reading(621)
Published:2011/5/11 20:28:00 Author:TaoXi | Keyword: Crane, wireless remote control
Figure (a) is the radio transmission circuit:
Figure (b) is the remote control receiving and control circuit: (View)
View full Circuit Diagram | Comments | Reading(649)
Published:2011/5/11 20:22:00 Author:TaoXi | Keyword: Heterodyne, remote control, receiving circuit
The key components that will be used in this article: HCS515 TDA5200
The TDA5200 is designed as one kind of low power consumption monolithic ASK superheterodyne receiving circuit, The working frequency range is divided into two blocks: 868~870MHz and 433~435MHz. This circuit has the features of high integration, less peripheral components and perfect function, so it is the monolithic receiving circuit that has excellent performance. (View)
View full Circuit Diagram | Comments | Reading(660)
| Pages:1879/2234 At 2018611862186318641865186618671868186918701871187218731874187518761877187818791880Under 20 |