Position: Home > Circuit Diagram > Automotive Circuit > Index 20
Low Cost Custom Prototype PCB Manufacturer

Automotive Circuit

Index 20



The regulator: DC-DC circuit, power supply monitor pin and its main features CW1524/2524/3524

Published:2011/8/25 4:22:00 Author:Seven | Keyword: DC-DC circuit, power supply, monitor pin

The regulator: DC-DC circuit, power supply monitor pin and its main features CW1524/2524/3524
CW1524/2524/3524--the switch stabilizer control circuitThis is a switch stabilizer control circuit which contains the fault amplifier, oscillator, 5V reference circuit, PWM, pulse trigger, 2 crossing output switch tube; the max input voltage is 40V; the output current is 100mA; the working frequency is adjustable, which can be higher than 100kHz; the effect on the frequency stability from temperature is lower than 2%; the output switch tube can be used in a couple or singularity; the power consumption is 1W; it contains the power limitation circuit and over-current protection circuit.   (View)

View full Circuit Diagram | Comments | Reading(1179)

The regulator: DC-DC circuit, power supply monitor pin and its main features DS1232LP/LPS

Published:2011/8/25 5:04:00 Author:Seven | Keyword: DC-DC circuit, power supply, monitor pin

The regulator: DC-DC circuit, power supply monitor pin and its main features DS1232LP/LPS
The DS1232LP/LPS voltage monitorThe working voltage is 5.0V; the static current is 50μA; it can halt or restart the malfunctioning microprocessor; it can restart the microprocessor after the power failure; the monitor precision is 5%Vcc or 10%Vcc; it has a monitor key of external overload; it can replace DS1232. The definition of the pins are as follows: : key reset input; TD: time delay setting; TOL: choosing detection of 5%Vcc or 10%Vcc; : the trigger input.   (View)

View full Circuit Diagram | Comments | Reading(733)

The regulator: DC-DC circuit, power supply monitor pin and its main features CW79M00

Published:2011/8/25 4:41:00 Author:Seven | Keyword: DC-DC circuit, power supply, monitor pin

The regulator: DC-DC circuit, power supply monitor pin and its main features CW79M00
The CW79M00 3-terminal stabilizer (negative output)This is a 3-terminal negative output stabilizer with fixed output voltage; the output voltage can be -5V, -6V, -9V, -12V, -15V, -18V and -24V; the output current is 0.5A; the MAX input voltage of -5~-18V output voltage is -35V, the MAX input voltage of -24V output voltage is -40V; the contains the over-current, over-heat, short-circuit protection and secure working area protection circuit.   (View)

View full Circuit Diagram | Comments | Reading(1061)

Mazda data interface circuit diagram

Published:2011/8/24 1:59:00 Author:Ecco | Keyword: Mazda data interface

Mazda data interface circuit diagram
  (View)

View full Circuit Diagram | Comments | Reading(641)

Mazda external light circuit diagram

Published:2011/8/24 1:58:00 Author:Ecco | Keyword: Mazda external light

Mazda external light circuit diagram
  (View)

View full Circuit Diagram | Comments | Reading(647)

Mazda bonding distribution circuit diagram

Published:2011/8/24 2:03:00 Author:Ecco | Keyword: Mazda bonding distribution

Mazda bonding distribution circuit diagram
  (View)

View full Circuit Diagram | Comments | Reading(658)

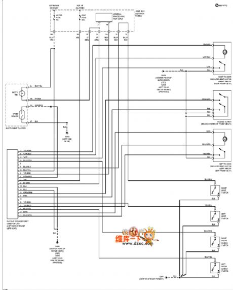
Mazda passive seat safety system circuit diagram

Published:2011/8/24 2:02:00 Author:Ecco | Keyword: Mazda, passive seat, safety system

Mazda passive seat safety system circuit diagram
  (View)

View full Circuit Diagram | Comments | Reading(605)

Mazda power door lock circuit diagram

Published:2011/8/24 2:04:00 Author:Ecco | Keyword: Mazda, power door lock

Mazda power door lock circuit diagram
  (View)

View full Circuit Diagram | Comments | Reading(3110)

Mazda electric roof circuit diagram

Published:2011/8/24 2:01:00 Author:Ecco | Keyword: Mazda electric roof

Mazda electric roof circuit diagram
  (View)

View full Circuit Diagram | Comments | Reading(591)

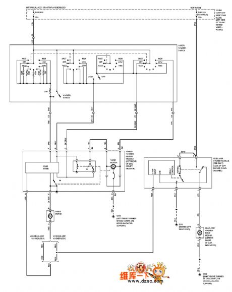
Mazda wiper washer circuit diagram

Published:2011/8/24 2:01:00 Author:Ecco | Keyword: Mazda wiper washer

Mazda wiper washer circuit diagram
  (View)

View full Circuit Diagram | Comments | Reading(714)

Volvo S40 speaker circuit diagram

Published:2011/8/24 2:09:00 Author:Ecco | Keyword: Volvo, speaker

Volvo S40 speaker circuit diagram
  (View)

View full Circuit Diagram | Comments | Reading(1021)

Volvo S40 dashboard lighting circuit diagram

Published:2011/8/24 2:08:00 Author:Ecco | Keyword: dashboard lighting , Volvo

Volvo S40 dashboard lighting circuit diagram
  (View)

View full Circuit Diagram | Comments | Reading(1209)

Chang an Suzuki Swift engine electric control system circuit diagram

Published:2011/8/24 2:07:00 Author:Ecco | Keyword: Chang an Suzuki , Swift , engine , electric control system

Chang an Suzuki Swift engine electric control system circuit diagram
  (View)

View full Circuit Diagram | Comments | Reading(1770)

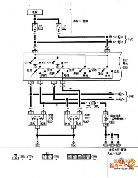
Nissan A32-EL headlight wiper circuit diagram

Published:2011/8/24 2:10:00 Author:Ecco | Keyword: Nissan , headlight , wiper circuit

Nissan A32-EL headlight wiper circuit diagram
  (View)

View full Circuit Diagram | Comments | Reading(850)

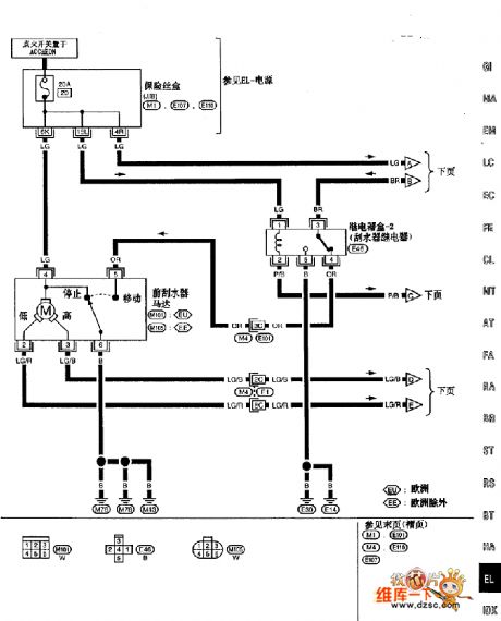
Nissan A32-EL wiper and washer circuit diagram

Published:2011/8/25 1:02:00 Author:Ecco | Keyword: Nissan, wiper , washer

Nissan A32-EL wiper and washer circuit diagram
  (View)

View full Circuit Diagram | Comments | Reading(1087)

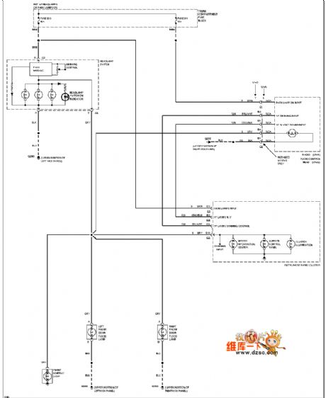
Nissan A32-EL headlight - day lighting system circuit diagram

Published:2011/8/25 1:12:00 Author:Ecco | Keyword: Nissan , headlight, day lighting system

Nissan A32-EL headlight - day lighting system circuit diagram
  (View)

View full Circuit Diagram | Comments | Reading(819)

Volvo S40 ignition circuit diagram

Published:2011/8/25 1:22:00 Author:Ecco | Keyword: Volvo , ignition

Volvo S40 ignition circuit diagram
  (View)

View full Circuit Diagram | Comments | Reading(1104)

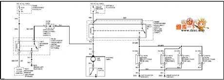
Volvo S40 power supply circuit diagram

Published:2011/8/25 1:45:00 Author:Ecco | Keyword: Volvo , power supply

Volvo S40 power supply circuit diagram
  (View)

View full Circuit Diagram | Comments | Reading(1097)

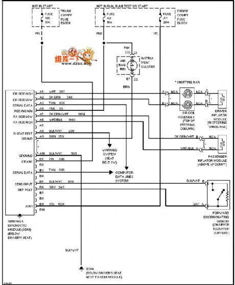
Cadillac seat safety system circuit diagram

Published:2011/8/25 1:10:00 Author:Ecco | Keyword: Cadillac , seat safety system

Cadillac seat safety system circuit diagram
  (View)

View full Circuit Diagram | Comments | Reading(726)

Cadillac wiper and washer circuit diagram

Published:2011/8/25 1:07:00 Author:Ecco | Keyword: Cadillac, wiper , washer

Cadillac wiper and washer circuit diagram
  (View)

View full Circuit Diagram | Comments | Reading(961)

Pages:20/164 1234567891011121314151617181920Under 20