Position: Home > Circuit Diagram > Automotive Circuit > Index 8
Low Cost Custom Prototype PCB Manufacturer

Automotive Circuit

Index 8



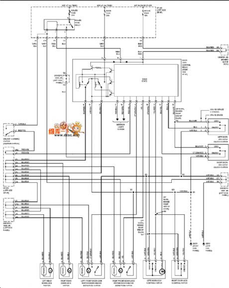
Cadillac power circuit

Published:2011/8/22 3:28:00 Author:Jessie | Keyword: Cadillac power

Cadillac power circuit
  (View)

View full Circuit Diagram | Comments | Reading(572)

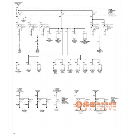
BMW Electric box fan circuit diagram

Published:2011/10/17 2:35:00 Author:Ecco | Keyword: BMW , Electric box fan

BMW Electric box fan circuit diagram
  (View)

View full Circuit Diagram | Comments | Reading(1226)

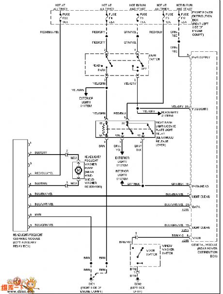
BMW headlight and fog cleaner circuit diagram

Published:2011/10/17 2:36:00 Author:Ecco | Keyword: BMW , headlight , fog cleaner

BMW headlight and fog cleaner circuit diagram
  (View)

View full Circuit Diagram | Comments | Reading(863)

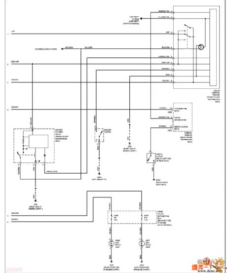
BMW (with DRL2) headlight circuit diagram

Published:2011/10/17 2:37:00 Author:Ecco | Keyword: BMW , DRL2 headlight

BMW (with DRL2) headlight circuit diagram
  (View)

View full Circuit Diagram | Comments | Reading(591)

BMW (without DRL2) headlight circuit diagram

Published:2011/10/17 2:38:00 Author:Ecco | Keyword: BMW, without DRL2, headlight

BMW (without DRL2) headlight circuit diagram
  (View)

View full Circuit Diagram | Comments | Reading(631)

BMW power window circuit diagram

Published:2011/10/17 2:39:00 Author:Ecco | Keyword: BMW , power window

BMW power window circuit diagram
  (View)

View full Circuit Diagram | Comments | Reading(967)

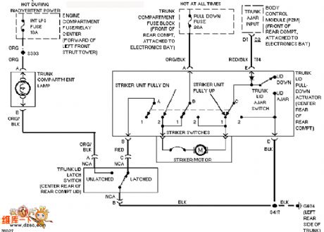
Cadillac luggage lock circuit diagram

Published:2011/9/15 2:20:00 Author:Rebekka | Keyword: Cadillac, Luggage lock

Cadillac luggage lock circuit diagram
  (View)

View full Circuit Diagram | Comments | Reading(728)

Chang an Star entire vehicle system circuit diagram

Published:2011/9/15 2:16:00 Author:Rebekka | Keyword: Chang an Star, entire vehicle system

Chang an Star entire vehicle system circuit diagram
  (View)

View full Circuit Diagram | Comments | Reading(855)

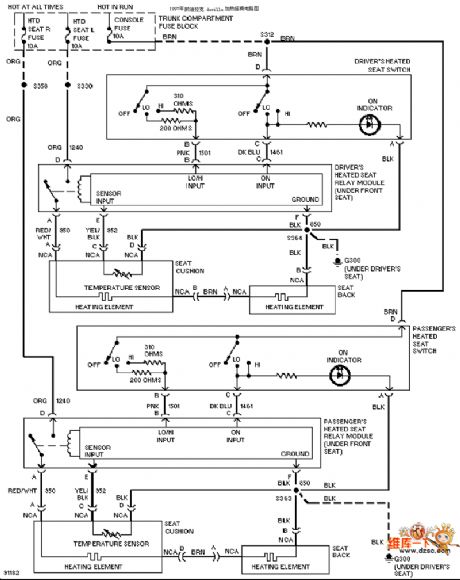
Cadillac heating seats circuit diagram

Published:2011/9/15 2:16:00 Author:Rebekka | Keyword: Cadillac, heating seats

Cadillac heating seats circuit diagram
  (View)

View full Circuit Diagram | Comments | Reading(711)

Cadillac anti-theft circuit diagram

Published:2011/9/15 2:18:00 Author:Rebekka | Keyword: Cadillac , anti-theft

Cadillac anti-theft circuit diagram
  (View)

View full Circuit Diagram | Comments | Reading(773)

Chang an Star air conditioning system data circuit diagram

Published:2011/9/15 2:18:00 Author:Rebekka | Keyword: Chang an Star, air conditioning system data

Chang an Star air conditioning system data circuit diagram
  (View)

View full Circuit Diagram | Comments | Reading(965)

Cadillac electronic suspension circuit diagram

Published:2011/9/15 2:19:00 Author:Rebekka | Keyword: Cadillac , electronic suspension

Cadillac electronic suspension circuit diagram
  (View)

View full Circuit Diagram | Comments | Reading(1204)

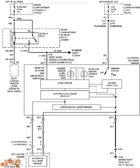
Cadillac electrothermal rearview mirror circuit diagram

Published:2011/9/15 2:19:00 Author:Rebekka | Keyword: Cadillac , electrothermal rearview mirror

Cadillac electrothermal rearview mirror circuit diagram
  (View)

View full Circuit Diagram | Comments | Reading(719)

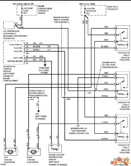
Cadillac cooling fan circuit diagram

Published:2011/9/15 21:14:00 Author:Rebekka | Keyword: Cadillac , Cooling fan

Cadillac cooling fan circuit diagram
  (View)

View full Circuit Diagram | Comments | Reading(909)

AC load control connector circuit diagram

Published:2011/9/15 2:08:00 Author:Rebekka | Keyword: AC load control connector

AC load control connector circuit diagram
MC6820 external interface adapter can drive 4 dispersion gate 7400. The output signal is output by 7400 feeds back to MOC 3011 optical isolator. It controls three-terminal TRIAC, thenSCR cancontrol AC resistive load or AC inductive load. The second input end of NAND gate is connected to atransistorin 7400. The SCR will be turned on when AC input voltage crosses zero point. This way can last the life of incandescent longer and shorten the attackfrom surge current to three-terminal TRIAC.   (View)

View full Circuit Diagram | Comments | Reading(1223)

MC3359 radiofrequency receiver circuit diagram

Published:2011/9/15 1:44:00 Author:Rebekka | Keyword: radiofrequency receiver

MC3359 radiofrequency receiver circuit diagram
Here is the schematic diagram of the MC3359 radiofrequency receiver circuit diagram: MC3359 is the RF receiver circuit, and it can receive 315MHZ, 434MHZ bandwidth, and the IF bandwidth is 500KHZ.   (View)

View full Circuit Diagram | Comments | Reading(3923)

Toyota airbag circuit diagram

Published:2011/9/26 1:01:00 Author:Ecco | Keyword: Toyota airbag

Toyota airbag circuit diagram
  (View)

View full Circuit Diagram | Comments | Reading(4517)

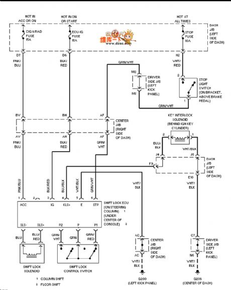
Toyota shift interlock circuit diagram

Published:2011/9/26 1:03:00 Author:Ecco | Keyword: Toyota , shift interlock

Toyota shift interlock circuit diagram
  (View)

View full Circuit Diagram | Comments | Reading(1708)

Toyota electric lock circuit ( without security)

Published:2011/9/26 1:02:00 Author:Ecco | Keyword: Toyota , electric lock , without security

Toyota electric lock circuit ( without security)
  (View)

View full Circuit Diagram | Comments | Reading(819)

Beijing Cherokee light off-road vehicle voltage regulator adjustment parameter circuit diagram

Published:2011/9/13 1:23:00 Author:Rebekka | Keyword: Beijing Cherokee, light off-road vehicle, adjustment parameter

Beijing Cherokee light off-road vehicle voltage regulator adjustment parameter circuit diagram
When the obtained voltage of IC is higher than the reference voltage provided by HMO5, IC circuit flips and outputs a low voltage to cut off switch tube DMO5. The magnetic field current is cut off. The alternator voltage drops; When the voltage falls below the given value, DMO5 will be turned on again, field current increases, the generator voltage increases as well. Repeatedly adjusting the generator voltagewill keep it in the specified scope. Table 1 shows the voltage regulator adjusting parameters.   (View)

View full Circuit Diagram | Comments | Reading(479)

Pages:8/164 1234567891011121314151617181920Under 20