Published:2011/8/19 2:34:00 Author:Jessie | Keyword: charging system
View full Circuit Diagram | Comments | Reading(1501)
Published:2011/8/19 2:34:00 Author:Jessie | Keyword: Cadillac backrest
View full Circuit Diagram | Comments | Reading(595)
Published:2011/8/29 20:58:00 Author:Jessie | Keyword: car automatic transmission
View full Circuit Diagram | Comments | Reading(704)
Published:2011/12/8 1:19:00 Author:Ecco | Keyword: Car headlight, HID lighting igniter
View full Circuit Diagram | Comments | Reading(2473)
Published:2011/9/16 1:10:00 Author:Rebekka | Keyword: car reversing anti-collision alarm





LM1812 is an excellent universal ultrasonic integrated device which can send and also receive the ultrasound. The chip includes: Pulse modulation type C oscillator, high-gain receiver, pulse modulation detector and noise suppressors detector system. It can be used for remote control, alarm, automatic door control and communications and can also be used for industrialmaterial or liquidlevel's measurement and control, range and thickness measurement, etc. It is widely applied in rain gear.
LM1812 Pin shape
LM1812 internal block diagram
LMl812 has the following characteristics: a. You can use a send / receive transducer to work. You can also use two transducers to send and receive ultrasound respectively. b. Devices is interchangeable. c. It is used without an external heat sink.
e. There is protection circuit inside the device. f. Detector output can drive 1A peak current. g. The range in the water is more than 30m. It is more than 6m in the air. h. Transmit power is up to 12w (peak). The following table shows the limit of LMl812 ultrasonic dedicated circuit operating parameters.
Extreme operating parameters
LM1812 Ultrasonic devices work dedicated schematic
。
Car reversing anti-collision alarm circuit composed of LM1812.
The control distance is adjusted by the 5kΩ potentiometer and it can be controlled within 2 - 3m.
(View)
View full Circuit Diagram | Comments | Reading(3575)
Published:2011/12/9 0:14:00 Author:Ecco | Keyword: Chevrolet, Blazers , ignition , starting, charging
View full Circuit Diagram | Comments | Reading(1185)
Published:2011/12/9 1:29:00 Author:Ecco | Keyword: Audi , sedan, anti-lock braking , airbag system
View full Circuit Diagram | Comments | Reading(2025)
Published:2011/12/8 1:50:00 Author:Ecco | Keyword: 12V inverter , car
View full Circuit Diagram | Comments | Reading(3327)
Published:2011/12/8 1:38:00 Author:Ecco | Keyword: BMW speaker
View full Circuit Diagram | Comments | Reading(710)
Published:2011/12/8 1:35:00 Author:Ecco | Keyword: BMW, nozzle heater
View full Circuit Diagram | Comments | Reading(783)
Published:2011/12/8 1:34:00 Author:Ecco | Keyword: BMW , automatic memory seat
View full Circuit Diagram | Comments | Reading(959)
Published:2011/11/10 3:16:00 Author:Ecco | Keyword: 200W, amplifier , radio , bus
The circuit shown in the chart uses TDA2005S dual low-frequency power amplifier integrated circuit for bus radio and PA circuits. The input end in the Figure can be connected to low-frequency voltage amplifier output stage in radio or microphone. Each TDA2005S outputs 10W power with four speakers. Two outputs can drive eight speakers, which can be located in different locations in the car. The total output power is up to 20W.
(View)
View full Circuit Diagram | Comments | Reading(1214)
Published:2011/11/10 3:17:00 Author:Ecco | Keyword: 200W , radio , amplifier , bus
The circuit shown in the chart uses TDA2005S dual low-frequency power amplifier integrated circuit for bus radio and PA circuits. The input end in the Figure can be connected to low-frequency voltage amplifier output stage in radio or microphone. Each TDA2005S outputs 10W power with four speakers. Two outputs can drive eight speakers, which can be located in different locations in the car. The total output power is up to 20W.
(View)
View full Circuit Diagram | Comments | Reading(1321)
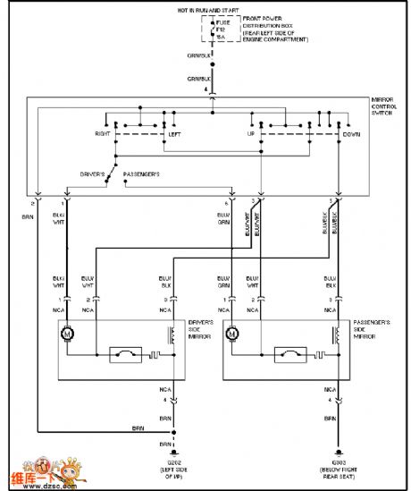
Published:2011/10/18 21:16:00 Author:Ecco | Keyword: BMW , electric rearview mirror
View full Circuit Diagram | Comments | Reading(1716)
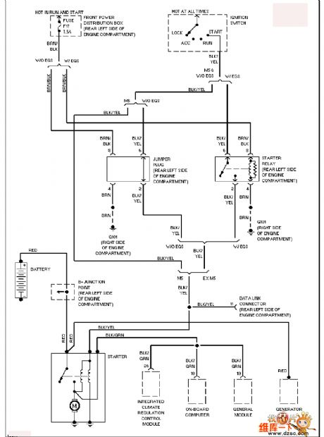
Published:2011/10/18 21:28:00 Author:Ecco | Keyword: BMW starter
View full Circuit Diagram | Comments | Reading(1095)
Published:2011/10/18 21:40:00 Author:Ecco | Keyword: BMW , wiper , washer
View full Circuit Diagram | Comments | Reading(790)
Published:2011/10/18 3:49:00 Author:Ecco | Keyword: Southeast Delica, lightbus , warning instrumentation
View full Circuit Diagram | Comments | Reading(855)
Published:2011/10/18 3:42:00 Author:Ecco | Keyword: Toyota , automatic transmission , D2 oil file
View full Circuit Diagram | Comments | Reading(3552)
Published:2011/9/26 2:22:00 Author:Rebekka | Keyword: Demodulation decoding , display circuit
View full Circuit Diagram | Comments | Reading(749)
Published:2011/9/26 2:17:00 Author:Rebekka | Keyword: Pyroelectric detect alarm system
The picture (A) shows the detection and transmission circuit;The picture (B) shows the receiver alarm circuit. (View)
View full Circuit Diagram | Comments | Reading(649)
| Pages:5/164 1234567891011121314151617181920Under 20 |