Position: Home > Circuit Diagram > Index 1517
Low Cost Custom Prototype PCB Manufacturer

Circuit Diagram

Index 1517

Protection Circuit of Transistor Regulating Power Supply

Published:2011/7/17 7:16:00 Author:Michel | Keyword: Regulating Power Supply, Protection Circuit

Protection Circuit of Transistor Regulating Power Supply
a、b、c、d、e are protection circuits of transistor regulating power supply.The voltage stabilizer load protection circuit has current limiting type and current cut-off type. In the picture,(a)~(d) are current limiting protection circuit.In the picture 1,VT1 base of electricity flows through VT1 VD1 and VD2 circulation when the voltage drop is more than VD1 Rs and VD2 positive voltage.Therefore, its emitter current is restricted and it uses the sharp increasing characteristics of diode forward voltage current.In figure (b) and (c),transistor UEB which has the same characteristics as diode,the VT3 UBE is controlled by testing voltage drop on RS to limit the VT1 emitter current and the limited current I. = 0.6 V/Rs.   (View)

View full Circuit Diagram | Comments | Reading(839)

The air-conditioning system circuit of Shanghai GM Cadillac CTS(2)

Published:2011/7/18 19:18:00 Author:Borg | Keyword: air-conditioning system, Buick-Century

The air-conditioning system circuit of Shanghai GM Cadillac CTS(2)
The air-conditioning system circuit of Shanghai GM Cadillac CTS(2)   (View)

View full Circuit Diagram | Comments | Reading(886)

The fuel volume sensor and oil pump circuit of Buick-Century (3)

Published:2011/7/18 19:07:00 Author:Borg | Keyword: fuel volume sensor, oil pump

The fuel volume sensor and oil pump circuit of Buick-Century (3)
figure: The fuel volume sensor and oil pump circuit of Shanghai GM Buick-Century (3)   (View)

View full Circuit Diagram | Comments | Reading(458)

The radio/stereo system circuit of Shanghai GM Cadillac CTS(4)

Published:2011/7/18 19:32:00 Author:Borg | Keyword: ABS system, Cadillac CTS

The radio/stereo system circuit of Shanghai GM Cadillac CTS(4)
The radio/stereo system circuit of Shanghai GM Cadillac CTS (4)   (View)

View full Circuit Diagram | Comments | Reading(913)

The air-bag (SIR) system circuit of Buick-Century (1)

Published:2011/7/18 19:12:00 Author:Borg | Keyword: air-bag, Buick-Century

The air-bag (SIR) system circuit of Buick-Century (1)
figure: The air-bag(SIR) of Shanghai GM Buick-Century (1) fuse box, SIR system, steering part and IP part, G200   (View)

View full Circuit Diagram | Comments | Reading(449)

The Output Circuit-32V Linear Regulating Circuit

Published:2011/7/17 10:16:00 Author:Michel | Keyword: Linear Regulating Circuit

The Output Circuit-32V Linear Regulating Circuit
The picture is output circuit-32V linear regulating circuit.And its output current is 500mA.In the circuit,RP1 is used to adjust the output voltage.VT1 can choose 2SK30A field effiency tube and here 2SK117 is used.2SK117 saturated voltage is large thus the minimum current difference between the output and input is a little large and this problem should be noticed when we use it.   (View)

View full Circuit Diagram | Comments | Reading(746)

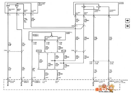
The ABS system circuit of Shanghai GM Cadillac CTS(3)

Published:2011/7/18 19:29:00 Author:Borg | Keyword: ABS system, Cadillac CTS

The ABS system circuit of Shanghai GM Cadillac CTS(3)
The ABS system circuit of Shanghai GM Cadillac CTS(3)   (View)

View full Circuit Diagram | Comments | Reading(922)

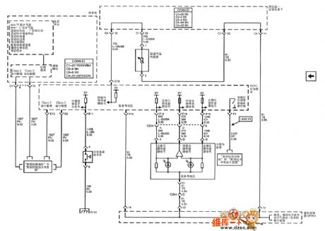
The ABS system circuit of Shanghai GM Cadillac CTS(4)

Published:2011/7/18 19:31:00 Author:Borg | Keyword: ABS system, Cadillac CTS

The ABS system circuit of Shanghai GM Cadillac CTS(4)
The ABS system circuit of Shanghai GM Cadillac CTS(4)   (View)

View full Circuit Diagram | Comments | Reading(1027)

The ABS system circuit of Shanghai GM Cadillac CTS(5)

Published:2011/7/18 19:30:00 Author:Borg | Keyword: ABS system, Cadillac CTS

The ABS system circuit of Shanghai GM Cadillac CTS(5)
The ABS system circuit of Shanghai GM Cadillac CTS(5)   (View)

View full Circuit Diagram | Comments | Reading(1332)

The car body control system circuit of Buick-Regal (6)

Published:2011/7/17 22:51:00 Author:Borg | Keyword: car body, control system

The car body control system circuit of Buick-Regal (6)
Figure: The car body control system circuit of Buick-Regal (6)   (View)

View full Circuit Diagram | Comments | Reading(495)

The engine power supply, ground, MIL, POM and DLC circuit of Shanghai GM Buick-Century (1)

Published:2011/7/18 19:38:00 Author:Borg | Keyword: power supply, DLC circuit, Buick-Century

The engine power supply, ground, MIL, POM and DLC circuit of Shanghai GM Buick-Century (1)
Figure: The engine power supply, ground, MIL, POM and DLC circuit of Shanghai GM Buick-Century (1)   (View)

View full Circuit Diagram | Comments | Reading(481)

The air-conditioning system circuit of Shanghai GM Cadillac CTS(1)

Published:2011/7/18 19:19:00 Author:Borg | Keyword: air-conditioning system, Cadillac CTS

The air-conditioning system circuit of Shanghai GM Cadillac CTS(1)
The air-conditioning system circuit of Shanghai GM Cadillac CTS(1)   (View)

View full Circuit Diagram | Comments | Reading(1011)

The dashboard circuit of Buick-Regal (1)

Published:2011/7/17 23:09:00 Author:Borg | Keyword: dashboard, Buick-Regal

The dashboard circuit of Buick-Regal (1)
figure1:The dashboard circuit of Shanghai GM Buick-Regal (1)   (View)

View full Circuit Diagram | Comments | Reading(441)

The dashboard circuit of Buick-Regal (2)

Published:2011/7/17 23:11:00 Author:Borg | Keyword: dashboard circuit, Buick-Regal

The dashboard circuit of Buick-Regal (2)
figure 1: The dashboard circuit of Shanghai GM Buick-Regal (2)   (View)

View full Circuit Diagram | Comments | Reading(444)

The dashboard circuit of Buick-Regal (3)

Published:2011/7/17 23:13:00 Author:Borg | Keyword: dashboard circuit, Buick-Regal

The dashboard circuit of Buick-Regal (3)
figure 1: The dashboard circuit of Shanghai GM Buick-Regal (3)   (View)

View full Circuit Diagram | Comments | Reading(490)

The HVAC control assembly and outside air temperature executor (CJ4) circuit of Shanghai GM Buick-MPV(GL8)

Published:2011/7/18 19:55:00 Author:Borg | Keyword: HVAC control assembly, outside air temperature executor

The HVAC control assembly and outside air temperature executor (CJ4) circuit of Shanghai GM Buick-MPV(GL8)
Figure: The HVAC control assembly, power system control unitand outside air temperature executor (CJ4) circuit of Shanghai GM Buick-MPV(GL8)   (View)

View full Circuit Diagram | Comments | Reading(526)

The HVAC control assembly and temperature executor (CJ4) circuit of Shanghai GM Buick-MPV(GL8)

Published:2011/7/18 19:53:00 Author:Borg | Keyword: HVAC control assembly, temperature executor

The HVAC control assembly and temperature executor (CJ4) circuit of Shanghai GM Buick-MPV(GL8)
The HVAC control assembly and temperature executor (CJ4) circuit of Shanghai GM Buick-MPV(GL8)   (View)

View full Circuit Diagram | Comments | Reading(443)

The HVAC control assembly,electromagnet valve and temperature executor (CJ4) circuit of Shanghai GM Buick-MPV(GL8)

Published:2011/7/18 19:50:00 Author:Borg | Keyword: control assembly, electromagnet valve, temperature executor

The HVAC control assembly,electromagnet valve and temperature executor (CJ4) circuit of Shanghai GM Buick-MPV(GL8)
The HVAC control assembly,electromagnet valve and temperature executor (CJ4) circuit of Shanghai GM Buick-MPV (GL8)   (View)

View full Circuit Diagram | Comments | Reading(367)

The air-conditioning headlight switch and fog lamp assembly circuit of Shanghai GM Buick-MPV(GL8)

Published:2011/7/18 19:46:00 Author:Borg | Keyword: air-conditioning headlight, fog lamp, assembly circuit

The air-conditioning headlight switch and fog lamp assembly circuit of Shanghai GM Buick-MPV(GL8)
Figure:The air-conditioning headlight switch and fog lamp assembly circuit of Shanghai GM Buick-MPV(GL8)   (View)

View full Circuit Diagram | Comments | Reading(537)

The HVAC control assembly, instrument central part and radio circuit of Shanghai GM Buick-MPV(GL8)

Published:2011/7/18 19:42:00 Author:Borg | Keyword: control assembly, radio circuit, Buick-MPV

The HVAC control assembly, instrument central part and radio circuit of Shanghai GM Buick-MPV(GL8)
Figure: The HVAC control assembly, instrument central part and radio circuit of Shanghai GM Buick-MPV(GL8)   (View)

View full Circuit Diagram | Comments | Reading(605)

Pages:1517/2234 At 2015011502150315041505150615071508150915101511151215131514151515161517151815191520Under 20