Published:2011/7/19 9:30:00 Author:Robert | Keyword: Single-Phase, Full-Wave, Rectifier, Duplex, Filter, Principle
The picture shows the single-phase full-wave rectifier duplex filter principle circuit. (View)
View full Circuit Diagram | Comments | Reading(1186)
Published:2011/7/19 9:34:00 Author:Robert | Keyword: Low-Cost, Single-Phase, Full-Wave, Rectifier, Capacitance, Filter
The picture shows the low-cost single-phase full-wave rectifier capacitance filter circuit.
(View)
View full Circuit Diagram | Comments | Reading(1389)
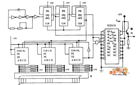
Published:2011/7/18 10:30:00 Author:Robert | Keyword: Driving
The TCD132D driving circuit is shown in the picture. (View)
View full Circuit Diagram | Comments | Reading(846)
Published:2011/7/19 9:40:00 Author:Robert | Keyword: Vortex, Sensor, Structure
The picture shows the vortex sensor structure diagram circuit.
In the picture, the part 1 is the primary coil and the part 2 and part 3 are secondary coils. (View)
View full Circuit Diagram | Comments | Reading(923)
Published:2011/7/19 10:01:00 Author:Robert | Keyword: Practical, Gain, Programmable, Isolation, Amplifier
The picture shows the practical gain programmable isolation amplifier circuit. (View)
View full Circuit Diagram | Comments | Reading(778)
Published:2011/7/19 9:50:00 Author:Robert | Keyword: Smart, Temperature Sensor, SPI, Bus, Interface, 3-Wire, Serial Interface
The smart temperature sensor DS1620 and SPI bus interface circuit by using 3-wire serial interface is shown in the picture. (View)
View full Circuit Diagram | Comments | Reading(2274)
Published:2011/7/19 9:57:00 Author:Robert | Keyword: Sensors, Welding Nozzle, Fixed


The picture shows the Sensors and welding nozzle fixed mode circuit. (View)
View full Circuit Diagram | Comments | Reading(515)
Published:2011/7/19 10:09:00 Author:Robert | Keyword: High-Speed, Digital-Control, Gain, Programmable, Amplification
The picture shows the high-speed digital-control gain programmable amplification circuit. (View)
View full Circuit Diagram | Comments | Reading(486)
Published:2011/7/19 10:07:00 Author:Robert | Keyword: Welding, Position, Automatic, Tracking, Sensor
The picture shows the welding position automatic tracking sensor circuit. (View)
View full Circuit Diagram | Comments | Reading(885)
Published:2011/7/19 9:55:00 Author:Robert | Keyword: Two-Dimentional, PSD, Structure, Principle
The picture shows the two-dimentional PSD structure principle circuit. (View)
View full Circuit Diagram | Comments | Reading(527)
Published:2011/7/19 9:53:00 Author:Robert | Keyword: Two-Dimentional, PSD, Equivalent
The picture shows the two-dimentional PSD equivalent circuit. (View)
View full Circuit Diagram | Comments | Reading(715)
Published:2011/7/19 10:04:00 Author:Robert | Keyword: Gain, Programmable, Isolation, Amplifier
The picture is about the gain programmable isolation amplifier circuit. (View)
View full Circuit Diagram | Comments | Reading(508)
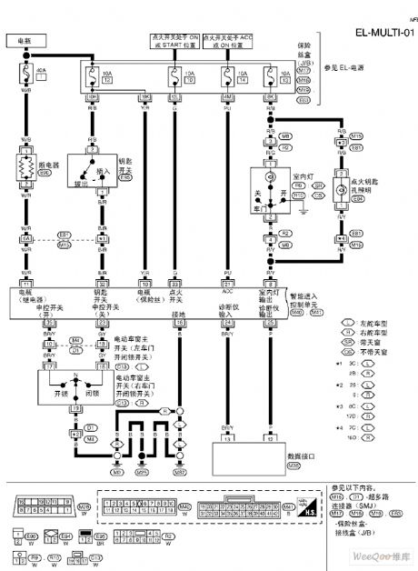
Published:2011/7/15 2:12:00 Author:Joyce | Keyword: TEANA , Multifunctional , Remote Control System
TEANA A33-EL Multifunctional Remote Control System Circuit (View)
View full Circuit Diagram | Comments | Reading(750)
Published:2011/7/15 2:10:00 Author:Joyce | Keyword: TEANA , Power Sunroof
TEANA A33-EL Power Sunroof Circuit (View)
View full Circuit Diagram | Comments | Reading(946)
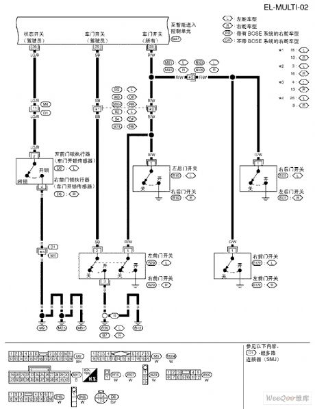
Published:2011/7/15 2:09:00 Author:Joyce | Keyword: TEANA , Multifunctional , Remote Control System
TEANA A33-EL Multifunctional Remote Control System Circuit (View)
View full Circuit Diagram | Comments | Reading(772)
Published:2011/7/15 2:08:00 Author:Joyce | Keyword: TEANA , Motor-driven , Seats , Schematic Diagram
TEANA A33-EL Motor-driven Seats Schematic Diagram and Circuit (View)
View full Circuit Diagram | Comments | Reading(995)
Published:2011/7/15 2:06:00 Author:Joyce | Keyword: TEANA , Motor-driven , Seats , Schematic Diagram
TEANA A33-EL Motor-driven Seats Schematic Diagram and Circuit (View)
View full Circuit Diagram | Comments | Reading(879)
Published:2011/7/15 2:04:00 Author:Joyce | Keyword: TEANA , Power Sunroof
TEANA A33-EL Power Sunroof Circuit (View)
View full Circuit Diagram | Comments | Reading(1038)
Published:2011/7/15 2:03:00 Author:Joyce | Keyword: TEANA , Power Sunroof
TEANA A33-EL Power Sunroof Circuit (View)
View full Circuit Diagram | Comments | Reading(912)
Published:2011/7/15 2:02:00 Author:Joyce | Keyword: TEANA , Door Mirror
TEANA A33-EL Door Mirror Circuit (View)
View full Circuit Diagram | Comments | Reading(877)
| Pages:1509/2234 At 2015011502150315041505150615071508150915101511151215131514151515161517151815191520Under 20 |