Published:2011/5/16 2:57:00 Author:Nicole | Keyword: three terminal, fixed steady voltage
LM7812 is a three terminal regulator which is produced by National Semiconductor Corporation, as +12V steady voltage integrated circuit, it is widely used in all kinds of electrical appliances.
The pin function and data of LM7812 integrated circuit is shown in the table1, it is actually measured from Changhong CN-l5 movement color television.
(View)
View full Circuit Diagram | Comments | Reading(697)
Published:2011/5/16 2:53:00 Author:Nicole | Keyword: storage
M24C08-MN6T is a E(2)PROMAO~A7 storage integrated circuit which is produced by Mitsubishi Corp, it is widely used in all kinds of models and size large screen color television.
1. functions and features
M24C08-MN6T integrated circuit contains I square meter C bus circuit, memory address and storage singal control circuit and other assistant functions circuits.
2. pin function and data
M24C08-MN6T integrated circuit adopts 8-foot dual in-line package, the pin function and data of this integrated circuit is shown in the table1.
Note: When M24C08-MN6T is used to different models, the writing process is different, so it can not bechanged directly.
(View)
View full Circuit Diagram | Comments | Reading(571)
Published:2011/5/16 2:43:00 Author:Nicole | Keyword: microcomputer, dialing


UM9114 is a microcomputer dialing integrated circuit, it is used in all kinds of telephone circuit of communication.
UM9114 integrated circuit adopts 22-foot dual in-line package, the pin function and data of this integrated circuitare shown in the table 1-1.
(View)
View full Circuit Diagram | Comments | Reading(584)
Published:2011/5/16 2:41:00 Author:Nicole | Keyword: single chip, computer


V800033KC is a single chip microcomputer integrated circuit, it is used in (View)
View full Circuit Diagram | Comments | Reading(538)
Published:2011/5/13 4:27:00 Author:Nicole | Keyword: 24v automatic charger, 24v automatic charger
Relaxation oscillator is composed of unijunction transistors BT33、C3、W1、W2 and some other components, the produced pulse singal is transported to control pole of SCR1 by isolating diode D4, the trigger conduction angle of SCR1 can be changed by adjusting W1's resistance, it also changes the changing current. Storage battery fully charge automatic protection circuit is composed of SCR2, relay J, W3, W4, D5 and some other components, when the voltage on both sides of battery is charged to the upper limit which is set by W3, W4, then D5 turns on, SCR2 is triggered to turn on, LED2 displays, relay pulls in, J is switched to normally open, it cuts off SCR1's control pulse integrating, it stops charging to storage battey. K2 is the transfer switch of 12V, 24V changing batteries, as shown in the figure, it is in 12V gear.
(View)
View full Circuit Diagram | Comments | Reading(744)
Published:2011/7/20 3:03:00 Author:zj | Keyword: Light control, street lamp circuit
As the diagram shows the circuit is specially designed. The light control switch and the power grid adopt the two-wire connection method.It can directly replace common switch to make lighting lamp into light control street lamp. (View)
View full Circuit Diagram | Comments | Reading(1422)
Published:2011/5/6 1:09:00 Author:Nicole | Keyword: Santana 2000, wire colour, wire harness number
The color of Santana 2000 car circuit wriring and shematic diagram:
The whole car has 30 different wire harness symbol, it is shown in the chart1.
The original circuit diagram, the symbol of Volkswagen's wire colour
br-white am-yellow li-pale purple Ver-red az-blue Vc-grey max-brown pr-black (View)
View full Circuit Diagram | Comments | Reading(443)
Published:2011/5/9 9:02:00 Author:Nicole | Keyword: communication single chip, microcomputer


COP881C is a communication special single chip microcomputer integrated circuit, it is widely used in cordless telephone.
1, Function and feature
COP881C integrated circuit contains wireless emission and receiving control circuit, key switch compiling code circuit, charging detection circuit.
2, pin function
COP881C integrated circuit adopts 28-foot DIP, the integrated circuit pin function and data is shown in chart1.
Chart1, microcomputer COP881C pin function and data is shown. (View)
View full Circuit Diagram | Comments | Reading(539)
Published:2011/5/9 9:03:00 Author:Nicole | Keyword: audio, D/A transformation


CS4338K is a two-channel D/A transformation integrated circuit with 2Obit resolution which is produced by crystal company, it is widely used in DVD player.
CS4338K integrated circuit contains 8 times sampled digital filter, noise shaping circuit and chip load simulation low pass filter circuit. It is used to change the digit audio singal into analogue audio signal. The internal circuit block diagram of this integrated block is shown as figure1.
Figure1, the internal circuit block diagram of CS4338K integrated block is shown.
CS4338K integrated circuit adopts 8-foot dual in-line package, the pin function and data of this integrated circuit is shown in chart1.
Chart1 the pin function and data of CS4338K integrated circuit is shown. (View)
View full Circuit Diagram | Comments | Reading(716)
Published:2011/7/13 20:35:00 Author:zj | Keyword: Light control, street lamp circuit
View full Circuit Diagram | Comments | Reading(602)
Published:2011/5/16 3:22:00 Author:Nicole | Keyword: audio, D/A transformation


CS4340 is a two-channel D/A transformation integrated circuit with 24 bit resolution which are produced by crystal company, it is widely used in DVD player.
CS4340 integrated circuit internally installs serial output interface circuit, interpolation filter, △∑D/A and analogue filter, deemphasis circuit and squelch circuit. It is used to change the audio data singal into analogue singal, it supports 32/44.1/44/96KHz and many kinds of sampling frequency. The internal circuit block diagram of integrated package is shown as figure1, it adopts 16-foot packaging, the pin function of integrated circuit is shown in chart1.
Figure1,the internal circuit block diagram of C54340 integrated package is shown
Chart1,the pin function of C54340 integrated circuit is shown (View)
View full Circuit Diagram | Comments | Reading(756)
Published:2011/5/6 1:17:00 Author:Nicole | Keyword: two-way power drive


KA9256 is a two-way power drive integrated circuit diagram which is produced by South Korea's Samung, it is widely used in CD player(especially in car CD player) and videodisc player, it is as drive spindle motor, it feeds to motor or load motor.
1, KA9256 internal circuit block diagram and pin function
The internal of manifold block KA9256 is composed of two-way same function power drive circuit, when the power voltage VCC=±15V, the maximum output current is about 1A. It adopts 12-foot in-line package, the internal circuit and pin function of the integrated block is shown as figure1-1.
2, KA9256 typcial application circuit
The typcial application circuit of KA9256 integrated block is shown as figure1-2.
Figure1-2, the internal circuit and pin function of KA9256 integrated block is shown.
Figure 1-2, the typcial application circuit of KA9256 integrated block is shown
(View)
View full Circuit Diagram | Comments | Reading(1926)
Published:2011/5/6 1:15:00 Author:Nicole | Keyword: Santana 2000, fuel injection motor, car horn, cigar lighter circuit
70-horn relay; 71a-horn; 72-contactor between steering wheel and switch group; 73-horn button; 114-cigar lighter (View)
View full Circuit Diagram | Comments | Reading(564)
Published:2011/5/16 3:13:00 Author:Nicole | Keyword: Najing IVECO, middle-roof light car, air conditioner




Najing IVECO A40.10 middle-roof light car(produced in Henan)air conditioner circuit(figure 24).
The power supply of air conditioner switch 10 comes from car center junction box G9 terminal(15/A line), only the ingition switch turns on, the air conditioner hand-operated switch may refrigerate with different speeds (or ventilate).
Manual control Ⅰ gear: turns on, LED V14 lights on, it means air conditioner is conduction, relay 17 pulls in, evaporator fan 1, 3 and low speed ventilation.
Manual control Ⅱ gear: turns on, relay 18 pulls in, middle speed ventilation.
Manual control Ⅲ gear: turns on, realy 19, 20 pull in, high speed refrigeration(or ventilation). The above 3 gears, temperature control switch 11 also works, under the action of thermal resistor 21, it controls relays 14, 15, 16 with the change of indoor temperature, then to turn on/off compressor 13, condenser fans 6, 7, 8, 9. Temperature control switch 11 is also under the action of pressure control switch 5, when the high voltage is too higher(pipeline is stoppage, too much refrigerating fluid), low voltage is too lower(too little refrigerating fluid or it is spilling), switches M, L, H make temperature control switch cut off, the compressor stops to work, and the high voltage malfunction indicator light HP or low voltage malfunction indicator light LP turns on, it reminds driver of repairing.
(View)
View full Circuit Diagram | Comments | Reading(1438)
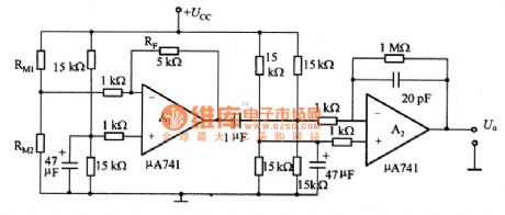
Published:2011/5/16 3:12:00 Author:Nicole | Keyword: weak signal, amplifier, magnetosensitive resistance
The figure 1 is a weak signal amplifier circuit which is composed of magnetosensitive resistance. About the paper currency recognizing device which is composed of RM1 and RM2, its output singal is small just about 0.4mV, so, itshould adopt the amplifier with more than 200 times. The adopted amplifier is shown in the figure1, the key of amplifier design is the temperature drift of reference voltage. Al is DC amplifier, RF is feedback resistance. It also is the AC amplifier of capacity coupling, the time constant selects low frequency signal approved resistance and capacity value. This circuit can not amplify the quiescent singal, but it can amplify the singal which is detected by the slow moving magnetosensitive resistance.
(View)
View full Circuit Diagram | Comments | Reading(892)
Published:2011/5/16 3:11:00 Author:Nicole | Keyword: single chip, microcomputer


LCMOl0320/ABH is a single chip microcomputer integrated circuit which is used (View)
View full Circuit Diagram | Comments | Reading(581)
Published:2011/7/17 20:05:00 Author:zj | Keyword: Computer Mainboard
View full Circuit Diagram | Comments | Reading(497)
Published:2011/5/16 3:34:00 Author:Nicole | Keyword: 2.0L motor, injector
The figure 1 is the 2.0L(L34) motor fuel injector circuit diagram of Shanghai GM Buick Gegal car (View)
View full Circuit Diagram | Comments | Reading(1139)
Published:2011/5/6 1:14:00 Author:Nicole | Keyword: ALTO, car circuit


(6)conditioner performance main parameters1, ALTO car conditioner air-conditioning refrigeration parameter excel(as shown in the figure6)
(View)
View full Circuit Diagram | Comments | Reading(2908)
Published:2011/5/6 1:13:00 Author:Nicole | Keyword: ALTO car, horn, cigarette lighter, radio cassette player
View full Circuit Diagram | Comments | Reading(641)
| Pages:1504/2234 At 2015011502150315041505150615071508150915101511151215131514151515161517151815191520Under 20 |