Position: Home > Circuit Diagram > Index 1917
Low Cost Custom Prototype PCB Manufacturer

Circuit Diagram

Index 1917

PS5OOC (500W) emergency power supply circuit diagram

Published:2011/5/10 3:11:00 Author:Ecco | Keyword: 500W, emergency , power supply

PS5OOC (500W) emergency power supply circuit diagram
PS5OOC (500W) emergency power supply circuit diagram is shown as the chart.   (View)

View full Circuit Diagram | Comments | Reading(1235)

5V, 10A regulated power supply circuit diagram composed of SN52105 IC regulator

Published:2011/5/10 3:04:00 Author:Ecco | Keyword: 5V, 10A , regulated power supply , IC , regulator

5V, 10A regulated power supply circuit diagram composed of SN52105 IC regulator
  (View)

View full Circuit Diagram | Comments | Reading(950)

Direct optical coupling isolating amplifier circuit diagram

Published:2011/5/10 3:05:00 Author:Ecco | Keyword: Direct , optical coupling , isolating , amplifier

Direct optical coupling isolating amplifier circuit diagram
  (View)

View full Circuit Diagram | Comments | Reading(670)

Slow starting integrated regulated power supply circuit diagram composed of CW200

Published:2011/5/10 3:02:00 Author:Ecco | Keyword: Slow starting, integrated , regulated power supply

Slow starting integrated regulated power supply circuit diagram composed of CW200
  (View)

View full Circuit Diagram | Comments | Reading(548)

± 12V regulated power supply circuit diagram composed of MC7812, MC7912MC

Published:2011/5/10 2:16:00 Author:Ecco | Keyword: ± 12V , regulated power supply

± 12V regulated power supply circuit diagram composed of MC7812, MC7912MC
± 12V regulated power supply circuit diagram composed of MC7812(positive voltage), MC7912MC(negative voltage)   (View)

View full Circuit Diagram | Comments | Reading(3396)

Ningbo coastal 130W emergency power supply circuit diagram

Published:2011/5/9 4:08:00 Author:Rebekka | Keyword: Emergency power supply , Ningbo coastal 130W

Ningbo coastal 130W emergency power supply circuit diagram
Ningbo coastal 130W emergency power supply circuit diagram.   (View)

View full Circuit Diagram | Comments | Reading(580)

Parallel regulated power supply circuit diagram composed of LM137

Published:2011/5/10 3:00:00 Author:Ecco | Keyword: Parallel , regulated power supply

Parallel regulated power supply circuit diagram composed of LM137
  (View)

View full Circuit Diagram | Comments | Reading(817)

50V suspended regulated power supply circuit diagram composed of CA723C

Published:2011/5/10 2:32:00 Author:Ecco | Keyword: 50V , suspended , regulated power supply

50V suspended regulated power supply circuit diagram composed of CA723C
  (View)

View full Circuit Diagram | Comments | Reading(1198)

±5V, ±l2V regulated power supply circuit diagram for computer composed of MPC1000,LM320

Published:2011/5/10 2:25:00 Author:Ecco | Keyword: ±5V, ±l2V , regulated power supply , computer

±5V, ±l2V regulated power supply circuit diagram for computer composed of MPC1000,LM320
  (View)

View full Circuit Diagram | Comments | Reading(1555)

15V, 300mA regulated power supply circuit diagram composed of SN52105

Published:2011/5/10 2:22:00 Author:Ecco | Keyword: regulated power supply , 15 V, 300 mA

15V, 300mA regulated power supply circuit diagram composed of SN52105
  (View)

View full Circuit Diagram | Comments | Reading(672)

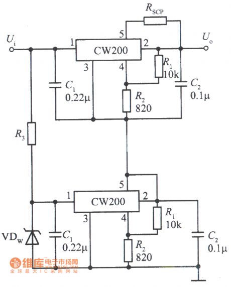
The integrated regulated power supply with superposition of two CW200 output voltage

Published:2011/5/10 1:11:00 Author:Ecco | Keyword: integrated, regulated power supply, superposition , two , output voltage

The integrated regulated power supply with superposition of two CW200 output voltage
  (View)

View full Circuit Diagram | Comments | Reading(573)

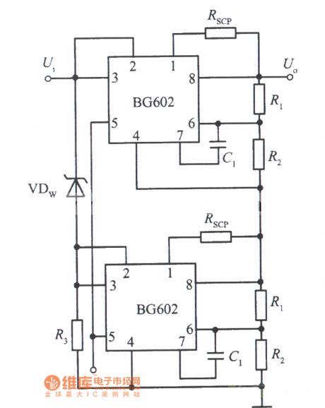
The integrated regulated power supply with superposition of two BG602 output voltage

Published:2011/5/10 1:03:00 Author:Ecco | Keyword: integrated, regulated power supply, superposition , two, output voltage

The integrated regulated power supply with superposition of two BG602 output voltage
  (View)

View full Circuit Diagram | Comments | Reading(640)

Zero potential CW200 high output voltage integrated regulated power supply circuit diagram

Published:2011/5/10 0:59:00 Author:Ecco | Keyword: Zero potential , high output , voltage , integrated , regulated power supply

Zero potential CW200 high output voltage integrated regulated power supply circuit diagram
  (View)

View full Circuit Diagram | Comments | Reading(534)

Self-excitation switching integrated regulated power supply circuit diagram composed of CW200

Published:2011/5/10 0:56:00 Author:Ecco | Keyword: Self-excitation , switching , integrated , regulated power supply

Self-excitation switching integrated regulated power supply circuit diagram composed of CW200
  (View)

View full Circuit Diagram | Comments | Reading(611)

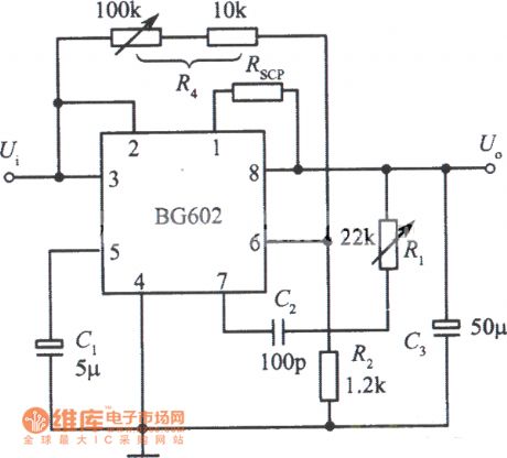
The integrated regulated power supply circuit diagram with high stability composed of BG602

Published:2011/5/10 1:22:00 Author:Ecco | Keyword: integrated, regulated power supply , high stability

The integrated regulated power supply circuit diagram with high stability composed of BG602
  (View)

View full Circuit Diagram | Comments | Reading(555)

Xinyuan RTP-50 multi-function tableware disinfector circuit diagram

Published:2011/5/10 1:30:00 Author:Ecco | Keyword: Xinyuan , multi-function , tableware , disinfector

Xinyuan RTP-50 multi-function tableware disinfector circuit diagram
Xinyuan RTP-50 multi-function tableware disinfector circuit diagram is shown as the chart.   (View)

View full Circuit Diagram | Comments | Reading(507)

Low voltage 5A/12V DC power supply circuit diagram with overvoltage protection

Published:2011/5/9 22:08:00 Author:Ecco | Keyword: Low voltage , 5A, 12V , DC , power supply, overvoltage protection

Low voltage 5A/12V DC power supply circuit diagram with overvoltage protection
The circuit is shown as the chart, when the circuit failure causes over-voltage output, the fuse in the circuit will be automatically blown, so that the power has no output, the equipmentis protected.   (View)

View full Circuit Diagram | Comments | Reading(2565)

Digital frequency meter circuit diagram composed of ICL7107

Published:2011/5/9 22:05:00 Author:Ecco | Keyword: Digital , frequency meter

Digital frequency meter circuit diagram composed of ICL7107
Digital frequency meter circuit diagram composed of ICL7107 is shown as the chart.   (View)

View full Circuit Diagram | Comments | Reading(7563)

Ventilation motor temperature control circuit

Published:2011/5/9 22:00:00 Author:TaoXi | Keyword: Ventilation motor, control circuit

Ventilation motor temperature control circuit
Related components PDF download: BC261BC107B This circuit can be used to control the electrical insulation heating device. The sensor uses the 100kΩ thermistor. And this sensor controls the shaded pole motor running fast or running slow or stop running. The SCR's (which controls the motor's open telegram or power outage) trigger pulse is discharged by the transistor which is controlled by the temperature bridge circuit. Once the capacitor's charging voltage reaches the turn circuit's (compose of the transistor) turn voltage, the SCR will conduct and the motor starts working, the capacitor starts discharging. We control the voltage which is added on the ventilation motor according to the sensor's temperature and the time of the half-cycle conduction, to achieve the ratio adjustment.   (View)

View full Circuit Diagram | Comments | Reading(1412)

Changing bipolar power supply circuit composed of SG3501

Published:2011/5/9 22:43:00 Author:Rebekka | Keyword: Changing bipolar power supply

Changing bipolar power supply circuit composed of SG3501
  (View)

View full Circuit Diagram | Comments | Reading(740)

Pages:1917/2234 At 2019011902190319041905190619071908190919101911191219131914191519161917191819191920Under 20