Position: Home > Circuit Diagram > Index 1911
Low Cost Custom Prototype PCB Manufacturer

Circuit Diagram

Index 1911

Shanghai GM Chevrolet Sail Car Radio/Audio System Circuit

Published:2011/5/10 9:49:00 Author:Robert | Keyword: Shanghai GM, Chevrolet, Sail, Radio/Audio System

Shanghai GM Chevrolet Sail Car Radio/Audio System Circuit
The Shanghai GM Chevrolet Sail Car Radio/Audio System Circuit is shown below.   (View)

View full Circuit Diagram | Comments | Reading(708)

Shanghai GM Chevrolet Sail Car External Lighting System Circuit (1)

Published:2011/5/10 9:46:00 Author:Robert | Keyword: Shanghai GM, Chevrolet, Sail, External Lighting System

Shanghai GM Chevrolet Sail Car External Lighting System Circuit (1)
The Shanghai GM Chevrolet Sail Car External Lighting System Circuit (1) -- Turn light, turn signal anddanger warning light is shown below.   (View)

View full Circuit Diagram | Comments | Reading(490)

ABS Sensor Interface Board Structure Circuit

Published:2011/5/10 7:43:00 Author:Robert | Keyword: ABS, Sensor Interface Board, Structure

ABS Sensor Interface Board Structure Circuit
The ABS Sensor Interface Board Structure Circuit is shown below.   (View)

View full Circuit Diagram | Comments | Reading(647)

Shanghai GM Chevrolet Sail Car External Lighting System Circuit (2)

Published:2011/5/10 9:53:00 Author:Robert | Keyword: Shanghai GM, Chevrolet, Sail, External Lighting System

Shanghai GM Chevrolet Sail Car External Lighting System Circuit (2)
The Shanghai GM Chevrolet Sail Car External Lighting System Circuit (2)--reversing light is shown below.   (View)

View full Circuit Diagram | Comments | Reading(487)

ABS Sensor Circuit

Published:2011/5/10 7:45:00 Author:Robert | Keyword: AB, Sensor

ABS Sensor Circuit
The ABS Sensor Circuit is shown below.   (View)

View full Circuit Diagram | Comments | Reading(840)

Shanghai GM Chevrolet Sail Car Internal Lighting System Circuit (1)

Published:2011/5/10 9:37:00 Author:Robert | Keyword: Shanghai GM, Chevrolet, Sail, Internal Lighting System

Shanghai GM Chevrolet Sail Car Internal Lighting System Circuit (1)
The Shanghai GM Chevrolet Sail Car Internal Lighting System Circuit (1)--glove box light is shown below.   (View)

View full Circuit Diagram | Comments | Reading(460)

Shanghai GM Chevrolet Sail Car Internal Lighting System Circuit (2)

Published:2011/5/10 9:35:00 Author:Robert | Keyword: Shanghai GM, Chevrolet, Sail, Internal Lighting System

Shanghai GM Chevrolet Sail Car Internal Lighting System Circuit (2)
The Shanghai GM Chevrolet Sail Car Internal Lighting System Circuit (2)--car interior light and fog light is shown below.   (View)

View full Circuit Diagram | Comments | Reading(752)

Shanghai GM Chevrolet Sail Car Wiper/Washing System Circuit

Published:2011/5/10 9:24:00 Author:Robert | Keyword: Shanghai GM, Chevrolet, Sail, Wiper/Washing System

Shanghai GM Chevrolet Sail Car Wiper/Washing System Circuit
The Shanghai GM Chevrolet Sail Car Wiper/Washing System Circuit is shown below.   (View)

View full Circuit Diagram | Comments | Reading(552)

Shanghai GM Chevrolet Sail Car Starting And Charging System Circuit (1)

Published:2011/5/10 9:28:00 Author:Robert | Keyword: Shanghai GM, Chevrolet, Sail, Starting And Charging System

Shanghai GM Chevrolet Sail Car Starting And Charging System Circuit (1)
Thepicture below shows Shanghai GM Chevrolet Sail Car Starting And Charging System Circuit (1)--startmotor and ACgenerator.   (View)

View full Circuit Diagram | Comments | Reading(651)

Shanghai GM Chevrolet Sail Car Starting And Charging System Circuit (2)

Published:2011/5/10 9:29:00 Author:Robert | Keyword: Shanghai GM, Chevrolet, Sail, Starting And Charging System

Shanghai GM Chevrolet Sail Car Starting And Charging System Circuit (2)
The picture below shows the Shanghai GM Chevrolet Sail Car Starting And Charging System Circuit (2)--start motor and AC generator.   (View)

View full Circuit Diagram | Comments | Reading(465)

Shanghai GM Chevrolet Sail Car Speaker Circuit

Published:2011/5/10 9:23:00 Author:Robert | Keyword: Shanghai GM, Chevrolet, Sail, Speaker

Shanghai GM Chevrolet Sail Car Speaker Circuit
The Shanghai GM Chevrolet Sail Car Speaker Circuit is shown below.   (View)

View full Circuit Diagram | Comments | Reading(478)

Charge Pump And Inductor LED Driver Circuit

Published:2011/5/10 7:47:00 Author:Robert | Keyword: Charge Pump, Inductor, LED, Driver

Charge Pump And Inductor LED Driver Circuit
The Charge Pump And Inductor LED Driver Circuit is shown below.   (View)

View full Circuit Diagram | Comments | Reading(1721)

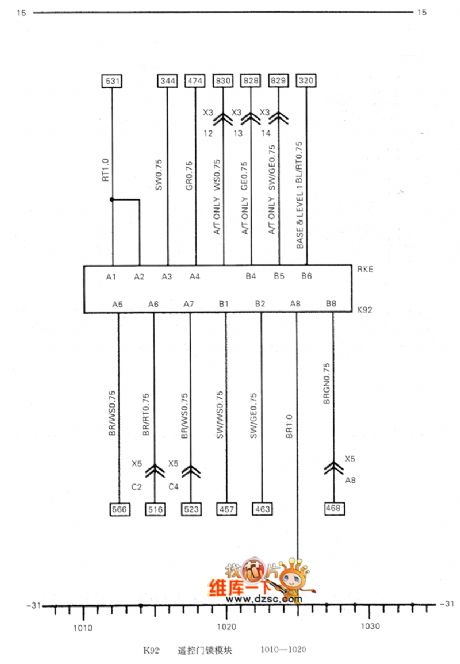
Shanghai GM Chevrolet Sail Car Electric Door Lock Circuit (1)

Published:2011/5/10 9:21:00 Author:Robert | Keyword: Shanghai GM, Chevrolet, Sail, Electric Door Lock

Shanghai GM Chevrolet Sail Car Electric Door Lock Circuit (1)
The Shanghai GM Chevrolet Sail Car Electric Door Lock Circuit (1) --central lock system is shown below.   (View)

View full Circuit Diagram | Comments | Reading(1658)

Shanghai GM Chevrolet Sail Car Electric Door Lock Circuit (2)

Published:2011/5/10 9:19:00 Author:Robert | Keyword: Shanghai GM, Chevrolet, Sail, Electric Door Lock

Shanghai GM Chevrolet Sail Car Electric Door Lock Circuit (2)
The Shanghai GM Chevrolet Sail Car Electric Door Lock Circuit (2) is shown below.   (View)

View full Circuit Diagram | Comments | Reading(728)

Shanghai GM Chevrolet Sail Car Dashboard Circuit

Published:2011/5/10 9:16:00 Author:Robert | Keyword: Shanghai GM, Chevrolet, Sail, Dashboard

Shanghai GM Chevrolet Sail Car Dashboard Circuit
The Shanghai GM Chevrolet Sail Car Dashboard Circuit is shown below.   (View)

View full Circuit Diagram | Comments | Reading(997)

Shanghai GM Chevrolet Sail Car Anti-Theft System Circuit

Published:2011/5/10 9:14:00 Author:Robert | Keyword: Shanghai GM, Chevrolet, Sail, Anti-Theft System

Shanghai GM Chevrolet Sail Car Anti-Theft System Circuit
The Shanghai GM Chevrolet Sail Car Anti-Theft System Circuit is shown below.   (View)

View full Circuit Diagram | Comments | Reading(511)

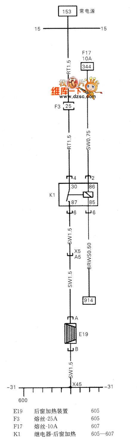
Shanghai GM Chevrolet Sail Car Defrost System (Rear Window Heating) Circuit

Published:2011/5/10 9:11:00 Author:Robert | Keyword: Shanghai GM, Chevrolet, Sail, Defrost System, Rear Window Heating

Shanghai GM Chevrolet Sail Car Defrost System (Rear Window Heating) Circuit
The Shanghai GM Chevrolet Sail Car Defrost System (Rear Window Heating) Circuit is shown below.   (View)

View full Circuit Diagram | Comments | Reading(611)

Shanghai GM Chevrolet Sail Car Electrical Power Sky Windows Circuit

Published:2011/5/10 9:08:00 Author:Robert | Keyword: Shanghai GM, Chevrolet, Sail, Electrical Power Sky Windows

Shanghai GM Chevrolet Sail Car Electrical Power Sky Windows Circuit
The Shanghai GM Chevrolet Sail Car Electrical Power Sky Windows Circuit is shown below.   (View)

View full Circuit Diagram | Comments | Reading(499)

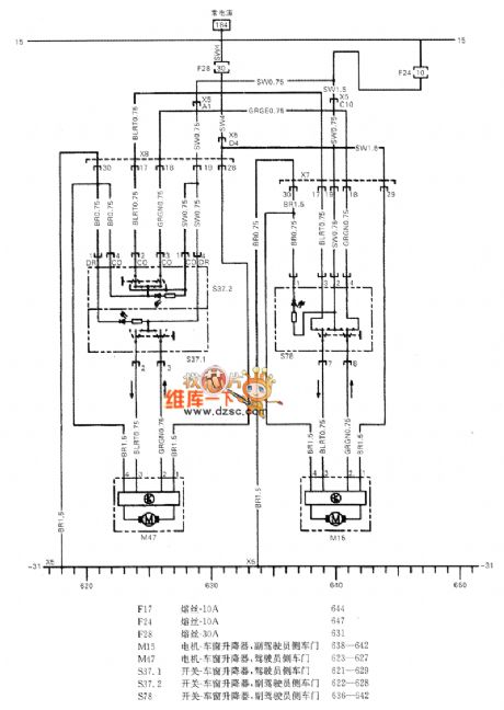
Shanghai GM Chevrolet Sail Car Electrical Power Windows Circuit

Published:2011/5/10 9:07:00 Author:Robert | Keyword: Shanghai GM, Chevrolet, Sail, Electrical Power Windows

Shanghai GM Chevrolet Sail Car Electrical Power Windows Circuit
The Shanghai GM Chevrolet Sail Car Electrical Power Windows Circuit is shown below.   (View)

View full Circuit Diagram | Comments | Reading(1198)

556 Touching Audio Circuit

Published:2011/5/10 7:55:00 Author:Robert | Keyword: Touching, Audio

556 Touching Audio Circuit
The 556 Touching Audio Circuit is shown below.   (View)

View full Circuit Diagram | Comments | Reading(793)

Pages:1911/2234 At 2019011902190319041905190619071908190919101911191219131914191519161917191819191920Under 20