Published:2011/5/8 11:50:00 Author:Rebekka | Keyword: Mitsubishi Pajero (PAJERO) , light off-road vehicle, front and rear window wiper washing
Mitsubishi Pajero (PAJERO) light off-road vehicle front and rear window wiper and washing principle circuit diagram.
117 Intermittent wiper relay; 118 windshield washer switch; 119 windshield wash motor; 120 windshield wiper switch; 121 wiper motor; 122 washing switch; 123 washing motor; 124 and rear wiper switch; 125 rear intermittent wiper relay; 126 rear wiper motor. (View)
View full Circuit Diagram | Comments | Reading(3111)
Published:2011/5/10 10:59:00 Author:Borg | Keyword: Intergrated Circuit, Bus Control, BBE
BH3868BFS is an intergrated circuit of 12C bus control BEE and audio handling which is widely used in the color TV set of Changhong CN-15 and other stereo systems, whose pin functions and data are listed in Table 1, and the data were tested in CN-15 TV sets.
Table 1 the pin functions and data of the BH3868BFS intergrated circuit (View)
View full Circuit Diagram | Comments | Reading(686)
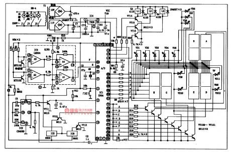
Published:2011/5/10 10:33:00 Author:Borg | Keyword: Intergrated Circuit, Single Door


HRBCD-230A is a single door PC intergrated circuit developped by Huari Company, which is specially used in refrigerators.
1.typical application circuit
Besides fullfilling the common control functions, the HRBCD-230A can also monitor the grid voltage, memorize the starting/turning off time of the compressor, start the power delay relay of the compressor and monitor the overvoltage and undervoltage, therefore protects the compressor when it works too long. The typical application circuit of the chips is listed in Table 1-1.
Figure 1-1 the typical application circuit of the chips
Table 1-1 the HT664L pin functions of the decoding intergrated circuit (View)
View full Circuit Diagram | Comments | Reading(735)
Published:2011/5/10 9:56:00 Author:Borg | Keyword: Intergrated Circuit, PC Dialing


HM91620B is an intergrated circuit of PC dialing which is used in all kinds of phones.
HM91620B is pinned in dual in-line packages with 22 pinnings, whose pin functions and data are listed in Table 1-1.
Table 1-1 pin functions and data of HM91620B (View)
View full Circuit Diagram | Comments | Reading(979)
Published:2011/5/10 9:47:00 Author:Borg | Keyword: Intergrated Circuit, Dialing
HM91210 is an intergrated circuit of PC dialing which is used in all kinds of phones.
1.functions features
HM91210 contains sub-circuits of pulse/tone coupling with dialing circuits, key switch signal encoding, etc.
2. pin functions and relevent data
The pin functions and data of HM91210 are listed in Table 1.
Table 1-1. pin functions and relevent data of the HM91210 intergrated circuit (View)
View full Circuit Diagram | Comments | Reading(549)
Published:2011/5/9 8:57:00 Author:Robert | Keyword: Pin Arrangement
The LM94022 Pin Arrangement Circuit is shown below.
(View)
View full Circuit Diagram | Comments | Reading(623)
Published:2011/5/9 8:52:00 Author:Robert | Keyword: Output Feature
The LM94022 Output Feature Circuit is shown below.
(View)
View full Circuit Diagram | Comments | Reading(549)
Published:2011/5/9 8:59:00 Author:Robert | Keyword: Basic, Application



The LM94022 Basic Application Circuit is shown below.
(View)
View full Circuit Diagram | Comments | Reading(555)
Published:2011/5/9 19:17:00 Author:Robert | Keyword: Capacitive Load
The Circuit Connected With Capacitive Load (2) (Cload>1100pF) is shown below.
1100pF) src= /uploadfile/ic-circuit/201159191728592.gif > (View)
View full Circuit Diagram | Comments | Reading(561)
Published:2011/5/9 19:15:00 Author:Robert | Keyword: Washing Machine, Timer
The Simple Washing Machine Timer Circuit is shown below.
(View)
View full Circuit Diagram | Comments | Reading(4107)
Published:2011/5/9 19:13:00 Author:Robert | Keyword: Capacitive Load
The Circuit Connected With Capacitive Load (1) (Cload>1100pF) is shown below.
1100pF) src= /uploadfile/ic-circuit/201159191354109.gif > (View)
View full Circuit Diagram | Comments | Reading(559)
Published:2011/5/9 8:48:00 Author:Robert | Keyword: ADC, Interface
The LM94022 and ADC interface circuit is shown below.
(View)
View full Circuit Diagram | Comments | Reading(665)
Published:2011/5/9 8:49:00 Author:Robert | Keyword: Close-Function, Inverter


The close-function circuitof LM94022 connecting with inverter is shown below.
(View)
View full Circuit Diagram | Comments | Reading(493)
Published:2011/5/9 6:18:00 Author:Robert | Keyword: Low Power Consumption, Window, Temperature Detection
The Low Power Consumption Window Temperature Detection Circuit is shown below. (a) is using two MAX6509. (b) is using two MAX6510.
(View)
View full Circuit Diagram | Comments | Reading(591)
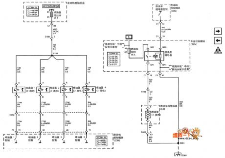
Published:2011/5/9 5:51:00 Author:Robert | Keyword: Shanghai GM, Buick, LaCROSSE, 2.4L Engine
The Shanghai GM Buick LaCROSSE Car 2.4L Engine Circuit (12) is shown below.
(View)
View full Circuit Diagram | Comments | Reading(454)
Published:2011/5/9 6:02:00 Author:Robert | Keyword: Shanghai GM, Buick, LaCROSSE, 2.4L Engine
The Shanghai GM Buick LaCROSSE Car 2.4L Engine Circuit (5) is shown below.
(View)
View full Circuit Diagram | Comments | Reading(455)
Published:2011/5/9 6:00:00 Author:Robert | Keyword: Shanghai GM, Buick, LaCROSSE, 2.4L Engine
The Shanghai GM Buick LaCROSSE Car 2.4L Engine Circuit (6) is shown below.
(View)
View full Circuit Diagram | Comments | Reading(459)
Published:2011/5/9 5:58:00 Author:Robert | Keyword: Shanghai GM, Buick, LaCROSSE, 2.4L Engine
The Shanghai GM Buick LaCROSSE Car 2.4L Engine Circuit (7) is shown below.
(View)
View full Circuit Diagram | Comments | Reading(447)
Published:2011/5/9 5:57:00 Author:Robert | Keyword: Shanghai GM, Buick, LaCROSSE, 2.4L Engine
The Shanghai GM Buick LaCROSSE Car 2.4L Engine Circuit (8) is shown below.
(View)
View full Circuit Diagram | Comments | Reading(466)
Published:2011/5/9 5:55:00 Author:Robert | Keyword: Shanghai GM, Buick, LaCROSSE, 2.4L Engine
The Shanghai GM Buick LaCROSSE Car 2.4L Engine Circuit (9) is shown below.
(View)
View full Circuit Diagram | Comments | Reading(499)
| Pages:1913/2234 At 2019011902190319041905190619071908190919101911191219131914191519161917191819191920Under 20 |