Published:2011/10/19 22:58:00 Author:Rebekka | Keyword: Four-channel , interlock, remote controller


Four-channel remote interlock is composed oftransmitter and receiver.
Transmitter circuit diagram.
Receiver circuit diagram.
(View)
View full Circuit Diagram | Comments | Reading(2356)
Published:2011/10/19 22:52:00 Author:Rebekka | Keyword: 2-way controller , distinct switch
The four remote switching circuit is shown as above. It uses ZS-01F memory self-locking type bistable relay, so the remote control receiver circuit in the circuit output pulse signal will open the related control functions. However, the circuit also exists such a problem: As the control circuit's on and offbuttons usesthe same remote transmitter button, sometimes due to the phenomenon of false positives caused by misuse, this circuit is not allowed for some accused appear. This control circuit will switch to another relay in the relay, the remote control transmitter. Respectively, it uses two different keys to control the circuit on and off, so opening and closing control is clear, you can avoid the misuse phenomenon. (View)
View full Circuit Diagram | Comments | Reading(2204)
Published:2011/10/20 1:59:00 Author:Rebekka | Keyword: Model ship and car controller
NE556 is a dual time base IC, whichcontains two separate 555 circuits. Each 555 circuit forms a Schmitt trigger. The flipping of trigger is achieved by TX315B1 output control. When the Schmitt trigger input is low, its output terminal outputs high level; When the input is high, its output terminal outputs low level. When the both ends of the motor are high or low level, the motor stops; When the motor is high at one end, the other end is low, the motor rotates; If the ends are high and low swap, then The direction of motor rotation is opposite. (View)
View full Circuit Diagram | Comments | Reading(2429)
Published:2011/10/20 20:40:00 Author:Rebekka | Keyword: Decorative pendant lamp , remote control


The decorative lamp control circuit is composed by the main light and white color combination of the three-color light. The main light uses 100W high-power incandescent, three-color light for decoration. It uses 30-60W lights. It can use wireless remote controlling. It can use indoor relaxing music to achieve sound control. Discoloration state has seven colors. The circuit is composedof the primary light control circuit, loop color light control circuit, radio circuit and voice-activated remote control color circuit. The output mode of Q1-q3 and the relationship between the color combination of light is shown as above.
(View)
View full Circuit Diagram | Comments | Reading(1769)
Published:2011/10/20 21:47:00 Author:Rebekka | Keyword: TV remote controller , toy car circuit
P10 ~ P17 are connected to LED for 8 gear speed display; P3.5, P3.7 control the motor's moving, andthe advance and retreat can not be inlow level, the output period of the width modulated square wave is 80ms. The power transistor is decided by the motor current. The + , - keys of remote controller control the advance and retreat programs. Volume keys are used for acceleration and deceleration, and the power button is used for parking control. Remote control distance is 10 meters, and required furniture will not be blocked. This circuit is a good power supply polarity switching circuit, and the voltage drops on the power loss is very small, simple and practical. (View)
View full Circuit Diagram | Comments | Reading(2125)
Published:2011/10/20 2:29:00 Author:Rebekka | Keyword: remote control circuit
CSJ-T300B/CSJ-R02B is composed of the digital encoding and decoding circuit increasing based on CSJ-T300A/CSJ-R02A. The ontrol circuit is composedof CSJ-T300B and CSJ-R02B. It is shown as the chart. (View)
View full Circuit Diagram | Comments | Reading(2133)
Published:2011/9/28 4:34:00 Author:Rebekka | Keyword: radio remote control light switch
RCM1A/RCM1B is a pair of micro-power FM radio remote control module. The remote control distance is 8-15 meters. The figure shows a radio remote control light switch composedof the module. It consists of transmitter and receiver two parts. Click the emission control buttons, lamp on; Then click the button, lamp off. Transmitter circuit uses RCM1A module and 3V battery-powered; The receiver circuit is composed of the RCM1B, decade counter CD4017 and the thyristor switch circuit. (View)
View full Circuit Diagram | Comments | Reading(1882)
Published:2011/10/20 2:26:00 Author:Rebekka | Keyword: RF single-and multi-channel , remote control transmitter and receiver






TDC1808/1809 RF wireless transmitter / receiver module-specific can easily form a variety of wireless remote control device.
TDC1808 shape pin map.
TDC1809 shape pin map.
TDC1808/1809 remote control transmitter / receiver module is widely used in a frequency range applications. Transmitter module TDCl808n has been launched in the 250 - 350MHz frequency modulatio at the factory. There are l0 different frequencies available to use. TDCl808 uses A, B two connection methods: No modulation signal or external modulation of various signal transmission. Ssuch as: audio modulation or digital modulation. Therefore, you can connect a variety of modulated signals to form the transmitter circuit. The operating voltage of TDCl808 factory is set at 9V. The plant can also produce l.5 ~ 18V power supply voltage of transmitter modules. The operate voltage of receiver module TDCl809 is 5.1V. If you need a 5Vworking voltage, you can also ask for customized module from the plant.
RF channel remote control transmitter circuit composed of TDC.
RF channel remote control receiving circuit composed of TDC1809.
Multi-channel RF remote control transmitter circuit composed of TDC.
Multi-channel RF remote control receiver circuit composed of TDC.
(View)
View full Circuit Diagram | Comments | Reading(3766)
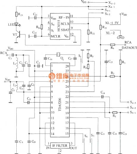
Published:2011/10/20 2:24:00 Author:Rebekka | Keyword: heterodyne , remote control receiving circuit
TDA5200 is a low-power single-chip ASK superheterodyne receiver circuit. Its operating frequency range has two block. They are 868 ~ 870MHz and 433 ~ 435MHz. The circuit is highly integrated. It has few external components, perfect function. It is a single receiver circuit with excellentperformance. (View)
View full Circuit Diagram | Comments | Reading(3192)
Published:2011/10/19 22:32:00 Author:Rebekka | Keyword: Rolling radio control


The internal structure of rolling code encoder circuit is complex. Its encoded mode is special. But its usage is the same with digital coding circuit and even more simple. The radio control circuit is composed of rolling code decoding circuits TH150/TH151A. The circui is shown as above.
Super-regenerative wireless remote control receiver circuit(rolling decoding circuit TH151A / B ). (View)
View full Circuit Diagram | Comments | Reading(2036)
Published:2011/10/19 22:21:00 Author:Rebekka | Keyword: Simple and practical mouse remote
Generally, there are 4 circuit connection lines in the mouse and computer(the circuit device can accept up to four input data lines, and readers can select their own actual situation). They are the positive power supply, the data line 1, the data line 2. We will cut off the mouse connection to find out the four lines respectively. And we use the receiving end D6 and D7 of MC145026 encoded data transmission circuit data lines to receive the data sent by mouse lines 1 and 2. It will send the conversion data in the output of the chips D6 and D7, andyou do not need to change the mouse and computer of the circuit. And you don't need to install additional mouse drive software. All the features of the original mouse can also be used normally. (View)
View full Circuit Diagram | Comments | Reading(2760)
Published:2011/10/18 2:04:00 Author:Rebekka | Keyword: Radio remote control , transmitter and receiver head


The circuits of transmitting part and receiving part are shown as above.
Radio remote control transmitter T630 is a micro-transmitter without the signal. Its emission frequency is 265MHz, and the power supply is 12V. Remote control distance is 100M, operating current is only 4mA, the volume is 28X12X10mm. Radio receiver T631has a built-in antenna. It is the samewith the TV tuner receiver, demodulator. Its typical operating voltage is 6V. Its waiting current is 1mA. Receiver frequency is 265MHz, its volume is only 31X23X10mm. They can be easily used to produce a variety of radio-controlled device with the features of miniaturization, transmission distance, power consumption, anti-interference ability and so on. They can easily replace the infrared, ultrasonic transmitter and receiver. Radio head T630 circuit is shown as below. Four launch tubes V1 circuit and external components C1, C2, L1, L2 constitute a frequency of 265MHz ultra-high frequency transmitter circuit L2. (View)
View full Circuit Diagram | Comments | Reading(4686)
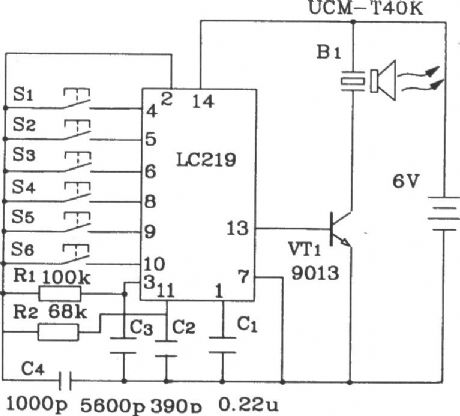
Published:2011/10/17 22:30:00 Author:Rebekka | Keyword: Ultrasonic , 6-road , remote control receiver


6 channel remote control transmitter of ultrasonic application circuit composed of LC219.
6-channel remote control receiver of ultrasonic application circuit composed of LC220A.The 13-foot of LC219 circuit outputs 39kHz carrier encoder pulse. The MOD of the receiving circuit LC220 connectsto a self-locking way. (View)
View full Circuit Diagram | Comments | Reading(2956)
Published:2011/10/21 1:49:00 Author:Rebekka | Keyword: Infrared remote control, 5-speed motor speed controller


Infrared remote control 5-speed motor speed controller composed of LC219/220A has fewoutward turningcomponents. Its debugging is simple. The resonant frequency is 39kHz.
Infrared remote control 5-speed motor speed controller transmitter circuit composed of LC219.
Infrared remote control 5-speed motor speed controller receiver circuit composed of LC220A. (View)
View full Circuit Diagram | Comments | Reading(2731)
Published:2011/9/27 22:15:00 Author:Rebekka | Keyword: direct , infrared remote control, switch




LS-2 remote control switch infrared sensor module is basically the same with the LS-18, in addition, it isused as a reflector.
LS-2 Pin diagram form
LS-2 internal block diagram
Electrical parameters LS-2 remote control switch module operating voltage is 4 ~ 6V (DC), typical value is 5V; Operating current is 2 ~ 4mA; Control output terminal (L1, L2) output voltage is4 ~ 6V; Input, output current is 50mA, reflection part of the power consumption is less than 1.5mA; Ip-p reflex drive capability is greater than 50mA; When it is used as a reflection, the reflection distance is 4 ~ 100cm, corresponding external current limiting resistor is 510Ω ~ lkΩ; When it is used as the direct infrared remote control switch, the maximum remote control distance is up to 8m.
Here is the basic application circuit of LS-2.
This circuit remote control distanceis up to 5 ~ 8m
(View)
View full Circuit Diagram | Comments | Reading(1996)
Published:2011/10/17 20:53:00 Author:Rebekka | Keyword: Typical application , infrared sensor , remote control, switch module


(View)
View full Circuit Diagram | Comments | Reading(1144)
Published:2011/10/17 20:58:00 Author:Rebekka | Keyword: remote microprocessor




Technical Features:It uses CMOS manufacturing process.Execut one instruction costs 1.91μs.It uses 42 feet dual-in line plastic package.Matching models are LC7462 and CX20106A.
MN15245SAY pinout symbol and function.
Typical application circuit.
(View)
View full Circuit Diagram | Comments | Reading(2136)
Published:2011/10/17 22:49:00 Author:Rebekka | Keyword: infrared remote control, motor speed regulation , transmitter and receiver circuit


LC219 form infrared remote control motor speed regulation transmission circuit.
LC220A forms theinfrared remote control motor speed regulation receiving circuit.
Theinfrared remote control 5-block motor speed regulation circuithas little components for external rotation. It is simple debugging. The resonant frequency is 39kHz.
(View)
View full Circuit Diagram | Comments | Reading(2660)
Published:2011/9/27 1:38:00 Author:Rebekka | Keyword: Single-button dual-channel, infrared remote control


The circuit consists of a single button infrared transmitter, infrared receiver, channel decoding circuit and control circuit. Among them, single-button infrared transmitter is controlled by a four - two input NAND gate 74HC00 composition. The circuit is shown as below:
Infrared receiver and channel decoding circuit are constituted by the PH302 and CX20106. PH302 is the infrared receiver; CX20106 is a signal processing circuit.
Two-channel switch control circuit is composed of bistable electronic switch. short-pulse control of the switching circuit is composedofanalog switch S2, F3 gate and RC components. The S4, F6 and its surrounding components form the long-pulse control switch circuit.
(View)
View full Circuit Diagram | Comments | Reading(2308)
Published:2011/9/27 2:11:00 Author:Rebekka | Keyword: DTMF , Multi-channel code, decoding , infrared remote control
Figure (a) is the infrared emission circuit that composed of 12 the keyboard and S2559.
Figure (b)shows DTMF decoder circuit and channel control circuit composedof the MT8870.
Figure (c) is the voltage amplifier circuit composed of two-op ampLM358. (View)
View full Circuit Diagram | Comments | Reading(4576)
| Pages:3/34 1234567891011121314151617181920Under 20 |