Position: Home > Circuit Diagram > 555 Circuit > Index 29
Low Cost Custom Prototype PCB Manufacturer

555 Circuit

Index 29



Mazda 95TAURUS (3.0L, SHO) dashboard circuit

Published:2011/6/21 0:35:00 Author:John | Keyword: dashboard

Mazda 95TAURUS (3.0L, SHO) dashboard circuit
Mazda 95TAURUS (3.0L, SHO) dashboard circuit is shown.   (View)

View full Circuit Diagram | Comments | Reading(621)

Mazda 95TAURUS (3.2L, SHO) dashboard circuit

Published:2011/6/21 0:35:00 Author:John | Keyword: dashboard

Mazda 95TAURUS (3.2L, SHO) dashboard circuit
Mazda 95TAURUS (3.2L, SHO) dashboard circuit is shown.   (View)

View full Circuit Diagram | Comments | Reading(671)

Mazda 95TAURUS (3.0L, SHO) air-conditioning fan circuit

Published:2011/6/21 0:35:00 Author:John | Keyword: air-conditioning fan

Mazda 95TAURUS (3.0L, SHO) air-conditioning fan circuit
Mazda 95TAURUS (3.0L, SHO) air-conditioning fan circuit is shown.   (View)

View full Circuit Diagram | Comments | Reading(600)

Mazda 95TAURUS (3.2L, SHO) lamp monitor circuit

Published:2011/6/21 0:36:00 Author:John | Keyword: lamp monitor

Mazda 95TAURUS (3.2L, SHO) lamp monitor circuit
Mazda 95TAURUS (3.2L, SHO) lamp monitor circuit is shown.   (View)

View full Circuit Diagram | Comments | Reading(624)

Mazda 95TAURUS (3.2L, SHO) ABS circuit

Published:2011/6/21 0:36:00 Author:John | Keyword: ABS

Mazda 95TAURUS (3.2L, SHO) ABS circuit
Mazda 95TAURUS (3.2L, SHO) ABS circuit is shown.   (View)

View full Circuit Diagram | Comments | Reading(587)

Mazda 96TAURUS dashboard lighting circuit

Published:2011/6/21 0:29:00 Author:John | Keyword: dashboard lighting

Mazda 96TAURUS dashboard lighting circuit
Mazda 96TAURUS dashboard lighting circuit is shown.   (View)

View full Circuit Diagram | Comments | Reading(585)

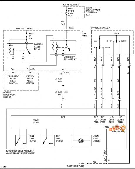
Mazda 96TAURUS electric roof circuit

Published:2011/6/21 0:30:00 Author:John | Keyword: electric roof

Mazda 96TAURUS electric roof circuit
Mazda 96TAURUS electric roof circuit is shown.   (View)

View full Circuit Diagram | Comments | Reading(683)

Mazda 96TAURUS front wiper washer circuit

Published:2011/6/21 0:30:00 Author:John | Keyword: front wiper washer

Mazda 96TAURUS front wiper washer circuit
Mazda 96TAURUS front wiper washer circuit is shown.   (View)

View full Circuit Diagram | Comments | Reading(625)

Mazda 96TAURUS electric seat lumbar circuit

Published:2011/6/21 0:30:00 Author:John | Keyword: electric seat

Mazda 96TAURUS electric seat lumbar circuit
Mazda 96TAURUS electric seat lumbar circuit is shown.   (View)

View full Circuit Diagram | Comments | Reading(642)

Mazda 96TAURUS (3.4L, SHO) starting circuit

Published:2011/6/21 0:30:00 Author:John

Mazda 96TAURUS (3.4L, SHO) starting circuit
Mazda 96TAURUS (3.4L, SHO) starting circuit is shown.   (View)

View full Circuit Diagram | Comments | Reading(649)

Mazda 96TAURUS defogger circuit

Published:2011/6/21 0:31:00 Author:John | Keyword: defogger

Mazda 96TAURUS defogger circuit
Mazda 96TAURUS defogger circuit is shown.   (View)

View full Circuit Diagram | Comments | Reading(638)

Mazda 96TAURUS light off alarm module circuit

Published:2011/6/21 0:31:00 Author:John | Keyword: alarm module

Mazda 96TAURUS light off alarm module circuit
Mazda 96TAURUS light off alarm module circuit is shown.   (View)

View full Circuit Diagram | Comments | Reading(633)

Mazda 96TAURUS rear wiper washer circuit

Published:2011/6/21 0:31:00 Author:John | Keyword: rear wiper washer

Mazda 96TAURUS rear wiper washer circuit
Mazda 96TAURUS rear wiper washer circuit is shown.   (View)

View full Circuit Diagram | Comments | Reading(636)

Mazda 96TAURUS (with DRL) headlight circuit

Published:2011/6/21 0:31:00 Author:John | Keyword: headlight

Mazda 96TAURUS (with DRL) headlight circuit
Mazda 96TAURUS (with DRL) headlight circuit is shown.   (View)

View full Circuit Diagram | Comments | Reading(663)

Mazda 96TAURUS luggage compartment opening circuit

Published:2011/6/21 0:32:00 Author:John | Keyword: luggage compartment

Mazda 96TAURUS luggage compartment opening circuit
Mazda 96TAURUS luggage compartment opening circuit is shown.   (View)

View full Circuit Diagram | Comments | Reading(630)

Mazda 96TAURUS (automatic) air conditioner circuit

Published:2011/6/21 0:32:00 Author:John | Keyword: air conditioner

Mazda 96TAURUS (automatic) air conditioner circuit
Mazda 96TAURUS (automatic) air conditioner circuit is shown.   (View)

View full Circuit Diagram | Comments | Reading(636)

Mazda 96TAURUS body computer circuit

Published:2011/6/21 0:32:00 Author:John | Keyword: body computer

Mazda 96TAURUS body computer circuit
Mazda 96TAURUS body computer circuit is shown.   (View)

View full Circuit Diagram | Comments | Reading(1010)

Mazda 96TAURUS Ground distribution circuit

Published:2011/6/21 0:32:00 Author:John | Keyword: Ground distribution

Mazda 96TAURUS Ground distribution circuit
Mazda 96TAURUS Ground distribution circuit is shown.   (View)

View full Circuit Diagram | Comments | Reading(609)

Mazda 96TAURUS electric antenna circuit

Published:2011/6/21 0:32:00 Author:John | Keyword: electric antenna

Mazda 96TAURUS electric antenna circuit
Mazda 96TAURUS electric antenna circuit is shown.   (View)

View full Circuit Diagram | Comments | Reading(592)

Mazda 96TAURUS airbag circuit

Published:2011/6/21 0:33:00 Author:John | Keyword: airbag

Mazda 96TAURUS airbag circuit
Mazda 96TAURUS airbag circuit is shown.   (View)

View full Circuit Diagram | Comments | Reading(647)

Pages:29/47 At 202122232425262728293031323334353637383940Under 20