Position: Home > Circuit Diagram > Index 2019
Low Cost Custom Prototype PCB Manufacturer

Circuit Diagram

Index 2019

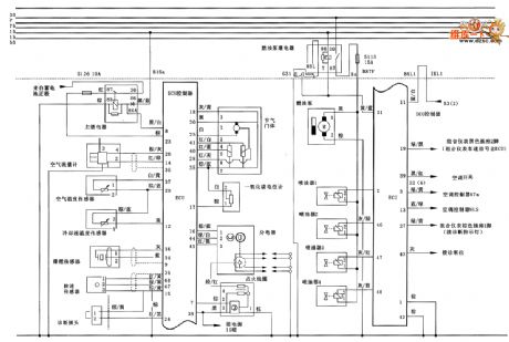
Zastava CA7220E type engine fuel injection system circuit diagram

Published:2011/4/24 21:36:00 Author:muriel | Keyword: Zastava , engine fuel injection system

Zastava CA7220E type engine fuel injection system circuit diagram
Zastava CA7220E type engine fuel injection system circuit diagram is as shown   (View)

View full Circuit Diagram | Comments | Reading(788)

Zastava CA7220E type motor-driven window circuit diagram

Published:2011/4/24 21:43:00 Author:muriel | Keyword: Zastava , motor-driven window

Zastava CA7220E type motor-driven window circuit diagram
Zastava CA7220E type motor-driven window circuit diagram is as shown   (View)

View full Circuit Diagram | Comments | Reading(529)

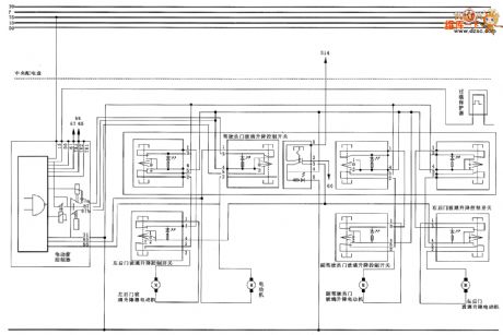
Zastava CA7220E type center gate lock system circuit diagram

Published:2011/4/24 21:45:00 Author:muriel | Keyword: Zastava, center gate lock system

Zastava CA7220E type center gate lock system circuit diagram
Zastava CA7220E type center gate lock system circuit diagram is as shown   (View)

View full Circuit Diagram | Comments | Reading(834)

Zastava CA7220E type buzzer, indoor light and radio cassette player circuit diagram

Published:2011/4/24 21:46:00 Author:muriel | Keyword: Zastava, buzzer, indoor light , radio cassette player

Zastava CA7220E type buzzer, indoor light and radio cassette player circuit diagram
Zastava CA7220E type buzzer, indoor light and radio cassette player circuit diagram is as shown   (View)

View full Circuit Diagram | Comments | Reading(785)

Zastava CA7220E type combination instrument and singal and cigar lighter circuit diagram

Published:2011/4/24 21:48:00 Author:muriel | Keyword: Zastava , combination instrument and singal, cigar lighter

Zastava CA7220E type combination instrument and singal and cigar lighter circuit diagram
Zastava CA7220E type combination instrument and singal and cigar lighter circuit diagram is as shown   (View)

View full Circuit Diagram | Comments | Reading(484)

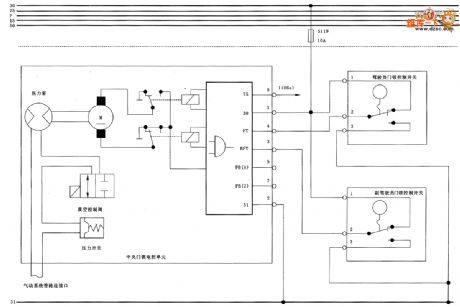
Wiping washing system, rear air window defrosting system and lighting system circuit diagram

Published:2011/4/24 21:51:00 Author:muriel | Keyword: Zastava , wiping washing system, rear air window defrosting system, lighting system

Wiping washing system, rear air window defrosting system and lighting system circuit diagram
Zastava CA7220E type wiping washing system, rear air window defrosting system and lighting system circuit diagram is as shown   (View)

View full Circuit Diagram | Comments | Reading(547)

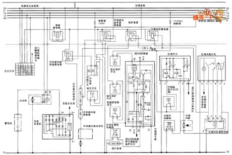
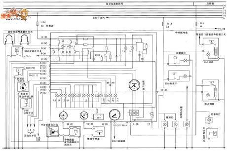
Zastava CA7220E type power supply, starting and air condition system circuit diagram

Published:2011/4/24 21:52:00 Author:muriel | Keyword: Zastava, power supply, starting and air condition system

Zastava CA7220E type power supply, starting and air condition system circuit diagram
Zastava CA7220E type power supply, starting and air condition systemcircuit diagram is as shown   (View)

View full Circuit Diagram | Comments | Reading(572)

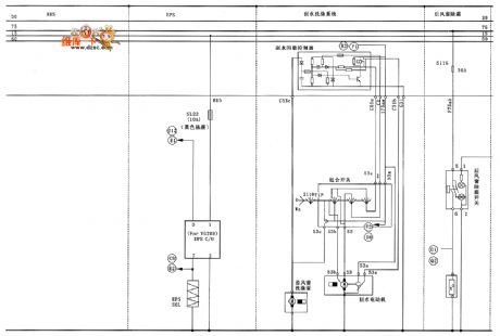
Zastava CA7200E3(L) type wiping washing system, rear air window defrosting system and ABS circuit diagram

Published:2011/4/24 21:29:00 Author:muriel | Keyword: Zastava , wiping washing system, rear air window defrosting system, ABS

Zastava CA7200E3(L) type wiping washing system, rear air window defrosting system and ABS circuit diagram
Zastava CA7200E3(L) type wiping washing system, rear air window defrosting system and ABS circuit diagram is as shown   (View)

View full Circuit Diagram | Comments | Reading(471)

Relay separation circuit of DTL

Published:2011/4/14 2:23:00 Author:muriel | Keyword: 2N1935, Relay separation circuit , DTL

Relay separation circuit of DTL
The character of the relay:coil impedance is 400Ω, action current is 55mA. In the circuit, transistor can offset and prevent the producing current to the tube. When DTL logic circuit output 0 , Q1 cut off, there is current flows go through in the LED, Q2 cut off, relay K1with no action. When DTL logic circuit output 1 , Q1 breakover, there is no current flows gothrough in the LED, Q2 breakover, The action time is connected with the mechanical response characteristics of relay.   (View)

View full Circuit Diagram | Comments | Reading(601)

Charger with current-limiting protection composed of CW117

Published:2011/4/20 1:23:00 Author:muriel | Keyword: charger , current-limiting protection

Charger with current-limiting protection composed of CW117
  (View)

View full Circuit Diagram | Comments | Reading(585)

MAX232 Connection methods

Published:2011/4/24 21:29:00 Author:Ecco | Keyword: Connection method

MAX232 Connection methods
  (View)

View full Circuit Diagram | Comments | Reading(614)

Serial taking power and 232 conversion

Published:2011/4/24 21:47:00 Author:Ecco | Keyword: Serial, taking power , 232 , conversion

Serial taking  power and 232 conversion
Serial taking  power and 232 conversion
Serial taking  power and 232 conversion

  (View)

View full Circuit Diagram | Comments | Reading(497)

A multi-purpose card reader principle diagram

Published:2011/4/24 22:02:00 Author:Ecco | Keyword: multi-purpose , card reader , principle diagram

A multi-purpose card reader principle diagram
  (View)

View full Circuit Diagram | Comments | Reading(1084)

1.5MHz to 5.7MHz Optical isolation type VYO circuit

Published:2011/4/20 22:33:00 Author:muriel | Keyword: 1.5MHz to 5.7MHz, Optical isolation type , VYO circuit

1.5MHz to 5.7MHz Optical isolation type VYO circuit
The circuitwithlong time frequency stability that can ignore thetemperature changes and eliminate the load on the frequency of the pulse. Oscillator uses theemitter coupled circuit , transistor isthe low-noise 2N3707. In addition, italso givesthe output amplifier and automatic amplitude control circuit. The circuit are designed for the equipment ofamateur radio enthusiasts.nt.   (View)

View full Circuit Diagram | Comments | Reading(540)

AT88RF circuit diagram

Published:2011/4/24 21:45:00 Author:Ecco

AT88RF circuit diagram
  (View)

View full Circuit Diagram | Comments | Reading(602)

The 8051 circuit diagram

Published:2011/4/24 21:55:00 Author:Ecco

The 8051 circuit diagram
  (View)

View full Circuit Diagram | Comments | Reading(1124)

SHANGHAI GM BUICK(Royaum) saloon car multifunction display screen circuit diagram

Published:2011/4/21 21:41:00 Author:muriel | Keyword: SHANGHAI GM BUICK(Royaum) , saloon car, multifunction display screen

SHANGHAI GM BUICK(Royaum) saloon car multifunction display screen circuit diagram
Figure SHANGHAI GM BUICK(Royaum) saloon car multifunction display screen circuit diagram   (View)

View full Circuit Diagram | Comments | Reading(538)

DONGFENG CITROEN Xsars starter and generator(automatic transmission) circuit diagram

Published:2011/4/24 21:39:00 Author:muriel | Keyword: DONGFENG CITROEN Xsars, starter, generator(automatic transmission)

DONGFENG CITROEN Xsars starter and generator(automatic transmission) circuit diagram
DONGFENG CITROEN Xsars starter and generator(automatic transmission) circuit diagram is as shown   (View)

View full Circuit Diagram | Comments | Reading(1443)

DONGFENG CITROEN Xsars fuel injector and ignition system(manual transmission) circuit diagram

Published:2011/4/24 21:39:00 Author:muriel | Keyword: DONGFENG CITROEN Xsars, fuel injector , ignition system(manual transmission)

DONGFENG CITROEN Xsars fuel injector and ignition system(manual transmission) circuit diagram
DONGFENG CITROEN Xsars fuel injector and ignition system(manual transmission) circuit diagram is as shown   (View)

View full Circuit Diagram | Comments | Reading(1744)

DONGFENG CITROEN Xsars fuel injector and ignition system(automatic transmission) circuit diagram

Published:2011/4/24 21:38:00 Author:muriel | Keyword: DONGFENG CITROEN Xsars , fuel injector, ignition system(automatic transmission)

DONGFENG CITROEN Xsars fuel injector and ignition system(automatic transmission) circuit diagram
DONGFENG CITROEN Xsars fuel injector and ignition system(automatic transmission) circuit diagram is as shown   (View)

View full Circuit Diagram | Comments | Reading(1248)

Pages:2019/2234 At 2020012002200320042005200620072008200920102011201220132014201520162017201820192020Under 20