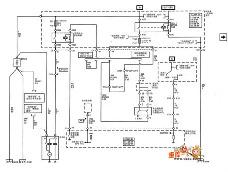
Published:2011/4/26 1:40:00 Author:Nicole | Keyword: GM, Cadillac, CTS car, 3.6 L motor
View full Circuit Diagram | Comments | Reading(629)
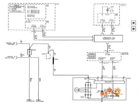
Published:2011/4/26 1:41:00 Author:Nicole | Keyword: GM, Cadillac, CTS car, 3.6 L motor
View full Circuit Diagram | Comments | Reading(463)
Published:2011/4/20 5:03:00 Author:Rebekka | Keyword: VCD remote control
View full Circuit Diagram | Comments | Reading(780)
Published:2011/4/24 10:03:00 Author:Rebekka | Keyword: wireless remote control


Transmitter circuit:
Receiver circuit:
Ultra-small wireless remote control use 400-meter digital encoder / decoder VD5026/VD5027 as the core and use emission-specific transistor LD-400, the remote distance is far, its operation stable and reliable. (View)
View full Circuit Diagram | Comments | Reading(2698)
Published:2011/4/24 10:59:00 Author:Rebekka | Keyword: DTMF , encoding and decoding , wireless calling implement


The wireless calling implement is composed of calling implement and the host. The two parts use DTMF encoder pulse to realise communication. Different calling implement has different codes only, the circuits are all the same. The calling implement is shown in figure 1. IC2 is the DTMF encoding specific integrated circuit (telephone dial tone can also be integrated circuits), which has four southbound R1 ~ R4, C1 ~ C4 line of four columns, external standard 4 × 4 matrix keyboard. It produces 16 different encoding. When any key is pressed, a row line and a column line are connected. Then the output pin corresponding to the end TONE tone pulses. It uses optocoupler number keys as the icon to connect to 1 # key. IC3 serial data of the long-wave radio transmitter module, which uses 150kHz carrier frequency, a strong anti-interference ability. IC2 pin dual audio pulses emitted modulated carrier out by the antenna.
(View)
View full Circuit Diagram | Comments | Reading(2292)
Published:2011/4/20 3:42:00 Author:Rebekka | Keyword: internal structure
View full Circuit Diagram | Comments | Reading(484)
Published:2011/4/20 3:36:00 Author:Rebekka | Keyword: internal structure
View full Circuit Diagram | Comments | Reading(493)
Published:2011/4/20 10:00:00 Author:Rebekka | Keyword: Light modulation
When the circuit is connected to the hi-fi equipment or at both ends of the electronic instruments speaker, the audio level can be modulated to 500W lamp by proportion. Using 3 appropriate sets of audio filters and 3 different color light Union microscopy to access to color music stage lighting effects. (View)
View full Circuit Diagram | Comments | Reading(1643)
Published:2011/4/2 1:55:00 Author:may | Keyword: ±5--±20V, slave tracking, stabilized voltage supply, minus side driven pulley plus side
View full Circuit Diagram | Comments | Reading(855)
Published:2011/4/24 9:38:00 Author:Christina | Keyword: Touch-type, anti-theft alarm
The touch-type anti-theft alarm can be used in wide range of applications such as the burglar alarm and the alarm of dangerous touch.etc. This alarm can automatic alarm and can automatic stop at the scheduled time.
As the figure showns. IC1 is the time-base integrated circuit NE555, the monostable trigger is composed of the IC1 and R1、C1、C2、C3. When no one touch the metal M1 to Mn, the circuit is stable, pin-3 of IC1 outputs the low-level signal, alarm circuit does not work. If anyone touch any piece of metal M1 to Mn, EMF of human body gives a negative pulse to pin-2 of IC1, the monostable circuit gets into the temporary-steady-state, pin-3 of IC1 become the high-level signal. This high-level signal makes the transistor V1 connect, so V2 also connect too, audio integrated circuits IC2 enters the working state. (View)
View full Circuit Diagram | Comments | Reading(977)
Published:2011/4/24 8:54:00 Author:Christina | Keyword: Power Disconnection, Alarm
The Power Disconnection Alarm Circuit is as shown:
(View)
View full Circuit Diagram | Comments | Reading(542)
Published:2011/4/20 20:13:00 Author:May | Keyword: High power, switching power supply, reliable performance
View full Circuit Diagram | Comments | Reading(3374)
Published:2011/4/25 2:55:00 Author:May | Keyword: Electronic controlled, fishing device
View full Circuit Diagram | Comments | Reading(2580)
Published:2011/4/20 20:23:00 Author:May | Keyword: Latest, practical, 5W, switching power supply
View full Circuit Diagram | Comments | Reading(3289)
Published:2011/4/25 2:48:00 Author:May | Keyword: UPS
View full Circuit Diagram | Comments | Reading(7685)
Published:2011/4/25 2:43:00 Author:May | Keyword: Super-audio frequency induction, heating power supply
View full Circuit Diagram | Comments | Reading(1868)
Published:2011/4/25 2:42:00 Author:May | Keyword: Fish trap 2
View full Circuit Diagram | Comments | Reading(1087)
Published:2011/4/25 2:41:00 Author:May | Keyword: Fish trap
View full Circuit Diagram | Comments | Reading(946)
Published:2011/4/22 4:10:00 Author:May | Keyword: Single-ended, forward transform isolation type, switching regulated power supply
View full Circuit Diagram | Comments | Reading(781)
Published:2011/4/22 6:47:00 Author:May | Keyword: Single-ended, fly back, switching, regulated power supply
View full Circuit Diagram | Comments | Reading(658)
| Pages:2008/2234 At 2020012002200320042005200620072008200920102011201220132014201520162017201820192020Under 20 |