Position: Home > Circuit Diagram > Index 460
Low Cost Custom Prototype PCB Manufacturer

Circuit Diagram

Index 460

Delay energy-saving lighting circuit diagram

Published:2011/10/14 3:09:00 Author:Ecco | Keyword: Delay energy-saving lighting

Delay energy-saving lighting circuit diagram
  (View)

View full Circuit Diagram | Comments | Reading(2404)

Optical double-control delay lamp circuit (1)

Published:2011/10/14 2:45:00 Author:Ecco | Keyword: Optical double-control , delay lamp

Optical double-control delay lamp circuit (1)
  (View)

View full Circuit Diagram | Comments | Reading(797)

LJC2200 (air conditioner, electric fan, tape recorder) radio remote control receiver circuit

Published:2011/10/14 2:19:00 Author:Ecco | Keyword: air conditioner, electric fan, tape recorder, radio remote control , receiver

LJC2200 (air conditioner, electric fan, tape recorder) radio remote control receiver circuit
  (View)

View full Circuit Diagram | Comments | Reading(2111)

Optical double-control delay lamp circuit (2)

Published:2011/10/14 2:44:00 Author:Ecco | Keyword: optical double-control , delay lamp

Optical double-control delay lamp circuit (2)
  (View)

View full Circuit Diagram | Comments | Reading(751)

M50116P/AP/BP/CP logic box circuit

Published:2011/10/14 3:08:00 Author:Ecco | Keyword: logic box

M50116P/AP/BP/CP logic box circuit
  (View)

View full Circuit Diagram | Comments | Reading(796)

M50116P/AP/BP/CP oscillator connection circuit diagram

Published:2011/10/14 3:07:00 Author:Ecco | Keyword: oscillator connection

M50116P/AP/BP/CP oscillator connection circuit diagram
  (View)

View full Circuit Diagram | Comments | Reading(766)

Shielding infrared automatical switching tap circuit

Published:2011/10/14 3:05:00 Author:Ecco | Keyword: Shielding infrared , automatical switching tap

Shielding infrared automatical switching tap circuit
  (View)

View full Circuit Diagram | Comments | Reading(872)

Optical isolation circuit diagram using as scanner

Published:2011/9/15 21:21:00 Author:Rebekka | Keyword: Optical isolation , scanner

Optical isolation circuit diagram using as scanner
The circuit includes a TIL139 source / detector assembly and the 75140 line receiver. It can be used to makeresponse to reflected light or interruption light. With 5V power supply, the output is standard TTL level.Itinserts the 500Ω potentiometer between R1 and R2 to make the sensitivity be adjusted, then75140's pin(7)is connected to (3) and itgets the output from (1). You can reverse the output polarity.   (View)

View full Circuit Diagram | Comments | Reading(1102)

Optical isolation circuit for isolating AC hum sound

Published:2011/9/15 21:25:00 Author:Rebekka | Keyword: Optical isolation , AC hum sound

Optical isolation circuit for isolating AC hum sound
In the TV's audio feed-in line, it uses optical isolators to prevent ground current power frequency cycle. It protects the low-level signals from the exchange om sound interference. This circuit should be used for generating high-quality sound and video output of the modulator.The optical isolator uses the photosensitiveLinton tube and infrared light emitting diode. It uses 50KΩ variable resistor regulatorto adjustdiode current and get the best compromise between the noise and distortion.   (View)

View full Circuit Diagram | Comments | Reading(3240)

The alarm circuit diagram of optical intensity controlling

Published:2011/9/15 21:27:00 Author:Rebekka | Keyword: alarm circuit, optical intensity controlling

The alarm circuit diagram of optical intensity controlling
The circuit is available for hunters, fishermen go for a job at dawn. By flashlight or inside lights this circuit can betriggered. So it can be used as fire and burglar alarm circuit. Only when the lights die out, the alarm will stop.   (View)

View full Circuit Diagram | Comments | Reading(1548)

The circuit of mobile phone charger

Published:2011/9/26 1:12:00 Author:Rebekka | Keyword: Mobile phone charger

The circuit of mobile phone charger
Here is the schematic diagram of the mobile phone charger circuit:   (View)

View full Circuit Diagram | Comments | Reading(7515)

Galaxy yh-250 v2.1 3.3v power supply circuit diagram

Published:2011/9/15 21:43:00 Author:Rebekka | Keyword: Galaxy , 3.3v power supply

Galaxy yh-250 v2.1 3.3v power supply circuit diagram
It uses FETs q13, tl43l and the comparator Lm339 to form regulated voltage circuit. It is shown as the figure. The sawtooth signal of IC ka7500b's first pin ⑤ is sent by 10kω resistor to the comparator lm393's pins ②, ⑥ (lm393 is composed of the two comparators, in the circuit, the two comparators are connected in parallel as a comparator, that is the same-phase terminals ③ and ⑤ are connected, and inverting terminals ⑥ and ② are connected, and the output terminals ⑦ and ① are connected), and the pulse width output by pins ①, ⑦ of lm393 is decided by the potential of lm393's pins ③, ⑤.   (View)

View full Circuit Diagram | Comments | Reading(1980)

Solar automatic tracking controller circuit diagram

Published:2011/9/15 21:54:00 Author:Rebekka | Keyword: Solar automatic tracking controller

Solar automatic tracking controller circuit diagram
There are 2 kinds of solar automatic tracking controllers. One is Schmitt trigger light control composed of a light sensor and a Schmitt trigger or monostable trigger. The second one is usingtwo light sensors and two comparators to form two light-control motors and controlforeward and reversing. As throughout the year, the strength of the sun in the morning and at noon changes in ambient light, and the range is enormous, the above two controllersare difficult to make large solar energy receiver track in the sun-weather season. The control circuit described here also includes two voltage comparators. Butthe input side of the light sensors is composed of two photosensitive resistors connectedin series.   (View)

View full Circuit Diagram | Comments | Reading(6429)

Excess temperature alarm circuit diagram

Published:2011/9/15 22:32:00 Author:Rebekka | Keyword: Excess temperature alarm

Excess temperature alarm circuit diagram
This circuitis composed ofa CMOS gate CC4011. It uses the ordinary thermistor for temperature measurement and it can emit sound, light and alarm. The two doors around the left side form the 2HZ controllable oscillator, and thetwo doors on the right formthe 400HZ controlled oscillator. When the temperature is normal, the partial-pressureof thermistor resistor RT and resistor R is lower than threshold voltage of NAND gate, two oscillators do not work. Once it is over temperature, RT is small enough, the first class NAND gate opens, the oscillator works, and the red and green light-emitting diodes alternating work, thenlthe oudspeaker emitssound. To save the transistor,it requires two tubes with the β> 150.   (View)

View full Circuit Diagram | Comments | Reading(1281)

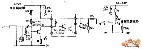
Low current anti-theft alarm circuit diagram

Published:2011/9/15 22:35:00 Author:Rebekka | Keyword: Low current anti-theft alarm

Low current anti-theft alarm circuit diagram
Detector RPY86 is produced by Mullard, and it only makes responses to the wavelength which isgreater than 6μm. It has not any response to thebackground light caused by sunlight and the sun. In order to gather infrared light onto the detector, it uses cheap mirror instead of Lens. μA776 is a programmable operational amplifier, and its bias current is only 300μA, which can be recharged by a small battery. Ra should be selected carefully, and the first operational amplifier's input voltage is 2 ~ 6V. Only when the thieves walk around the monitored area, the changes caused by the incident light will makethis circuit pull the alarm relay RL.   (View)

View full Circuit Diagram | Comments | Reading(1607)

Flash alarm circuit diagram

Published:2011/9/15 22:36:00 Author:Rebekka | Keyword: Flash alarm

Flash alarm circuit diagram
When people reach the safe or other metal objects, in order to get the photo of people, the sensor circuit will send a pulse to the warning circuit. Its positive edge will start work around semiconductor silicon-controlled rectifier and GE flash tube to drive the camera.   (View)

View full Circuit Diagram | Comments | Reading(1109)

E-anesthetic circuit diagram

Published:2011/9/15 22:46:00 Author:Rebekka | Keyword: E-anesthetic

E-anesthetic circuit diagram
As shown is the electronic anesthesia circuit. The circuit can output 8 groups of electrode which output at the same time independently. Regulating any one of the groups, other groups will not be affected. You can choose the 2Hz ~ 50Hz frequency range. Generally taking 2 ~ 3Hz operating frequency will make 8-output cost 100mW power. Since the transistor oscillator is basically a constant current source, when 2 more groups output at the same time(such as 4 groups), if one group outputs high, the negative pulse output of other groups will be low. That means, they will influence each other. It is bad for E-anesthetic. So we should avoid this situation. To eliminate this shortcoming. We can add one Zener diode at both ends of the oscillator output transformer primary winding,. It play the role of limiting the regulator.   (View)

View full Circuit Diagram | Comments | Reading(1751)

Cadillac luggage lock circuit diagram

Published:2011/9/15 2:20:00 Author:Rebekka | Keyword: Cadillac, Luggage lock

Cadillac luggage lock circuit diagram
  (View)

View full Circuit Diagram | Comments | Reading(730)

Chang an Star entire vehicle system circuit diagram

Published:2011/9/15 2:16:00 Author:Rebekka | Keyword: Chang an Star, entire vehicle system

Chang an Star entire vehicle system circuit diagram
  (View)

View full Circuit Diagram | Comments | Reading(859)

Cadillac heating seats circuit diagram

Published:2011/9/15 2:16:00 Author:Rebekka | Keyword: Cadillac, heating seats

Cadillac heating seats circuit diagram
  (View)

View full Circuit Diagram | Comments | Reading(714)

Pages:460/2234 At 20441442443444445446447448449450451452453454455456457458459460Under 20