Published:2011/7/17 8:10:00 Author:Robert | Keyword: Stabilized Voltage Supply, Over-Voltage, Protection
The picture shows the stabilized voltage supply adding additional over-voltage protection circuit. (View)
View full Circuit Diagram | Comments | Reading(534)
Published:2011/7/15 22:22:00 Author:Christina | Keyword: method, output voltage, ringing switch, power supply
In the simple ringing current-limit type switching voltage stabilization circuit, the output voltage Vo is proportional to the negative bias Uc. If you want to change the output voltage, you need to change the Uc, as shown in the figure.
The collector electrode of the transistor VT2 is connected with the negative terminal of the capacitor C2. Once the Uc2 rises, the current which flows through the zener diode VD2 and the transistor VT2 will increase to conduct VT2. Because the collector electrode current of VT2 shortens the conduction time of the switching transistor VT1, so we can cut off the circuit in advance to reduce the output voltage Vo. (View)
View full Circuit Diagram | Comments | Reading(674)
Published:2011/7/17 8:04:00 Author:Robert | Keyword: Over-Voltage, Protection, Principle, Over-Heat
The pictrue shows the over-voltage protection circuit by using the principle of over-heat generated by over-voltage. (View)
View full Circuit Diagram | Comments | Reading(594)
Published:2011/7/17 9:42:00 Author:Robert | Keyword: Over-Voltage, Protection, Fuse, Thyristor
The picture shows the over-voltage protection circuit composed of fuse and thyristor. (View)
View full Circuit Diagram | Comments | Reading(776)
Published:2011/7/16 9:47:00 Author:Robert | Keyword: Over-Voltage, Protection, Transistor
The picture shows the over-voltage protection circuit composed of transistors. (View)
View full Circuit Diagram | Comments | Reading(657)
Published:2011/7/16 9:55:00 Author:Robert | Keyword: Over-Voltage, Protection, Transistor, Relay
The picture shows the over-voltage protection circuit composed of transistor and relay (2). (View)
View full Circuit Diagram | Comments | Reading(631)
Published:2011/7/16 9:52:00 Author:Robert | Keyword: Over-Voltage, Protection, Transistor, Relay
The picture shows the over-voltage protection circuit composed of transistor and relay (1). (View)
View full Circuit Diagram | Comments | Reading(654)
Published:2011/7/17 9:46:00 Author:Robert | Keyword: Starting, FET
The picture shows the starting circuit by using FET. (View)
View full Circuit Diagram | Comments | Reading(572)
Published:2011/7/16 10:03:00 Author:Robert | Keyword: Battery, Protection
The picture shows the battery protection circuit. (View)
View full Circuit Diagram | Comments | Reading(808)
Published:2011/7/17 8:01:00 Author:Robert | Keyword: Practical, Under-Voltage, Over-Voltage, Protection
The picture shows the practical under-voltage and over-voltage protection circuit. (View)
View full Circuit Diagram | Comments | Reading(2475)
Published:2011/7/17 8:18:00 Author:Robert | Keyword: Power, Over-Voltage, Protection
The picture shows the power over-voltage protection circuit by using μPC3423. (View)
View full Circuit Diagram | Comments | Reading(616)
Published:2011/7/17 8:13:00 Author:Robert | Keyword: I/O, Interface, Static, Switch, Driving
The picture shows the I/O interface and static switch driving circuit. (View)
View full Circuit Diagram | Comments | Reading(511)
Published:2011/7/17 8:14:00 Author:Robert | Keyword: Electronic, Switch, Driving
The picture shows the electronic switch and driving circuit. (View)
View full Circuit Diagram | Comments | Reading(632)
Published:2011/7/16 5:52:00 Author:Christina | Keyword: Dual polarity, voltage stabilizer, three-port, voltage stabilizer
View full Circuit Diagram | Comments | Reading(646)
Published:2011/7/17 9:48:00 Author:Robert | Keyword: Sensor, Structure
The picture shows the sensor structure circuit. (View)
View full Circuit Diagram | Comments | Reading(533)
Published:2011/7/16 4:26:00 Author:Christina | Keyword: inverter


Data: base coil 8-10 turns (two groups), Primary coil 18-24 turns (two groups), Subprime coil600-800 turns, the high power relay. The 39 and 2.7ohms resistabce is 2-4W; the 6uF capacitance's voltage is 1000V.
(View)
View full Circuit Diagram | Comments | Reading(737)
Published:2011/7/16 4:22:00 Author:Christina | Keyword: inverter
View full Circuit Diagram | Comments | Reading(888)
Published:2011/7/16 4:18:00 Author:Christina | Keyword: inverter
View full Circuit Diagram | Comments | Reading(850)
Published:2011/7/16 4:18:00 Author:Christina | Keyword: inverter
View full Circuit Diagram | Comments | Reading(2431)
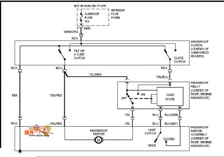
Published:2011/7/16 22:44:00 Author:nelly | Keyword: Mazda, electrical ceiling
View full Circuit Diagram | Comments | Reading(462)
| Pages:1530/2234 At 2015211522152315241525152615271528152915301531153215331534153515361537153815391540Under 20 |