Position: Home > Circuit Diagram > Index 1525
Low Cost Custom Prototype PCB Manufacturer

Circuit Diagram

Index 1525

Homemade 12 V vehicle interior lighting LED circuit

Published:2011/7/16 8:13:00 Author:Fiona | Keyword: vehicle interior, lighting LED

Homemade 12 V vehicle interior lighting LED circuit
Homemade 12 V vehicle interior lighting LED circuit is showen as above:   (View)

View full Circuit Diagram | Comments | Reading(476)

Wireless remote control add, subtract resistor network circuit

Published:2011/7/16 8:53:00 Author:Fiona | Keyword: Wireless remote control, add, subtract resistor

Wireless remote control add, subtract resistor network circuit
Wireless remote control add, subtract resistor network circuit is shown as above:   (View)

View full Circuit Diagram | Comments | Reading(581)

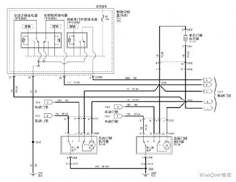
Maverick 2005 electric locks circuit

Published:2011/7/15 2:02:00 Author:Fiona | Keyword: electric locks

Maverick 2005 electric locks circuit
  (View)

View full Circuit Diagram | Comments | Reading(832)

Maverick 2005 electric seats circuit

Published:2011/7/15 2:03:00 Author:Fiona | Keyword: electric seats

Maverick 2005 electric seats circuit
  (View)

View full Circuit Diagram | Comments | Reading(458)

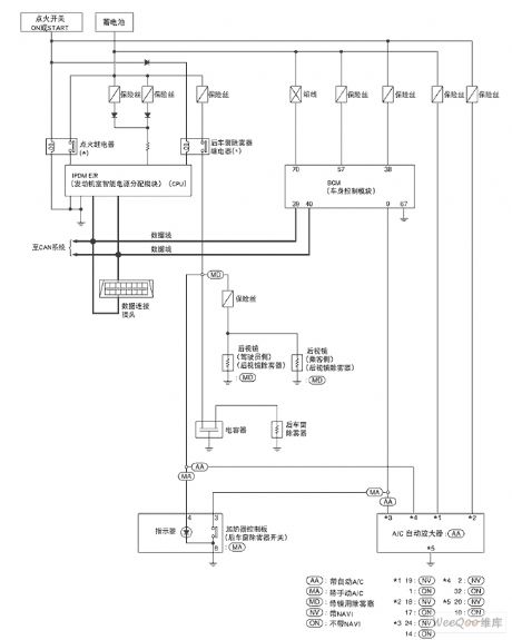
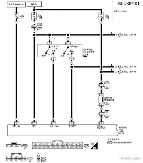
Tiida-BL smart keyless entry system circuit

Published:2011/7/15 2:04:00 Author:Fiona | Keyword: smart keyless entry system

Tiida-BL smart keyless entry system circuit
  (View)

View full Circuit Diagram | Comments | Reading(1183)

maverick 2005 electrothermal windows circuit

Published:2011/7/15 2:15:00 Author:Fiona | Keyword: electrothermal windows

maverick 2005 electrothermal windows circuit
  (View)

View full Circuit Diagram | Comments | Reading(450)

maverick 2005 supplemental restraint system circuit

Published:2011/7/15 2:16:00 Author:Fiona | Keyword: supplemental restraint system

maverick 2005 supplemental restraint system circuit
  (View)

View full Circuit Diagram | Comments | Reading(467)

maverick 2005 rear wiper and scrubber circuit

Published:2011/7/15 2:17:00 Author:Fiona | Keyword: rear wiper, scrubber

maverick 2005 rear wiper and scrubber circuit
  (View)

View full Circuit Diagram | Comments | Reading(502)

maverick 2005 shift interlock circuit

Published:2011/7/15 2:22:00 Author:Fiona | Keyword: shift interlock

maverick 2005 shift interlock circuit
  (View)

View full Circuit Diagram | Comments | Reading(459)

Audi A6-navigation system circuit Figure 2

Published:2011/7/15 2:29:00 Author:Fiona | Keyword: navigation system

Audi A6-navigation system circuit Figure 2
  (View)

View full Circuit Diagram | Comments | Reading(491)

Audi A6-navigation system circuit Figure 1

Published:2011/7/15 2:30:00 Author:Fiona | Keyword: navigation system

Audi A6-navigation system circuit Figure 1
  (View)

View full Circuit Diagram | Comments | Reading(535)

Audi A6-electric rear window shading shutter circuit Figure 2

Published:2011/7/15 2:31:00 Author:Fiona | Keyword: rear window, shading shutter

Audi A6-electric rear window shading shutter circuit Figure 2
  (View)

View full Circuit Diagram | Comments | Reading(473)

Audi A6-electric rear window shading shutter circuit Figure 1

Published:2011/7/15 2:32:00 Author:Fiona | Keyword: rear window, shading shutter

Audi A6-electric rear window shading shutter circuit Figure 1
  (View)

View full Circuit Diagram | Comments | Reading(418)

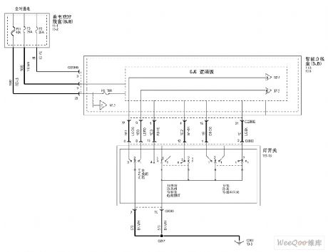
Tiida rear window demister circuit

Published:2011/7/15 1:32:00 Author:Fiona | Keyword: rear window demister

Tiida rear window demister circuit
  (View)

View full Circuit Diagram | Comments | Reading(1030)

Audi A6-automatic transmission multitronic circuit which is controlled by electronic

Published:2011/7/15 1:37:00 Author:Fiona | Keyword: automatic transmission, multitronic

Audi A6-automatic transmission multitronic circuit which is controlled by electronic
  (View)

View full Circuit Diagram | Comments | Reading(520)

Audi A6-efi engine (246 kW Motronic eight cylinders) circuit

Published:2011/7/15 1:48:00 Author:Fiona | Keyword: efi engine, 246 kW Motronic eight cylinders

Audi A6-efi engine (246 kW Motronic eight cylinders) circuit
Audi A6-efi engine (246 kW Motronic eight cylinders) circuit
Audi A6-efi engine (246 kW Motronic eight cylinders) circuit

  (View)

View full Circuit Diagram | Comments | Reading(558)

Audi A6-MMI and Bose sound system circuit

Published:2011/7/15 1:49:00 Author:Fiona | Keyword: A6-MMI, sound system

Audi A6-MMI and Bose sound system circuit
  (View)

View full Circuit Diagram | Comments | Reading(2846)

Audi A6-MMI and 6 channel DSP digital sound processing system(9VD) circuit

Published:2011/7/15 1:51:00 Author:Fiona | Keyword: A6-MMI, digital sound processing system

Audi A6-MMI and 6 channel DSP digital sound processing system(9VD) circuit
  (View)

View full Circuit Diagram | Comments | Reading(1425)

maverick 2005 daytime running light circuit

Published:2011/7/15 1:54:00 Author:Fiona | Keyword: daytime running light

maverick 2005 daytime running light circuit
  (View)

View full Circuit Diagram | Comments | Reading(553)

maverick 2005 warning device circuit

Published:2011/7/15 1:55:00 Author:Fiona | Keyword: warning device

maverick 2005 warning device circuit
  (View)

View full Circuit Diagram | Comments | Reading(521)

Pages:1525/2234 At 2015211522152315241525152615271528152915301531153215331534153515361537153815391540Under 20