Published:2011/7/10 19:29:00 Author:TaoXi | Keyword: Wuling, Spark, meter switch, air conditioning, audio circuit
The Wuling Spark meter switch, air conditioning audio circuit is as shown in the figure:
(View)
View full Circuit Diagram | Comments | Reading(910)
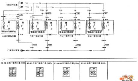
Published:2011/7/10 19:27:00 Author:TaoXi | Keyword: Hainan Mazda, Familia, central, door lock
The Hainan Mazda Familia car central door lock circuit is as shown in the figure:
(View)
View full Circuit Diagram | Comments | Reading(1162)
Published:2011/7/10 19:24:00 Author:TaoXi | Keyword: Blocking, communication device, power supply
Figure:Blocking communication device power supply circuit uses the TDA4600
(View)
View full Circuit Diagram | Comments | Reading(2469)
Published:2011/7/10 19:23:00 Author:TaoXi | Keyword: Southeast, Lioncel, remote control, anti-theft, electric door and window, cooling system, demister, heater system
The Southeast Lioncel remote control anti-theft electric door and window, cooling system, demister and heater system circuit is as shown in the figure:
(View)
View full Circuit Diagram | Comments | Reading(691)
Published:2011/7/10 18:58:00 Author:leo | Keyword: Video converting, resistance conversion
TEA2014 is width band video converting switch which is widely used in television circuit to convert the video signal.
1.Function features:TEA2014 has the features of signal voltage gain, resistance conversion, input and output short circuit protection, high definition, low power consumption and others. 2.Pin functions and data:TEA2014 uses 8 pin package and its pin functions as well as the related information are shown in the picture 1-1. (View)
View full Circuit Diagram | Comments | Reading(833)
Published:2011/7/10 19:20:00 Author:TaoXi | Keyword: audio IC
The LA4145 audio IC circuit is as shown in the figure:
(View)
View full Circuit Diagram | Comments | Reading(1069)
Published:2011/7/10 19:12:00 Author:leo | Keyword: Single chip, record, playback



CXAl278N is a single chip record playback integrated circuit produced by Sony Company in Japan which is widely used in mini recorders.
1.CXAl278N inner circuit diagram and pin functions:CXAl278N contains two similar microphone recording amplifier, record play back amplifier, record amplifier and LED instruction control circuit, filter, record auto electric level control circuit, based voltage circuit, record/play converting circuit and others. The inner circuit diagram of CXAl278N is shown in the picture 1.2. CXAl278N classic applying circuit is shown in the picture 2. (View)
View full Circuit Diagram | Comments | Reading(1256)
Published:2011/7/10 19:24:00 Author:leo | Keyword: Dual channel, power amplifier



LA4533M is a dual channel power amplifier integrated circuit produced by Sony Company in Japan which is widely used in mini recorder, walk man and other low voltage and small power stereo system.1. LA4533M inner circuit diagram and pin functions:LA4533M contains two power amplifiers, power supply AMACP switch circuit, and filter. It uses 10-pin dual-line package. The inner circuit diagram of LA4533M is shown in the picture 1-1.2. CXAl278N classic applying circuit is shown in the picture 1-2. (View)
View full Circuit Diagram | Comments | Reading(1876)
Published:2011/7/10 19:18:00 Author:TaoXi | Keyword: Zero type, rectifier, voltage stabilization
The circuit voltage regulator tube is connected with the capacitor and resistor components. The voltage regulator tube is connected with the AC power supply through the input capacitance in the conduction direction of it, and it limits the current in the blocking direction, so the rear capacitance recharges to stabilize the output voltage. This circuit has larger voltage pulse than the bridge type, and because the circuit is connected with the AC power supply directly, so the current consumption is small.
Figure:Zero type rectifier voltage stabilization circuit (View)
View full Circuit Diagram | Comments | Reading(787)
Published:2011/7/10 19:11:00 Author:TaoXi | Keyword: audio IC
The LA4101 audio IC circuit is as shown in the figure:
(View)
View full Circuit Diagram | Comments | Reading(1676)
Published:2011/7/10 19:09:00 Author:TaoXi | Keyword: audio IC
The LA3600 audio IC circuit is as shown in the figure:
(View)
View full Circuit Diagram | Comments | Reading(4475)
Published:2011/7/10 19:08:00 Author:TaoXi | Keyword: Southeast, Freeca, power-supply distribution, charging, starting, ignition, cigarette lighter system
The Southeast Freeca power-supply distribution, charging, starting, ignition and cigarette lighter system circuit is as shown in the figure:
(View)
View full Circuit Diagram | Comments | Reading(674)
Published:2011/7/10 19:30:00 Author:TaoXi | Keyword: Hainan, Mazda, Familia, sedan, audio system
The Hainan Mazda Familia sedan audio system circuit is as shown in the figure:
(View)
View full Circuit Diagram | Comments | Reading(688)
Published:2011/7/10 19:31:00 Author:TaoXi | Keyword: Charging circuit
View full Circuit Diagram | Comments | Reading(615)
Published:2011/7/8 4:35:00 Author:Christina | Keyword: interface circuit, single-chip microcomputer
The 3-wire interface of the AD7714 can be equipped with a variety kinds of microcontrollers (contains the microcontroller or the microprocessor). The 3-wire serial interface can be used in the isolation system, and it can reduce the number of the optical coupler to minimum. The interface circuit of the AD7714 and 80C51 (or the 87C51, 89C51) is as shown in the figure. The 80C51 only use two interface leads (P3.0,P3.1). At this time, the non-bit DRDY of the monitoring configuration register can be used to determine the update time of the data register.
(View)
View full Circuit Diagram | Comments | Reading(667)
Published:2011/7/10 4:47:00 Author:leo | Keyword: PWM control/drive, full integration, half-bridge
(View)
View full Circuit Diagram | Comments | Reading(1464)
Published:2011/7/8 4:39:00 Author:Christina | Keyword: Southeast soveran, Mitsubishi Space, manual, air conditioning
The Southeast soveran (Mitsubishi Space) manual air conditioning circuit (6) is as shown in the figure:
(View)
View full Circuit Diagram | Comments | Reading(504)
Published:2011/7/8 4:45:00 Author:Christina | Keyword: Xiaoshentong, automatic, washing machine, principle diagram
Xiaoshentong XQB40-F automatic washing machine circuit principle diagram is as shown in the figure:
(View)
View full Circuit Diagram | Comments | Reading(2696)
Published:2011/7/8 5:25:00 Author:Christina | Keyword: Typical application
The typical application circuit of the TSS400-S1/S2 is as shown in the figure. This system uses the 3V lithium battery (E) as the power supply, the C1 and C2 are the power-supply decoupling capacitance. The crystal frequency is 32.768kHz. The external memories uses two pieces of 512 bytes 24C04 type E2PROM. The silicon pressure sensor is in the range of dotted line. You can get the measurement accuracy that is equivalent with the voltage value of 12-bit ADC by using the temperature compensation software. The analog circuit of the figure is connected with the USDD port, and it supplies power to the sensor only when the circuit need the A/D conversion, this can save the power consumption of the whole system.
(View)
View full Circuit Diagram | Comments | Reading(599)
Published:2011/7/8 5:18:00 Author:Christina | Keyword: High input, high output, integrated, voltage stabilization, power supply
View full Circuit Diagram | Comments | Reading(557)
| Pages:1581/2234 At 2015811582158315841585158615871588158915901591159215931594159515961597159815991600Under 20 |