Published:2011/7/7 7:50:00 Author:Seven | Keyword: protection switch
View full Circuit Diagram | Comments | Reading(638)
Published:2011/7/7 21:48:00 Author:Seven | Keyword: electric switch circuit, touch type
Here is to introduce an electric switch circuit composed of CMOS digital circuit, which can be used to control the lighting lamp, ventilator and other low power electric apparatus. The electric switch circuit of touch type consists of the power supply circuit, touch control input circuit, single stable trigger circuit, dual stable trigger and control executing circuit, see as the figure.
Element selectionR1~R7 are the 1/4W carbon film resistor or metal film resistor.C1 is the high frequency pottery capacitor; C2 is the Ta electrolytic capacitor or high grade aluminum electrolytic capacitor. (View)
View full Circuit Diagram | Comments | Reading(701)
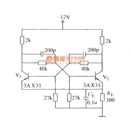
Published:2011/7/7 8:34:00 Author:Seven | Keyword: dual stable circuit, diode clamper
View full Circuit Diagram | Comments | Reading(871)
Published:2011/7/7 8:31:00 Author:Seven | Keyword: dual stable circuit, self-bias voltage
View full Circuit Diagram | Comments | Reading(690)
Published:2011/7/7 8:30:00 Author:Seven | Keyword: electric magnet, executing circuit
View full Circuit Diagram | Comments | Reading(598)
Published:2011/7/7 0:01:00 Author:Fiona | Keyword: Active, biquad low-pass filter
Active filter circuit is shown as above, its center frequency is1KHz, the quality factor Q = 50, gain KV = 100 (it's equal to 40dB)
(View)
View full Circuit Diagram | Comments | Reading(796)
Published:2011/7/6 23:54:00 Author:chopper | Keyword: function, data, pins, IC
TDA9111 —— l(2)C bus control line-field scanning integrated circuitTDA9111 is a IzC bus control line-field scanning integrated circuit produced by Company Phillips,and it is applied to 75Hz progressive scanning PJTV.1.Function characteristics TDA9111 integrated circuit contains the the microprocessor of I(2)C bus control interface,as well as the unit circuits like line-field synchronization, line-field oscillation, B+ field correction Moore processing,dynamic focus form, line dual phase-locked loop, X-ray protection, raster geometry distortion and so on.
(View)
View full Circuit Diagram | Comments | Reading(548)
Published:2011/7/7 0:04:00 Author:chopper | Keyword: function, data, pins, IC


TDA8844--monolithic small signal processing integrated circuitTDA8844 is one of the TDA88XX series monolithic small signal processing integrated circuits produced by Company Phillips,and it is applied to large screen and PJTV,such as Changhong 51PT28A PJTV and so on.1.The inner circuitTDA8844 IC includes:image intermediate frequency amplifier circuit,video detector circuit,sound intermediate frequency limiting amplifier circuit, frequency discriminator,TV/AV switching circuit,luminance signal processing circuit,color signal processing circuit and the RGB circuit as well as small signal scanning processing circuit.
(View)
View full Circuit Diagram | Comments | Reading(6118)
Published:2011/7/7 0:10:00 Author:chopper | Keyword: funciton, data, pins, IC
TDA8841--TV small signal processing monolithic integrated circuitTDA8841 is a TV small signal processing monolithic integrated circuit produced by Company Phillips,and it is applied to various homemade and import color TV,such as TCL Yinjia series.1.Function characteristics TDA8841 IC contains the image and audio signal processing circuit,line and field scanning small signal processing circuit,chroma and luminance signal processing circuit,I(2)C bus interface circuit,character-display signal processing circuit,external video or luminance (Y) input signal processing circuit, and other auxiliary functions circuits.
(View)
View full Circuit Diagram | Comments | Reading(17730)
Published:2011/7/7 0:18:00 Author:chopper | Keyword: function, data, pins, integrated circuit


TDA8839--TV small signal processing monolithic integrated circuitTDA8839 is a TV small signal processing monolithic integrated circuit produced by Company Phillips,and it is applied to homemade and import large-screen color TVs.1.Function characteristics TDA8839 integrated circuit includes image and sound intermediate frequency signal processing circuit, small signal line scanning circuit,luminance and chrominance signal processing circuit, and other auxiliary function circuits.2.function and data of pinsTDA8839 adopts dual inline 56 pinned package.and its function and data of pins of the IC are shown as chart 58.
(View)
View full Circuit Diagram | Comments | Reading(647)
Published:2011/7/7 0:28:00 Author:chopper | Keyword: function, data, pins, IC
TDA8380A-- switching power supply thick film integrated circuit TDA8380A is a switching power supply thick film integrated circuit produced by Company Phillips,and it is applied to KangLi MFM一7193 cassette mechanism color TVs(CE6648,M5921 and so on),Kaige 4C710i type color TVs.1.Function characteristics TDA8380A integrated circuit contains the oscillator circuit,main reference voltage setting circuit,voltage regulator error amplifier circuit, undervoltage protection circuit,overcurrent detection circuit,duty ratio control circuit,and other auxiliary function circuits.2.function and data of pinsThe function and data of pins of the TDA8380A IC are shown as chart 57.
(View)
View full Circuit Diagram | Comments | Reading(904)
Published:2011/7/7 0:35:00 Author:chopper | Keyword: function, data, pins, IC
1.Function characteristicsTDA8356 integrated circuits containis field scanning driver stage signal amplification circuit, power amplifier circuit of field output signal, fieldblanking signal generating circuit,field excitation circuit and field output powering circuit,and other auxiliary function circuits.2.function and data of pinsTDA8356 IC adopts single inline 9 pinned package,its function and data of pins of the IC are shown as chart 56.
(View)
View full Circuit Diagram | Comments | Reading(1866)
Published:2011/7/7 0:46:00 Author:chopper | Keyword: function, data, pins, IC
TDA8354Q--field scanning output integrated circuitTDA8354Q is a new field scanning output integrated circuit produced by Company Phillip,and it is applied to homemade and import large-screen color TVs.1.Function characteristicsTDA8354Q integrated circuits contains field sawtooth wave signal generating circuit,field prestage signal amplifier circuit,field output power amplifier circuit,field synchronous signal processing circuit, field prestage powering circuit, and other auxiliary function circuits.
(View)
View full Circuit Diagram | Comments | Reading(499)
Published:2011/7/7 0:47:00 Author:chopper | Keyword: function, data, pins, IC
2.function and data of pinsIts function and data of pins of the TDA8351AQ IC are shown as chart 54.
(View)
View full Circuit Diagram | Comments | Reading(595)
Published:2011/7/7 0:59:00 Author:chopper | Keyword: field scanning, output, IC


TA8403K is a field scanning output integrated circuit,and it is applied to homemade and import large-screen color TVs.1.Function characteristicsTA8403K integrated circuits contains field excitation and output circuits,field pump power circuit and so on.The maximum output current is 1.6Ap-p, maximum output power is 8W.The inner circuit and typical applicatin circuit are shown as picture 1.
2.function and data of pinsTA8403K IC adopts single inline 7 pinned package,and it is applied to Changhong KR231FB color TVs,and the function and data of pins of its IC are shown as chart 1.
(View)
View full Circuit Diagram | Comments | Reading(3148)
Published:2011/7/7 1:10:00 Author:chopper | Keyword: buffer, isolated, capacitive load
The picture shows the buffer circuit of isolated capacitive load.The general operational amplifier will greatly effect the circuit stability,and its dynamic performance will decline seriously when it is connected to capacitive load.However,the circuit shown in picture is able to drive capacitive loads,because the circuit uses the FET input-based media isolation broadband op-amp OPA606 to form amplifier,and to idealized the load ability of amplifition circuit. (View)
View full Circuit Diagram | Comments | Reading(1201)
Published:2011/7/6 6:06:00 Author:chopper | Keyword: audio power amplifier, integrated circuit
TA8356BH is a new audio power amplifier integrated circuitproduced by Company Toshiba,and it is applied to audio equipment, the multimedia sound,TV acoustics and so on.1.Function characteristics TA8256BH integrated circuits contains three-way audio power amplifier circuit, mute control circuit, and other auxiliary functions circuit. 2 function and data of pins TA8256BH IC adopts 12-pinned single in-line package,and it is used in large-screen TV of Haier Body Strong 34F9BT-TD series, its function and data of pins of the IC are listed in Chart 1.
(View)
View full Circuit Diagram | Comments | Reading(1021)
Published:2011/7/6 5:57:00 Author:chopper | Keyword: surround sound, control integrated circuit


TA8173AP is a surround sound control integrated circuit produced by Company Toshiba ,and it is applied to karaoke, TV sound system.1.The inner circuit and typical application circuit of TA8173APThe inner circuit and typical application circuit of TA8173AP integrated package are shown as picture 1.
2.function and data of pins of TA8173APTA8173AP integrated circuit adopts dual inline 16 pinned package,and its function and data of pins are shown as chart 1.
(View)
View full Circuit Diagram | Comments | Reading(3171)
Published:2011/7/6 21:29:00 Author:Christina | Keyword: Epica, starting, charging system
The Epica starting and charging system circuit is as shown in the figure:
(View)
View full Circuit Diagram | Comments | Reading(678)
Published:2011/7/6 21:24:00 Author:Christina | Keyword: RF, power control system
The RF power control system which is composed of the AD8362 is as shown in the figure, the pin-11 is connected with the set-point voltage USET, the voltage range is 0.5~3.5V. The controlled system is RF power amplifier (PA). You can set the input power of PA is PI, the output power is Po, the Po changes with the control voltage Vo that is added on the control port APC. You can form the control loop by using the power feedback circuit to make the output power of PA the same with the set value. PIN is the feedback power, R is the sampling resistance of the feedback power.
(View)
View full Circuit Diagram | Comments | Reading(747)
| Pages:1595/2234 At 2015811582158315841585158615871588158915901591159215931594159515961597159815991600Under 20 |