Position: Home > Circuit Diagram > power supply circuit > Index 63
Low Cost Custom Prototype PCB Manufacturer

power supply circuit

Index 63



300VA UPS computer power supply circuit

Published:2011/8/29 3:46:00 Author:TaoXi | Keyword: 300VA, UPS, computer, power supply

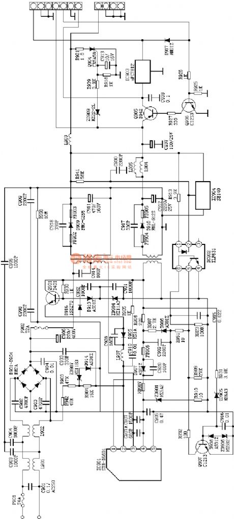
300VA UPS computer power supply circuit
  (View)

View full Circuit Diagram | Comments | Reading(3762)

A3 power supply circuit

Published:2011/8/29 3:43:00 Author:TaoXi | Keyword: power supply

A3 power supply circuit
  (View)

View full Circuit Diagram | Comments | Reading(1018)

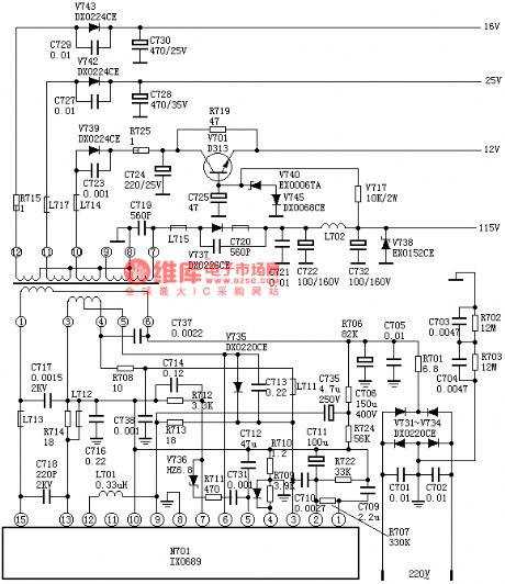
IX0689 power supply circuit

Published:2011/8/29 3:43:00 Author:TaoXi | Keyword: power supply

IX0689 power supply circuit
  (View)

View full Circuit Diagram | Comments | Reading(1082)

The switch power supply:Hitachi A3P-B2 power supply

Published:2011/8/13 2:12:00 Author:qqtang | Keyword: Hitachi, switch power supply

The switch power supply:Hitachi A3P-B2 power supply
  (View)

View full Circuit Diagram | Comments | Reading(903)

The auto time delay step-down starting regulated power supply circuit

Published:2011/8/23 22:37:00 Author:qqtang | Keyword: time delay, regulated power supply

The auto time delay step-down starting regulated power supply circuit
The principle of the circuit is shown in the figure. When the switch S1 is pulled in, the current is phase-shifted by the load and the net composed of R5, R2 and C1, the circuit is conducted by the dual-channel trigger diode VD3 and trigger SCR. As the resistance of R2 is high, the SCR conducting angle is small. At the moment, the output terminal can get a low voltage(which can be designed to be 0 as the delaying starter). SCR can be chosen as 6A/600V, the trigger current is lower than 10mA SCR; VT1 is an ordinary MOSFET, such as 3DJ6 or 3DJ7,etc.   (View)

View full Circuit Diagram | Comments | Reading(1112)

TXD1742--The fully automated AC stabilizer of continuous adjustment

Published:2011/8/23 22:37:00 Author:qqtang | Keyword: AC stabilizer, continuous adjustment

TXD1742--The fully automated AC stabilizer of continuous adjustment
The stabilizer is a servo system controlled auto stabilizer. Its characterizes continuous adjusted stabilization course, ±1.5% stabilizing precision, the 165~250V power supply adapting range, the over-voltage protection and auto reset function. The circuit is shown in the figure, which mainly consists of 3 parts, i.e the self-coupled transformer and servo motor; regulated comparator adjustment and over-voltage protection circuit; DC power supply circuit.   (View)

View full Circuit Diagram | Comments | Reading(6993)

The Anchuan 616G5 frequency converter typical connection circuit

Published:2011/8/12 10:46:00 Author:qqtang | Keyword: frequency converter, typical connection circuit

The Anchuan 616G5 frequency converter typical connection circuit
  (View)

View full Circuit Diagram | Comments | Reading(829)

The YDS100/200 switch power supply integrated circuit

Published:2011/8/13 1:33:00 Author:qqtang | Keyword: switch power supply, integrated circuit

The YDS100/200 switch power supply integrated circuit
  (View)

View full Circuit Diagram | Comments | Reading(693)

The application circuit of the MAX667 multi-functional linear integrated stabilizer (3)

Published:2011/8/13 1:45:00 Author:qqtang | Keyword: application circuit, multi-functional, linear integrated stabilizer

The application circuit of the MAX667 multi-functional linear integrated stabilizer (3)
  (View)

View full Circuit Diagram | Comments | Reading(796)

The application circuit of the MAX667 multi-functional linear integrated stabilizer (2)

Published:2011/8/13 1:47:00 Author:qqtang | Keyword: application circuit, multi-functional, linear integrated stabilizer

The application circuit of the MAX667 multi-functional linear integrated stabilizer (2)
  (View)

View full Circuit Diagram | Comments | Reading(719)

The application circuit of the MAX667 multi-functional linear integrated stabilizer (1)

Published:2011/8/13 1:48:00 Author:qqtang | Keyword: application circuit, multi-functional, linear integrated stabilizer

The application circuit of the MAX667 multi-functional linear integrated stabilizer (1)
  (View)

View full Circuit Diagram | Comments | Reading(785)

The classical power supply circuit (7805 expanded current)

Published:2011/8/13 1:15:00 Author:qqtang | Keyword: power supply, expanded current

The classical power supply circuit (7805 expanded current)
  (View)

View full Circuit Diagram | Comments | Reading(2460)

The regulator: DC-DC circuit, power supply monitor pin and its main features LM2984C

Published:2011/8/23 22:24:00 Author:Seven | Keyword: DC-DC circuit, power supply, monitor pin

The regulator: DC-DC circuit, power supply monitor pin and its main features LM2984C
LM2984C--the multi-line output stabilizer (with reset terminal) This is a multi-line output stabilizer with fixed output voltage; it has main output, buffering output and affiliated output of tracking type; its main output voltage is 5V and current is 500mA; when the output current is 500mA, the minimum input-output voltage difference is lower than 0.8V; the buffering output voltage is 5V, output current is 100mA; when the output current is 100mA, the minimum input-output voltage is lower than 0.5V; the affiliated ouput-input voltage gap is 5V, output current is 7.5mA.   (View)

View full Circuit Diagram | Comments | Reading(629)

The regulator: DC-DC circuit, power supply monitor pin and its main features M5172L

Published:2011/8/28 3:13:00 Author:Seven | Keyword: DC-DC circuit, power supply, monitor pin

The regulator: DC-DC circuit, power supply monitor pin and its main features M5172L
(View)

View full Circuit Diagram | Comments | Reading(769)

The regulator: DC-DC circuit, power supply monitor pin and its main features LP2950/2951

Published:2011/8/23 22:26:00 Author:Seven | Keyword: DC-DC circuit, power supply, monitor pin

The regulator: DC-DC circuit, power supply monitor pin and its main features LP2950/2951
LP2950/2951 the high-precision stabilizer LP2950 is a 5V output 3-terminal regulator, LP2951 is a adjustable regulator whose output voltage range is 1.24~29V; the output current is 100mA; output voltage fault typical value is ±0.5%; load stability and linear stability typical value is 0.05%; when the output current is 100mA, the minimum input-output voltage difference typical value is 380mV; input voltage range is -0.3~+30V; it contains the current limitation and over-heat limitation circuit.   (View)

View full Circuit Diagram | Comments | Reading(780)

The absolutely available A4 switch power supply: Hitachi AIPM8C power supply (A4)

Published:2011/8/13 0:46:00 Author:qqtang | Keyword: switch power supply, Hitachi

The absolutely available A4 switch power supply: Hitachi AIPM8C power supply (A4)
  (View)

View full Circuit Diagram | Comments | Reading(731)

The principle diagram of the +60V circuit

Published:2011/8/13 1:00:00 Author:qqtang | Keyword: principle diagram, +60V

The principle diagram of the +60V circuit
  (View)

View full Circuit Diagram | Comments | Reading(932)

The regulator: DC-DC circuit, power supply monitor pin and its main features LM337L

Published:2011/8/23 22:25:00 Author:Seven | Keyword: DC-DC circuit, power supply, monitor pin

The regulator: DC-DC circuit, power supply monitor pin and its main features LM337L
LM337L--the adjustable stabilizer (negative output) This is a negative output stabilizer with adjustable output voltage; its output voltage range is -1.2~-37V; output current is 100mA; input stability typical value is 0.01%/V; the max input-output voltage difference is 40V; it contains the current limitation, overheat protection and secure working area protection circuit.   (View)

View full Circuit Diagram | Comments | Reading(830)

The regulator: DC-DC circuit, power supply monitor pin and its main features LM320L/320ML

Published:2011/8/28 3:24:00 Author:Seven | Keyword: DC-DC circuit, power supply, monitor pin

The regulator: DC-DC circuit, power supply monitor pin and its main features LM320L/320ML
The 3-terminal stabilizer of LM320L/320ML series (the negative output)This is a negative output 3-terminal stabilizer of fixed output voltage; the output voltage can be -5V, -12V and -15V; the output of LM320V and that of LM320ML is 250mA; the output voltage difference is ±5%; the max input stability is 0.07%/V; the max stability of load is 0.01%/mA; the max input voltage is -35V; the working temperature is 0~+70℃; LM320L is in TO-92 plastic package, LM320ML is in TO-202 plastic package.   (View)

View full Circuit Diagram | Comments | Reading(685)

The regulator: DC-DC circuit and power supply monitor pin and its main features LM317L

Published:2011/8/29 2:32:00 Author:Seven | Keyword: regulator, power supply, monitor pin

The regulator: DC-DC circuit and power supply monitor pin and its main features LM317L
The LM317L adjustable stabilizer (positive output)This is a stabilizer whose output voltage is adjustable; the output voltage range is 1.2~37v; the output current is 100mA, the typical value of input stability is 0.01%/V; the typical value of load stability is 0.1%; the max input-output voltage difference is 40V; it contains the current limitation, overheat protection and secure working area protection circuit.   (View)

View full Circuit Diagram | Comments | Reading(917)

Pages:63/291 At 206162636465666768697071727374757677787980Under 20