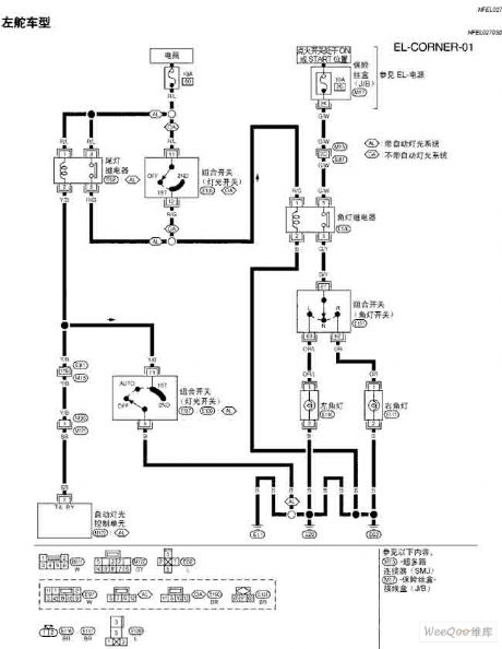
Published:2011/7/14 9:19:00 Author:Joyce | Keyword: TEANA , Corner Lamp
TEANA A33-EL Corner Lamp Circuit (View)
View full Circuit Diagram | Comments | Reading(695)
Published:2011/7/14 9:20:00 Author:Joyce | Keyword: TEANA , Corner Lamp
TEANA A33-EL Corner Lamp Circuit (View)
View full Circuit Diagram | Comments | Reading(650)
Published:2011/7/14 9:24:00 Author:Joyce | Keyword: TEANA , Rear Window , Frost, Removal
TEANA A33-EL Rear Window Frost Removal Circuit (View)
View full Circuit Diagram | Comments | Reading(644)
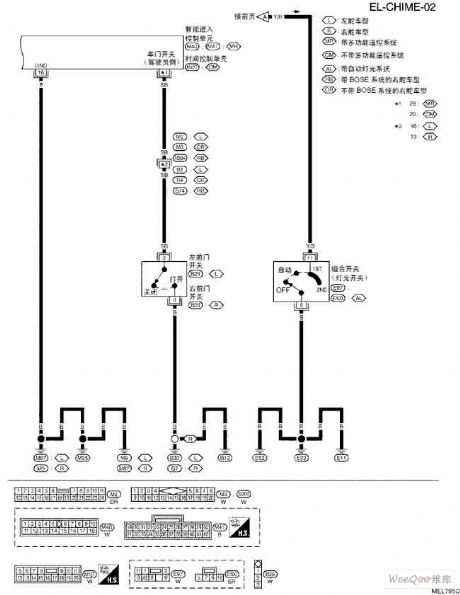
Published:2011/7/14 9:29:00 Author:Joyce | Keyword: TEANA , Alarm Buzzer , Instruction
TEANA A33-EL Alarm Buzzer Instruction and Circuit (View)
View full Circuit Diagram | Comments | Reading(626)
Published:2011/7/14 9:26:00 Author:Joyce | Keyword: TEANA , Rear Window, Frost, Removal
TEANA A33-EL Rear Window Frost Removal Circuit (View)
View full Circuit Diagram | Comments | Reading(657)
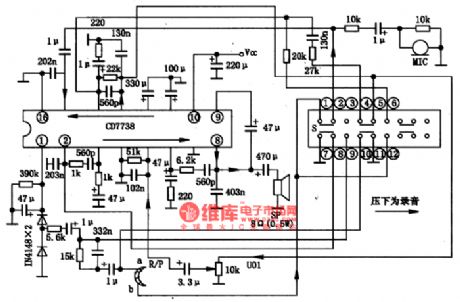
Published:2011/7/13 22:56:00 Author:Borg | Keyword: single chip, record/playback




The CD7738 single chip record/playback integrated circuit is a widely used component in language repeaters.1.internal circuit and pin functions of CD7738CD7738 contains the preamplifier, buffer amplifier, power amplifier, auto LEV control (ALL) and noise/mute,etc, which characterizes few elements, convenient usage, little distortion, wide dynamic range and so on. The internal circuit of it is shown in figure 1. The IC is in 16-pin dual in-line plastic package, whose pin functions and data are listed in table 1.
(View)
View full Circuit Diagram | Comments | Reading(1065)
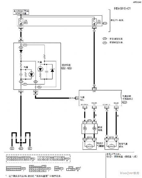
Published:2011/7/14 9:04:00 Author:Joyce | Keyword: TEANA , Supplementary , Constrained System
TEANA A33-RS Supplementary Constrained System (SRS)Circuit (View)
View full Circuit Diagram | Comments | Reading(824)
Published:2011/7/14 9:27:00 Author:Joyce | Keyword: TEANA , Supplementary , Constrained System
TEANA A33-RS Supplementary Constrained System (SRS)Circuit (View)
View full Circuit Diagram | Comments | Reading(814)
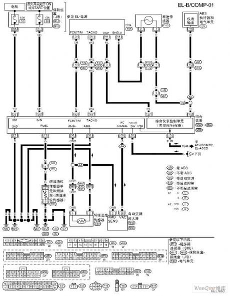
Published:2011/7/14 9:22:00 Author:Joyce | Keyword: TEANA , Vehicle-mounted, Computer
TEANA A33-EL Vehicle-mounted Computer Circuit (View)
View full Circuit Diagram | Comments | Reading(668)
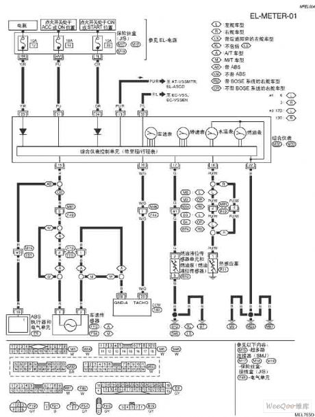
Published:2011/7/14 9:06:00 Author:Joyce | Keyword: TEANA , Meter
TEANA A33-EL Meter Circuit (View)
View full Circuit Diagram | Comments | Reading(713)
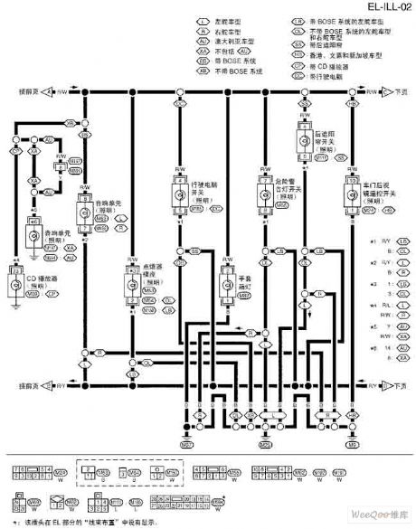
Published:2011/7/14 9:07:00 Author:Joyce | Keyword: TEANA , Lighting
TEANA A33-EL Lighting Circuit (View)
View full Circuit Diagram | Comments | Reading(645)
Published:2011/7/14 9:09:00 Author:Joyce | Keyword: TEANA , Lighting
TEANA A33-EL Lighting Circuit Two (View)
View full Circuit Diagram | Comments | Reading(645)
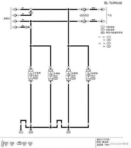
Published:2011/7/14 9:10:00 Author:Joyce | Keyword: TEANA , Turn Light
TEANA A33-EL Turn Light Circuit (View)
View full Circuit Diagram | Comments | Reading(643)
Published:2011/7/14 9:11:00 Author:Joyce | Keyword: TEANA , Turn Light
TEANA A33-EL Turn Light Circuit (View)
View full Circuit Diagram | Comments | Reading(630)
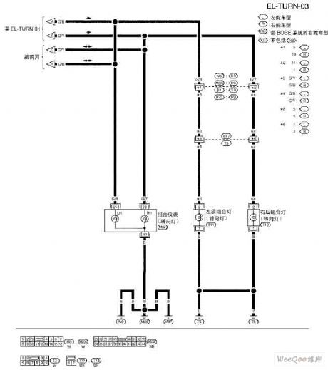
Published:2011/7/14 9:13:00 Author:Joyce | Keyword: TEANA , Turn Light
TEANA A33-EL Turn Light Circuit (View)
View full Circuit Diagram | Comments | Reading(717)
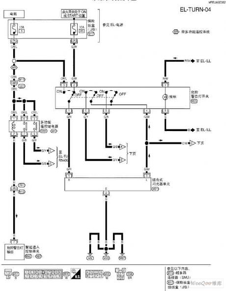
Published:2011/7/14 9:14:00 Author:Joyce | Keyword: TEANA , Turn Light
TEANA A33-EL Turn Light Circuit (View)
View full Circuit Diagram | Comments | Reading(636)
Published:2011/7/14 9:15:00 Author:Joyce | Keyword: TEANA , Lighting
TEANA A33-EL Lighting Circuit (View)
View full Circuit Diagram | Comments | Reading(631)
Published:2011/7/14 9:16:00 Author:Joyce | Keyword: TEANA , Lighting
TEANA A33-EL Lighting Circuit (View)
View full Circuit Diagram | Comments | Reading(603)
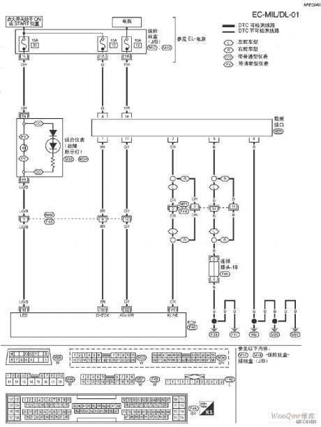
Published:2011/7/14 8:57:00 Author:Joyce | Keyword: TEANA , Fault Indicating Lamp , Data Interface
TEANA A33-EL Fault Indicating Lamp and Data Interface Circuit (View)
View full Circuit Diagram | Comments | Reading(653)
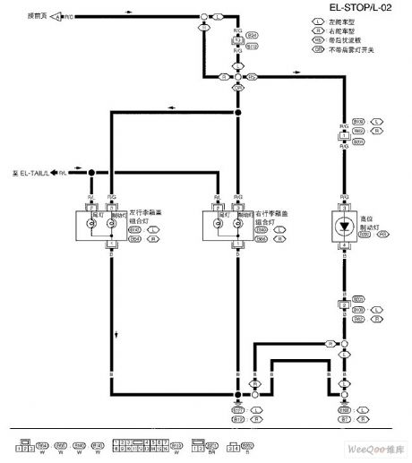
Published:2011/7/14 8:46:00 Author:Joyce | Keyword: TEANA , Stoplight
TEANA A33-EL Stoplight Circuit (View)
View full Circuit Diagram | Comments | Reading(696)
| Pages:36/54 At 202122232425262728293031323334353637383940Under 20 |