Published:2009/7/20 6:51:00 Author:Jessie
Balanced modulator using an MC1545G wide-band amplifier (courtesy Motorola Semiconductor Products Inc.). (View)
View full Circuit Diagram | Comments | Reading(1092)
Published:2009/7/20 6:50:00 Author:Jessie
250 MHz BF to 50 MHz IF mixer using a 2N3308 transistor. The external local oscillator injection frequency is 300 MHz,The outputof the 2N3308 is tuned to the difference between the two signals (courtesy Motorola semiconductor Products Inc.). (View)
View full Circuit Diagram | Comments | Reading(953)
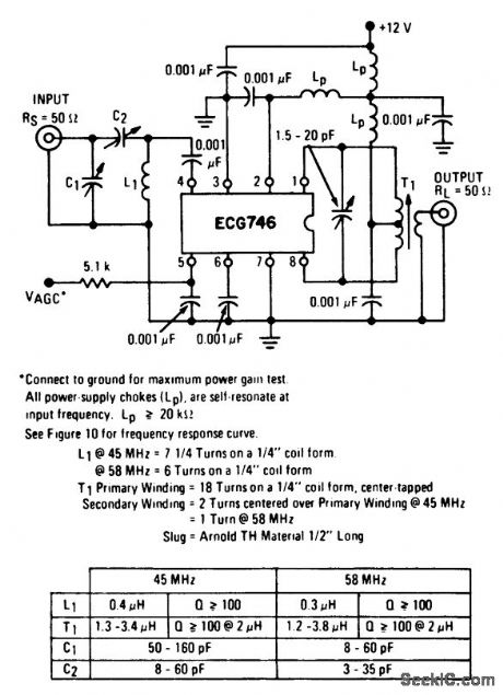
Published:2009/7/20 6:49:00 Author:Jessie
BF amplifier for 45 MHz or 58 MHz. See table for component selection (courtesy GTE Sylvania Incorporated). (View)
View full Circuit Diagram | Comments | Reading(1021)
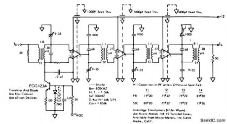
Published:2009/7/20 6:45:00 Author:Jessie
30 MHz IF strip for microwave or radar receivers using three ECG703A ICs (courtesy GTE Sylvania Incorporated). (View)
View full Circuit Diagram | Comments | Reading(1103)
Published:2009/7/20 6:45:00 Author:Jessie
Wide-band differential amplifier with AGO using an MC1545G (courtesyMotorola Semiconductor Products Inc.). (View)
View full Circuit Diagram | Comments | Reading(945)
Published:2009/7/20 6:44:00 Author:Jessie
BF-IF amplifier for 30 MHz/60 MHz/100 MHz (courtesy Motorola Semiconductor Products Inc.). (View)
View full Circuit Diagram | Comments | Reading(1221)
Published:2009/7/20 6:29:00 Author:Jessie
10 MHz RF amplifier using an ECG703A IC. The input signal is coupled to the amplifier through tank L1-C1-C2, tuned to 10 MHz. The capacitive divided C1-C2 provides impedance matching. Network L2-C4-C5 connects the amplifier to the load. A shield should be used between the input and output to prevent oscillations (courtesy GTE Sylvania Incorporated). (View)
View full Circuit Diagram | Comments | Reading(1043)
Published:2009/7/20 6:28:00 Author:Jessie
250 MHz PF to 50 MHz IF mixer using an MM1941 transistor. The external local oscillator injection frequency is 300 MHz. The output of the mixer is tuned to the difference between the two inputs (courtesy Motorola Semiconductor Products Inc.). (View)
View full Circuit Diagram | Comments | Reading(896)
Published:2009/7/20 6:27:00 Author:Jessie
30 MHz PF amplifier using an ECG703A IC. The input signal is coupled through tank L1-C1-C2 to the ECG703A. Capacitors C1 and C2 form an impedance matching network. Network L2- C4- C5 coupled the output signal to the load. Use a shield between the input and output to prevent spurious oscillations (courtesy GTE Sylvania Incorporated). (View)
View full Circuit Diagram | Comments | Reading(961)
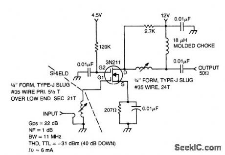
Published:2009/7/20 23:45:00 Author:Jessie
36 MHz RFamplifier using a 3N211 dual-gate MOSFET(courtesy Texas Instruments Incorporated). (View)
View full Circuit Diagram | Comments | Reading(1419)
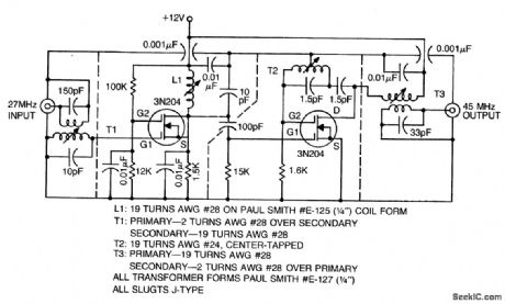
Published:2009/7/20 7:34:00 Author:Jessie
45 MHz RF post amplifier using two 3N204 dual-gate MOSFETs (courtesy Texas Instruments Incorporated). (View)
View full Circuit Diagram | Comments | Reading(1076)
Published:2009/7/20 7:32:00 Author:Jessie
25-watt UHF microstrip amplifier for 450 to 470 MHz (courtesy Motorola Semiconductor Products Inc.). (View)
View full Circuit Diagram | Comments | Reading(1498)
Published:2009/7/20 7:31:00 Author:Jessie
Amplitude modulator using an AM1545G wide-band amplifier (courtesy Motorola Semiconductor Products Inc.). (View)
View full Circuit Diagram | Comments | Reading(968)
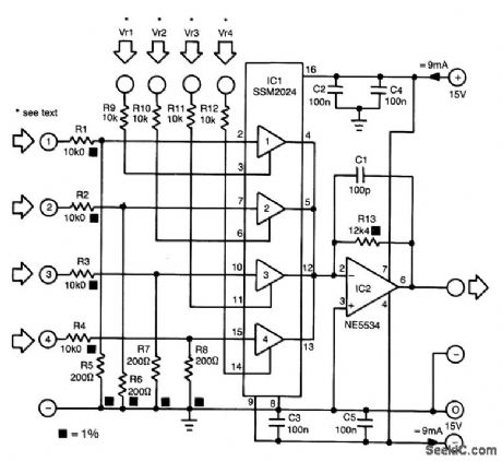
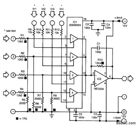
Published:2009/7/9 3:07:00 Author:May






The proposed mixer is designed around four current-driven transconductance amplifiers contained in an SSM2024 from Precision Monolithics. To obtain a low offset and high control rejection, the four inputs should have an impedance to earth of about 200 Ω . These impedances are obtained from resistors R5 through R8, which also form part of a potential divider at each input.With the values in the diagram, the nominal input signal is 1 V (0 dBV). Distortion at that level is about 1%; at lower levels, it is not more than 0.3%.
The amplification of the current-driven amplifiers (CDAs) is determined by the current fed into the control inputs. These inputs form a virtual earth so that calculating the values of the bias resistors (to transform the inputs into voltage-driven inputs) is fairly simple.The output currents of the amplifier are summed by simply linking the output pins. The current-to-voltage convener, IC2, translates the combined output currents into an output voltage. The value of R13 ensures that the amplification of IC2 is unity. (View)
View full Circuit Diagram | Comments | Reading(1939)
Published:2009/7/9 2:37:00 Author:May
This simple receiver AF amplifier can supply several hundred milliwatts to an 8-Ω speaker. The gain is about 200X. If high gain is not needed, C2 can be deleted and a gain of 20 will be obtained. R1 and C6 are musts, otherwise ultrasonic (30 to 60 kHz) oscillations might occur. C6 can be 0.1 μF on all LM386N versions for protection against these oscillations. The supply voltage is typically 6 to 12 V. No heatsink is necessanr, but good grounding is a must. (View)
View full Circuit Diagram | Comments | Reading(1155)
Published:2009/7/20 20:25:00 Author:Jessie
10.7 MHz IF amplifier using a 3N204 dual-gate MOSFET (courtesy Texas tnstruments tncorporated). (View)
View full Circuit Diagram | Comments | Reading(0)
Published:2009/7/20 20:24:00 Author:Jessie
Frequency synthesizer mixer for BC operation using a dual-gate 3N204 dual-gate MOSFET (courtesy Texas Instruments Incorporated.). (View)
View full Circuit Diagram | Comments | Reading(1226)
Published:2009/7/20 20:22:00 Author:Jessie
105 MHz low-noise BF amplifier using a 3N204 dual-gate MOSFET (courtesy Texas tnstruments tncorporated). (View)
View full Circuit Diagram | Comments | Reading(1056)
Published:2009/7/20 20:21:00 Author:Jessie
900 MHz to 45 MHz converter using dual-gate 3N204 MOSFETs and a 2N5245 (courtesy Texas Instruments mcorporated). (View)
View full Circuit Diagram | Comments | Reading(1135)
Published:2009/7/20 20:20:00 Author:Jessie
27 MHz to 45 MHz converter using two 3N204 MOSFETs (courtesy Texas Instruments Incorporated). (View)
View full Circuit Diagram | Comments | Reading(1664)
| Pages:21/54 At 202122232425262728293031323334353637383940Under 20 |