Published:2011/4/11 2:52:00 Author:may | Keyword: DC Motor brush device


Graph: Role: to introduce and educe DC voltage and DC current from the circuit
Graph: composed by brush bar, brush yoke and copper wire plait (View)
View full Circuit Diagram | Comments | Reading(732)
Published:2011/4/28 1:42:00 Author:Rebekka | Keyword: Hainan Mazda Familia car, engine , automatic transmission
Hainan Mazda Familia car engine and automatic transmission circuit diagram is shown as above. (View)
View full Circuit Diagram | Comments | Reading(981)
Published:2011/4/6 5:46:00 Author:may | Keyword: DC generator
diagram: The priciple model circuit diagram of the DC generator (View)
View full Circuit Diagram | Comments | Reading(1486)
Published:2011/4/6 5:45:00 Author:may | Keyword: DC motor structure


DC motor structure circuit
diagram:DC motor rotor graph rotational part called (View)
View full Circuit Diagram | Comments | Reading(3502)
Published:2011/4/28 1:41:00 Author:Rebekka | Keyword: Hainan Mazda Familia car, engine , automatic transmission
Hainan Mazda Familia car engine and automatic transmission circuit diagram is shown as above. (View)
View full Circuit Diagram | Comments | Reading(892)
Published:2011/4/11 2:26:00 Author:may | Keyword: Ventilator automatically stop
Ventilator automatically stop circuit diagram is shown in the diagram:
(View)
View full Circuit Diagram | Comments | Reading(843)
Published:2011/4/6 5:47:00 Author:may | Keyword: natural wind, timing control, electric fan
The natural wind timing control circuit of electric fan is shown in the following diagram:
(View)
View full Circuit Diagram | Comments | Reading(601)
Published:2011/4/14 5:56:00 Author:may | Keyword: Motor armature winding
The main circuit of DC motor is composed of many coils linked according to certain rules, components and embedding and placing method. To achieve the electromechanical energy conversion, electromotive force are produced by current and induction.
diagram: DC motor armature winding circuit diagram (View)
View full Circuit Diagram | Comments | Reading(3670)
Published:2011/4/1 2:19:00 Author:may | Keyword: TD cold junction compensation thermocouple input
This circuit use J type RTD. Its resistance value corresponding to the temperature can be checked through at RTD factory offered table. It uses 20Ω zero adjustment potentiometer to zero point correction.
(View)
View full Circuit Diagram | Comments | Reading(1161)
Published:2011/4/1 2:01:00 Author:may | Keyword: Speed adjustable cleaner circuit
This cleaner adopts thyristor to make up speed adjust circuit. It can control the speed of motor according to requirmentand and the portative force of schmoe pipeline. The diagram is speed adjust circuit, and it is comparative maturity, normally used in top quality high power cleaner.
(View)
View full Circuit Diagram | Comments | Reading(605)
Published:2011/4/28 1:19:00 Author:TaoXi | Keyword: Homemade, dance mat
The homemade dance mat circuit.
(View)
View full Circuit Diagram | Comments | Reading(857)
Published:2011/4/1 1:08:00 Author:may | Keyword: Two Level breeze gear three-speed fan
Two Level breeze file three-speed fan circuit is shown in the diagram:
(View)
View full Circuit Diagram | Comments | Reading(2011)
Published:2011/4/11 2:22:00 Author:may | Keyword: Frequency selection, voice control
Frequency selection voice control circuit is shown in the diagram:
(View)
View full Circuit Diagram | Comments | Reading(528)
Published:2011/4/2 4:29:00 Author:may | Keyword: Wired, remote control, water tower telemetry
Wired remote control water tower telemetry device circuit is shown in the diagram:
(View)
View full Circuit Diagram | Comments | Reading(1147)
Published:2011/4/6 5:32:00 Author:may | Keyword: Infrared burglar alarm, SCW
diagram: Infrared burglar alarm circuit controlled by SCM (View)
View full Circuit Diagram | Comments | Reading(1893)
Published:2011/4/6 5:34:00 Author:may | Keyword: frequency selection, sound waves remote control, switch, fans
The frequency selection and sound waves remote control switch circuit of fans is shown in the diagram:
(View)
View full Circuit Diagram | Comments | Reading(669)
Published:2011/4/11 2:23:00 Author:may | Keyword: Electric fan, speed regulation
Electric fan speed regulation circuit is shown in the diagram:
(View)
View full Circuit Diagram | Comments | Reading(582)
Published:2011/4/28 1:38:00 Author:Rebekka | Keyword: Hafeisaima car charging system
Hafeisaima car charging system circuit diagram is shown as above. (View)
View full Circuit Diagram | Comments | Reading(2172)
Published:2011/4/28 1:35:00 Author:Ecco | Keyword: thick film , chip, resistor , array shape
The array shape of RRA1608-4R thick film chip resistor is shown as the chart.
(View)
View full Circuit Diagram | Comments | Reading(472)
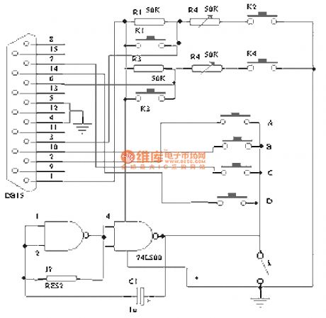
Published:2011/4/11 0:59:00 Author:may | Keyword: USB to 232
diagram: USB to 232 circuit (View)
View full Circuit Diagram | Comments | Reading(555)
| Pages:1989/2234 At 2019811982198319841985198619871988198919901991199219931994199519961997199819992000Under 20 |