Position: Home > Circuit Diagram > power supply circuit > Index 85
Low Cost Custom Prototype PCB Manufacturer

power supply circuit

Index 85



17_W_5_V_AND_33_V_POWER_SUPPLY

Published:2009/7/16 22:27:00 Author:Jessie

17_W_5_V_AND_33_V_POWER_SUPPLY
The low concerns of today's notebook computer designs do not have to restrict designers to low-performance solutions. The logic power supply is usually required to furnish excellent regulation at extremely high efficiency, but also carry a small price tag. This LTC1149 circuit addresses these requirements by using a single synchronous rectifier controller IC to generate both 3.3- and 5-V logic supplies. The 3.3-V output is generated in normal step-down regulator fashion using synchronous switches and an inductor. The key to circuit operation is the extra winding on the inductor and its corresponding synchronous rectifier, QN2. These provide the 5-V output by using transformer action. Cross regulation with this circuit is excellent because of the use of a trifilarwound inductor and a split feedback, which combines both outputs into the same feedback net-work. Efficiency exceeds 90 percent over most of the operating range. In addition, the 3.3- and 5-V outputs are inherently synchronous in switching frequency, and they will reach their rated voltage at the same time after power-up. Another bonus is that is if one logic supply is short-circuited, the other output will be disabled.   (View)

View full Circuit Diagram | Comments | Reading(742)

_5_V_AND_±6_OR_±12V

Published:2009/7/16 22:24:00 Author:Jessie

_5_V_AND_±6_OR_±12V
Three power supplies for experimental use are achieved with only one transformer. LM309K regulates 5-V supply. Other two supplies are regulated by 6.2-V zeners in conventional regulator; shorting out one zener in each with gang switch reduces output to 6 V.- Design a Circuit Designer!, 73 Magazine, Oct. 1977, p 152-153.   (View)

View full Circuit Diagram | Comments | Reading(797)

HANDY_HOBBY_POWER_SUPPLY

Published:2009/7/16 22:24:00 Author:Jessie

HANDY_HOBBY_POWER_SUPPLY
The input voltage to the power supply at mini phono jack J1 must be from 7 to 20 Vac or from 7 to 30 Vdc. You can use any transformer or ac-to-dc wall adapter that meets those input requirements. An ac input at J1 is rectified by bridge rectifier BR1; a dc input passes through half of the rectifier unmodified, except that its value drops by the sum of two diode voltage drops. Two MC7805 5-V regulators are in the circuit: IC1 provides a fixed 5-Vdc output at J2, while IC2 has a variable dc output at J3. The variable output ranges from +5 Vdc to 2 V less than the input voltage to the power supply. The output of the fixed regulator is made variable by varying the voltage at pin 2 with potentiometer R1. (Pin 2 is normally grounded to produce the fixed-voltage output.) Each voltage regulator can safely handle up to 1 A of current, provided that the transformer or power adapter can handle the demand and that the regulator is properly heatsinked. The voltage regulators must be heatsinked if more than a few milliamperes is to be drawn from the supply. Power indicator LED1 is connected across the fixed 5-V output; it lights whenever the supply is powered.   (View)

View full Circuit Diagram | Comments | Reading(1793)

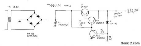
126_V_AT_3_A

Published:2009/7/16 22:23:00 Author:Jessie

126_V_AT_3_A
Article gives step-by-step procedure for designing simplest possible regulated supply to meet specific requirements in general service. Power transformer rated 12.6 V at 3 A delivers about 18 V P to bridge rectifier rated 50 V at 5 A. Value of C1 is chosen to keep voltage to regulator above 15-V limit at which circuit would drop out of regulation.-C. W. Andreasen, Practical P. S. Design, 73 Magazine, June 1977, p 84-85.   (View)

View full Circuit Diagram | Comments | Reading(828)

600_MICROSEC_OUTPUT_PULSE_MONO

Published:2009/7/16 22:23:00 Author:Jessie

600_MICROSEC_OUTPUT_PULSE_MONO
Similar to fiip-flop except that one cross-coupling network permits a-c coupling only. Flip-flop can therefore remain in its unstable state only until reactive components discharge. Use of inductor in place of capacitor for timing gives much better pulse width stability at high temperatures. Operating range is -55 to 71 ℃.- Transistor Manual, Seventh Edition, General Electric Co., 1964, p 201.   (View)

View full Circuit Diagram | Comments | Reading(725)

120_1_FREQUENCY_RANGE_ASTABLE

Published:2009/7/16 22:21:00 Author:Jessie

120_1_FREQUENCY_RANGE_ASTABLE
Modified astable has frequency change of 5 to 600 millisec at 50% duty cycle, with symmetry variable by 97.5%. Can be used as pattern source for generating keyed d-c or keyed tone signals for testing digital communications and data processing equipment.-Wide Range Variable Multivibrator, Electronic Circuit Design Handbook, Mactier Pub. Corp., N.Y., 1965, p 109.   (View)

View full Circuit Diagram | Comments | Reading(754)

POWER_ON_CONTROL_WITH_POWER_ON_RESET

Published:2009/7/16 22:21:00 Author:Jessie

POWER_ON_CONTROL_WITH_POWER_ON_RESET
A power-management control device for high-power interfaces in battery-operated equipment can incorporate a power-on-reset (POR) function. The power control is provided by a P-channel MOSFET in a conventional switching configuration. The POR function is supplied by the DISCHARGE pin of a CMOS version of a 555 timer. The circuit holds the POR line low while power to the device interface is off. However, when the interface device is turned on, its power rises immediately, and a delay to release the P0R line is initiated. The threshold voltage on the 555 trigger comparator is about 1.7V. If the component values for R1, R2, and C1 are applied, the capacitor voltage decays to the threshold value in about 1.6 ms. When the capacitor voltage decays below the threshold value, the POR line is released. Diode D2 provides threshold hysteresis and raises the POR threshold voltage to approximately 2.5 V at the output-stale transition.   (View)

View full Circuit Diagram | Comments | Reading(1566)

POWER_SUPPLY_FOR±12_V_AND±5_V

Published:2009/7/16 22:21:00 Author:Jessie

POWER_SUPPLY_FOR±12_V_AND±5_V
This supply is suitable for small projects that need up to 30 mA at ±12 V and 0.5 A at ±5 V.   (View)

View full Circuit Diagram | Comments | Reading(821)

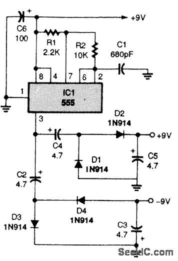
DUAL_POLARITY_LOW_CURRENT_POWER_SUPPLY

Published:2009/7/16 22:19:00 Author:Jessie

DUAL_POLARITY_LOW_CURRENT_POWER_SUPPLY
The 555 is operating in a free-running oscillator at about 120 kHz, producing a near-9-V square-wave output at pin 3. Diodes D1 and D2, along with capacitors C4 and C5, make up the rectifier circuit for the positive supply, while D3, D4, C2, and C3 make up the rectifier for the negative supply.   (View)

View full Circuit Diagram | Comments | Reading(778)

TRANSIENT_IMMUNE_MONO

Published:2009/7/16 22:19:00 Author:Jessie

TRANSIENT_IMMUNE_MONO
Diode in series with cutoff collector load of Q1 provides protection against undesirable triggering by power supply transients.-W. B. Smith, Jr., Transient-Protection of Monostable Multivibrators, EEE, 11:3, p 38-39.   (View)

View full Circuit Diagram | Comments | Reading(761)

75_kV_REGULATED_SUPPLY

Published:2009/7/12 22:38:00 Author:May

75_kV_REGULATED_SUPPLY
Power transformer is special design, but commercial unit delivering 5 to 10 kV can be used. Inverter circuit uses MJE105 transistor driving primaries of transformer. 741 opamp and transistor provide regulation for 7.5-kV output used in slow-scan TV monitor. Diodes are 1 kV, such as 1N4007.Article gives circuit of complete monitor, including low-voltage supply.-L.Pryor,Homebrew This SSTV Monitor, 73 Magazine, June 1975, p 22-24, 26-28, and 30.   (View)

View full Circuit Diagram | Comments | Reading(1215)

GYRATOR_CIRCUIT

Published:2009/7/16 22:18:00 Author:Jessie

GYRATOR_CIRCUIT
The gyrator circuit has been around for a number of years. This active circuit can be used in place of an inductor. With two operational amplifiers (two sections of a dual or quad op amp are preferred), the value of the inductance simulated by this circuit is L=R1R2R3/(R2/R4) or, in the case where R2=R3, L=R1R5C4.   (View)

View full Circuit Diagram | Comments | Reading(3418)

BENCH_POWER_SUPPLY

Published:2009/7/16 22:18:00 Author:Jessie

BENCH_POWER_SUPPLY
The ac voltage from transformer T1 is rectified by bridges BR1, BR2, and BR3 and filtered by capacitors C1, C2, C5, C6, and C9. Voltage regulators IC1 to IC5 reduce the voltage to the desired fixed or variable levels. The LM317 regulator, IC1, provides a positive variable output from 1.2 to 28 Vdc, and an LM337, IC2, provides a negative variable output with the same range. The LM7805 regulator, IC3, supplies a fixed +5 V, and the LM7905, IC4, supplies a fixed -5 V. The LM7812 regulator, IC5, supplies a fixed +12 V. Capacitors C3, C4, C7, C8, and C10 improve transient response and prevent oscillation. Resistor networks R1 through R3 and R2 through R4 for IC1 and IC2, respectively, provide the necessary feedback to obtain the variable output voltages. An LED and current-limiting resistor are wired across each output to indicate when each output voltage is present. The main power indicator for the entire unit consists of LED5 and R18. Switch S1 controls ac power to the transformer primary, and switches S2 and S3 connect the secondary voltages to the 5- and 12-V regulator circuits. The ±5-V supply powers the voltage meter And display circuitry, so this section must be turned on to power the output meter. Switch S4 is a two-pole, six-throw (2P6T) rotary unit. Pole A switches the positive input to the voltmeter and pole B switches the ground input.(Three separate grounds are in the circuit.) Pole A of S4 is connected to one pole of DPDT switch S5 so that the signal can be routed directly to the meter for voltage readings or to the LM741 current-to-voltage converter IC7 for current readings. The second pole of S5 is connected to the +5-V supply. This pole is switched to the second decimal point of the display in the Voltage mode or to pin 7 of the LM741 in the Current mode.   (View)

View full Circuit Diagram | Comments | Reading(1308)

VOLTAGE_CONTROL_OF_ASTABLE_MVBR

Published:2009/7/16 22:18:00 Author:Jessie

VOLTAGE_CONTROL_OF_ASTABLE_MVBR
Addition of two transistors to basic astable mvbr gives voltage-controlled constant-duty-cycle variable-frequency operation. Frequency range is 210 cps to 210 kc, ratio of 1,000 to 1, with less than 5% departure from linearity with change in control voltage.-W. J. Mattox, A Versatile, Very-Wide Range Multivibrator, EEE, 13:7, p 59-61.   (View)

View full Circuit Diagram | Comments | Reading(849)

UJT_MVBR

Published:2009/7/16 22:16:00 Author:Jessie

UJT_MVBR
Unijunction transistor serves as multivibrator, with Q2 amplifying its output and providing isolation from load.-F. W. Kear, Unijunction Transistor Pulse-Circuit Design, Electronics, 35:21, p 58-60.   (View)

View full Circuit Diagram | Comments | Reading(809)

PIN_DIODE_SWITCH_AND_ATTENUATOR_CIRCUIT

Published:2009/7/16 22:15:00 Author:Jessie

PIN_DIODE_SWITCH_AND_ATTENUATOR_CIRCUIT
This circuit is a basic PIN-diode switch building block. R1 is chosen from Idiode=(Vcc-Vdiode)/(R1+R2) ,where Idiode is the specified diode current.   (View)

View full Circuit Diagram | Comments | Reading(882)

400_CPS_UJT_MVBR

Published:2009/7/16 22:15:00 Author:Jessie

400_CPS_UJT_MVBR
Off time is determined primarily by R1, and on time primarily by R2. Frequency is inversely proportional to size of capacitor.- Transistor Manual, Seventh Edition, General Electric Co., 1964, p 340.   (View)

View full Circuit Diagram | Comments | Reading(624)

±15_V_100_mA_DUAL_POWER_SUPPLY

Published:2009/7/16 22:13:00 Author:Jessie

±15_V_100_mA_DUAL_POWER_SUPPLY
A simple supply such as this is useful for many small projects, op amp circuits, etc.   (View)

View full Circuit Diagram | Comments | Reading(999)

1_CPS_250_KC_ASTABLE_MVBR

Published:2009/7/16 22:13:00 Author:Jessie

1_CPS_250_KC_ASTABLE_MVBR
Used as free-running oscillator for generating square waves and timing frequencies, and for frequency division. Synchronizing pulses permit generation of subharmonics. Sync pulse amplitude must exceed +1.5 V with rise time less than 1 microsec.- Transistor Manual, Seventh Edition, General Electric Co., 1964, p 201.   (View)

View full Circuit Diagram | Comments | Reading(684)

DUAL_OUTPUT_VOLTAGE_REGULATOR

Published:2009/7/16 22:13:00 Author:Jessie

DUAL_OUTPUT_VOLTAGE_REGULATOR
The LTC1266-3.3 and the LTC1263 are perfect complements for one another. The combination of the two parts provides two regulated outputs of 3.3 V/5 A and 12 V/60 mA from an input range of 4.75 to 5.5 V. The LTC1263, using only four external components (two 0.47-μF charge capacitors, one 10-μF bypass capacitor, and one 10-μF output capacitor), generates the regulated 12-V/60-mA output from a 5-V input using a charge-pump tripler. During every period of the 300-kHz oscillator, the two charge capacitors are first charged to VCC and then stacked in series, with the bottom plate of the bottom capacitor shorted to VCC and the top plate of the top capacitor connected to the output capacitor. As a result, the output capacitor is slowly charged up from 5 to 12 V. The 12-V output is regulated by a gated oscillator scheme that turns the charge pump on when Vout is below 12 V and turns it off when it exceeds 12 V. The LTC1266-3.3 then uses the 5-V input, along with the 12-V output from the LTC1263 and various external components, including bypass capacitors, sense resistors, and Schottky diodes, to switch two external N-channel MOSFETs and a 5-μH inductor to charge and regulate the 3.3-V/5-A output. The charging scheme for this part, however is very different from that of the LTC1263. The LTC1266-3.3 first charges the output capacitor by turning on the top N-channel MOSFET, allowing current to flow from the 5-V input supply through the inductor. The amount of current flow in the inductor is monitored with a sense resistor, and the 3.3-V output is regulated by turning on and off the top and bottom N-channel MOSFETs to charge and discharge the output capacitor.   (View)

View full Circuit Diagram | Comments | Reading(1083)

Pages:85/291 At 2081828384858687888990919293949596979899100Under 20