Published:2011/7/19 11:11:00 Author:Michel | Keyword: Battery Charging Circuit
The above picture is battery charging circuit of LTC1541.It is charging circuit of portable electronic devices and LTC1541 is composed of reference voltage,comparator and operational amplifiers, etc. High precision reference voltage (plus or minus 0.4%) will adjust lithium-ion battery floating voltage to± 1.2% and this is the value that most manufacturers require.VT1 transistor is used to adjust battery charge current and operational amplifier input(feet 1) of LTC1541 amplifies VT1 base current via VT2.VD1 diode is to prevent reverse current circulation produced by adapter or power control failure.Because the circuit is linear regulators, VT1 power consumption needs to be considered. (View)
View full Circuit Diagram | Comments | Reading(705)
Published:2011/7/19 11:28:00 Author:Michel | Keyword: Switch Power , Thick Membrane, Integrated Circuit
TR6465 is switch power thick membrane integrated circuit of SANKEN and it is used in ChangHong CNl1 cassette mechanism color TVs such as H25K6O,G29E6,29K19,25K18 and PF28E18.
First,Functions and Features STR6465 integrated circuit contains error control circuit, start-up circuit, switch tube (field effect power switch tube), protection circuit, and some other auxiliary functions circuit
Second,Pins Functions and DataSTR6465 integrated circuit uses single inline package and its pins functions and data is shown as picture 1.
Table 1:Pins Functions and Data of STR6465 IC (View)
View full Circuit Diagram | Comments | Reading(686)
Published:2011/7/17 10:22:00 Author:Michel | Keyword: Ultralow Frequency, Sawtooth Wave, Generating Circuit
The above picture is a ultralow frequency sawtooth wave generating circuit.In order to perform the low frequency oscillation, positive and negative double power supply are provided.If VT1 pluses negative pulse signal, the VT1 stops, VT2 conducts, the power supply charges C1 via VT2.VT1 base potential rises as the charging current declines,VT1 conducts,VT2 stops at the same time.Meanwhile,C1 discharges via R1 and RP1 until VT2 conducts.Because R1 and RP1 determine VT2 conduction potential,the linear is output.0005 hz to dozens of KHZ oscillation frequency can be gotten when the C1 and (R1 + RRP1) value are changed. (View)
View full Circuit Diagram | Comments | Reading(631)
Published:2011/7/17 10:22:00 Author:Michel | Keyword: Pulse Width, Modulation Circuit
The above picture is pulse width modulation circuit composed of NE555.This circuit needs push-pull control pulse to generate switch power supply.NE555(1) is 40KFZ oscillator and its output triggers the trigger composed of NE555(2) monomultivibrator and gate circuits G1 and G2,which makes its oscillation frequency decline to 20kHZ and output two pulse signals via G3 and G4 push-pull.When control voltage is in lowest condition,NE555(1) oscillates on 40kHZ,NE555(2) pulse width is in widest situation.At this time,the dutyfactoris biggest,NE555(2) pulse becomes narrow as the control voltage increases.And if NE555(2) pulse width is in its narrowest condition,VT1 stops and NE555(1) oscillation frequency declines and the dutyfactor becomes less.If the control voltage is close to power source voltage, the NE555 (1) stop oscillatiing and the dutyfactor is zero. (View)
View full Circuit Diagram | Comments | Reading(2268)
Published:2011/7/17 10:24:00 Author:Michel | Keyword: Encoder, Infrared, Remote Controller
Besides special encoder, DTMF decode still can use phase locked loop audio decoder, LM567 to decode. But there is only one kind of frequency when the frequency signal is output after the
LM567 decoding.The frequencies output by two decoders constitute one group of control signals.As shown in the picture,infrared remote control signal is transmitted by DTMF and
infrared remote control switch is composed of two LM567 decoders.The circuit consists of twelve channel coding circuit DTMF infrared remote transmitters, infrared receiving voltage amplifier, the channel signal decoder, switch controller and relay and its driving circuit. (View)
View full Circuit Diagram | Comments | Reading(965)
Published:2011/7/13 8:06:00 Author:Michel | Keyword: VHF-band, FM Circuit
Circuit's Functions
The frequency modulation FM transmitter which can be used in 76~90MHZ FM radio band, usually also it is called wireless microphone.It adopts signals via FM radio receiver.The signals can be transmitted in wireless means if we don't use the microphone but input low frequency signals.The transmitting distance can reach over 30 meters if the 60CM antenna is used.
Circuit's Work PrincipleThe TT1 makes the signal generated by the electret capacitor microphone amplify to diode's work voltage.80MHZfrequency band signal is generated by LC oscillation circuit and it is showed as the picture.The Oscillation chart L's strcture:The lead is winded to the reel with magnetic core and the oscillation frequency alters among 6~90MHZ by adjusting magnetic core. (View)
View full Circuit Diagram | Comments | Reading(2215)
Published:2011/7/13 7:59:00 Author:Michel | Keyword: Ringing Transmission, Leading Control Circuit
Exportation Ringing Transmission and Leading Control Circuit
This picture is exportation ringing test signal transmission control and CD22100 writing enabling signalcontrol circuit.Its program is almost same with the control part of user circuit. (View)
View full Circuit Diagram | Comments | Reading(575)
Published:2011/7/19 11:24:00 Author:Michel | Keyword: Frequency Counter, Practical Circuit
The picture 1 is practical circuit of frequency counter.Frequency measurement range is from 10kHz to several Hz.In the circuit,the first indication is fixed as 0, measurement period is 1.2 s and measuring time is 1 s. LQT-lOOX is the market crystals module. The circuit can be used as revolution meter and it is on the measured rotary actuator.For example,on the motor shaft every turn installs 6 pulse encoders ,which can directly read motor speed of every 1 min,namely the digital revolution indicator.
If the amplifier circuit is added to the input portion ,the input signal is properly amplified and detecting the dc motor pulse current situation and the speed of the motor are also available.
(View)
View full Circuit Diagram | Comments | Reading(2414)
Published:2011/7/19 11:04:00 Author:Michel | Keyword: Charging Circuit
The above picture is charging circuit of MAX1879.When the power is switched on,precharging circuit conducts and LED blinks when the battery voltage is 2.2~2.5V.As the battery voltage is more than 2.5 V, the circuit turns into fast charging way and exchange adapter is used to limit battery charging current. As it is fast charging, LED blinks. If the battery voltage rises to 4.2 V, then it turns into pulse charging ways. The pulse minimum charging time is set by TSEL terminal. If the ratio of VT1 conduction time and the cut-off time are less than 1/8, it is judged as the longest time charging ways.6.25h timer starts and it keeps pulse charging ways and the timing time ends until the charging is over. (View)
View full Circuit Diagram | Comments | Reading(769)
Published:2011/7/19 11:30:00 Author:Michel | Keyword: Communication Single Chip, Microcomputer Integrated Circuit
SB6702 is one SB6702 communication single-chip microcomputer integrated circuit which is widely used in caller identification telephones.
First,Functions and FeaturesSB6702 integrated circuit contains DTMF generator, low voltage detection circuit, liquid crystal display driver circuit,energy saving mode control circuit, the keyboard matrix switch circuit and caller id signal processing circuit.
Second,Pins Functions and DataSB6702 integrated circuit uses 80 feet encapsulation methods which is directly packaged on the four CMOS microprocessors of the printed circuit board and its pins functions and data are shown as table 1.
(View)
View full Circuit Diagram | Comments | Reading(592)
Published:2011/7/19 11:29:00 Author:Michel | Keyword: Microcomputer, Dialing Integrated Circuit



TDAl077 microcomputer dialing integrated circuit is often used in kinds of telephones.
One Functions and Features
TDA1077 integrated circuit contains key switch signal coder and dial signal processing circuit etc.
Two Pins Functions and Data
The pins function and data of TDA1077 integrated circuit are shown as table 3.
Table:Pins Functions and Data of TDA107 IC (View)
View full Circuit Diagram | Comments | Reading(698)
Published:2011/7/19 11:26:00 Author:Michel | Keyword: Switch Power, Thick Membrane, Integrated Circuit
STR10006 is switch power thick membrane integrated circuit of SANKEN and it is used for big TV screens, the deputy of switch power supply screens.
First,Functions and Features
STRlO006 integrated circuit contains RCC control system and power switch tube, sampling error signal processing circuit,other auxiliary power supply circuit and the protection circuit etc.
Second,Pins and Data
STR10006 integrated circuit uses pins single in-line package and its pins functions and dataare shown as table 1.The data is measured via the Panasonic TC-29GVl2G type big TV screen by using U2O1 type multimeter. (View)
View full Circuit Diagram | Comments | Reading(1467)
Published:2011/7/19 11:28:00 Author:Michel | Keyword: Switch Power, Thick Membrane, Integrated Circuit



STR51213 is switch power thick membrane integrated circuit of SANKEN and it is widely used in Panasonic D series big screen color TV.
One Functions and Features
STR51213 integrated circuit contains sampling signal processing circuits, incentive drive control circuit, switch tube, and other auxiliary functions circuit. Two Pins and Data
STR51213 integrated circuit uses pins single in-line package and its pins functions and data are shown as table 1.
Table:Pins Functions and Data of STR51213 IC
Note :STR51213 can substitute for STR50203 and STR50213 directly. (View)
View full Circuit Diagram | Comments | Reading(1008)
Published:2011/7/19 11:27:00 Author:Michel | Keyword: Switch Power, Thick Membrane, Integrated Circuit
STb8041 is switch power thick membrane integrated circuit of SANKEN and it is widely used in Panasonic D series big screen color TV.
First,Functions and Features STb8041 integrated circuit contains sampling voltage processing circuit, drive control circuit, incentive and some other auxiliary functions circuit.
Second,Pins and DataSTb8041 uses integrated circuit uses pins single in-line and it is used in Panasonic TC-D25C type color TV.And its pins functions and data are shown as table 1.
Table 1:Pins and Data of STR58041 IC
Note:HMD9502 and KO205CE can substitute for STR5804 directly when it's broken. (View)
View full Circuit Diagram | Comments | Reading(1221)
Published:2011/7/19 11:25:00 Author:Michel | Keyword: Leakage Protection, Switch Circuit
The multi-functional leakage protection switch uses Nissan M54122 which can constitute multifunctional leakage protection switch.The magnetic field is generated by flowing through front line and zero line and it is cancelled out and it does not produce AC current when there are leakage or an electric shock.And coil is produced and 7 feet produces high voltage level,which triggers controlled silicon and makes the relay action cut off power supply. Overvoltage protection is composed of Ru1,Ru2,Ru4,Ru5 and D1.Thermistor Ru1 is used to absorb the overvoltage caused by lightning or center line fault. (View)
View full Circuit Diagram | Comments | Reading(664)
Published:2011/7/19 11:22:00 Author:Michel | Keyword: Time, Acousto-opticReminding Circuit
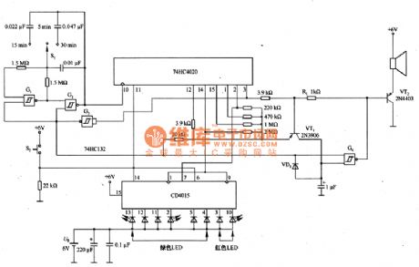
Picutre 1 is time to acousto-optic reminding circuit.In the circuit,74 HC4020 is 14 counter; CD4015 is eight shift register and S2 is reduction switch.When it instantly closes, 74 HC4020 and CD4O15 also reset and the G1 and C2 may constitute a time interval oscillator. S1 is selected switch and it can choose 5 min, 15 min and 30 min.The cirucit gives sound and light alarm signal when time is up.
Picture 1:Time to Acousto-optic Reminding Circuit (View)
View full Circuit Diagram | Comments | Reading(804)
Published:2011/7/19 11:32:00 Author:Michel | Keyword: Temperature Compensation, Voltage Generating Circuit



The picture a,b,c are voltage generating circuit with temperature compensation.In the picture (a),VD1 and VD2 constitute temperature sensor circuit and it should generate two positive voltage in order to get the positive and negative temperature coefficient.RP1 sets the voltage temperature coefficient from negative one to postive one.Please regulate RP1 to the left and reduce forward voltage of diode VD2 acording to 2mV/℃ proportion and then use A1 to amplify inversely,which can gain + 2 mV / ℃ voltage.In this state,there is a direct current translation.Thus,the stable benchmark voltage moves the negative output voltge to zero voltage. (View)
View full Circuit Diagram | Comments | Reading(742)
Published:2011/7/19 11:22:00 Author:Michel | Keyword: Operational Amplifier, TransistorRegulating Circuit



The picture a,b,c,d are regulating circuits of operational amplifier and transistor.The figure (a) is the high stability of operational amplifier output voltage circuit.A1 output uses VDZ1 level shift to make the work stable.VDZ2 is temperature compensation type diode and temperature characteristic is very good. Because the diode current is constant and voltage change is very small. VT1 emitter voltage is about 16V,thus VDZ2 is constant and output voltage is very stable.
Figure(b)~(d) is error amplifier and it uses TA7502 voltage stability circuit.Among them, figure (b) is the circuit whose output voltage is higher than diode stabilizing voltage. (View)
View full Circuit Diagram | Comments | Reading(938)
Published:2011/7/19 11:21:00 Author:Michel | Keyword: Adjustable Voltage, Power Supply Circuit
The adjustable voltage power supply circuit of the thyristor is shown as above.The circuit output voltage is 50~100V and the current is 3A.The high voltage parts adopt VS1 and VS2 tubes and they are used as crystal phase control.It is corresponding to the output voltage and load change and it controls waveform dutyfactor,and it can improve the linear regulator's transformation efficiency. VT2 and VT3 are current limit circuit,VT1 has current limiting function and C1 is vibration preventing capacitance.The circuit output voltage is 70 V, and its load current is 0 ~ 2 A and its voltage changes within ±3V. (View)
View full Circuit Diagram | Comments | Reading(3461)
Published:2011/7/19 11:20:00 Author:Michel | Keyword: High Voltage Power Supply, Over-voltage Protection Circuit


The picture 49 is over-voltage protection circuit of high voltage power supply circuit.The over-voltage power supply is provided by output voltage and the work current is around 2mA.In the circuit ,if Ucc voltage is judged as over-voltage,the protection action begins and Uth
formula is .RRP1-2 is the voltage between RP1 sliding end and R2 point,Uz is VD1 stable voltage an d UBE is VT1's base-emitter voltage.This circuit outputs photoelectric coupler TLP521-1 and it isolates.Thus,it can also be used for the ac power of over-voltage protection (View)
View full Circuit Diagram | Comments | Reading(881)
| Pages:1490/2234 At 2014811482148314841485148614871488148914901491149214931494149514961497149814991500Under 20 |