Published:2013/3/18 2:02:00 Author:Ecco | Keyword: RF Amplifier , 1 Watt, 2.3GHz
This the 1W RF amplifier circuit which used a common-base power transistor MRF2001, a class C amplifier. This RF amplifier delivers about 1 Watt power output with 8-dB minimum gain at 24V voltage supply. The frequency can be tuned from 2.25GHz to 2.35GHz. Applications include microwave communications equipment and other systems that require medium-power narrow-band amplification. The amplifier circuitry consists almost entirely of distributed microstrip elements.
(View)
View full Circuit Diagram | Comments | Reading(1423)
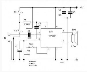
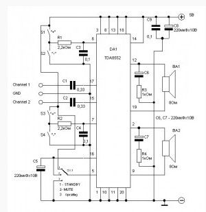
Published:2013/3/18 2:01:00 Author:Ecco | Keyword: 1W ower Amplifier, Electronic Volume Control
The TDA8551 chip by Philips is a bridge amplifier with output power of 1 watt at a supply voltage of 5V. In this case, current consumption in the silent mode is only 10mA. The chip is made in 8-pin package and requires no heat sink, it can be used in a variety of small devices. Chip is equipped with thermal protection, has an internal delay circuit connecting the load – so that when you turn, you hear a wheeze other wonderful music transients. This chip also built-in an electronic volume control.
(View)
View full Circuit Diagram | Comments | Reading(1894)
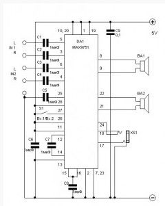
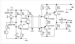
Published:2013/3/18 1:58:00 Author:Ecco | Keyword: 2.6W, Two Channel, Amplifier
This amplifier circuit based MAX9751 IC which work on the 5 Volt voltage, unipolar, and a 2.6 Watt power output per channel. In addition, there is a headphone output with separate amplifier and the input selector inputs – you can connect two sources of signal.
(View)
View full Circuit Diagram | Comments | Reading(1014)
Published:2013/3/18 1:55:00 Author:Ecco | Keyword: 1.4W , Stereo Power Amplifier
A few more words on the chip. This is a bridge amplifier class AB integrated into the protection against overheating, short circuit protected outputs, suppression of inrush current when you turn on and off the amplifier. The only difference – a little more power output – 1.4 watts per channel. But nevertheless, it also does not require a heat sink and can be used anywhere.
(View)
View full Circuit Diagram | Comments | Reading(1533)
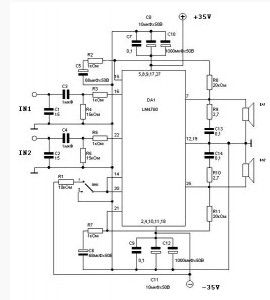
Published:2013/3/18 1:51:00 Author:Ecco | Keyword: 60 / 120 watts , Power Amplifier
Operating power amplifier integrated circuit LM4780 from National Semiconductor .What is special? Well, first of all – it is very low harmonic distortion. Typically, manufacturers indicate the maximum power of its regular genius crafts at THD 10%. At the same chip, the CG at the maximum specified power is only 0.5%!
(View)
View full Circuit Diagram | Comments | Reading(1738)
Published:2013/3/18 1:45:00 Author:Ecco | Keyword: 25/50 W , Power Amplifier, Class D
Despite the relatively small power output specified in the title of the article, it has one distinct advantage – the acoustics can be connected directly to pins – no extra coils is not required – as they say – all included.
(View)
View full Circuit Diagram | Comments | Reading(1174)
Published:2013/3/18 1:44:00 Author:Ecco | Keyword: Microphone Amplifier
The amplifier is assembled on operational amplifier KM551UD2.The amplifier is powered by a dual supply voltage of 15 volts. The diagram shows one channel of amplification, and is given in parentheses the numbering of the findings for the second channel.
(View)
View full Circuit Diagram | Comments | Reading(1109)
Published:2013/3/18 1:43:00 Author:Ecco | Keyword: Car Power Amplifier
Audio amplifier is built with the main component of Philips TDA1562 IC. The TDA1562 is a monolithic integrated 70 W/4 W.Bridge-Tied Load (BTL) class-H high efficiency power amplifier in a 17 lead DIL-bent-SIL plastic power package. Its essence is that to a certain value output (approx. 20 watts) amplifier operates in the mode B. If the output power increases further, included a clever scheme to increase the voltage output stage and thus enables the amplifier to swing to a maximum power of 70 watts.
(View)
View full Circuit Diagram | Comments | Reading(2017)
Published:2013/3/18 1:40:00 Author:Ecco | Keyword: 20 Watts, Amplifier
The scheme is very simple and if you decide to devote himself to the assembly of amplifiers and investigation of their activities, it makes sense to start with this amp.
(View)
View full Circuit Diagram | Comments | Reading(2042)
Published:2013/3/18 1:39:00 Author:Ecco | Keyword: 100 Watt, High Quality, Power Amplifier
The amplifier is completely based on discrete elements without any OS and other tricks. When working on the load and power 4 Ohm 35V amplifier has an output up to 100W. If there is a need to connect the load 8 Ohm power can be increased to + /-42V, in this case, we get the same 100W.
It is strongly recommended not to increase the voltage more than 42V, or you can go without the output transistors. When operating in bridge mode to be used an 8-ohm load, or, again, are deprived of any hope for the survival of the output transistors. By the way, we must note that the protection against short-circuit in the load is not provided, so you have to be careful. To use the amplifier in bridged mode, you must login MT bolted to the output of another amplifier to the input signal and which. The remaining input is closed to ground. Resistor R11 is used to set the quiescent current output transistors. Capacitor C4 determines the correct boundary gain and reduce its not worth it – get the self-oscillation at high frequencies.
(View)
View full Circuit Diagram | Comments | Reading(5041)
Published:2013/3/18 1:38:00 Author:Ecco | Keyword: Microphone Amplifier , Noise Suppression
The following microphone amplifier, in addition to its primary mission, will suppress common mode noise arising in the wire connecting the microphone and amplifier.
The circuit is divided into two parts. Left – is located in close proximity to the microphone, for example, in his case. The right-hand – anywhere – in the amplifier, a mixer. Connect these two pieces of two-wire, shielded cable.
How does it work? It’s very simple – a signal from a microphone, amplified the left side is fed to the right side, the input stage of which (VT3, VT4) is an accumulator with a phase shift of 180 degrees (the phase of the signal, not of what you think.) Thus, the useful signal coming out of phase two wire folded and its value is doubled. And the nasty in-phase noise are mutually self-destruct.
(View)
View full Circuit Diagram | Comments | Reading(1715)
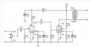
Published:2013/3/18 1:29:00 Author:Ecco | Keyword: Simple High Quality, Tube Amplifier, Class A


Amplifier built on a wide spread basis element, and the values of elements may differ from those listed at 10-20 percent, without degrading the amplifier characteristics.
U1 – 6N1P (one half – the right channel, the other – left); U2 – 6P3S.resistors, used in the amplifier type MLT-0.5, R5 – MLT-2.Capacitors C1, C3, preferably paper – to voltage is less than 300 V.
(View)
View full Circuit Diagram | Comments | Reading(2145)
Published:2013/3/18 1:25:00 Author:Ecco | Keyword: Single Channel, Headphone Amplifier
Headphone amplifier circuit was built by IC DA1 – KR1436UN1 (DIP8). This IC operated on a wide range of voltage between +2V-16V. With small current required, it can be powered by batteries. THD – 0.5%. Freq Frequency 20-20000Hz. Limiting long-term power output – 250mW 16 Ohm load and voltage 6V.
(View)
View full Circuit Diagram | Comments | Reading(1149)
Published:2013/3/18 1:23:00 Author:Ecco | Keyword: Dual Channel , Headphone Amplifier
Here is a the circuit dual-channel headphone amplifier. The circuit is built with ic DA1 – KR1054UN1, KF1054UN1, AN7050, TDA7050T (SO8 all), TDA7050 (DIP8), which is more expensive than the previous the circuit single-channel headphone amplifier. All devices operate at supply voltage range 1.6-6V. Current, as well as in the single-channel headphone amplifier was not great. THD – 0.1%. Frequency 20-20000Hz. Limiting long-term power output at 32 ohms.
(View)
View full Circuit Diagram | Comments | Reading(1351)
Published:2013/3/18 1:13:00 Author:Ecco | Keyword: Microphone Amplifier
The operating principle is as follows:Resistors R1, R3 is used to adjust the gain, which equals 25. To increase the gain by 75 to build a resistance of 68 ohms. It is not recommended to install too high gain, because it may affect the sound quality, although this depends on the microphone. Capacitors C5 and C6 are used for suppression of feeding.
This circuit has been tried on three microphones, one from SONY, and then two Chinese, everything works! With the correct assembly of the device starts to work immediately, and does not need tuning.
(View)
View full Circuit Diagram | Comments | Reading(1064)
Published:2013/3/18 1:11:00 Author:Ecco | Keyword: Microphone Pre-amp
This Simple preamplifier circuit provides sufficient gain to weak audio signals from the microphone. This circuit can also be supplied from the voltage baterry 3 to 9 volts if necessary. Take a note that the microphone used in this pre-amp circuit is electret type.If you are using high fidelity sound system, the this mic pre-amp will not become a good choice, you should be find other circuits.
(View)
View full Circuit Diagram | Comments | Reading(3457)
Published:2013/3/18 1:10:00 Author:Ecco | Keyword: Single Chip, Audio Preamplifier
The circuit is based on low power ic LM358 dual op amp with a single 9 volt power supply. This pre amp has a gain which can be set via the variable resistor R5.
(View)
View full Circuit Diagram | Comments | Reading(4665)
Published:2013/3/18 1:09:00 Author:Ecco | Keyword: Audio Booster
This Audio booster circuit is very simple and can be applied to fm tuner or audio pre amplifier. The 2N3392 is a low-noise type transistor in TO-92 case. The transistor can can be replaced by a NTE199 or ECG199. If you wish to use a TUN, cross reference the parameters with one of the units from this list : TUP-TUN
Potentiometer R5 of 100K is a linear type with an on/off switch attached. The value of C1 may need to be between 0.05µF and 0.1µF (47nF/100nF). Experiment with the value for best performance.
(View)
View full Circuit Diagram | Comments | Reading(1414)
Published:2013/3/18 1:08:00 Author:Ecco | Keyword: 2x22W, Car, Audio Amplifier
Above is a schematic diagram of an amplifier which is used in car audio. This circuit uses IC TDA 1558 from Philips. TDA1558 is a monolithic integrated class-B Output power amplifier in 17-lead single-in-line (SIL) plastic package. The device contains 4 x 11 W single-ended or 2 x 22 W BTL amplifiers.
(View)
View full Circuit Diagram | Comments | Reading(1879)
Published:2013/3/18 1:07:00 Author:Ecco | Keyword: Linear , Video Amplifier, SECAM, PAL , NTSC
Buffered video amplifier is used wherever the use of video player to the receiver / monitor TV with a long cable may cause a drop in signal amplitude and as a consequence, the deterioration in image quality. The amplifier can also be used to connect multiple receivers to one player or VCR.
In any case, it prevents deterioration of picture quality as eating out edstvie greater load the player, or loss of signal power in the cable. This is a simple linear amplifier with low noise level with a broad band transfer (min 20 MHz) and increased ~ 6 dB. You can connect to any source of stabilized voltage 12-15 (in special cases even from the power supply VCR). Current consumption of a small, 20 mA at 12 V.
The scheme works only when using the compounds of “AV” where video and audio signals are sent separately. Not suitable for joints «HF» antenna cable. Make sure to include the video amplifier in the line of the video, while leaving the audio connection. It is possible to use two amplifiers, one of which will be designed for the line “video” other “audio.”
(View)
View full Circuit Diagram | Comments | Reading(1362)
| Pages:13/250 1234567891011121314151617181920Under 20 |